Скачать Типовой проект 801-2-114.90 Альбом 2. Строительные изделияДата актуализации: 01.01.2021
|
| Обозначение: | Типовой проект 801-2-114.90 |
| Обозначение англ: | 801-2-114.90 |
| Статус: | не определен законодательством |
| Название рус.: | Альбом 2. Строительные изделия |
| Дата добавления в базу: | 01.09.2013 |
| Дата актуализации: | 01.01.2021 |
| Дата введения: | 20.12.1989 |
| Дата окончания срока действия: | 30.06.2003 |
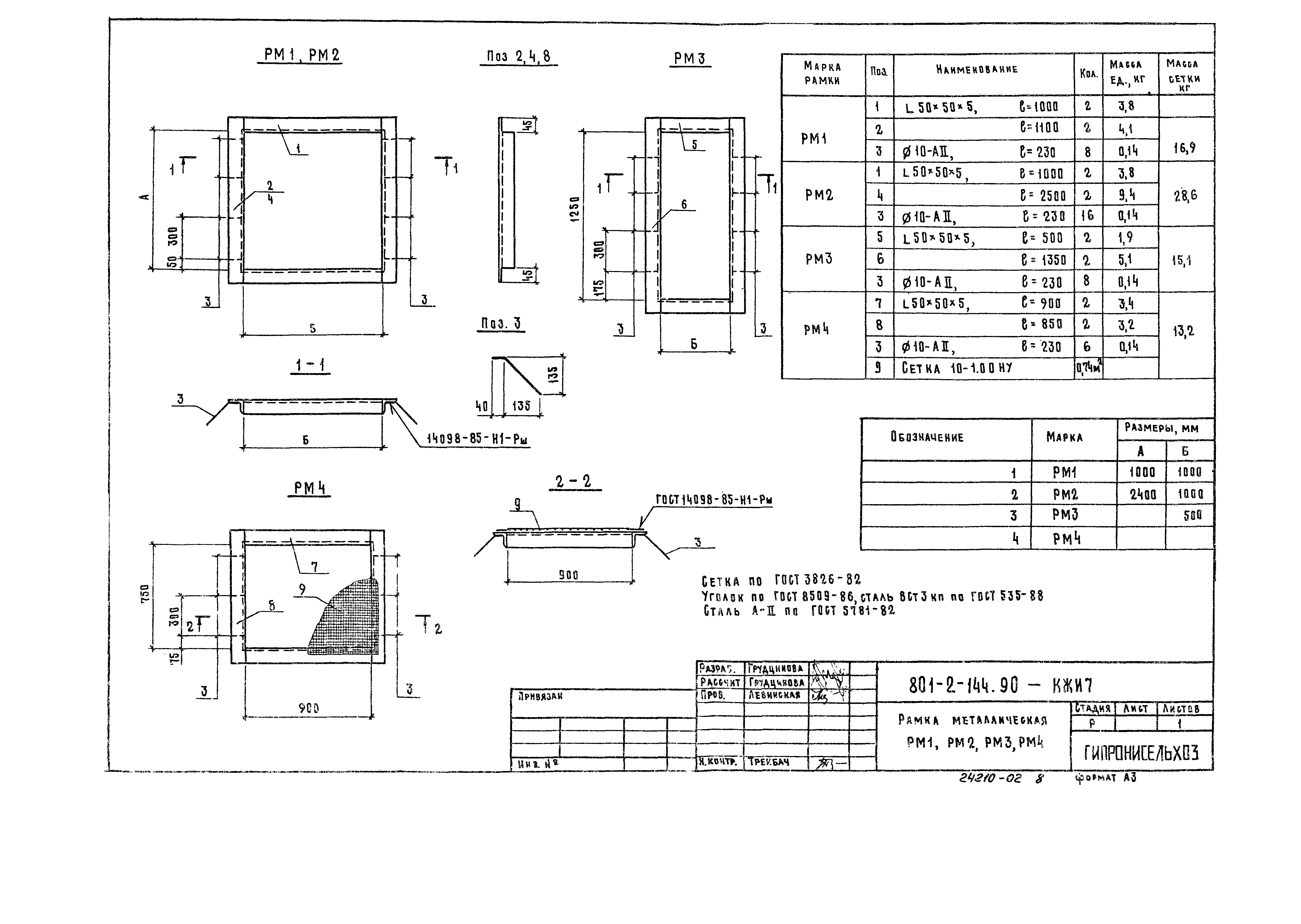
| Оглавление: | КЖИ.ТТ Технические требования КЖИ.1 Колонна 1К-423-2а-п,2К-423-1а-п КЖИ.2 Балка 1БСТ6-5АIVт-п2,1БСТ6-5АIVт-п1 КЖИ.3 Деталь закладная МН3 КЖИ.4 Изделие соединительное МС1 КЖИ.5 Изделие соединительное МС2 КЖИ.6 Изделие соединительное МС3 КЖИ.7 Рамка металлическая РМ1,РМ2,РМ3,РМ4 КЖИ.8 Рама металлическая РМ5 |
| Разработан: | Институт Гипронисельхоз |
| Утверждён: | 20.12.1989 Гипронисельхоз (Giproniselkhoz 288-П) |
| Издан: | ЦИТП Госстроя СССР (CITP, Gosstroy (USSR) 1990 г. ) |












