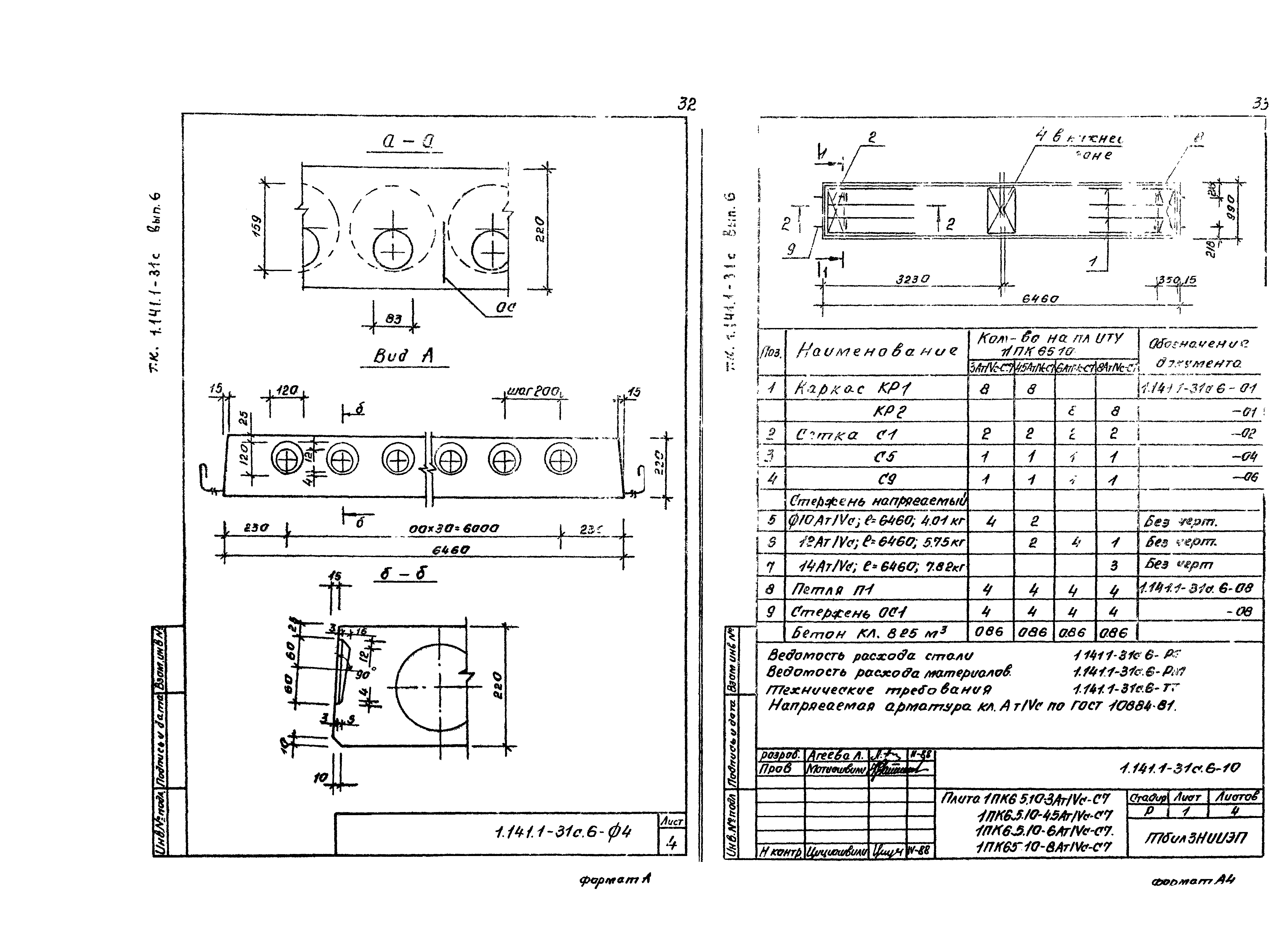
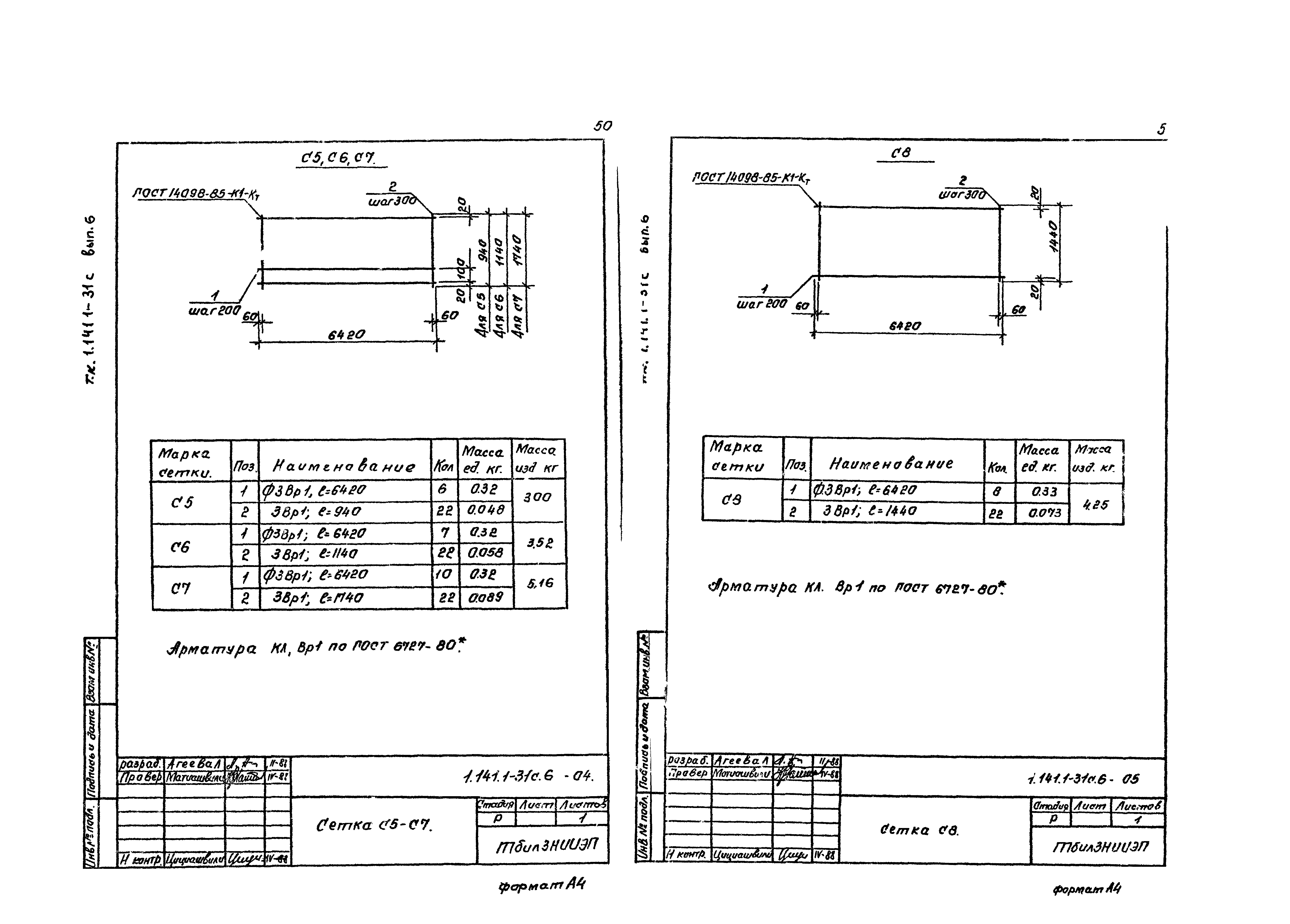
Скачать Серия 1.141.1-31с Выпуск 6. Предварительно напряженные плиты с круглыми пустотами, армированные стержнями из стали класса Ат-IVC, длиной 6460 мм, шириной 990, 1190, 1490 и 1790 мм для строительства в районах сейсмичностью 7 баллов. Метод натяжения электротермический. Рабочие чертежиДата актуализации: 01.01.2021 Серия 1.141.1-31с
Выпуск 6. Предварительно напряженные плиты с круглыми пустотами, армированные стержнями из стали класса Ат-IVC, длиной 6460 мм, шириной 990, 1190, 1490 и 1790 мм для строительства в районах сейсмичностью 7 баллов. Метод натяжения электротермический. Рабочие чертежи| Обозначение: | Серия 1.141.1-31с | | Обозначение англ: | Series 1.141.1-31с | | Статус: | не определен законодательством | | Название рус.: | Выпуск 6. Предварительно напряженные плиты с круглыми пустотами, армированные стержнями из стали класса Ат-IVC, длиной 6460 мм, шириной 990, 1190, 1490 и 1790 мм для строительства в районах сейсмичностью 7 баллов. Метод натяжения электротермический. Рабочие чертежи | | Дата добавления в базу: | 01.09.2013 | | Дата актуализации: | 01.01.2021 | | Дата введения: | 01.02.1989 | | Дата окончания срока действия: | 30.06.2003 | | Разработан: | ТбилЗНИИЭП
| | Утверждён: | 29.12.1988 Госкомархитектура (357)
|
                          
|