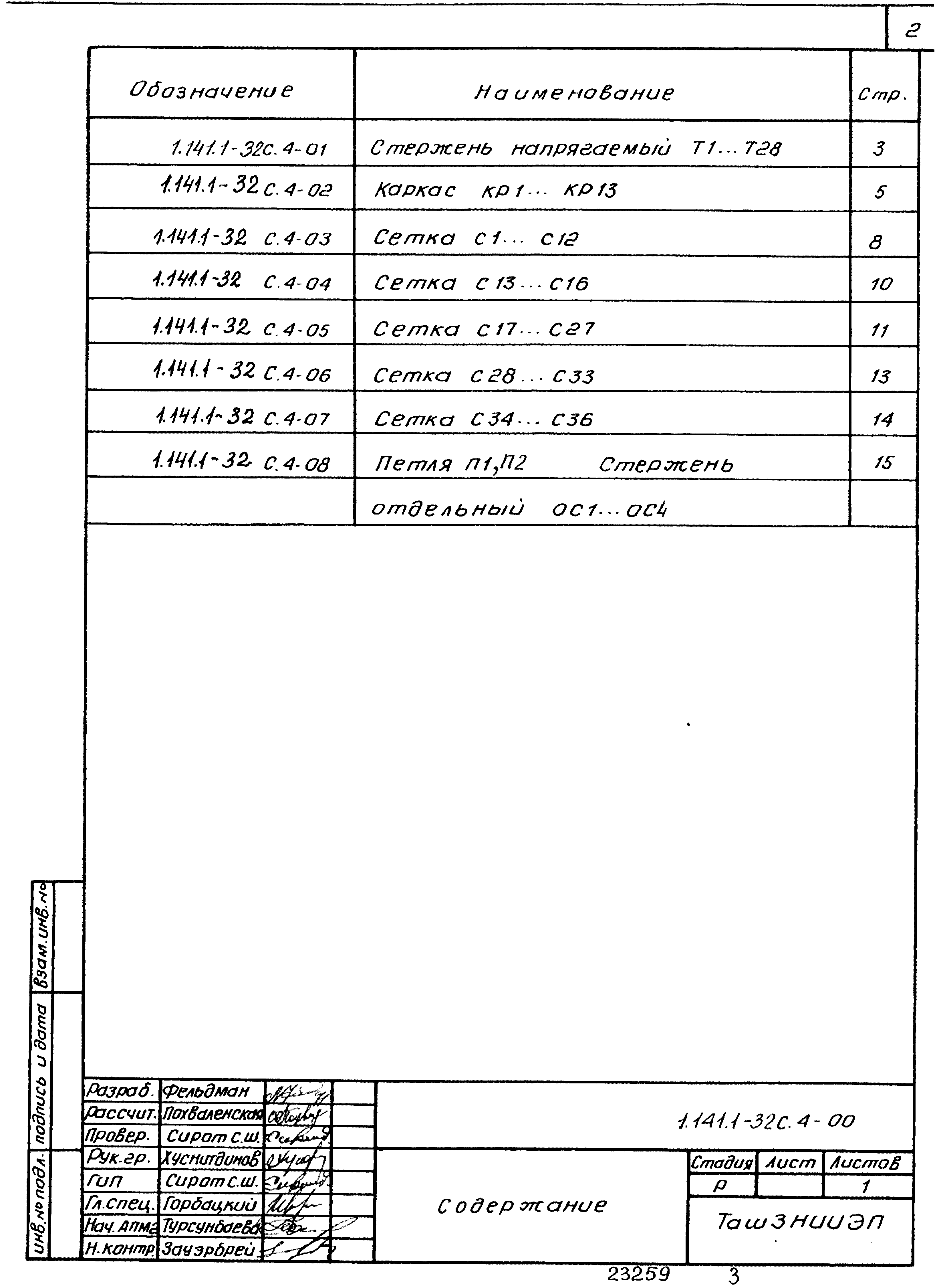
Скачать Серия 1.141.1-32с Выпуск 4. Предварительно напряженные плиты с круглыми пустотами длиной 4660, 5860, 6160 и 7060 мм, шириной 990, 1190 и 1490 мм. Метод натяжения - электротермический. Арматурные изделия. Рабочие чертежиДата актуализации: 01.01.2021 Серия 1.141.1-32с
Выпуск 4. Предварительно напряженные плиты с круглыми пустотами длиной 4660, 5860, 6160 и 7060 мм, шириной 990, 1190 и 1490 мм. Метод натяжения - электротермический. Арматурные изделия. Рабочие чертежи| Обозначение: | Серия 1.141.1-32с | | Обозначение англ: | Series 1.141.1-32с | | Статус: | не определен законодательством | | Название рус.: | Выпуск 4. Предварительно напряженные плиты с круглыми пустотами длиной 4660, 5860, 6160 и 7060 мм, шириной 990, 1190 и 1490 мм. Метод натяжения - электротермический. Арматурные изделия. Рабочие чертежи | | Дата добавления в базу: | 01.09.2013 | | Дата актуализации: | 01.01.2021 | | Дата введения: | 01.08.1988 | | Дата окончания срока действия: | 30.06.2003 | | Разработан: | ТашЗНИИЭП Госгражданстроя
| | Утверждён: | 17.06.1988 Госкомархитектура (177)
|
              
|