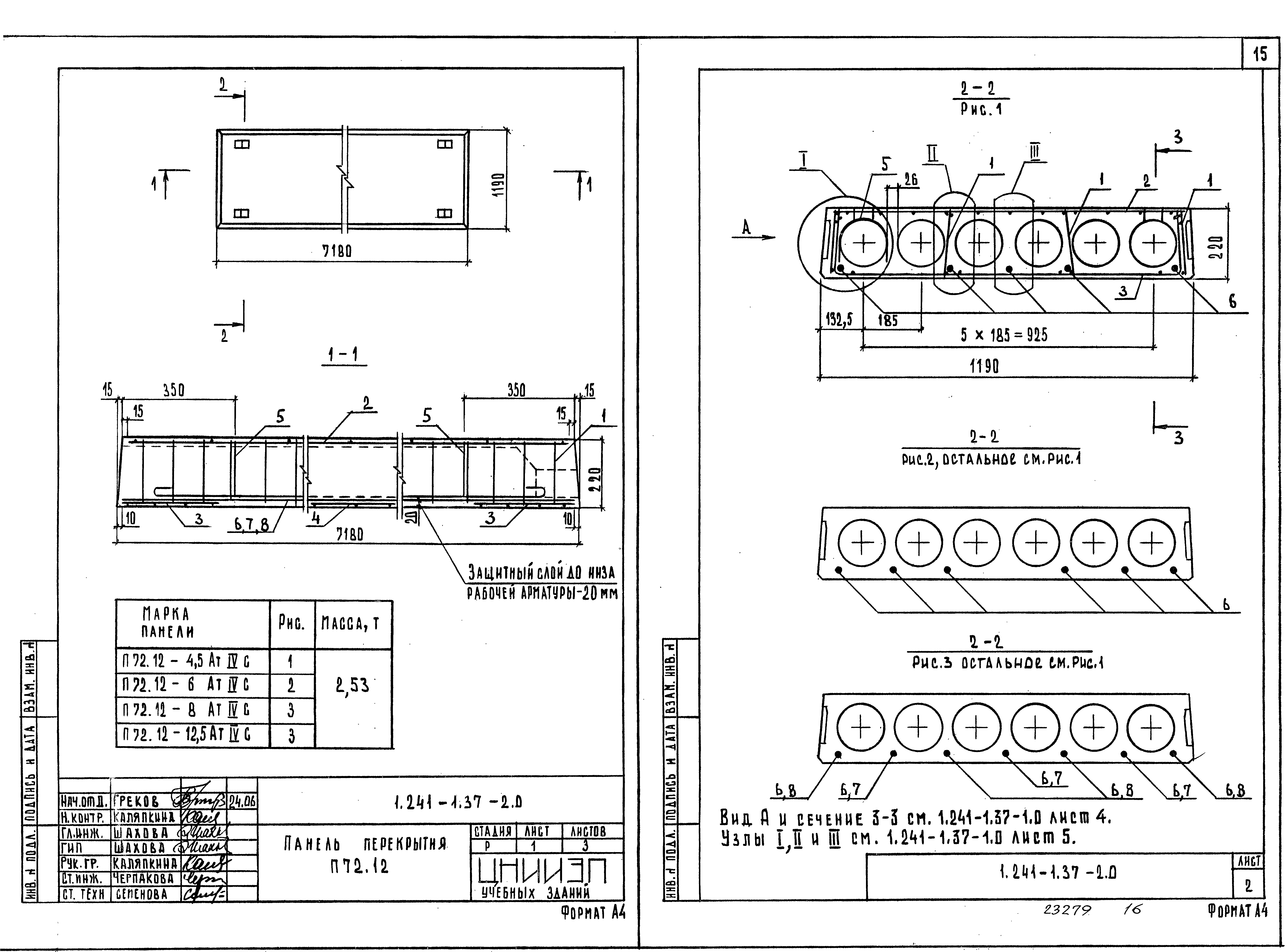
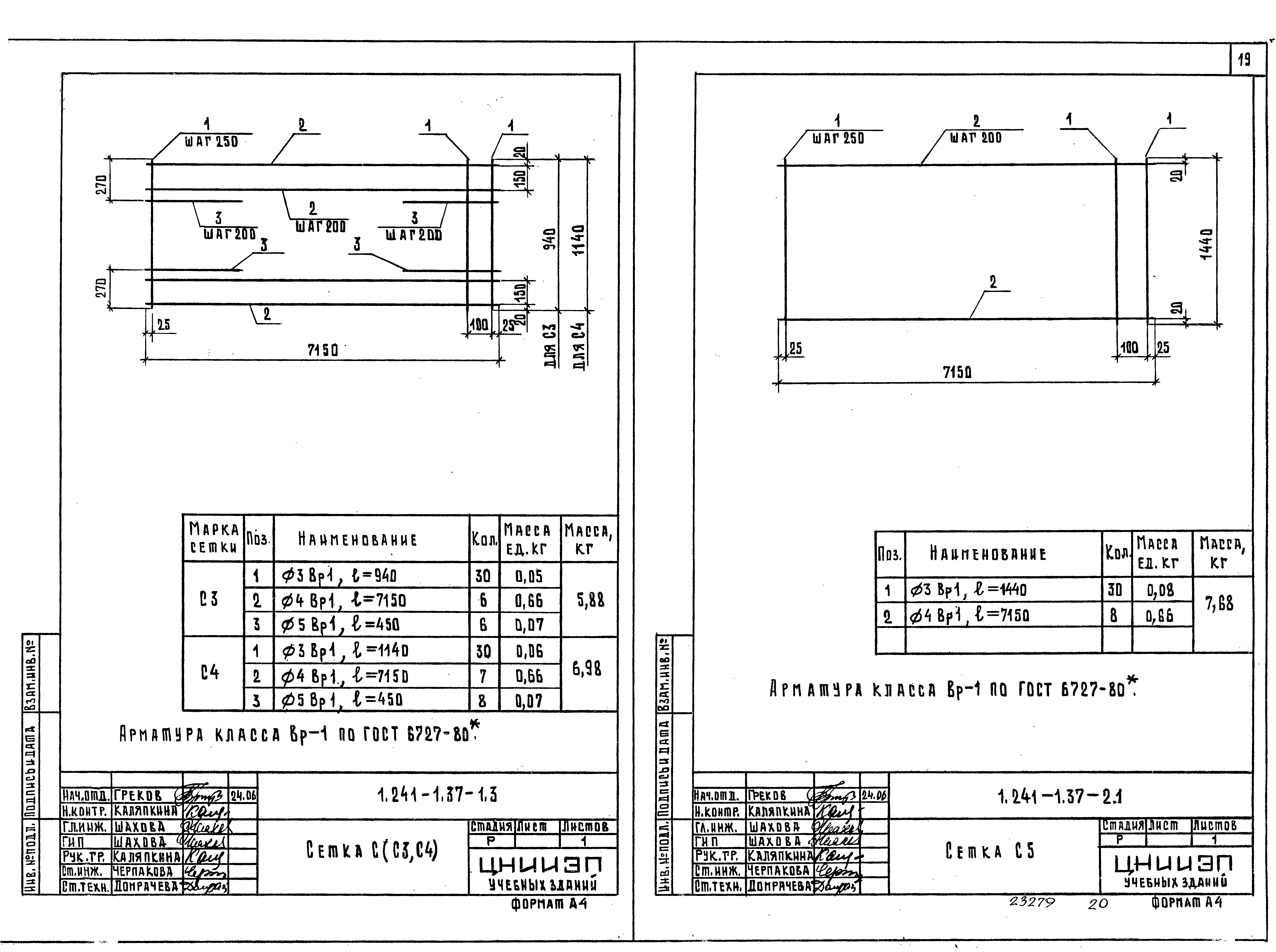
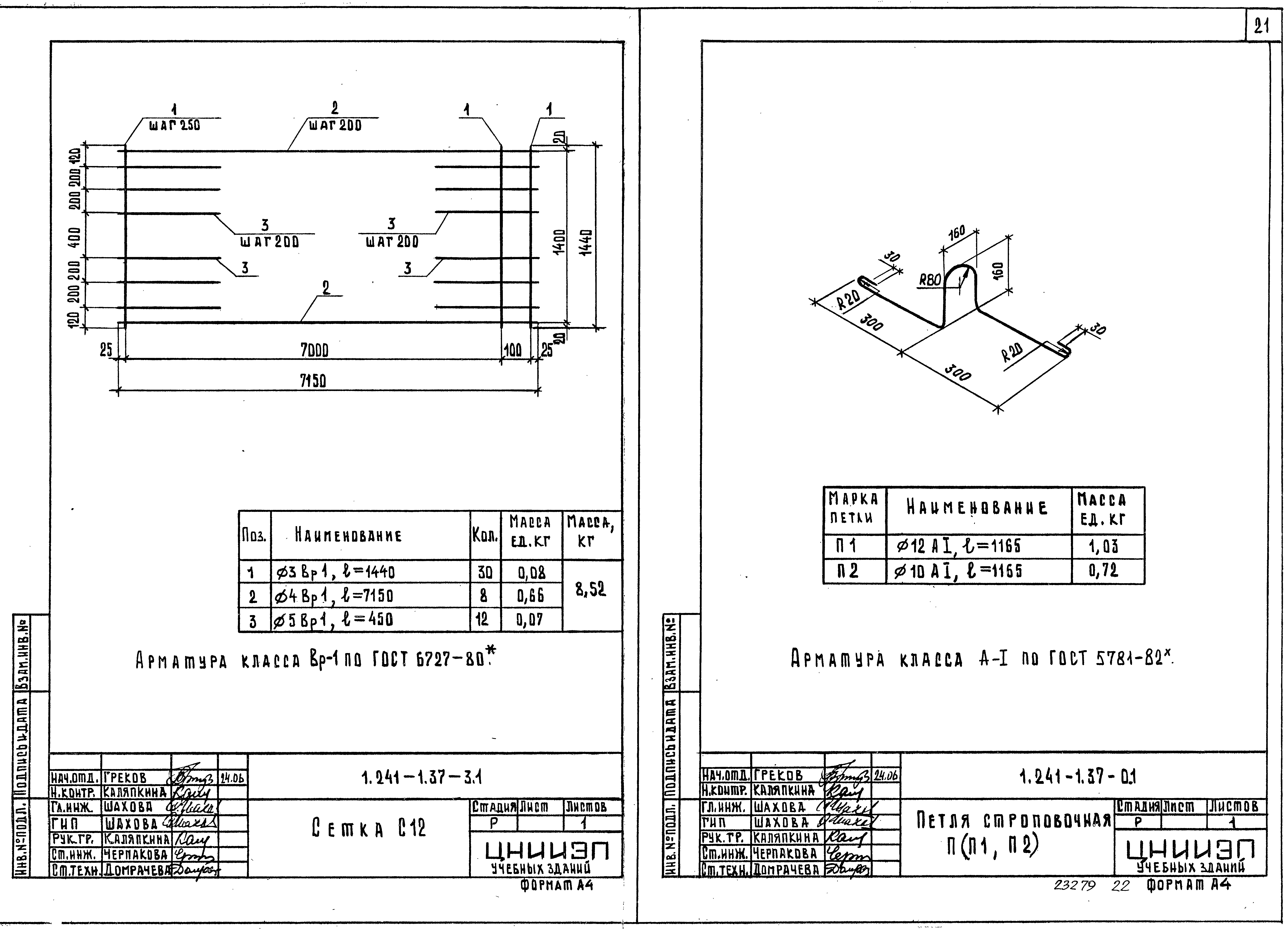
Скачать Серия 1.241-1 Выпуск 37. Предварительно напряженные панели длиной 718 см, шириной 99, 119 и 149 см, армированные стержнями из стали класса Ат-IVC. Метод натяжения - электротермический. Рабочие чертежиДата актуализации: 01.01.2021 Серия 1.241-1
Выпуск 37. Предварительно напряженные панели длиной 718 см, шириной 99, 119 и 149 см, армированные стержнями из стали класса Ат-IVC. Метод натяжения - электротермический. Рабочие чертежи| Обозначение: | Серия 1.241-1 | | Обозначение англ: | Series 1.241-1 | | Статус: | не определен законодательством | | Название рус.: | Выпуск 37. Предварительно напряженные панели длиной 718 см, шириной 99, 119 и 149 см, армированные стержнями из стали класса Ат-IVC. Метод натяжения - электротермический. Рабочие чертежи | | Дата добавления в базу: | 01.09.2013 | | Дата актуализации: | 01.01.2021 | | Дата введения: | 01.09.1988 | | Дата окончания срока действия: | 30.06.2003 | | Разработан: | НИИЖБ Госстроя СССР ЦНИИЭП учебных зданий Госгражданстроя
| | Утверждён: | 17.06.1988 Госкомархитектура (4-302)
|
                     
|