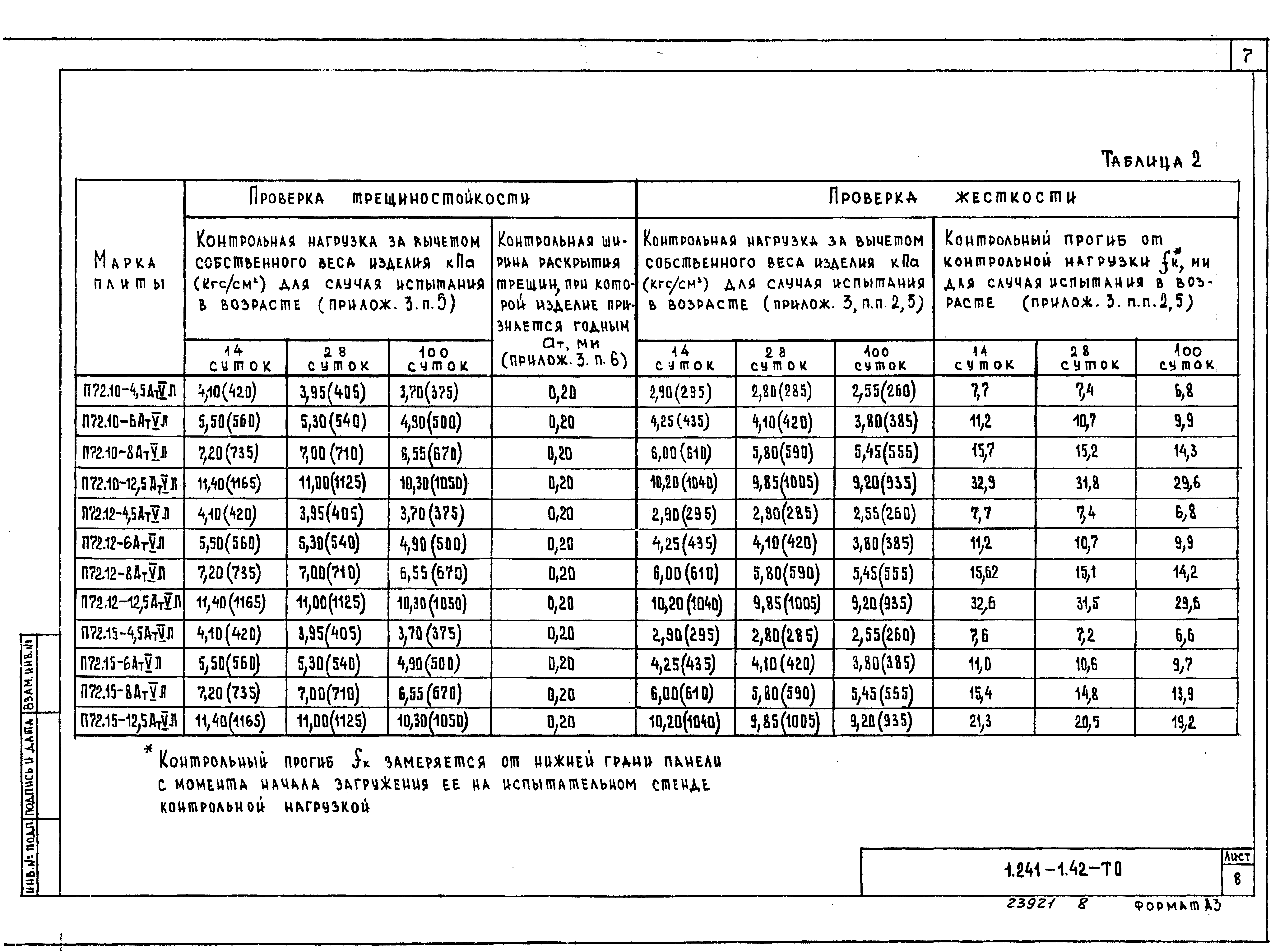
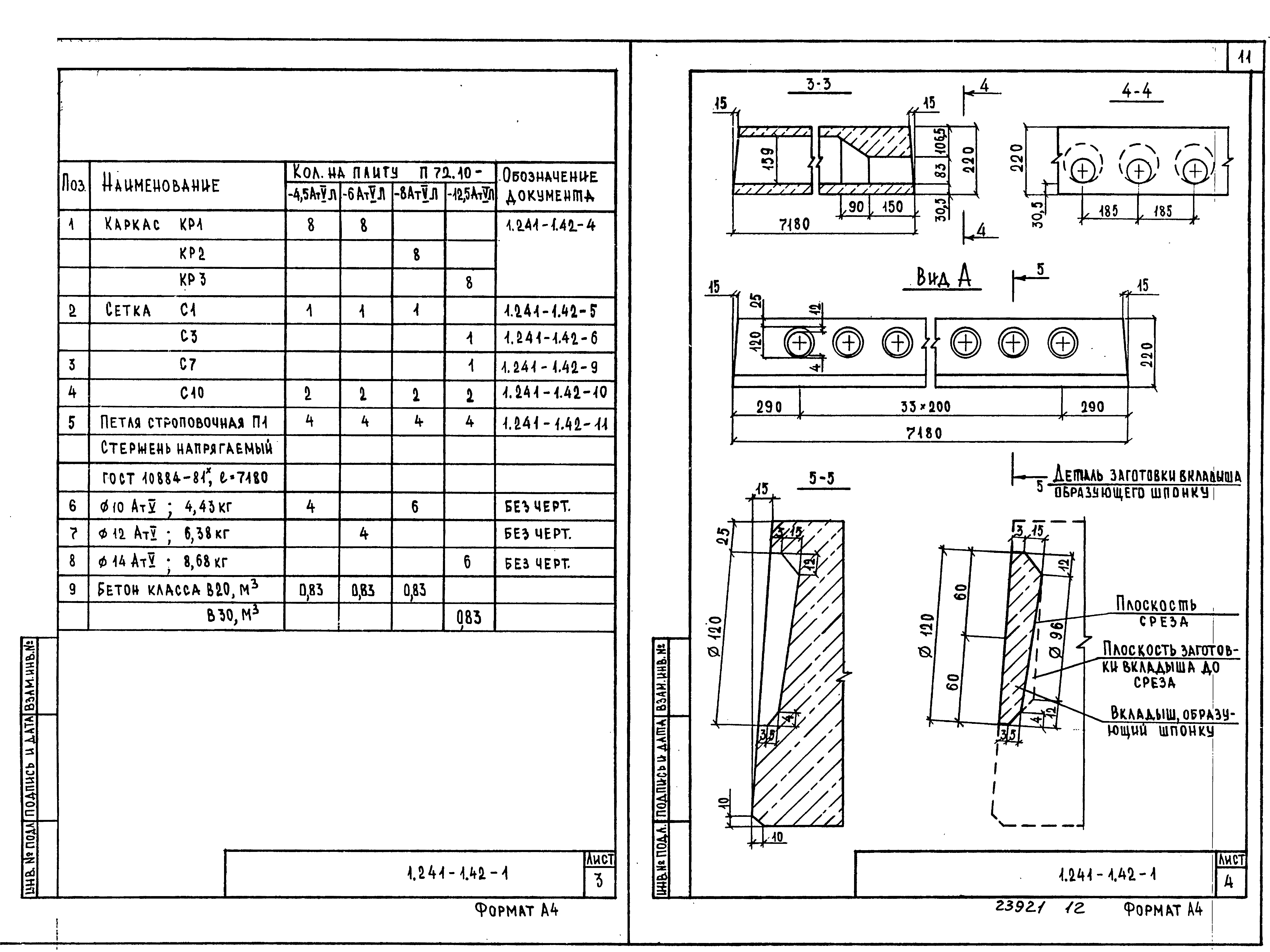
Скачать Серия 1.241-1 Выпуск 42. Легкобетонные предварительно напряженные плиты длиной 718, шириной 99, 119 и 149 см, армированные стержнями из стали класса Ат-V. Метод натяжения - электротермический. Рабочие чертежиДата актуализации: 01.01.2021 Серия 1.241-1
Выпуск 42. Легкобетонные предварительно напряженные плиты длиной 718, шириной 99, 119 и 149 см, армированные стержнями из стали класса Ат-V. Метод натяжения - электротермический. Рабочие чертежи| Обозначение: | Серия 1.241-1 | | Обозначение англ: | Series 1.241-1 | | Статус: | не определен законодательством | | Название рус.: | Выпуск 42. Легкобетонные предварительно напряженные плиты длиной 718, шириной 99, 119 и 149 см, армированные стержнями из стали класса Ат-V. Метод натяжения - электротермический. Рабочие чертежи | | Дата добавления в базу: | 01.09.2013 | | Дата актуализации: | 01.01.2021 | | Дата введения: | 01.01.1990 | | Дата окончания срока действия: | 30.06.2003 | | Разработан: | НИИЖБ Госстроя СССР ЦНИИЭП учебных зданий Госгражданстроя
| | Утверждён: | 14.06.1989 Госкомархитектура (ЮШ-2-983)
|
                   
|