Скачать Серия 1.143.1-7 Выпуск 1. Плиты толщиной 120 мм. Рабочие чертежиДата актуализации: 01.01.2021
|
| Обозначение: | Серия 1.143.1-7 |
| Обозначение англ: | Series 1.143.1-7 |
| Статус: | действует |
| Название рус.: | Выпуск 1. Плиты толщиной 120 мм. Рабочие чертежи |
| Дата добавления в базу: | 01.09.2013 |
| Дата актуализации: | 01.01.2021 |
| Дата введения: | 30.05.1985 |
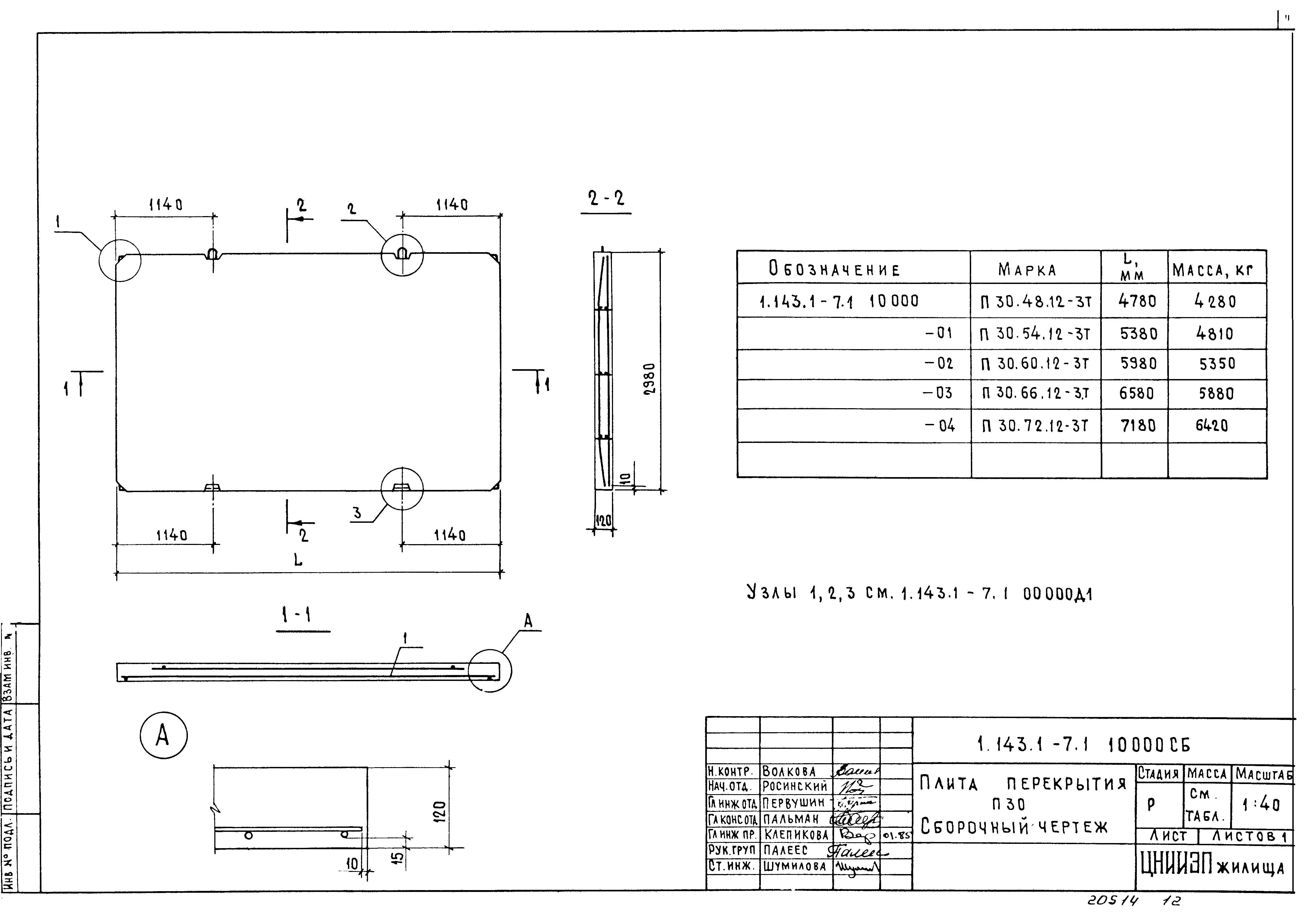
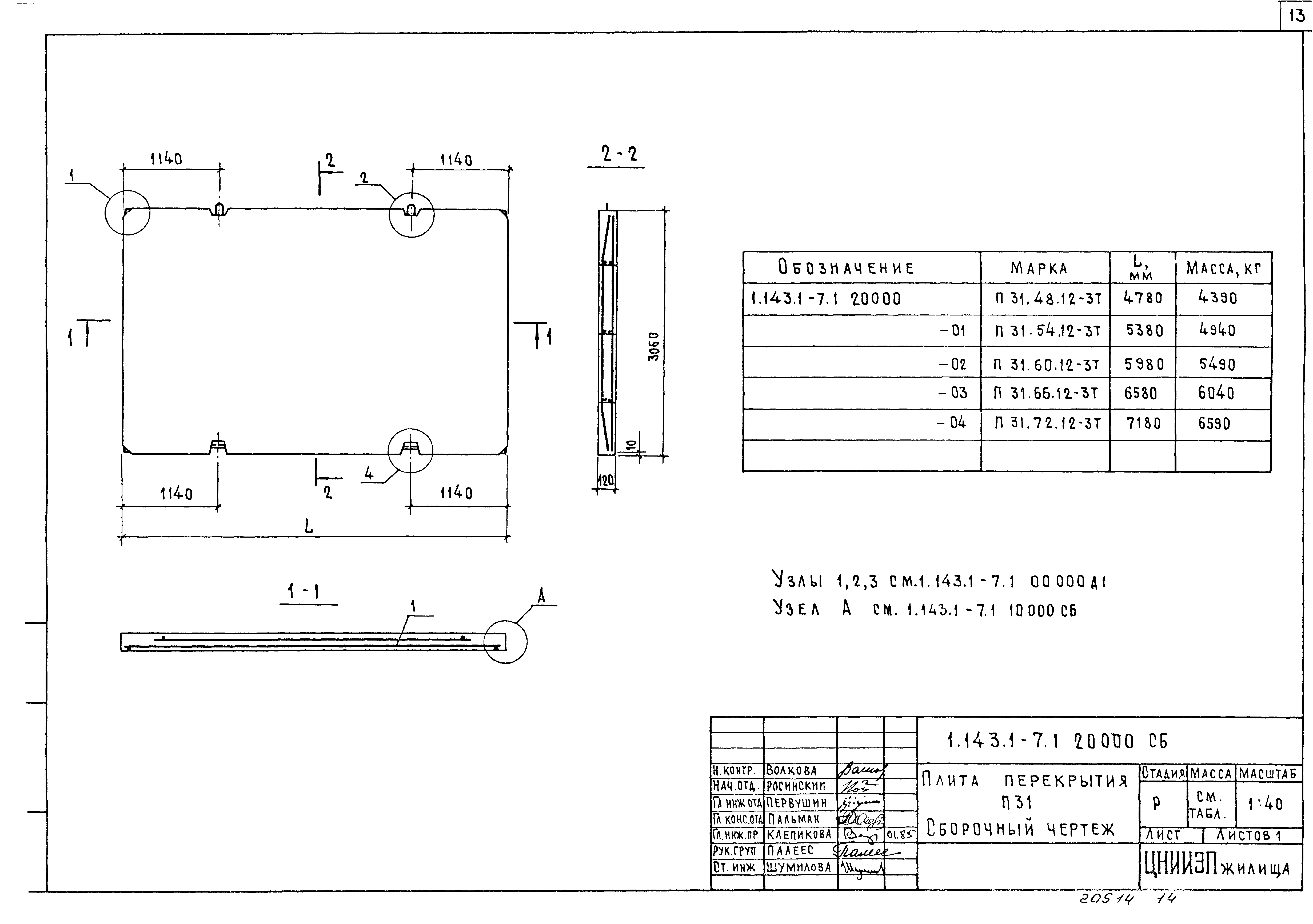
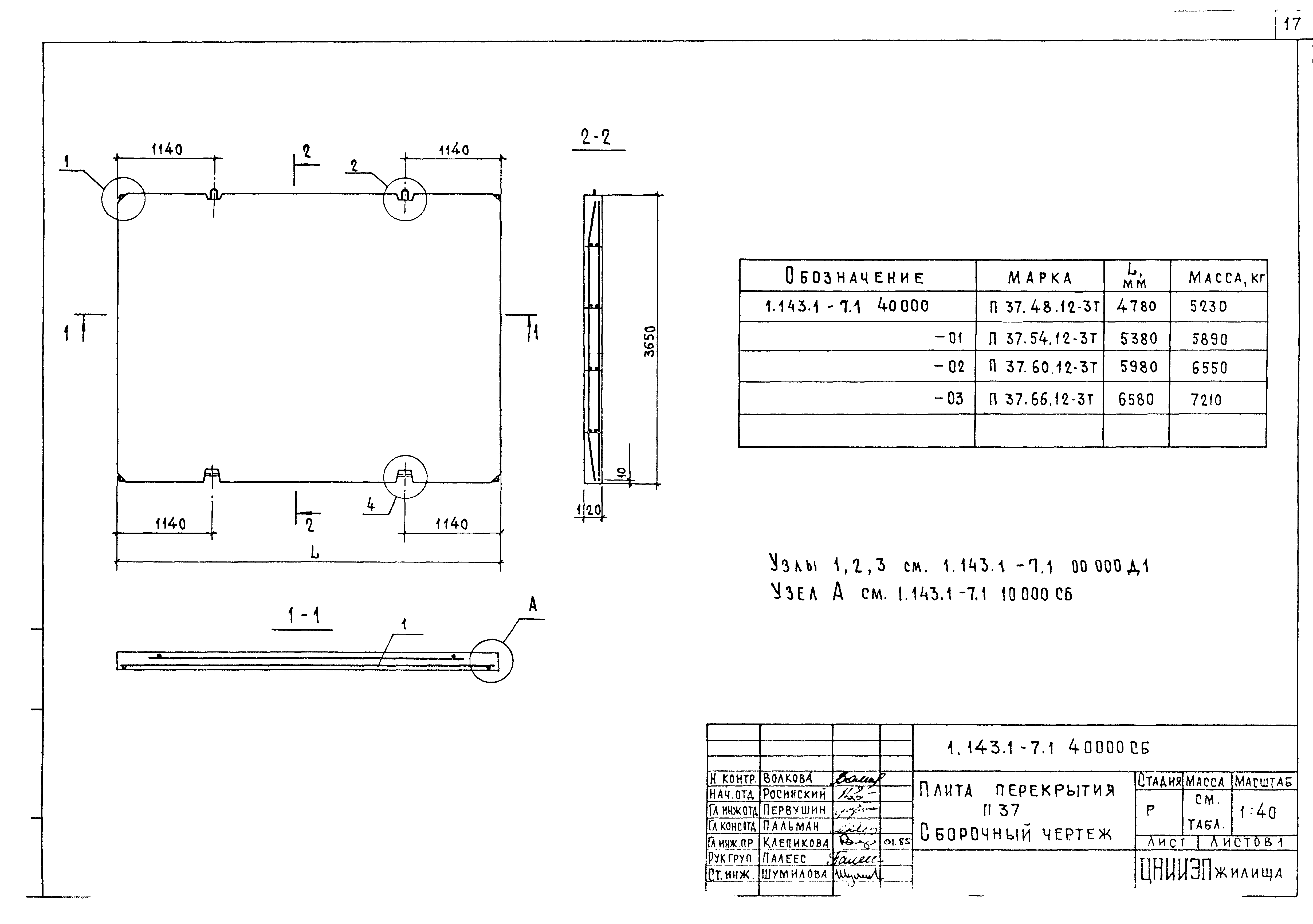
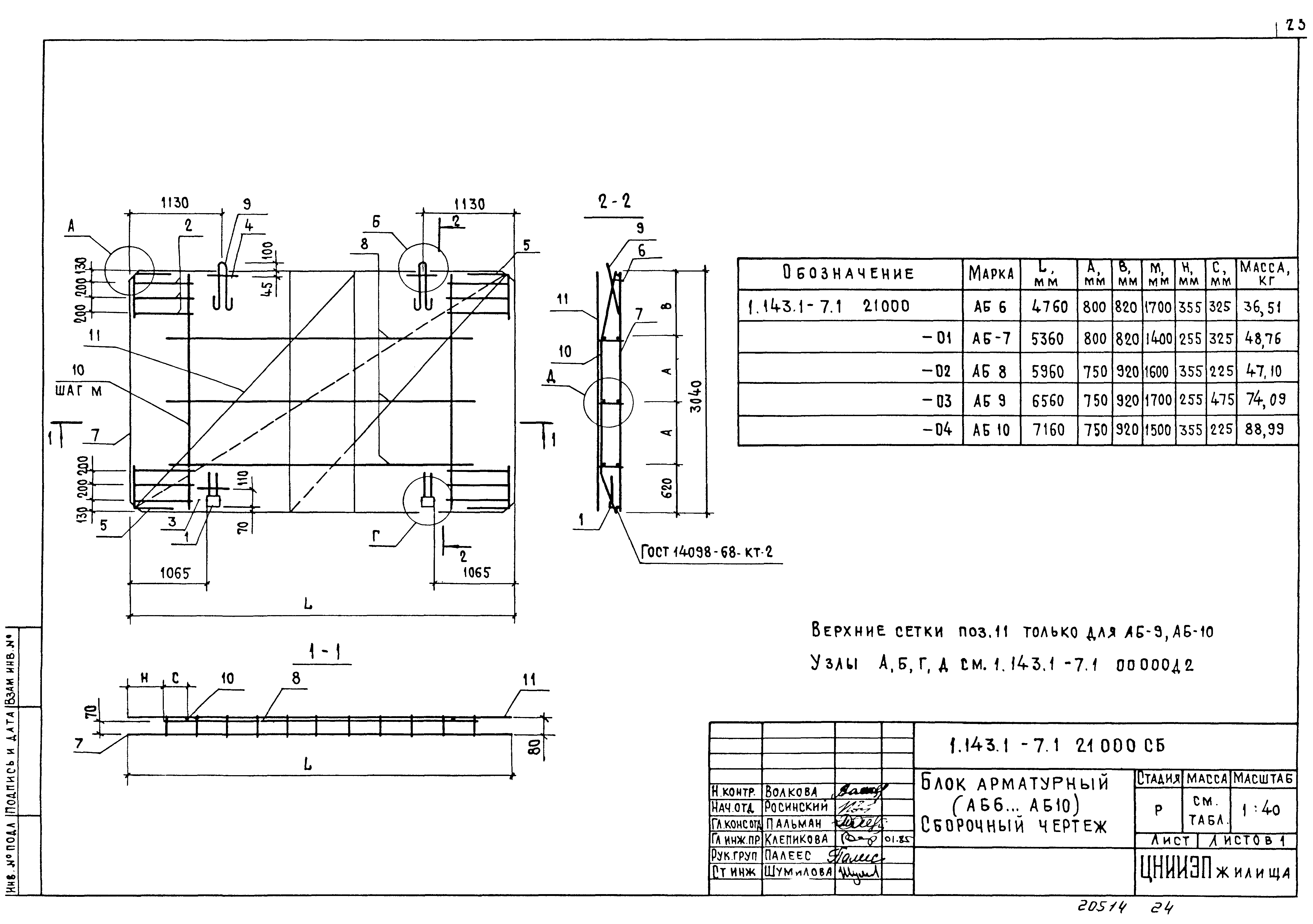
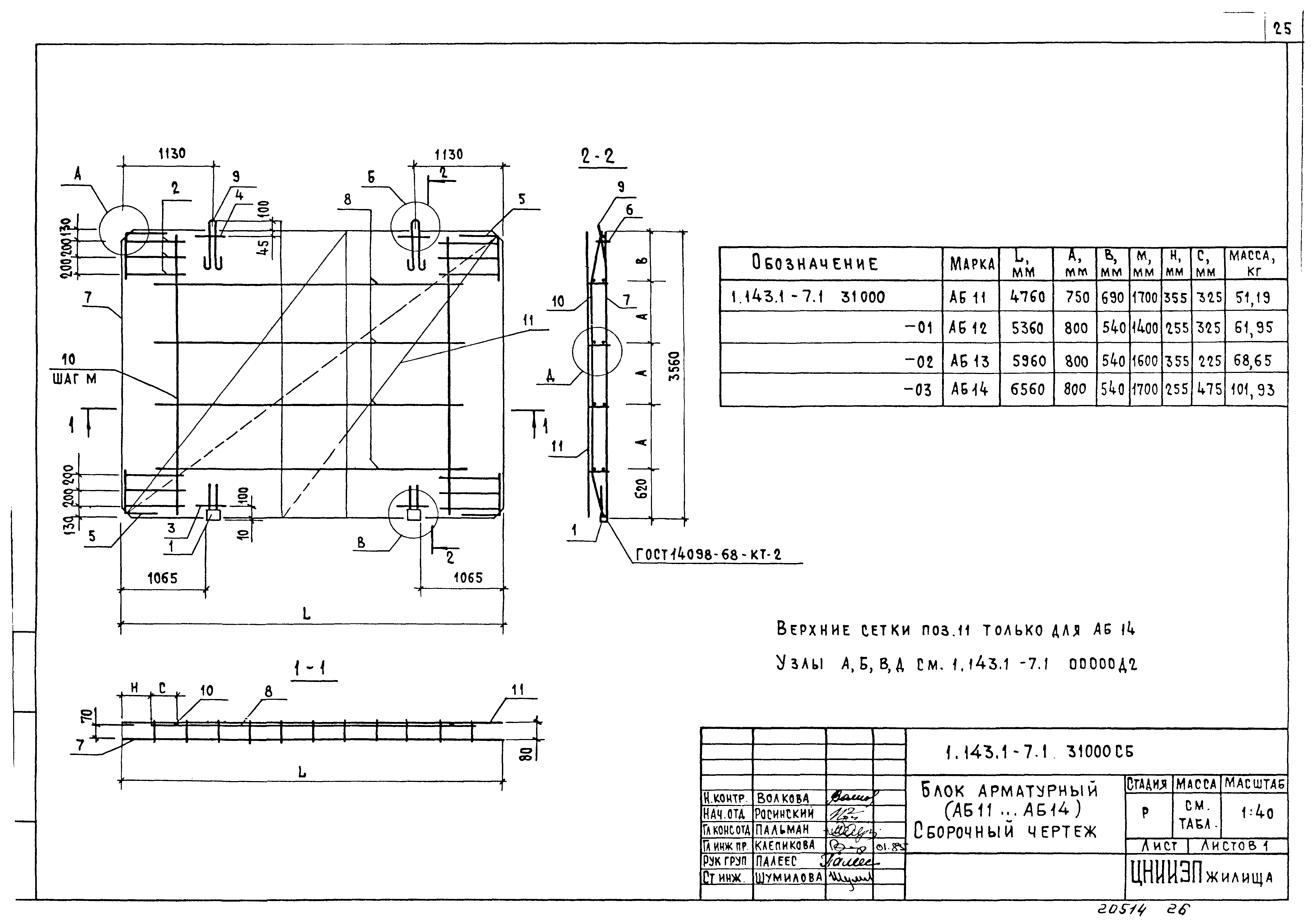
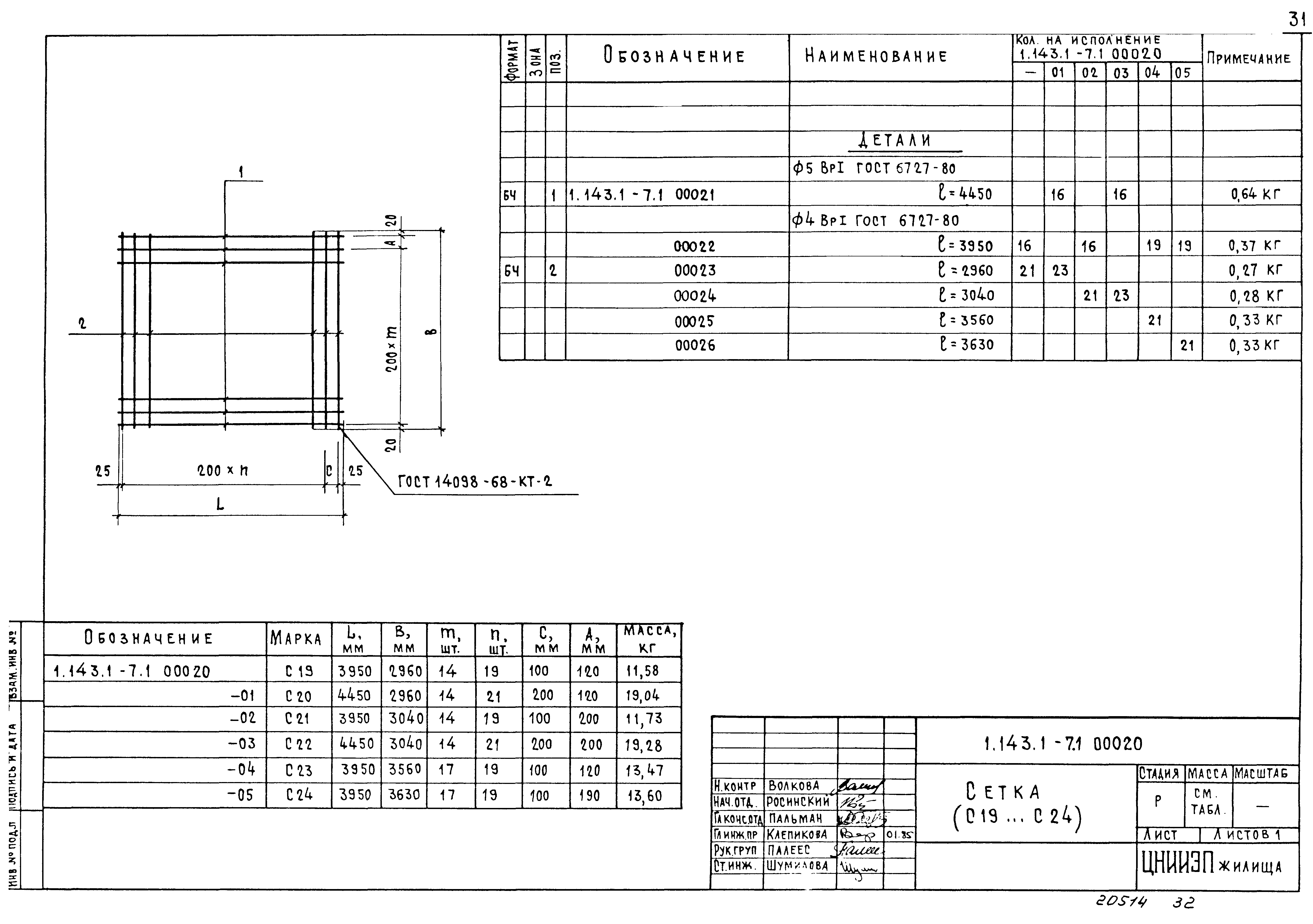
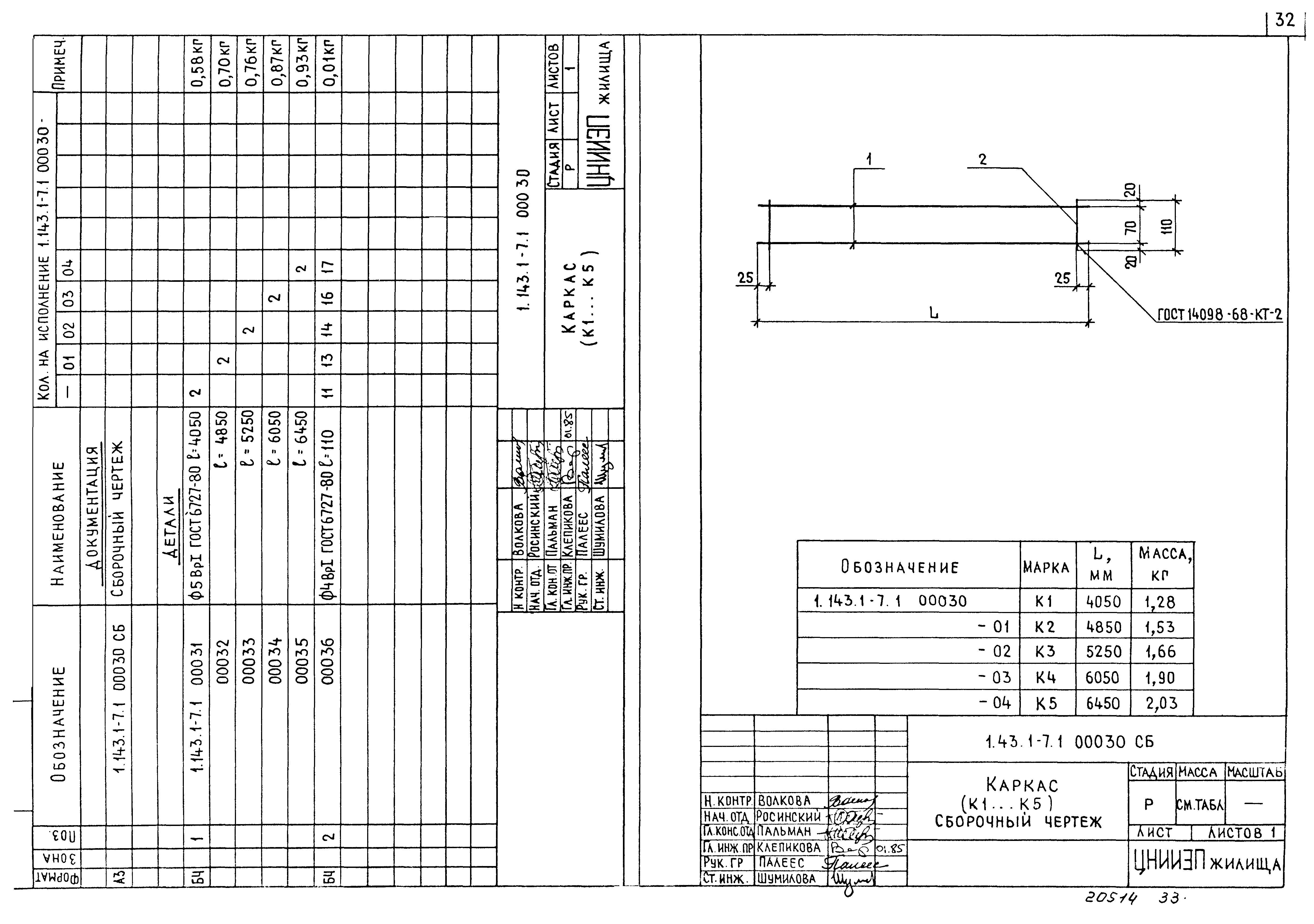
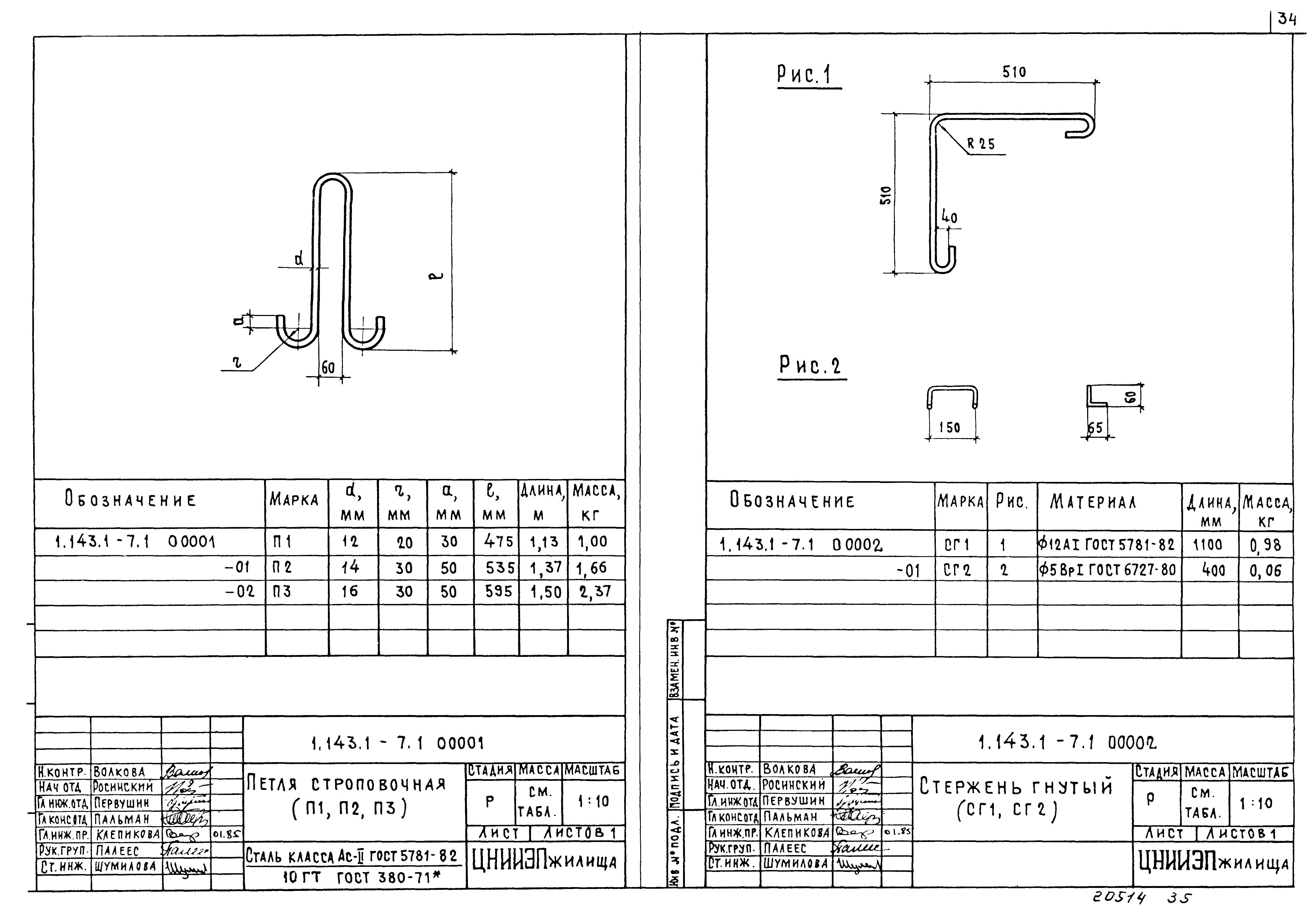
| Оглавление: | 1.143.1-7.1 00000ТО Техническое описание 1.143.1-7.1 10000 Плита перекрытия П30 1.143.1-7.1 10000СБ Плита перекрытия П30. Сборочный чертеж 1.143.1-7.1 20000 Плита перекрытия П31 1.143.1-7.1 20000СБ Плита перекрытия П31. Сборочный чертеж 1.143.1-7.1 30000 Плита перекрытия П36 1.143.1-7.1 30000СБ Плита перекрытия П36. Сборочный чертеж 1.143.1-7.1 40000 Плита перекрытия П37 1.143.1-7.1 40000СБ Плита перекрытия П37. Сборочный чертеж 1.143.1-7.1 00000Д1 Узлы 1…9 1.143.1-7.1 11000 Блок арматурный (АБ1…АБ5) 1.143.1-7.1 11000СБ Блок арматурный (АБ1…АБ5). Сборочный чертеж 1.143.1-7.1 21000 Блок арматурный (АБ6…АБ10) 1.143.1-7.1 21000СБ Блок арматурный (АБ6…АБ10). Сборочный чертеж 1.143.1-7.1 31000 Блок арматурный (АБ11…АБ14) 1.143.1-7.1 31000СБ Блок арматурный (АБ11…АБ14). Сборочный чертеж 1.143.1-7.1 41000 Блок арматурный (АБ15…АБ18) 1.143.1-7.1 41000СБ Блок арматурный (АБ15…АБ18). Сборочный чертеж 1.143.1-7.1 00000Д2Узлы А,Б,В,Г,Д 1.143.1-7.1 11100Сетка (С1…С18) 1.143.1-7.1 11100СБ Сетка (С1…С18). Сборочный чертеж 1.143.1-7.1 11200 Сетка (С19…С24) 1.143.1-7.1 11300 Каркас (К1…К5) 1.143.1-7.1 11400 Изделие закладное МН1 1.143.1-7.1 11001 Петля строповочная (П1…П3) 1.143.1-7.1 11002 Стержень гнутый (СГ1,СГ2) 1.143.1-7.1 00000РМ Ведомость расхода материалов |
| Разработан: | ЦНИИЭП жилища |
| Утверждён: | 08.05.1985 Госгражданстрой (Gosgrazhdanstroy 141) |
| Издан: | ЦИТП Госстроя СССР (CITP, Gosstroy (USSR) 1986 г. ) |





































