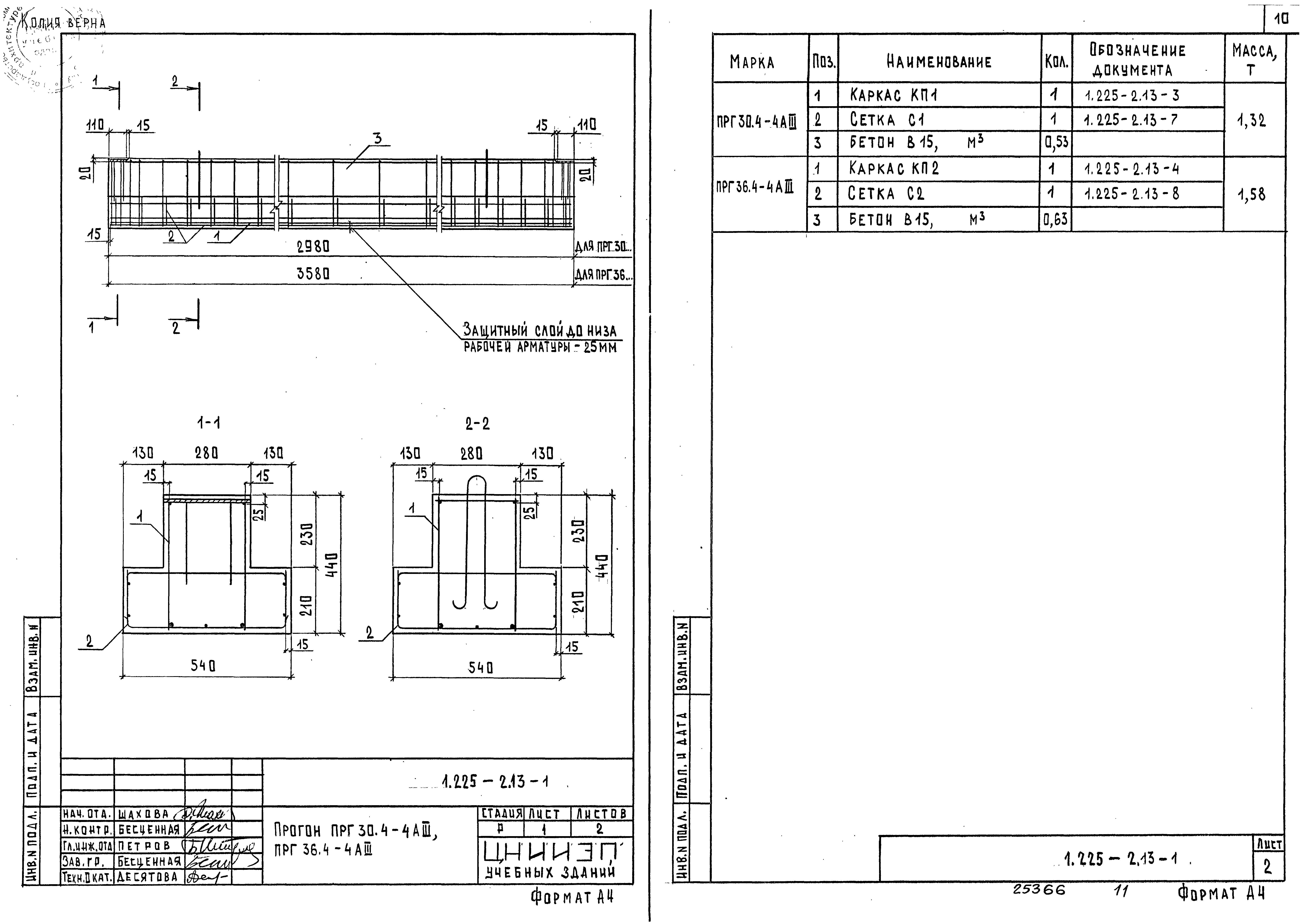
Скачать Серия 1.225-2 Выпуск 13. Прогоны таврового сечения длиной 358 и 298 см, армированные каркасами из стали класса А-III. Рабочие чертежиДата актуализации: 01.01.2021 Серия 1.225-2
Выпуск 13. Прогоны таврового сечения длиной 358 и 298 см, армированные каркасами из стали класса А-III. Рабочие чертежи| Обозначение: | Серия 1.225-2 | | Обозначение англ: | Series 1.225-2 | | Статус: | не определен законодательством | | Название рус.: | Выпуск 13. Прогоны таврового сечения длиной 358 и 298 см, армированные каркасами из стали класса А-III. Рабочие чертежи | | Дата добавления в базу: | 01.09.2013 | | Дата актуализации: | 01.01.2021 | | Дата введения: | 01.06.1992 | | Дата окончания срока действия: | 30.06.2003 | | Разработан: | НИИЖБ Госстроя СССР ЦНИИЭП учебных зданий Госгражданстроя
| | Утверждён: | 03.01.1992 ЦНИИЭП учебных зданий (TsNIIEP of Educational Buildings 1)
| | Издан: | АПП ЦИТП (1992 г. )
|
                 
|