Скачать Серия 1.152.1-8 Выпуск 3. Площадки ребристые длиной 220 и 250 см к маршам шириной 105 и 120 см для крупноблочных зданий. Рабочие чертежиДата актуализации: 01.01.2021
|
| Обозначение: | Серия 1.152.1-8 |
| Обозначение англ: | Series 1.152.1-8 |
| Статус: | действует |
| Название рус.: | Выпуск 3. Площадки ребристые длиной 220 и 250 см к маршам шириной 105 и 120 см для крупноблочных зданий. Рабочие чертежи |
| Дата добавления в базу: | 01.09.2013 |
| Дата актуализации: | 01.01.2021 |
| Дата введения: | 01.07.1984 |
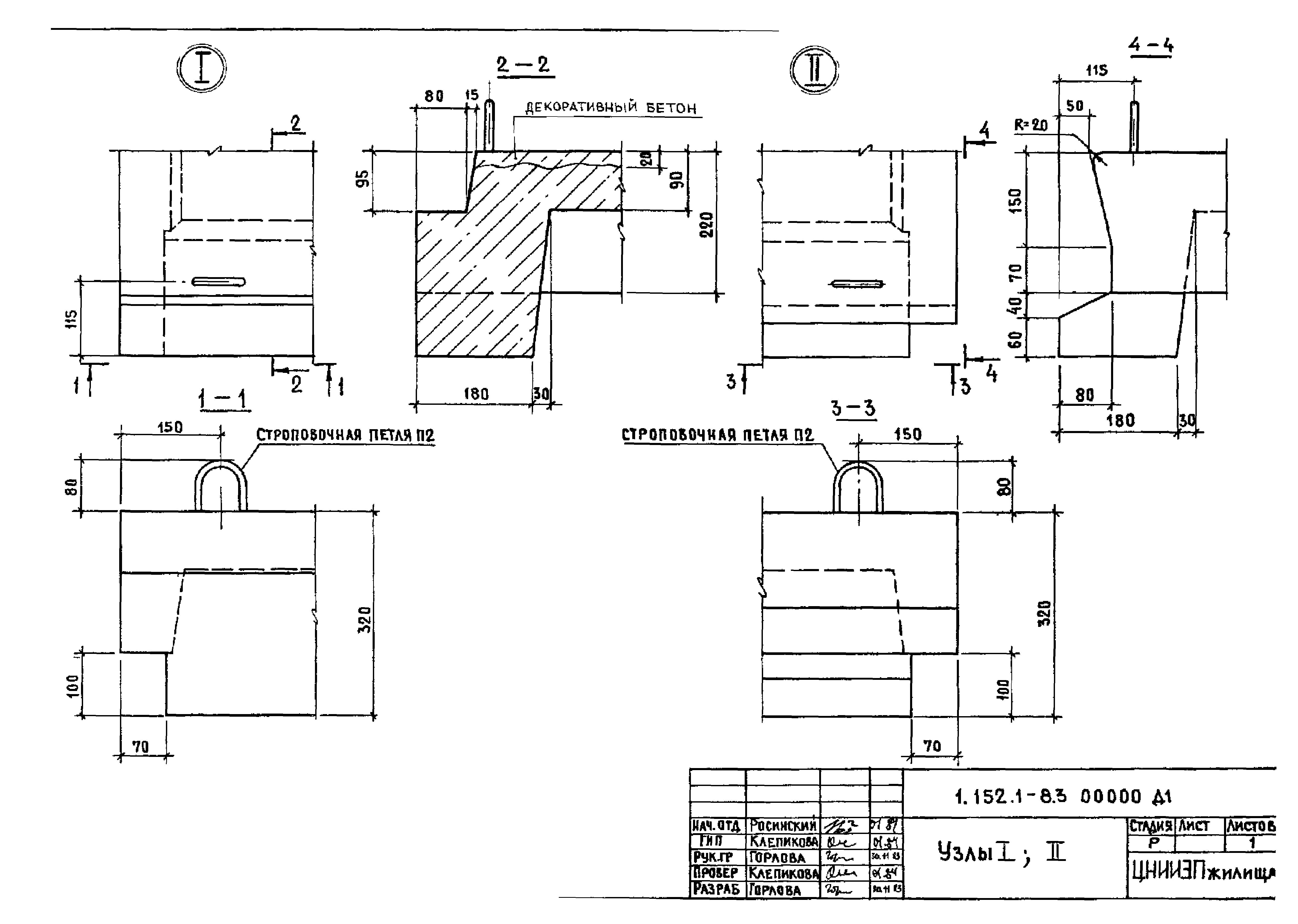
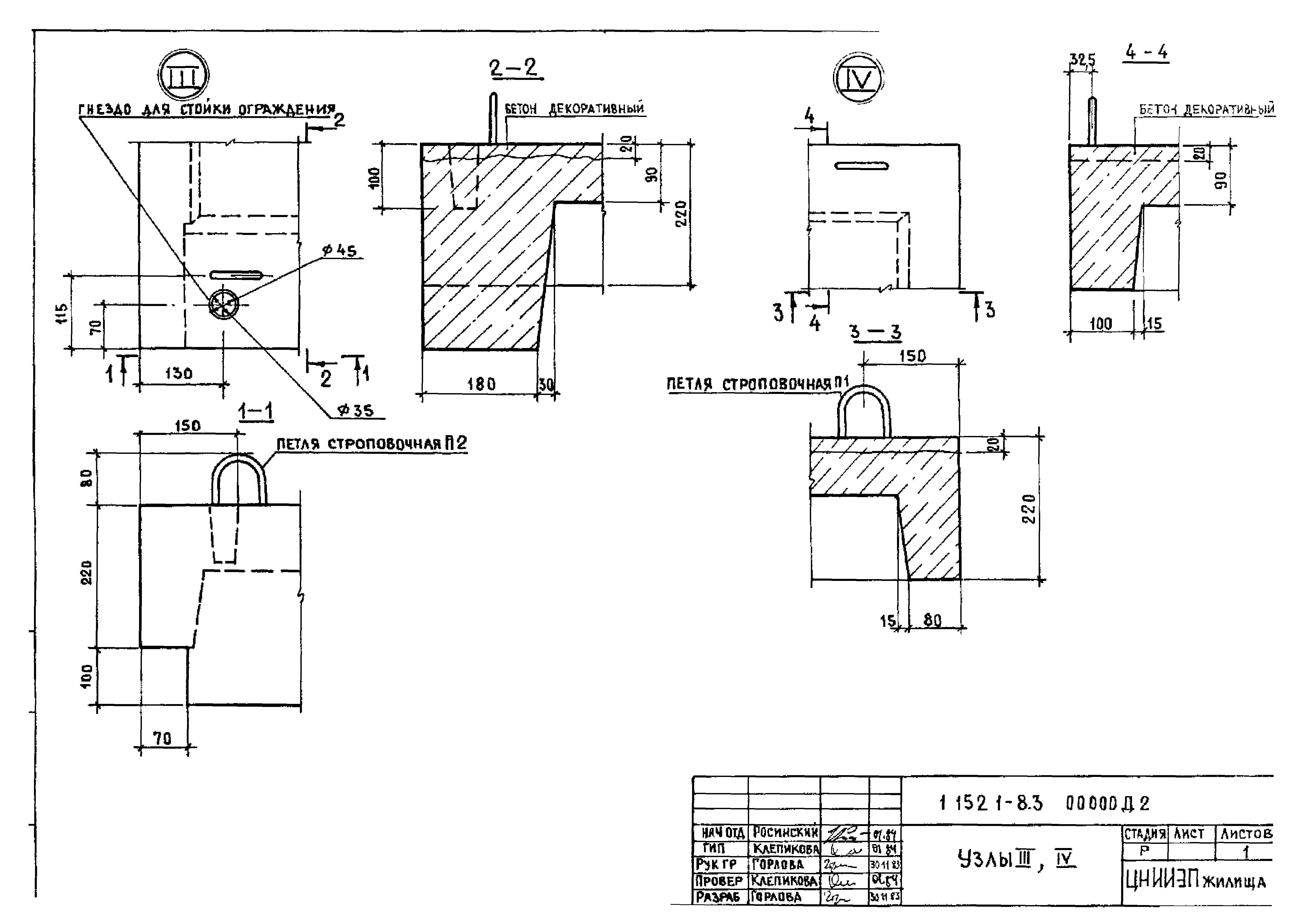
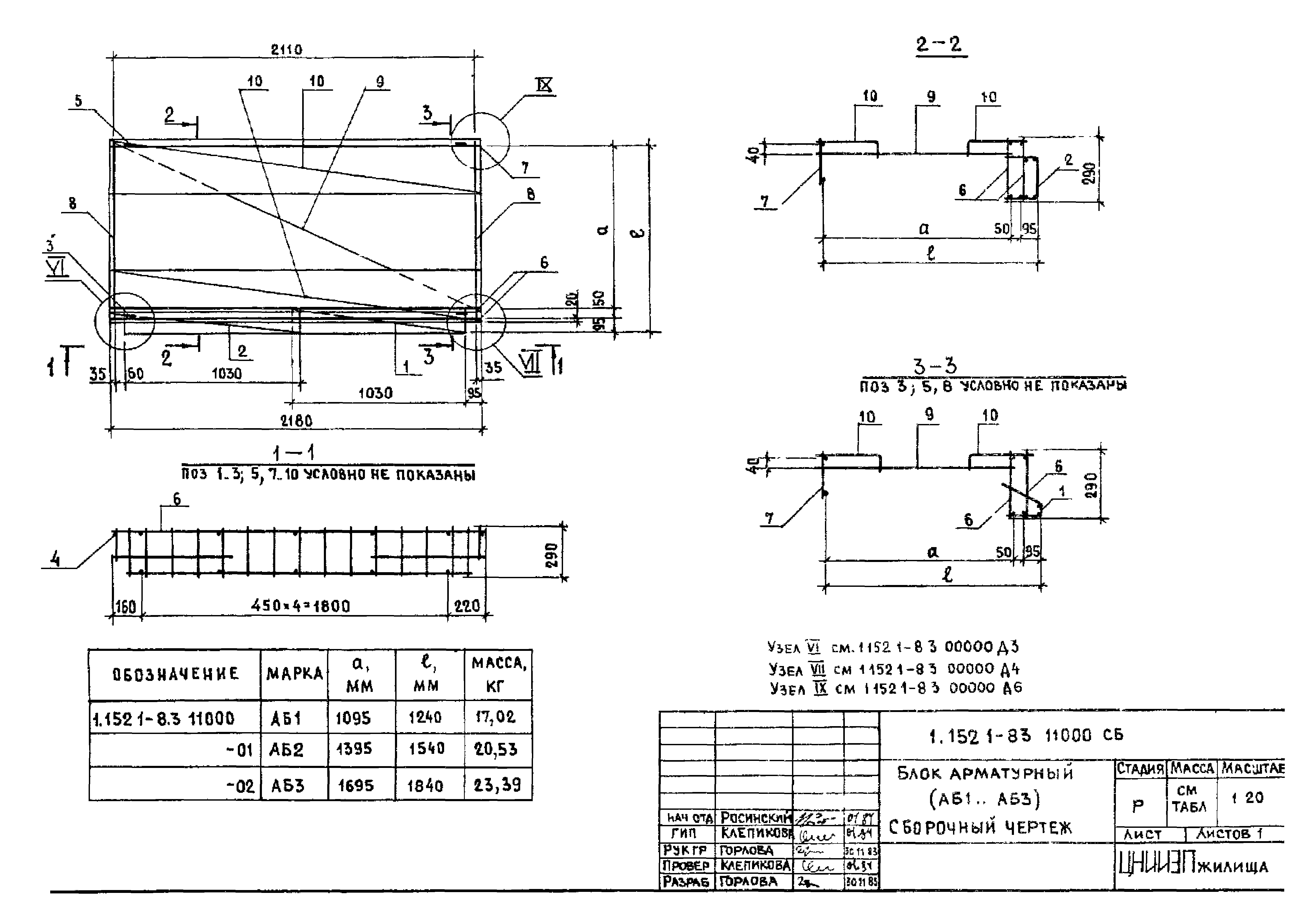
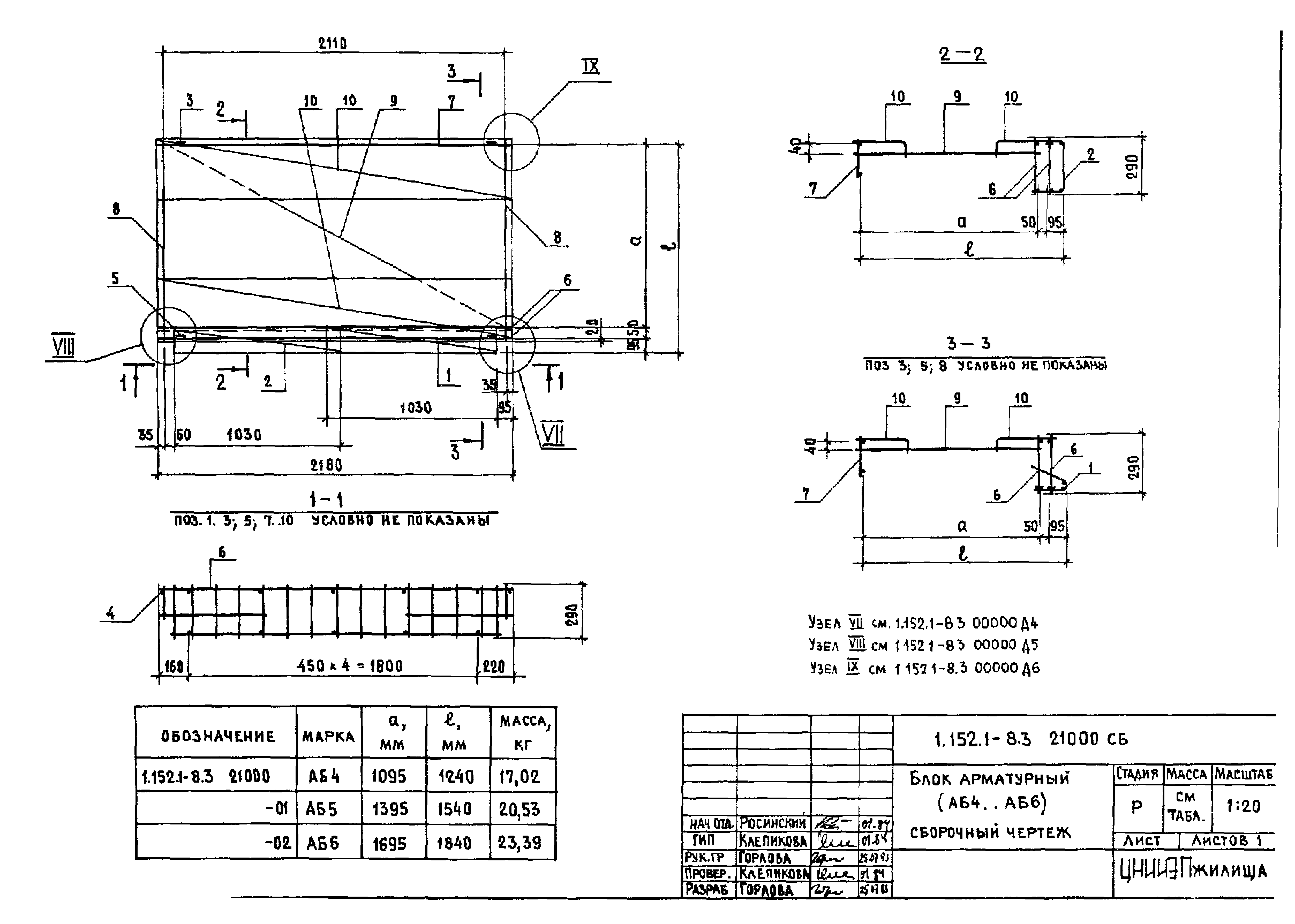
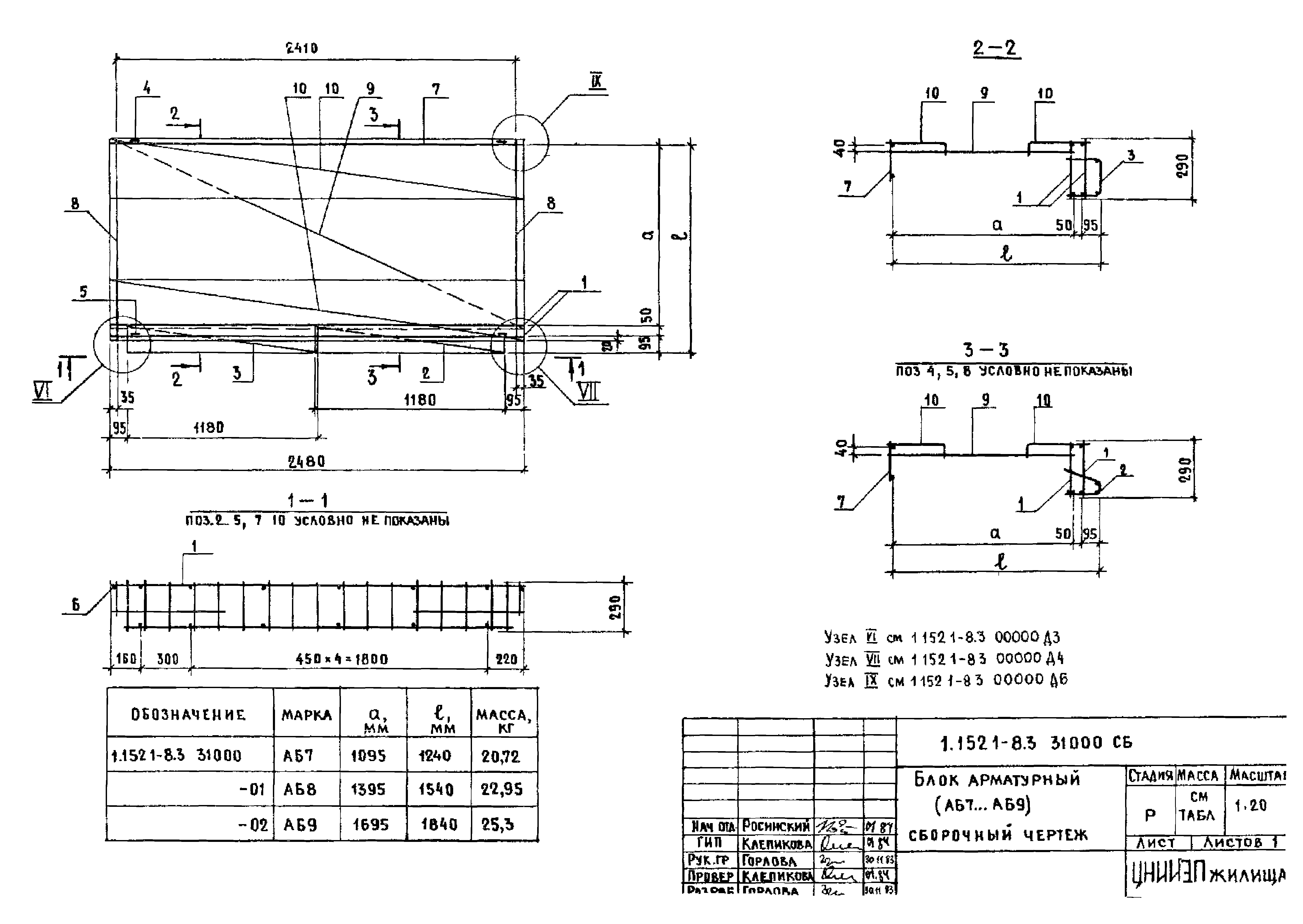
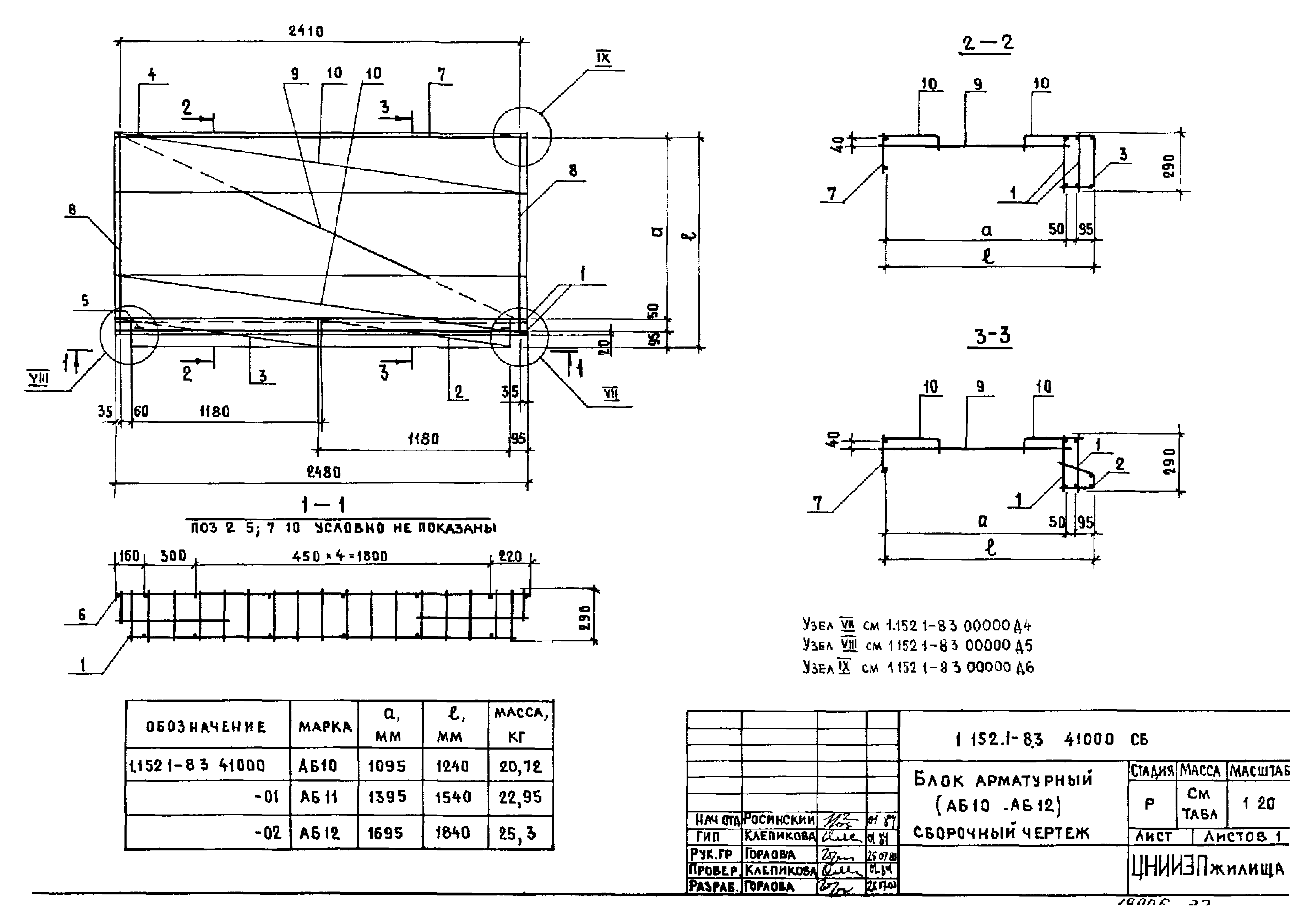
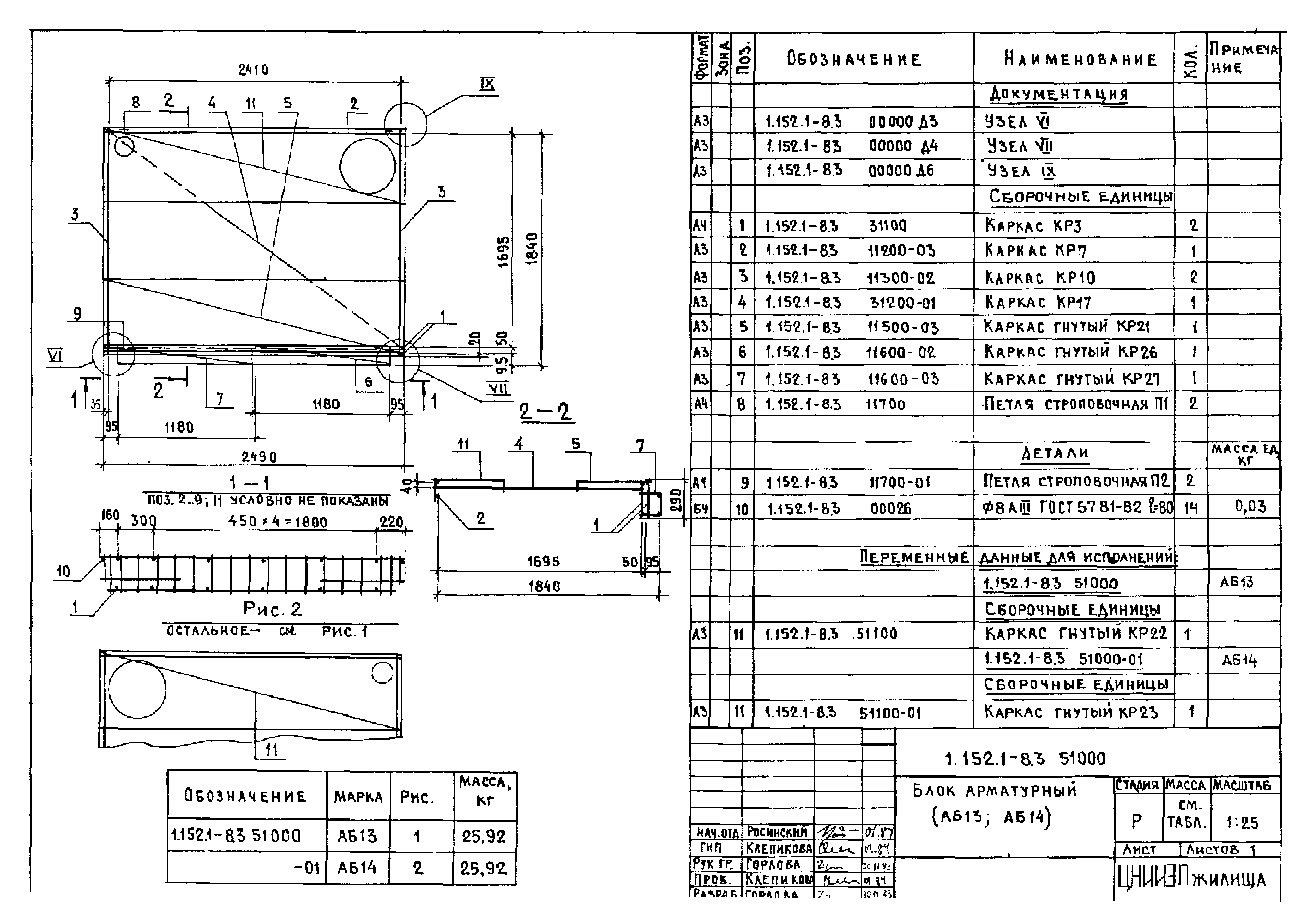
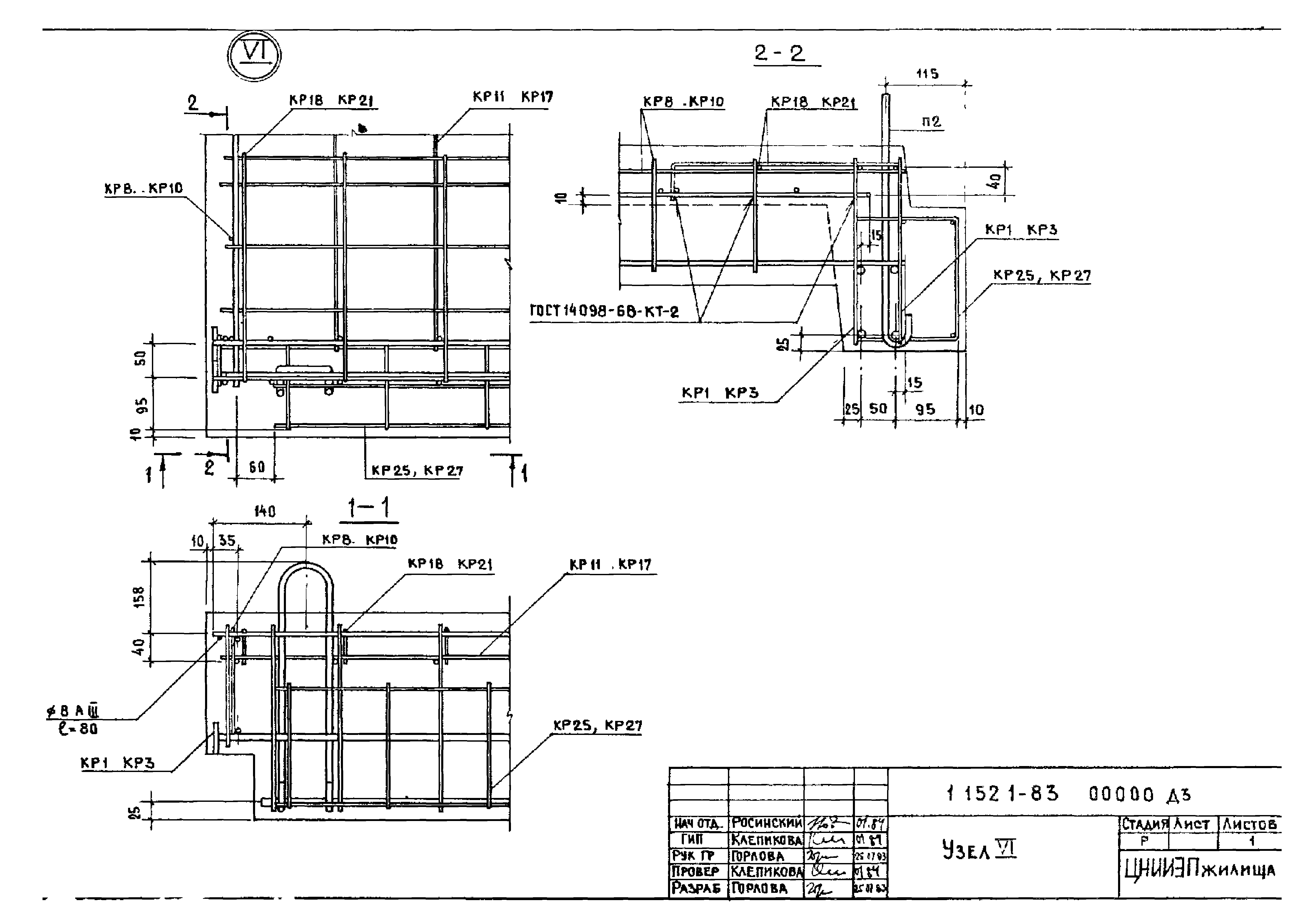
| Оглавление: | 11521-83 00000ТО Техническое описание 11521-83 10000 Площадка лестничная (2ЛП22.12-4,2ЛП22.15-4,2ЛП22.18-4) 11521-83 10000СБ Площадка лестничная (2ЛП22.12-4,2ЛП22.15-4,2ЛП22.18-4). Сборочный чертеж 11521-83 20000 Площадка лестничная (2ЛП22.12в-4,2ЛП22.15в-4,2ЛП22.18в-4) 11521-83 20000СБ Площадка лестничная (2ЛП22.12в-4,2ЛП22.15в-4,2ЛП22.18в-4). Сборочный чертеж 11521-83 30000 Площадка лестничная (2ЛП25.12-4,2ЛП25.15-4,2ЛП25.18-4) 11521-83 30000СБ Площадка лестничная (2ЛП25.12-4,2ЛП25.15-4,2ЛП25.18-4). Сборочный чертеж 11521-83 40000 Площадка лестничная (2ЛП25.12в-4,2ЛП25.15в-4,2ЛП25.18в-4) 11521-83 40000СБ Площадка лестничная (2ЛП25.12в-4,2ЛП25.15в-4,2ЛП25.18в-4). Сборочный чертеж 11521-83 50000 Площадка лестничная (2ЛП25.18-4-МЛ,2ЛП25.18-4-МЛ) 11521-83 00000Д1 Узлы 1;2 11521-83 00000Д2 Узлы 3;4 11521-83 11000 Блок арматурный (АБ1…АБ3) 11521-83 11000СБ Блок арматурный (АБ1…АБ3). Сборочный чертеж 11521-83 21000 Блок арматурный (АБ4…АБ6) 11521-83 21000СБ Блок арматурный (АБ4…АБ6). Сборочный чертеж 11521-83 31000 Блок арматурный (АБ7…АБ9) 11521-83 31000СБ Блок арматурный (АБ7…АБ9). Сборочный чертеж 11521-83 41000 Блок арматурный (АБ10…АБ12) 11521-83 41000СБ Блок арматурный (АБ10…АБ12). Сборочный чертеж 11521-83 51000 Блок арматурный (АБ13,АБ14) 11521-83 00000Д3 Узел 6 11521-83 00000Д4 Узел 7 11521-83 00000Д5 Узел 8 11521-83 00000Д6 Узел 9 11521-83 11100 Каркас (КР1,КР2) 11521-83 11200 Каркас (КР4...КР7) 11521-83 11300 Каркас (КР8...КР10) 11521-83 11400 Каркас (КР11...КР15) 11521-83 31100 Каркас КР3 11521-83 21100 Каркас гнутый (КР28,КР29) 11521-83 31200 Каркас (КР16,КР17) 11521-83 11500 Каркас гнутый (КР18,КР21) 11521-83 51100 Каркас гнутый (КР22,КР23) 11521-83 11600 Каркас гнутый (КР24...КР27) 11521-83 11700 Петля строповочная (П1,П2) 11521-83 00000ВМС Ведомость расхода стали 11521-83 00000ВРМ Ведомость расхода материалов |
| Разработан: | ЦНИИЭП жилища |
| Утверждён: | 01.07.1984 Госгражданстрой (Gosgrazhdanstroy ) |









































