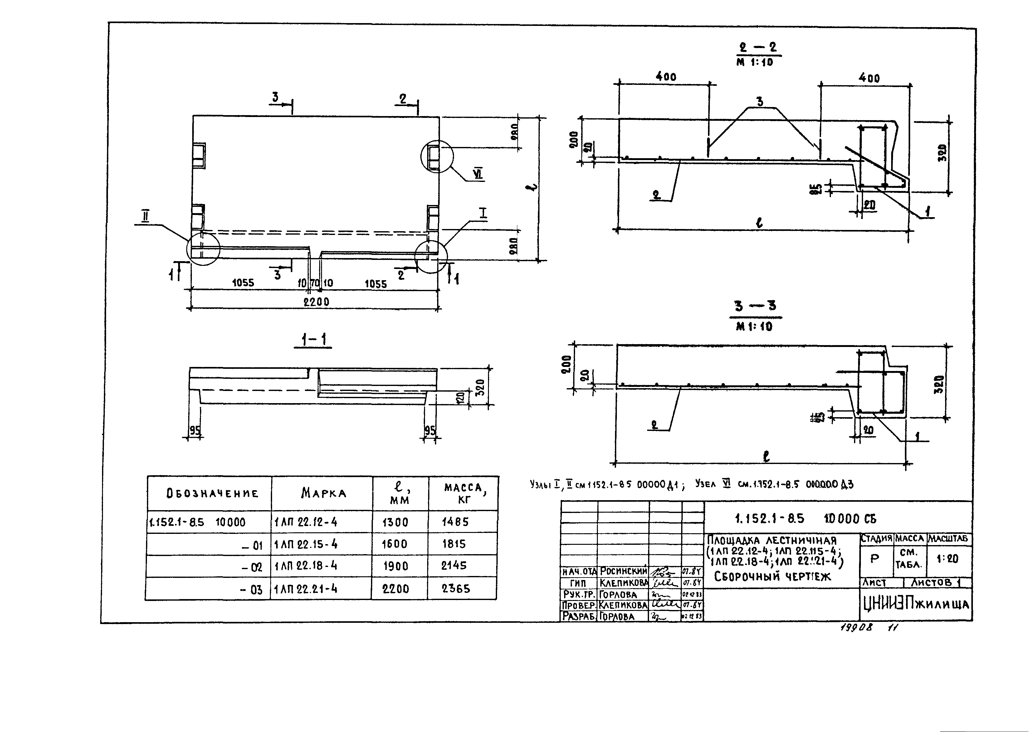
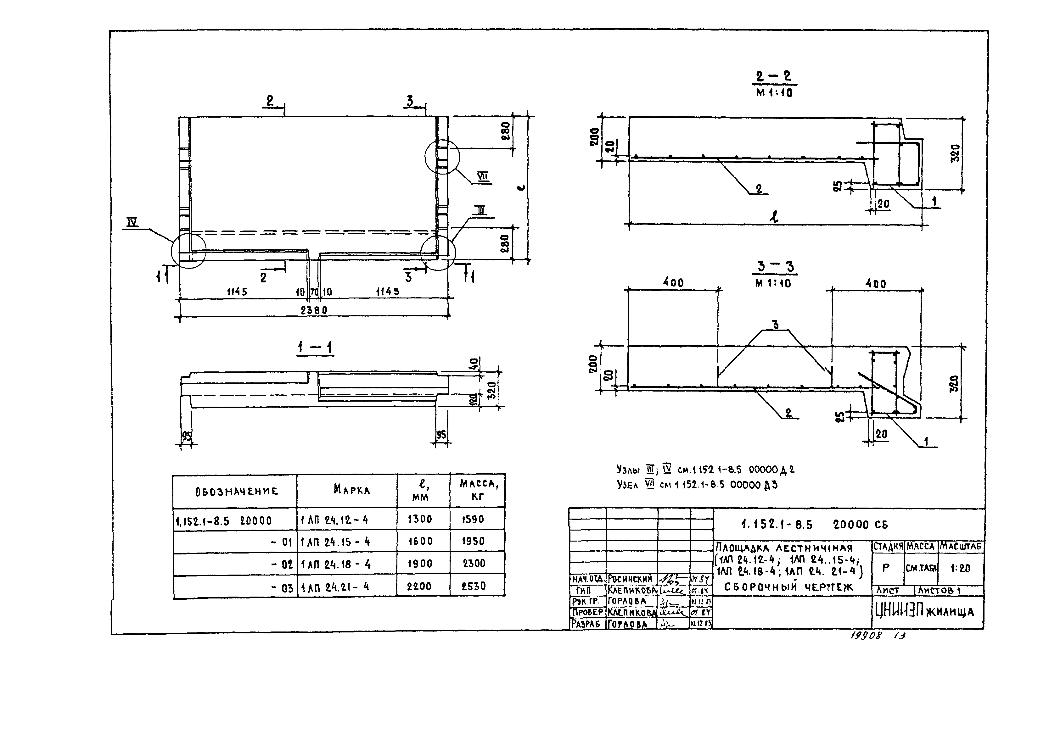
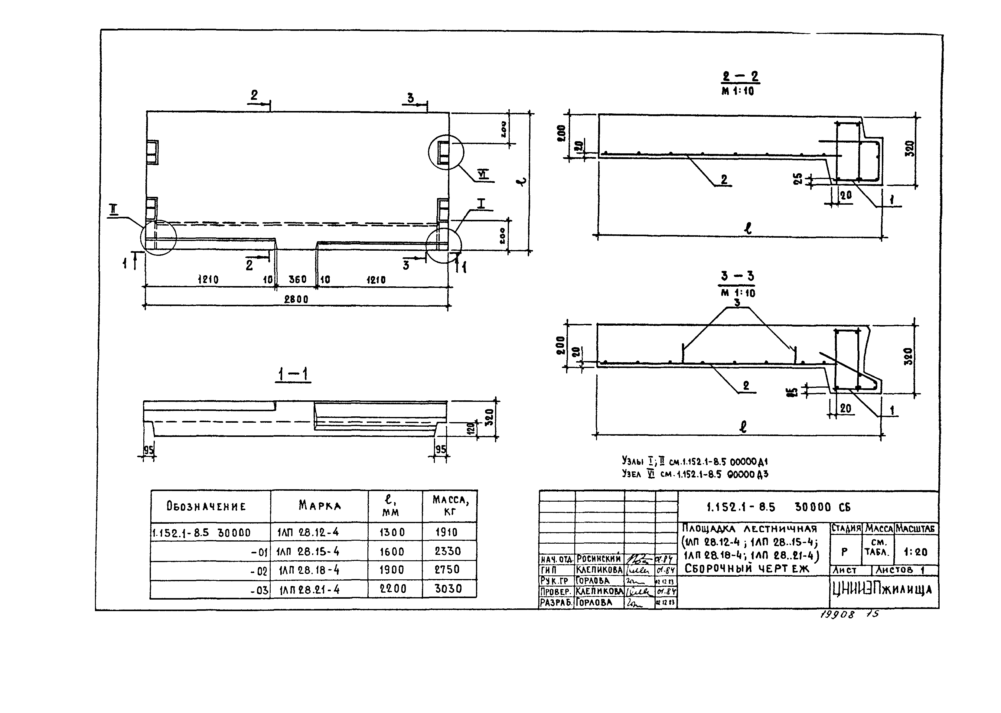
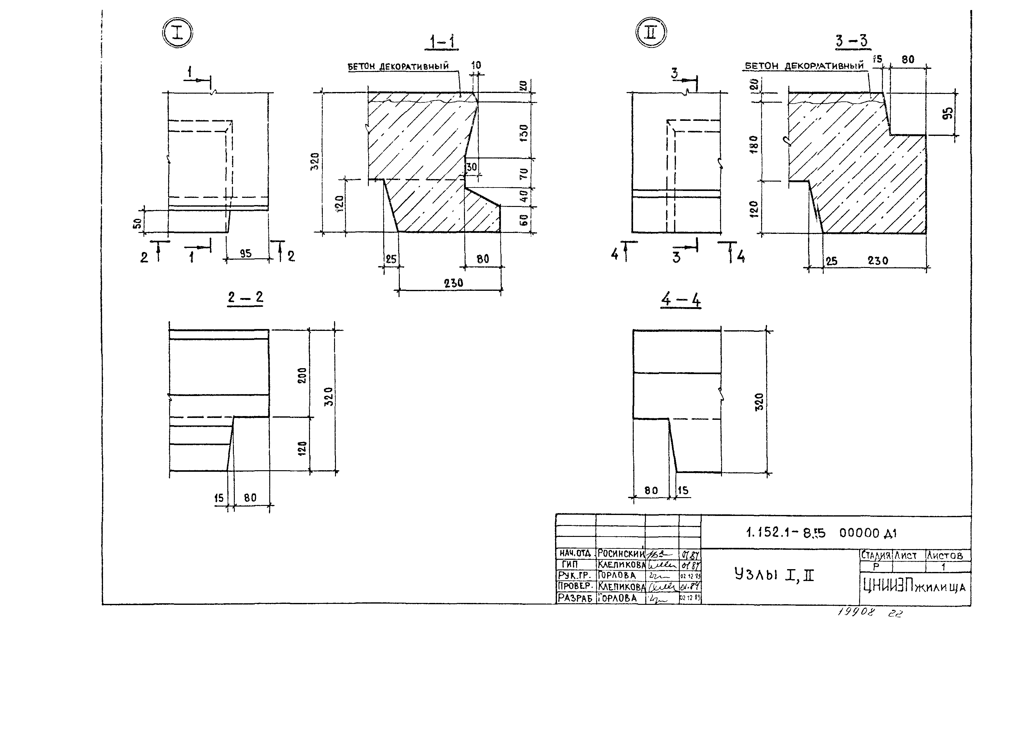
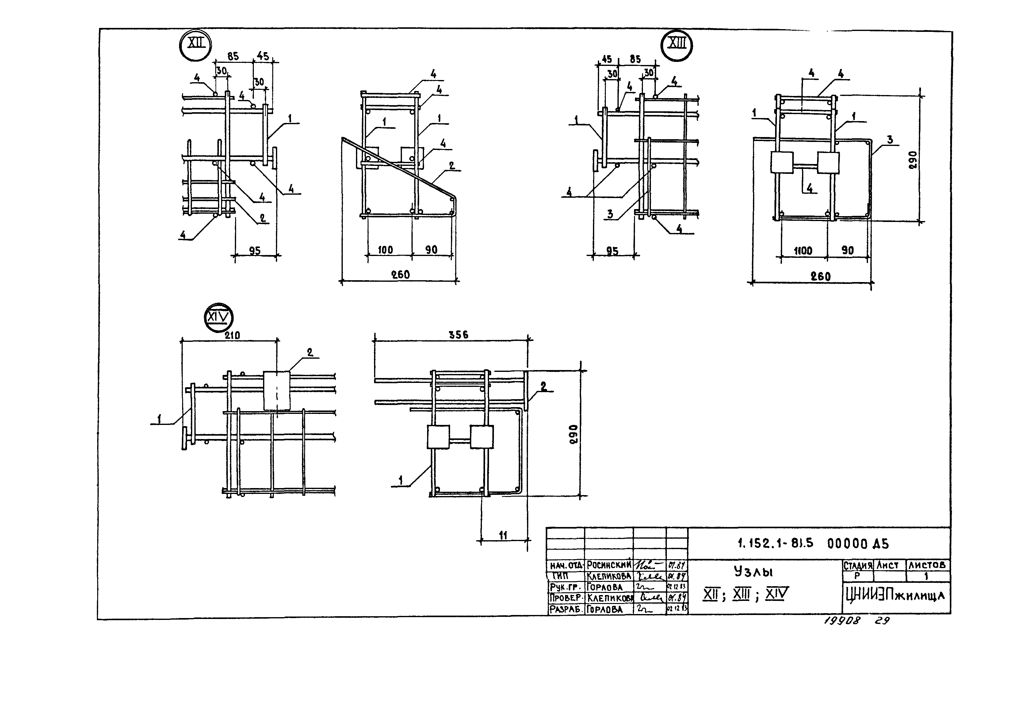
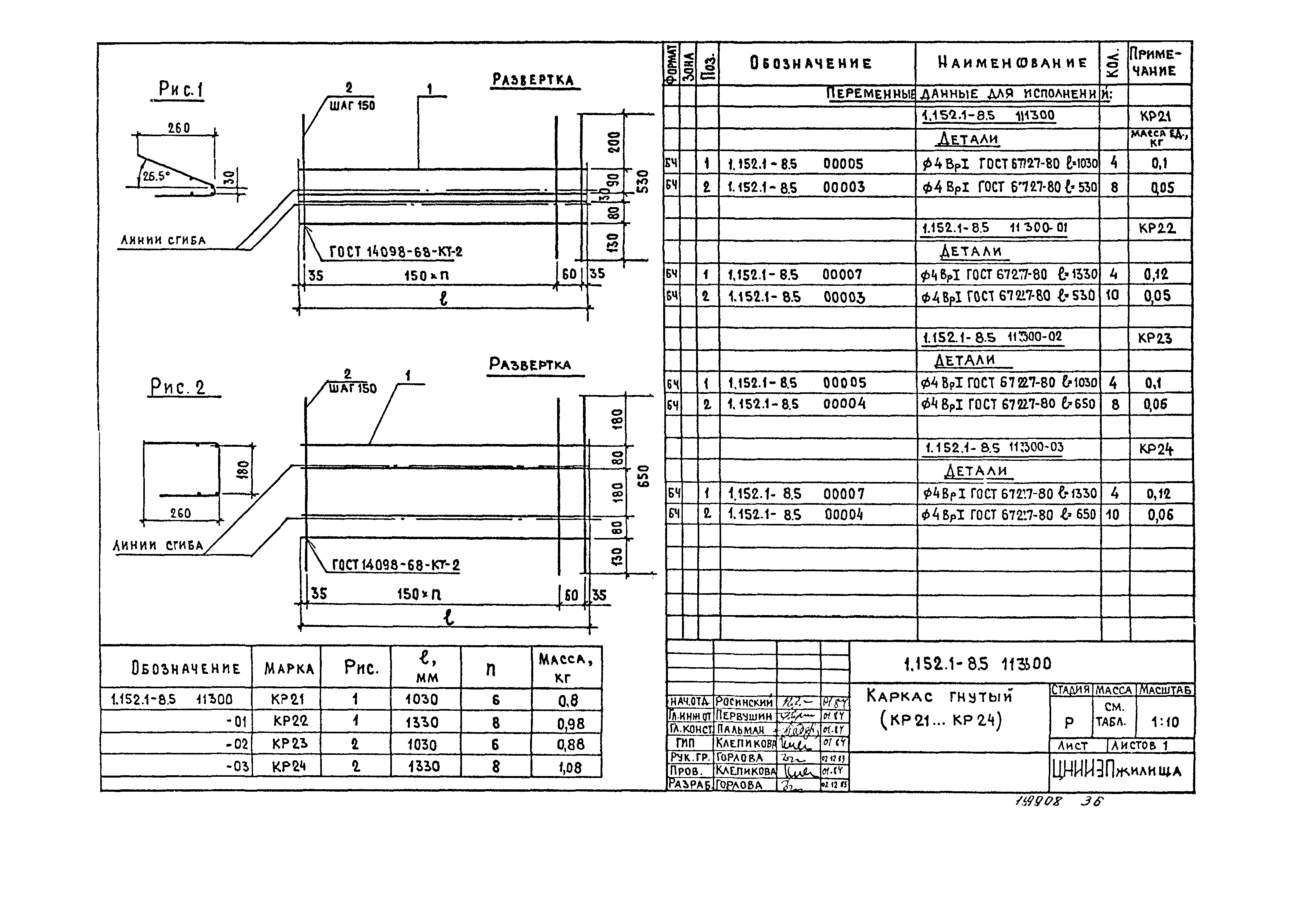
Скачать Серия 1.152.1-8 Выпуск 5. Площадки плоские длиной 220 и 280 см к маршам шириной 105 и 120 см для крупнопанельных зданий. Рабочие чертежиДата актуализации: 01.01.2021 Серия 1.152.1-8
Выпуск 5. Площадки плоские длиной 220 и 280 см к маршам шириной 105 и 120 см для крупнопанельных зданий. Рабочие чертежи| Обозначение: | Серия 1.152.1-8 | | Обозначение англ: | Series 1.152.1-8 | | Статус: | действует | | Название рус.: | Выпуск 5. Площадки плоские длиной 220 и 280 см к маршам шириной 105 и 120 см для крупнопанельных зданий. Рабочие чертежи | | Дата добавления в базу: | 01.09.2013 | | Дата актуализации: | 01.01.2021 | | Дата введения: | 30.07.1984 | | Разработан: | ЦНИИЭП жилища
| | Утверждён: | 16.07.1984 Госгражданстрой (Gosgrazhdanstroy 197)
| | Издан: | ЦИТП Госстроя СССР (CITP, Gosstroy (USSR) 1988 г. )
| | Заменяет собой: | |
                                      
|