Скачать Серия 1.089.1-1 Выпуск 0-1. Шахты пассажирских лифтов по ГОСТ 5746-83. Материалы для проектированияДата актуализации: 01.01.2021
|
| Обозначение: | Серия 1.089.1-1 |
| Обозначение англ: | Series 1.089.1-1 |
| Статус: | не определен законодательством |
| Название рус.: | Выпуск 0-1. Шахты пассажирских лифтов по ГОСТ 5746-83. Материалы для проектирования |
| Дата добавления в базу: | 01.09.2013 |
| Дата актуализации: | 01.01.2021 |
| Дата введения: | 01.01.1990 |
| Дата окончания срока действия: | 30.06.2003 |
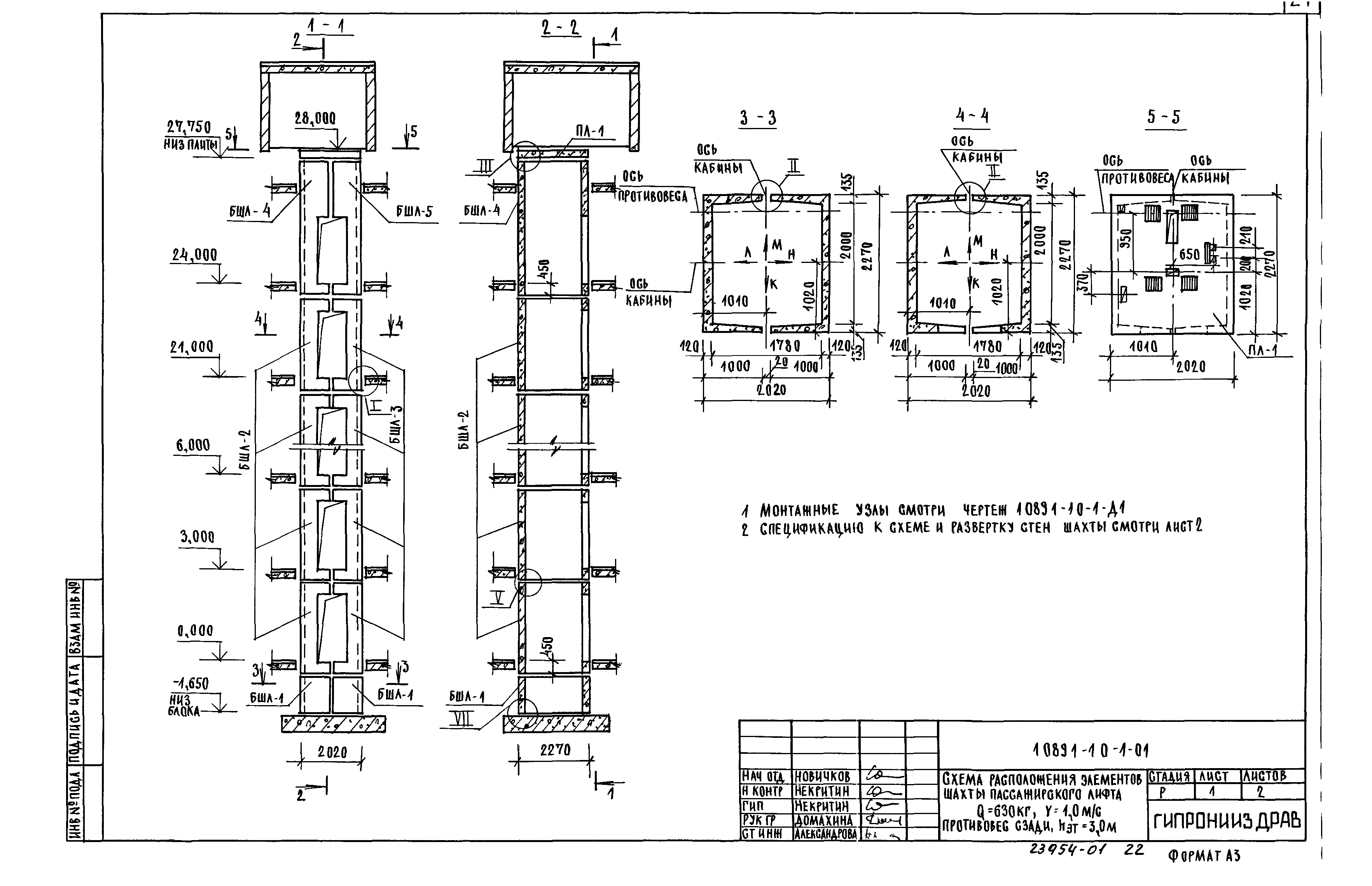
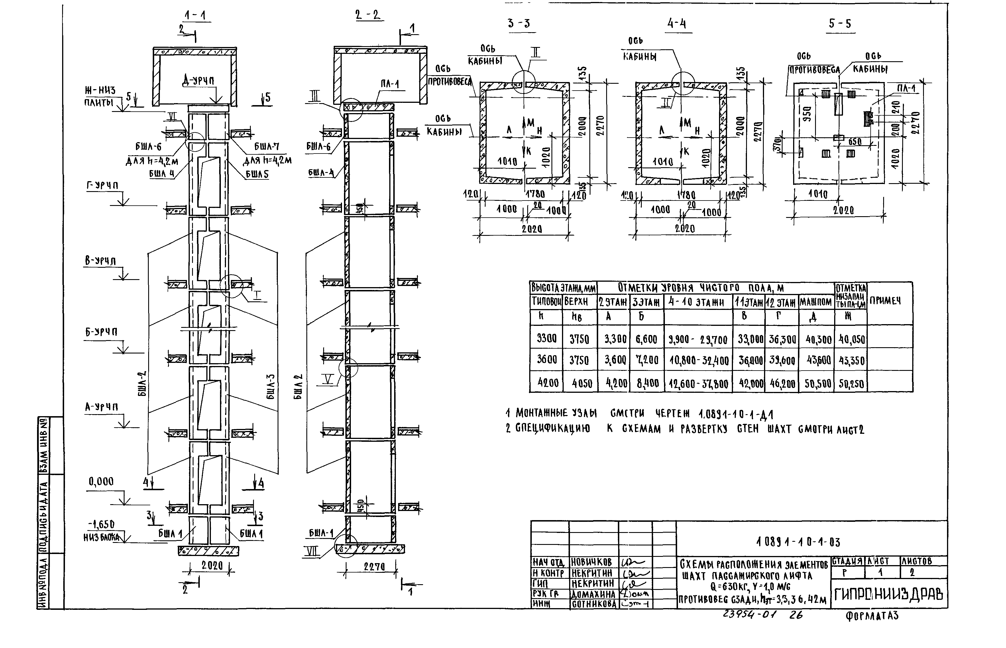
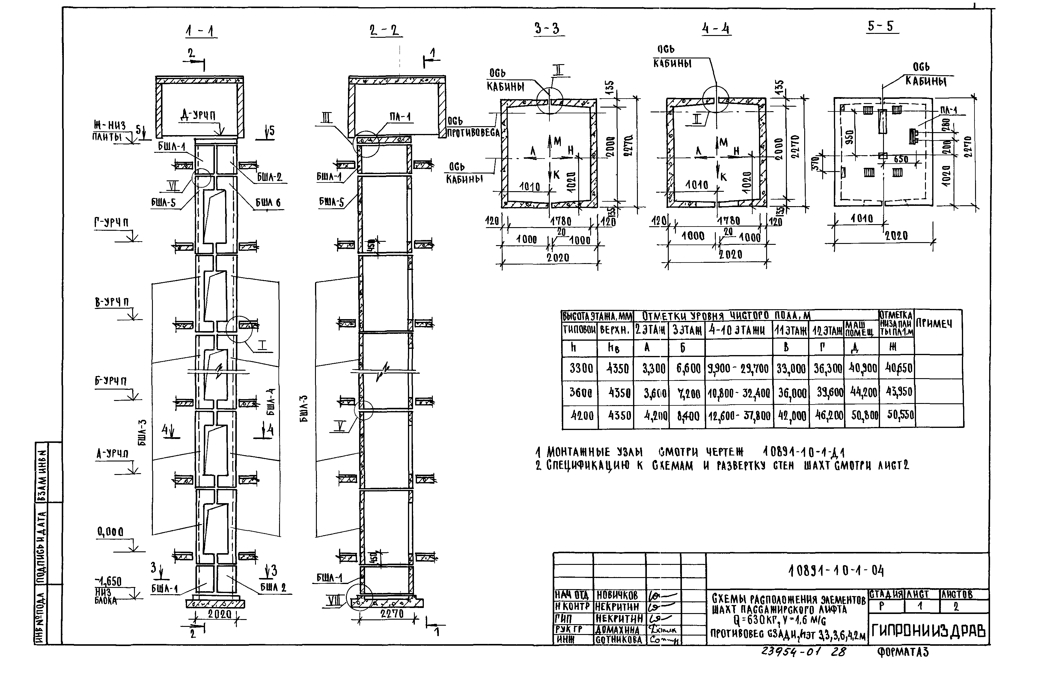
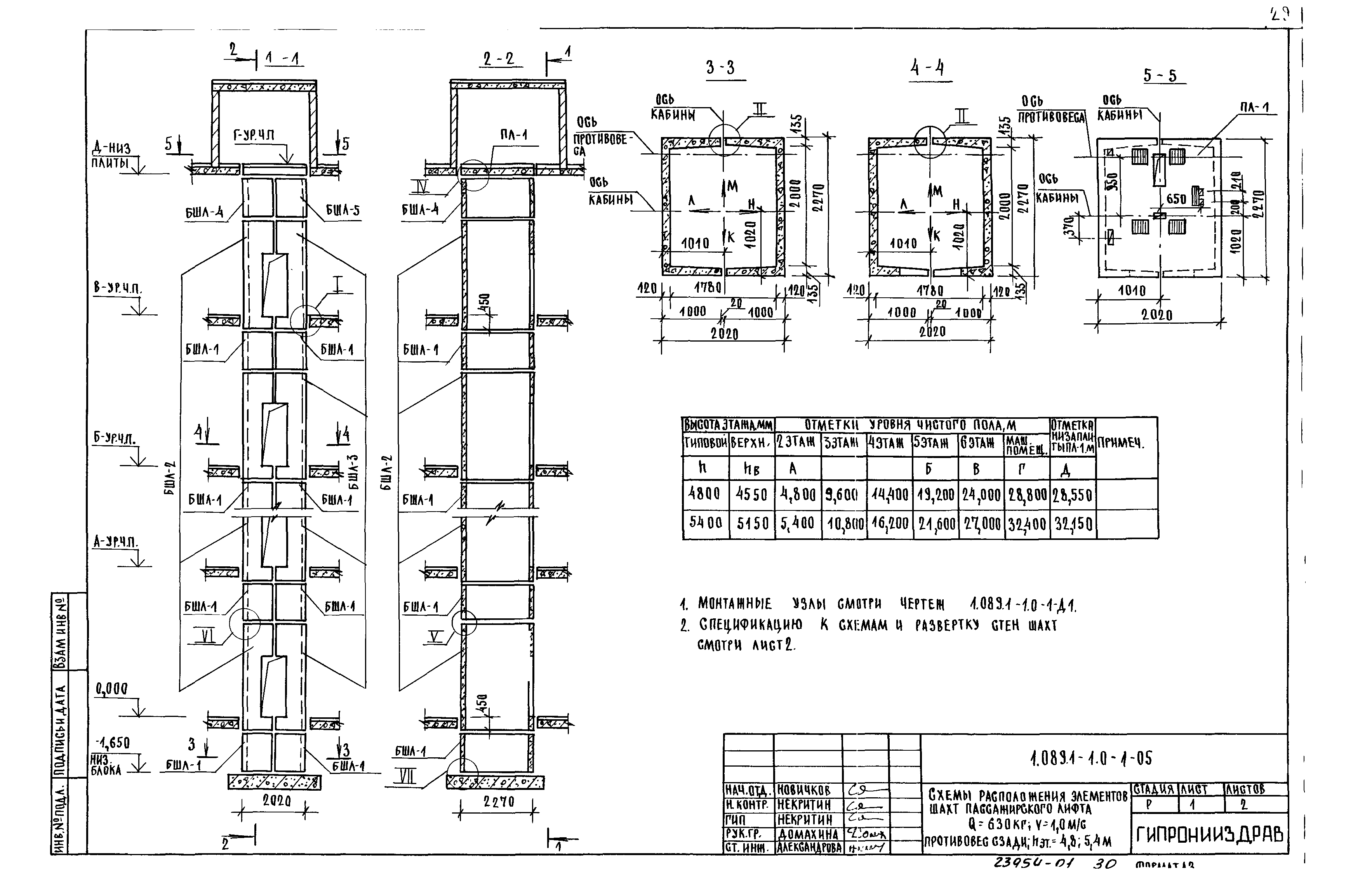
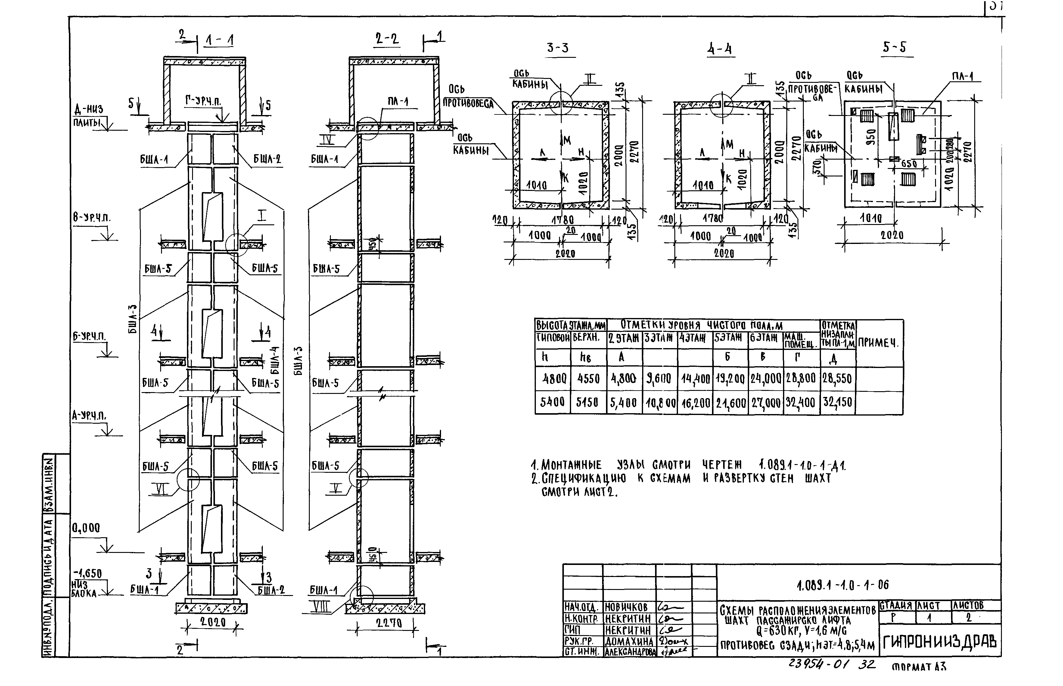
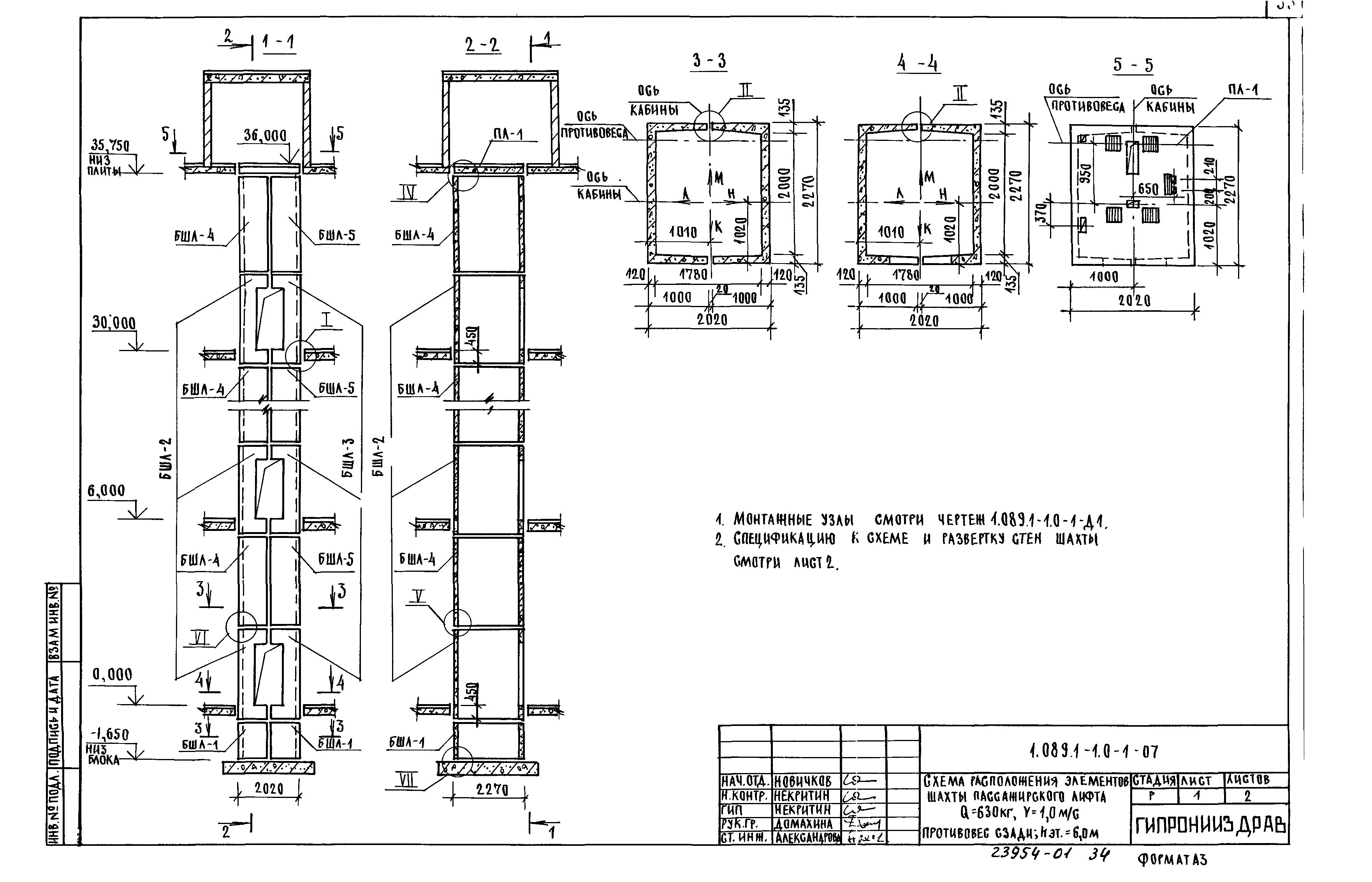
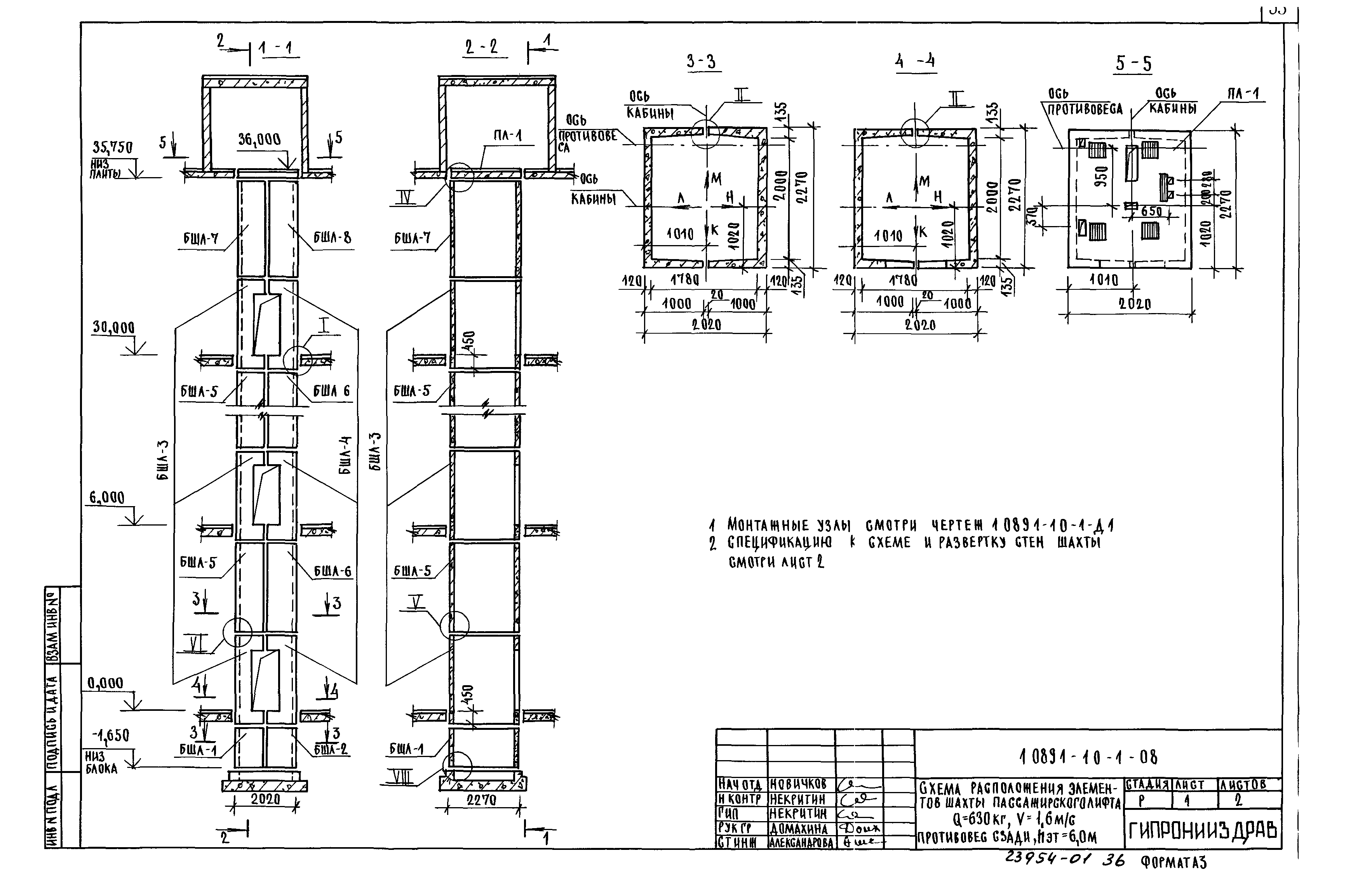
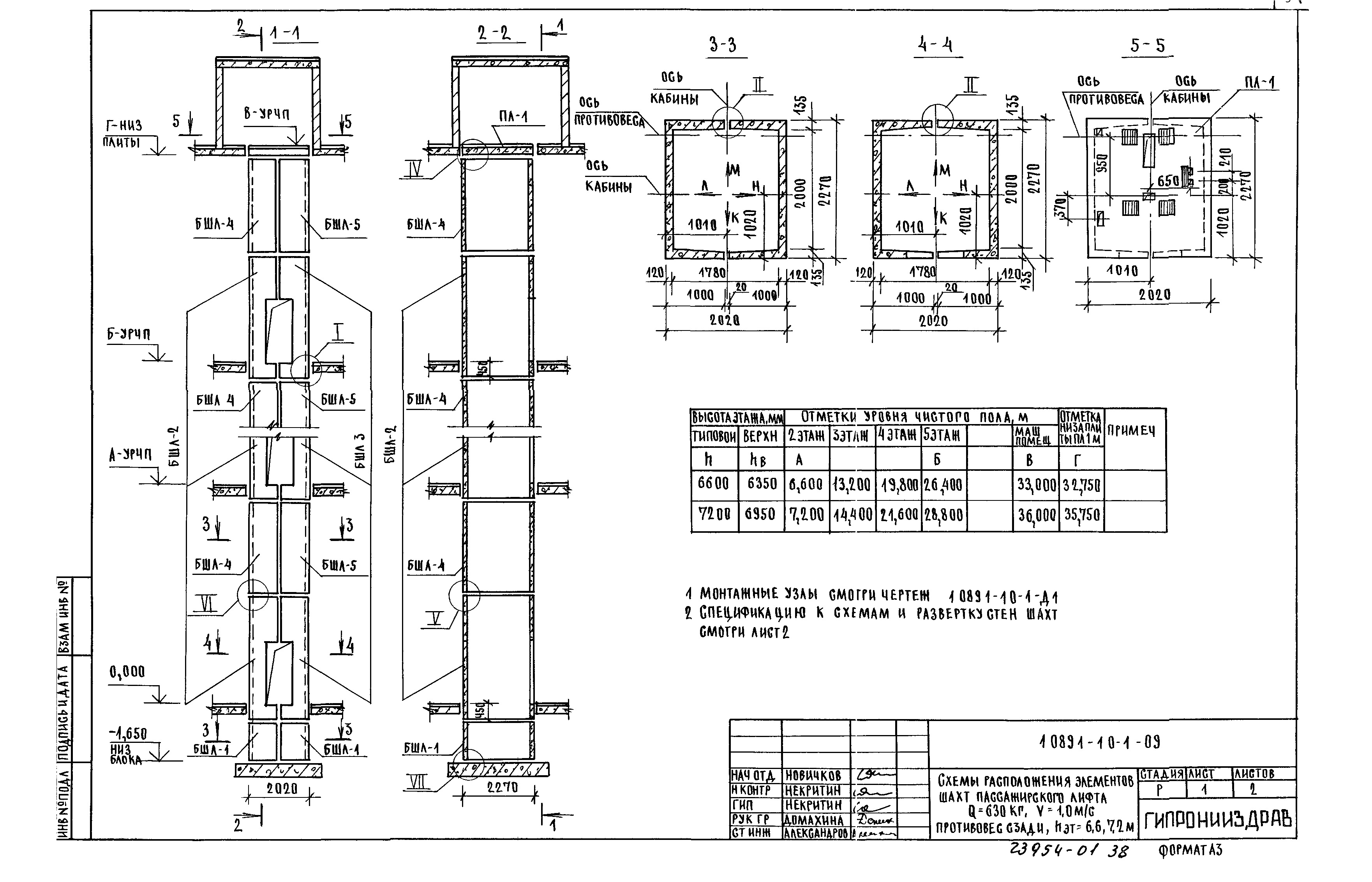
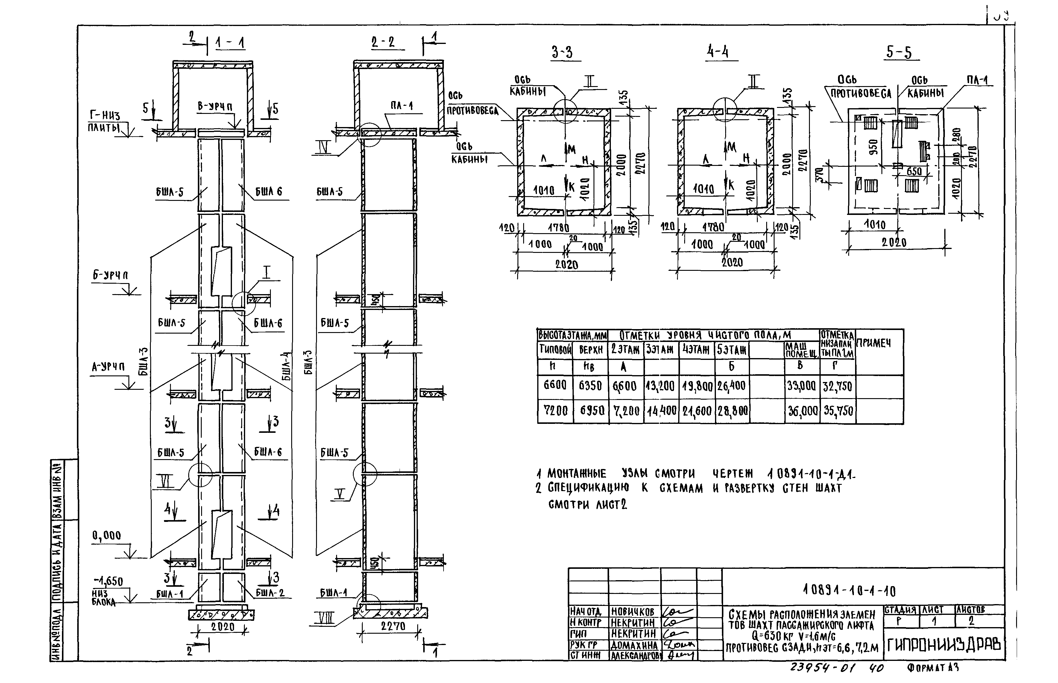
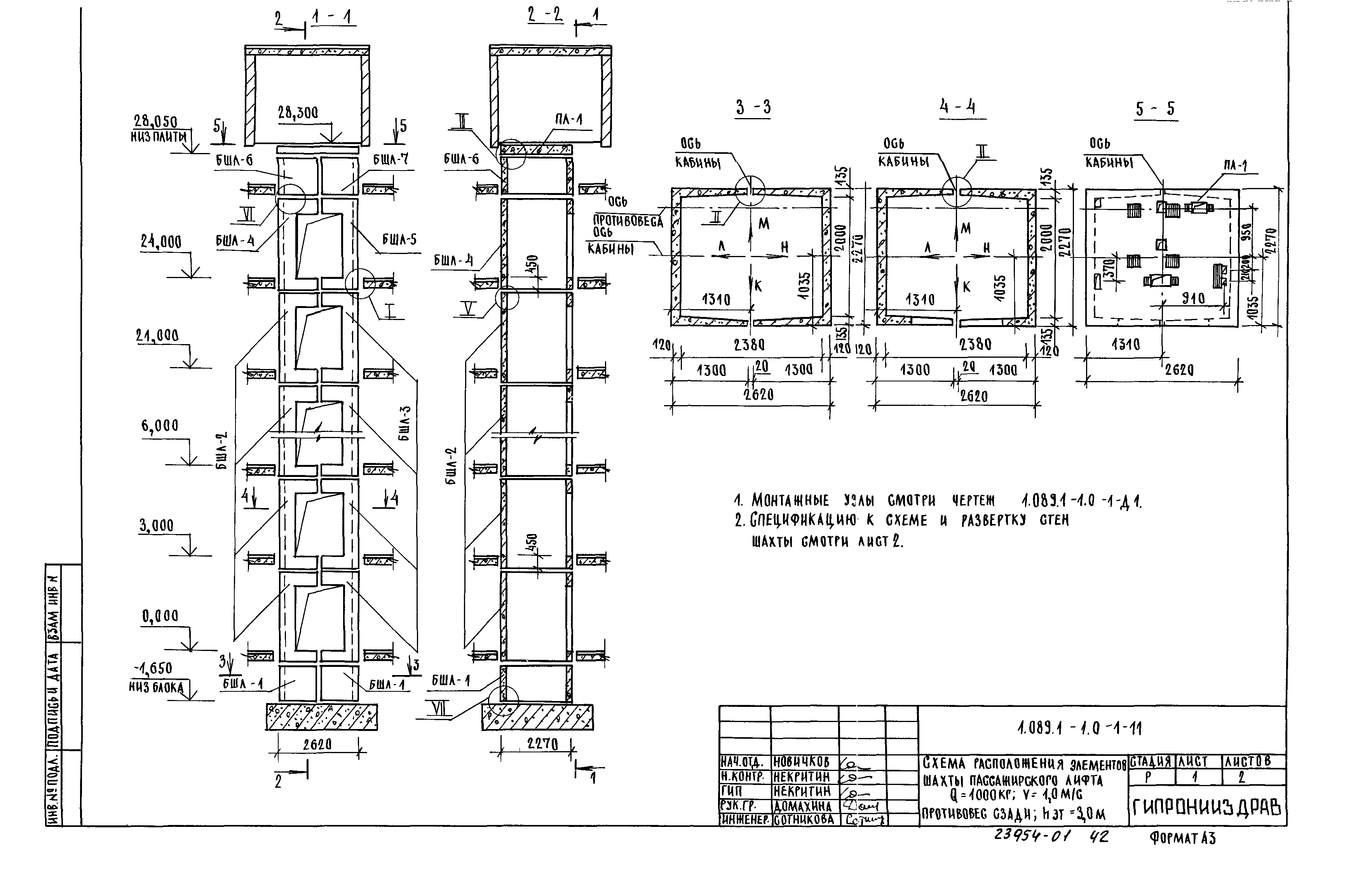
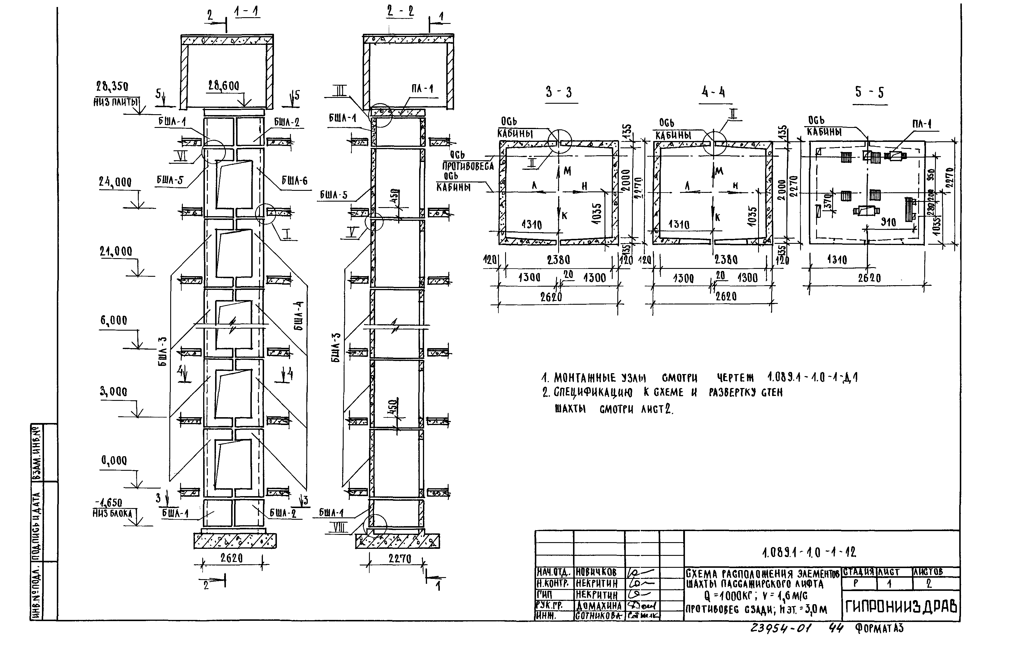
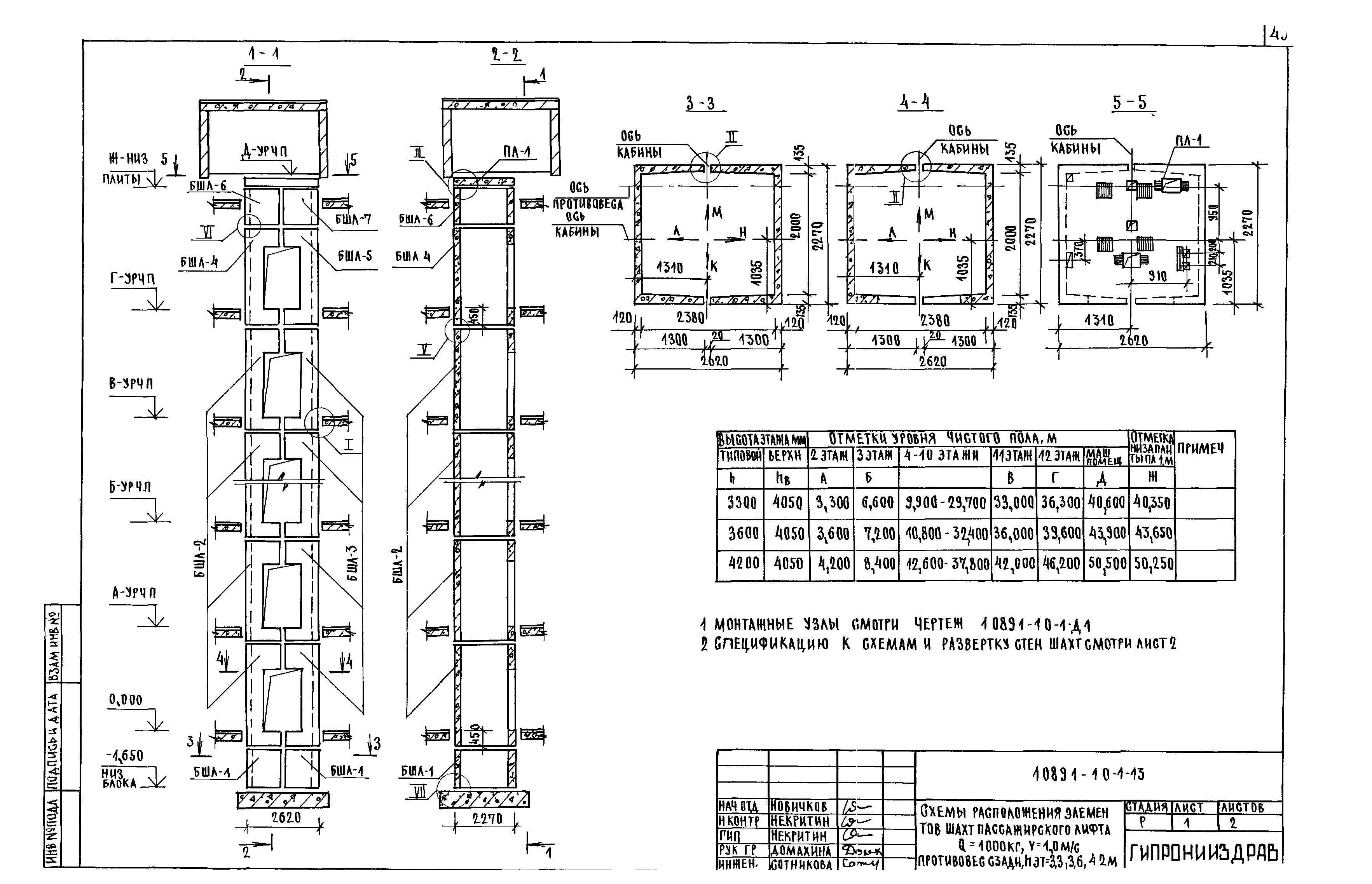
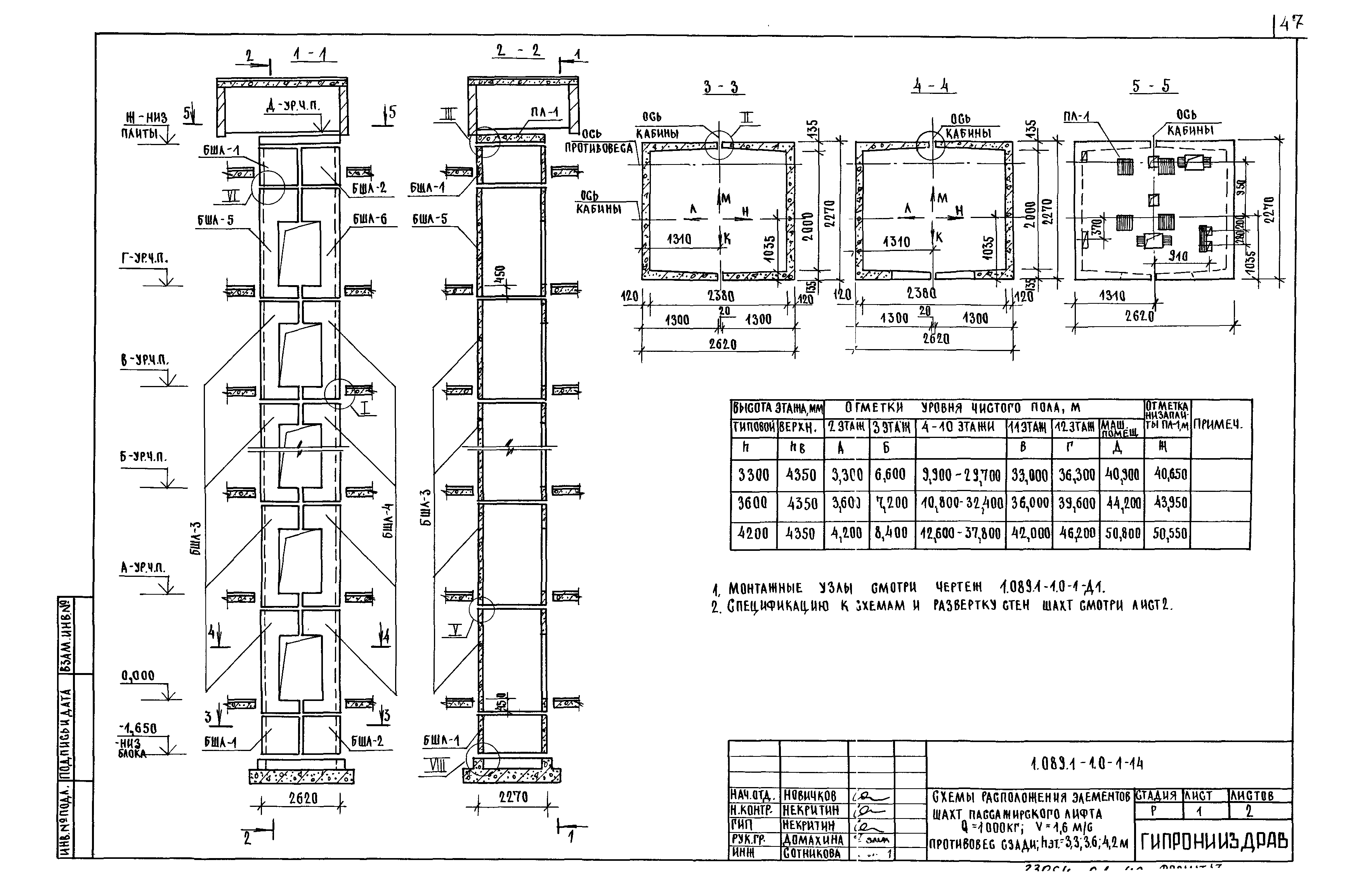
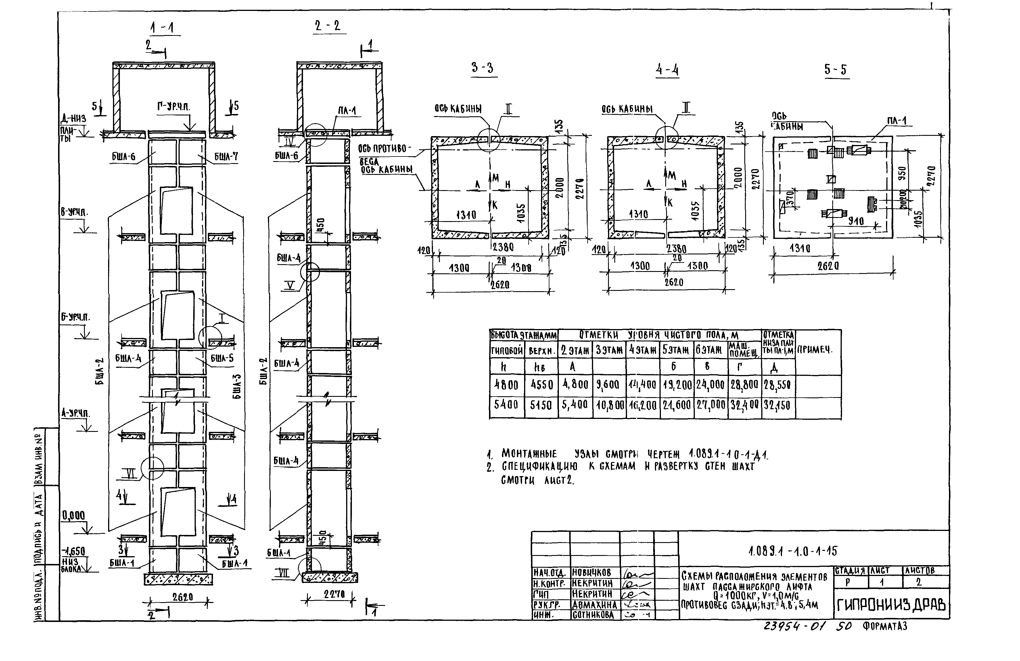
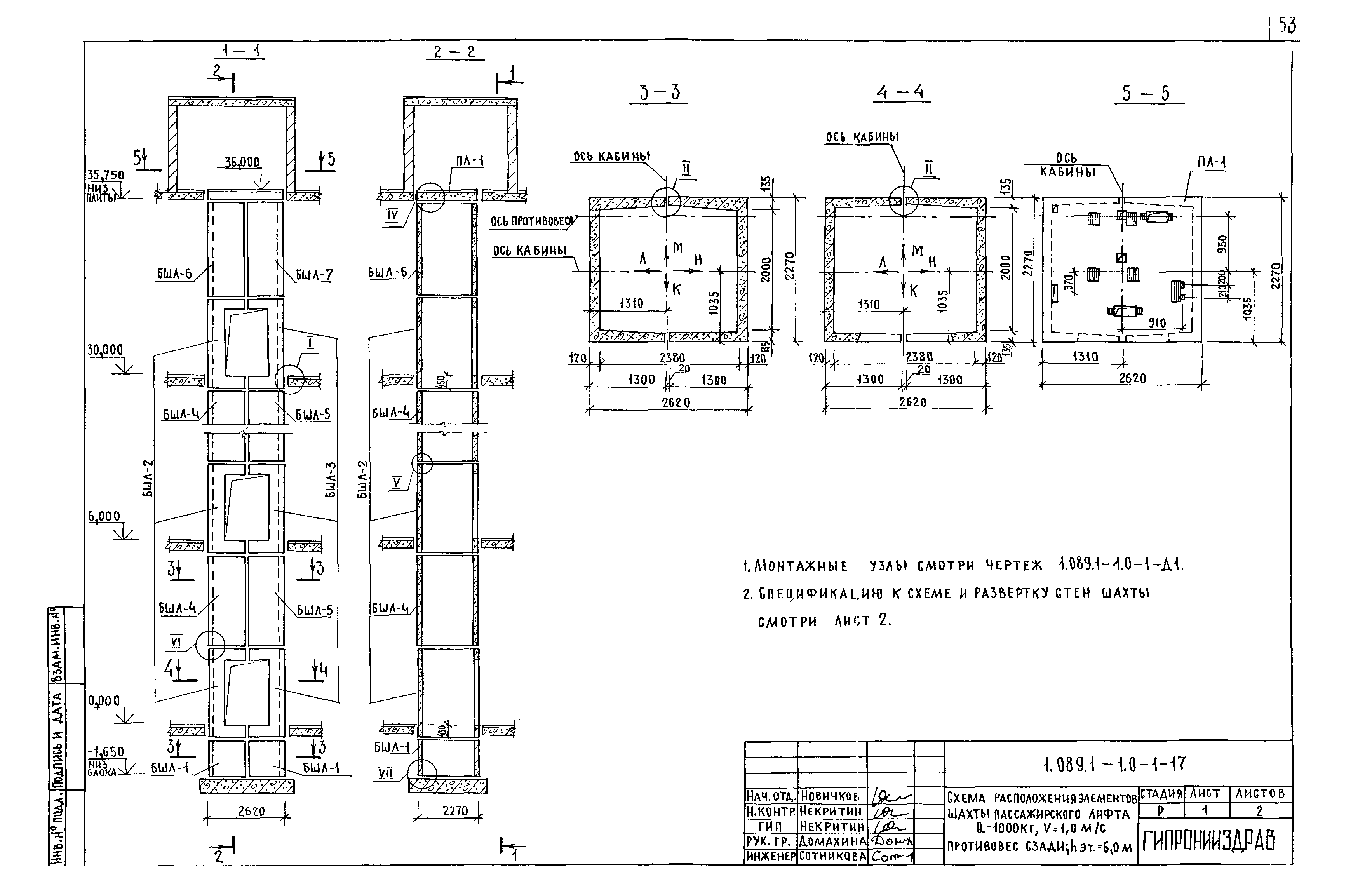
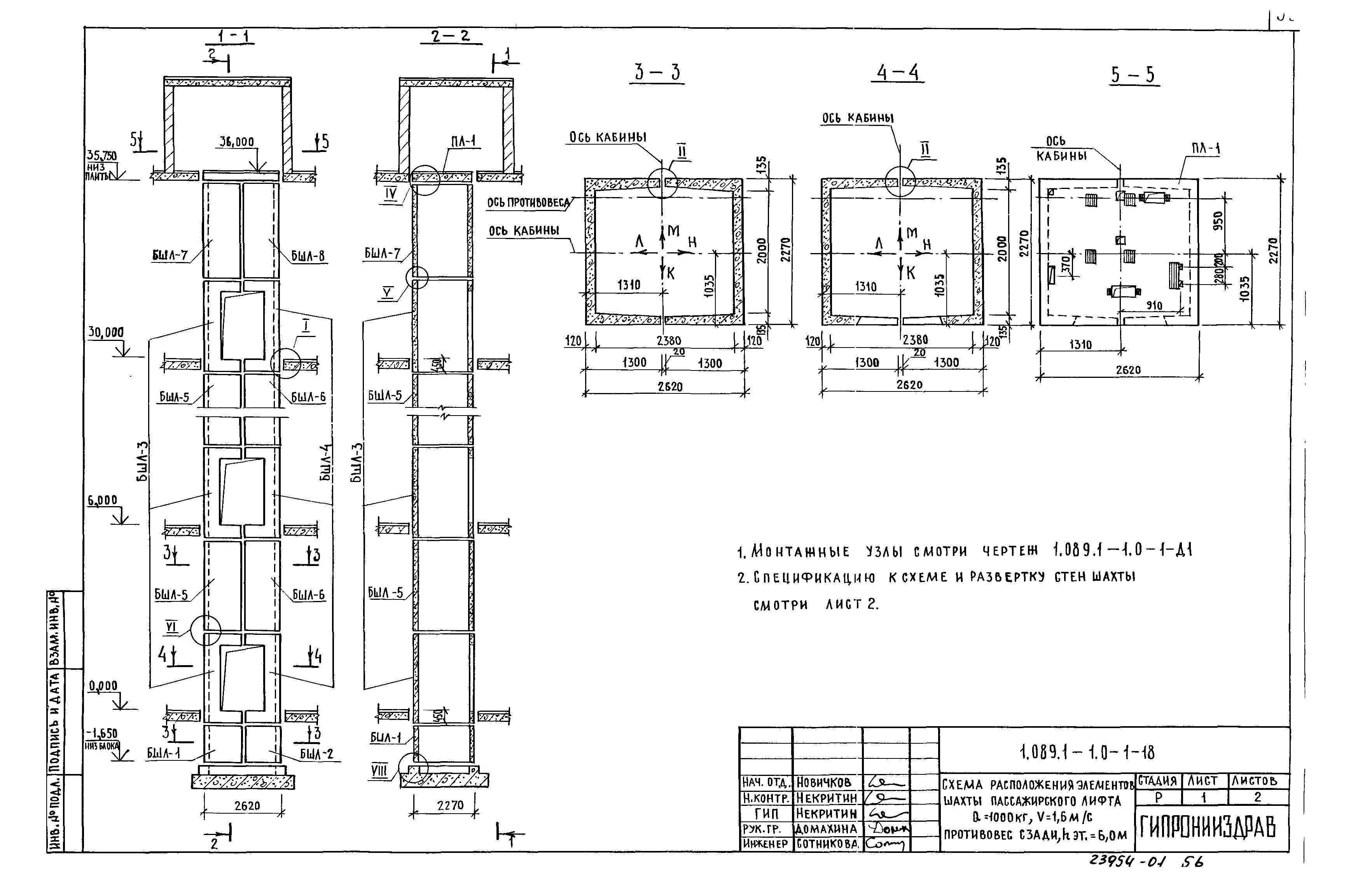
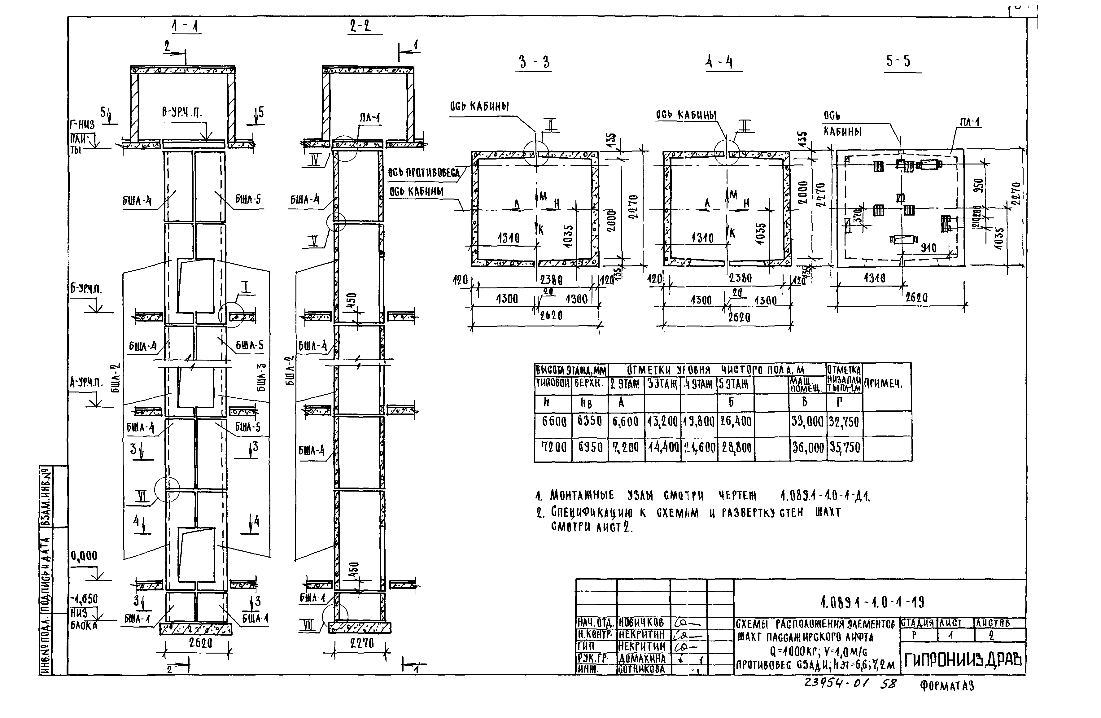
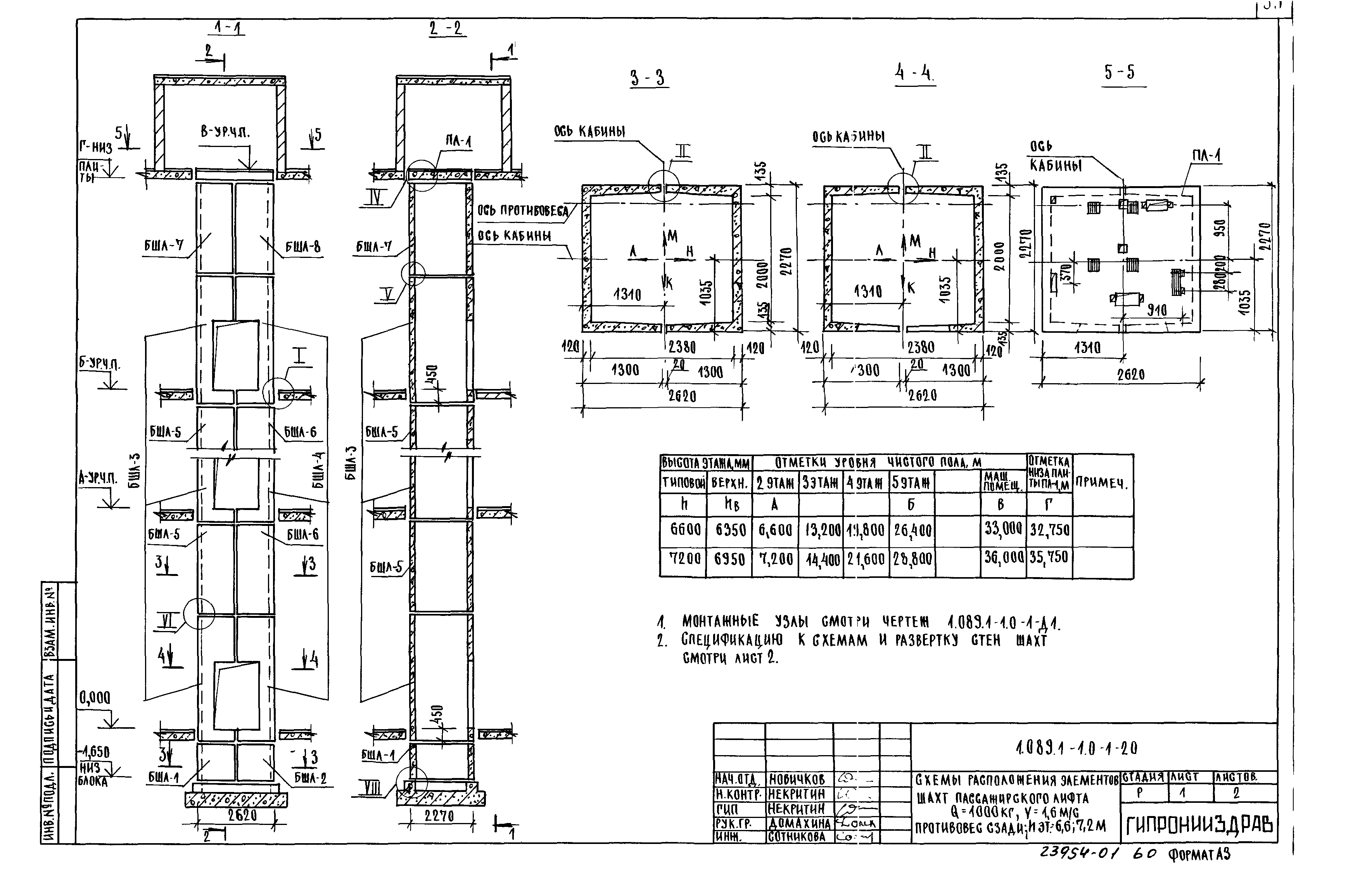
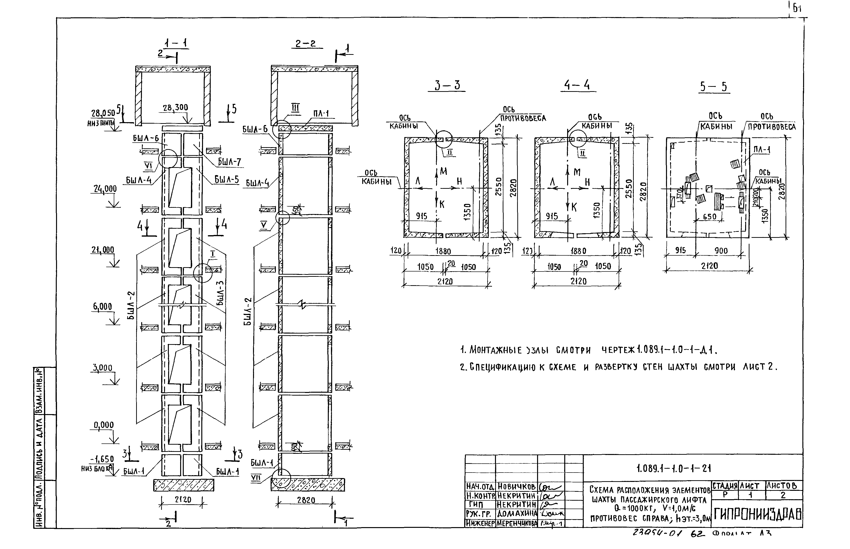
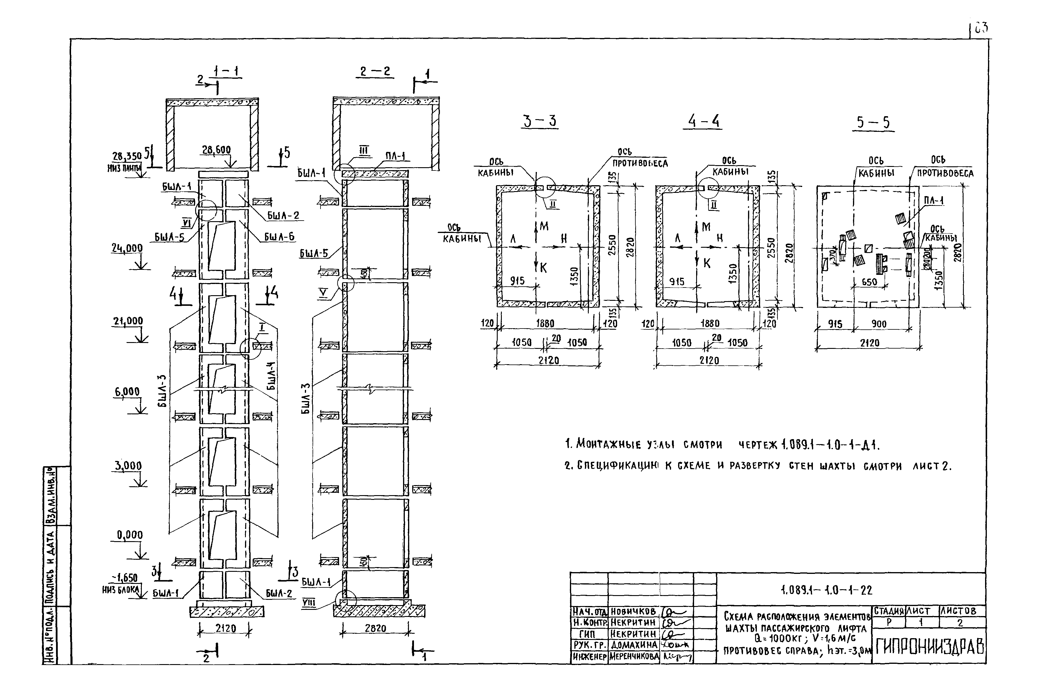
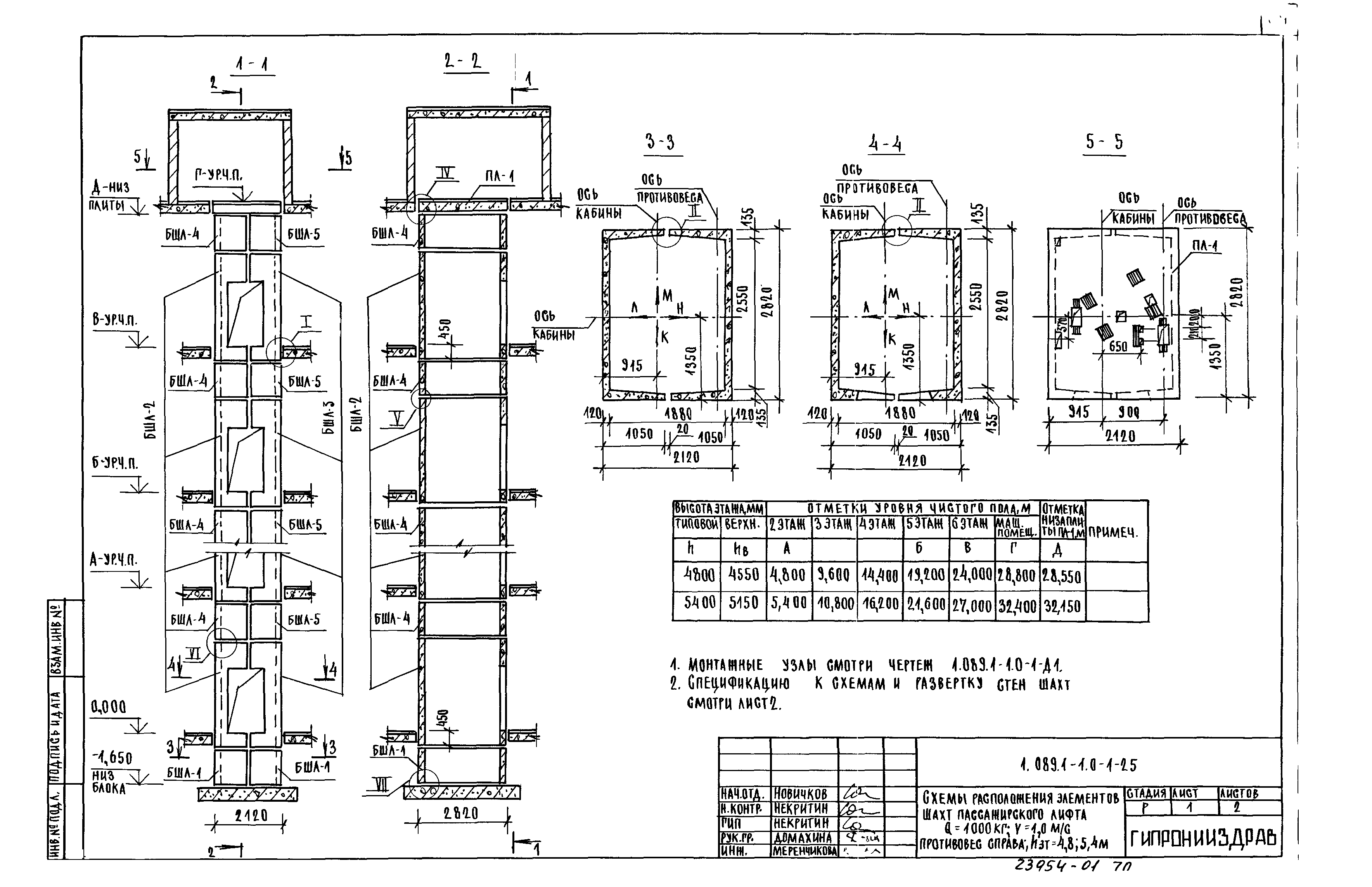
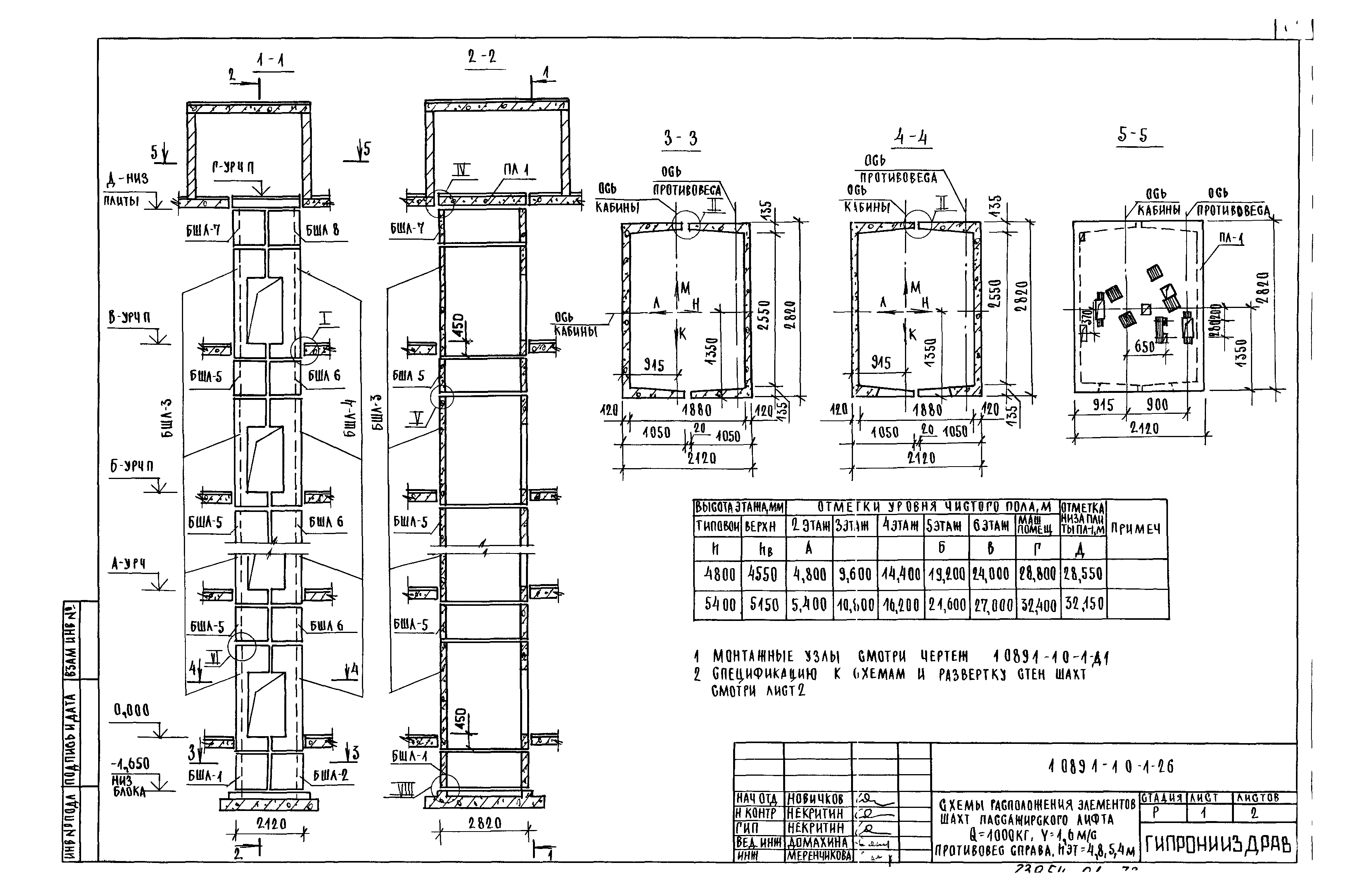
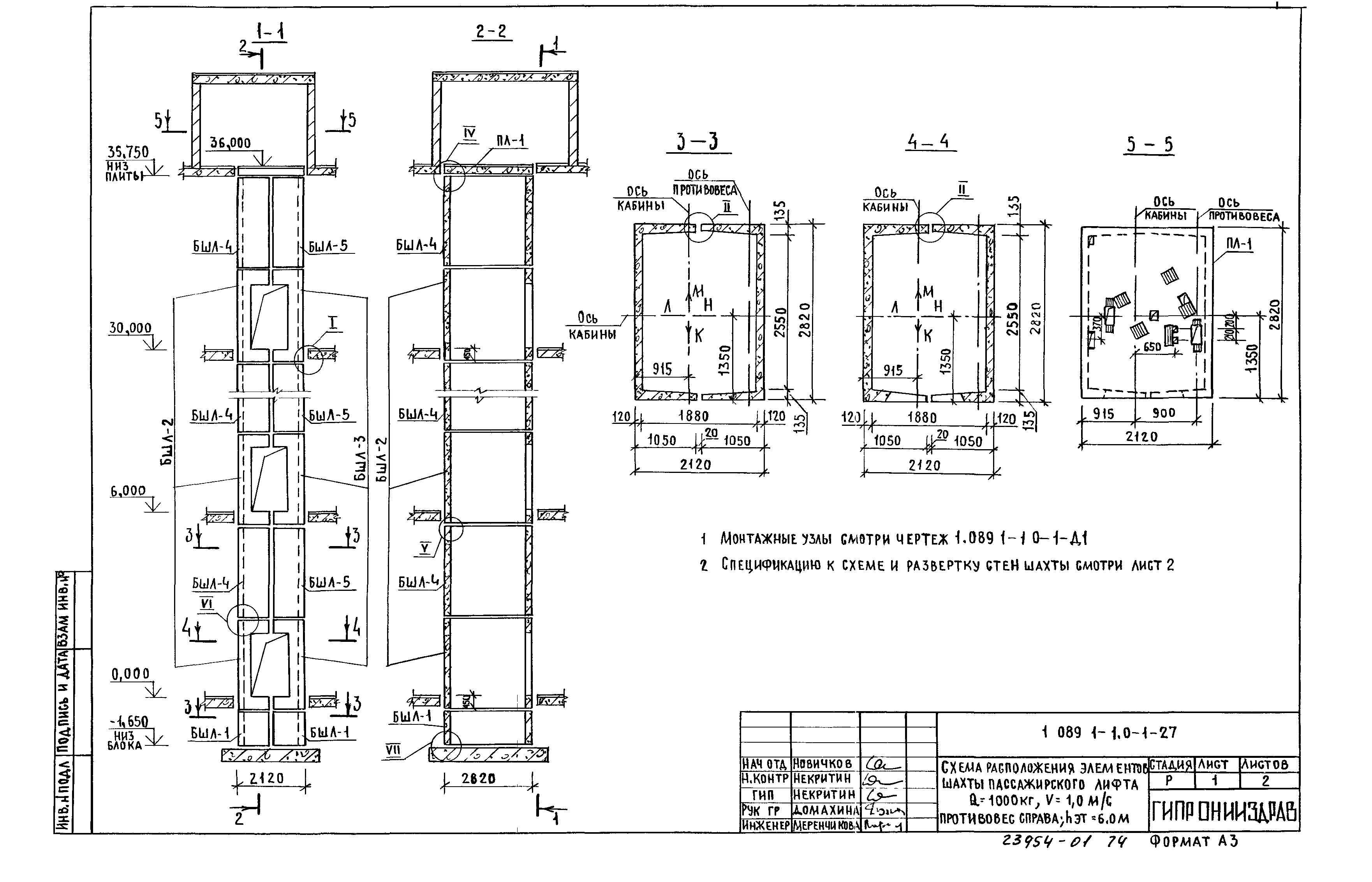
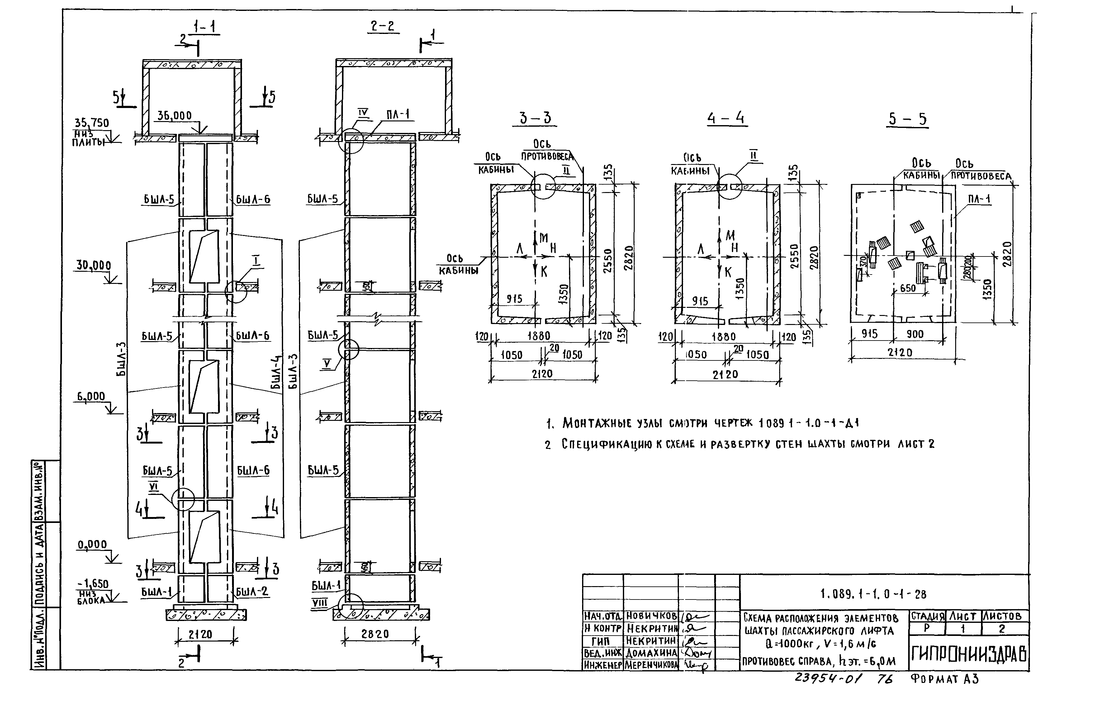
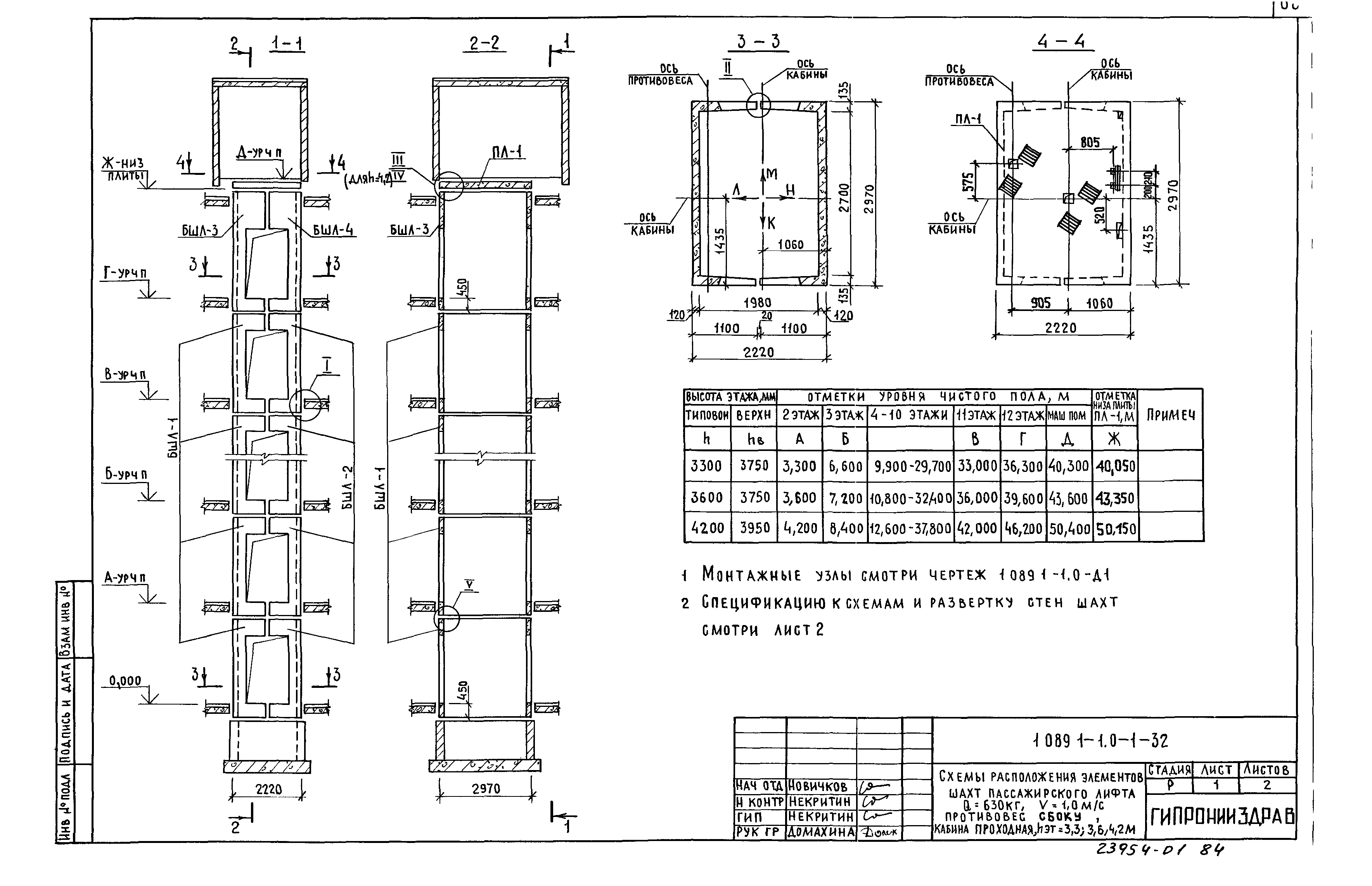
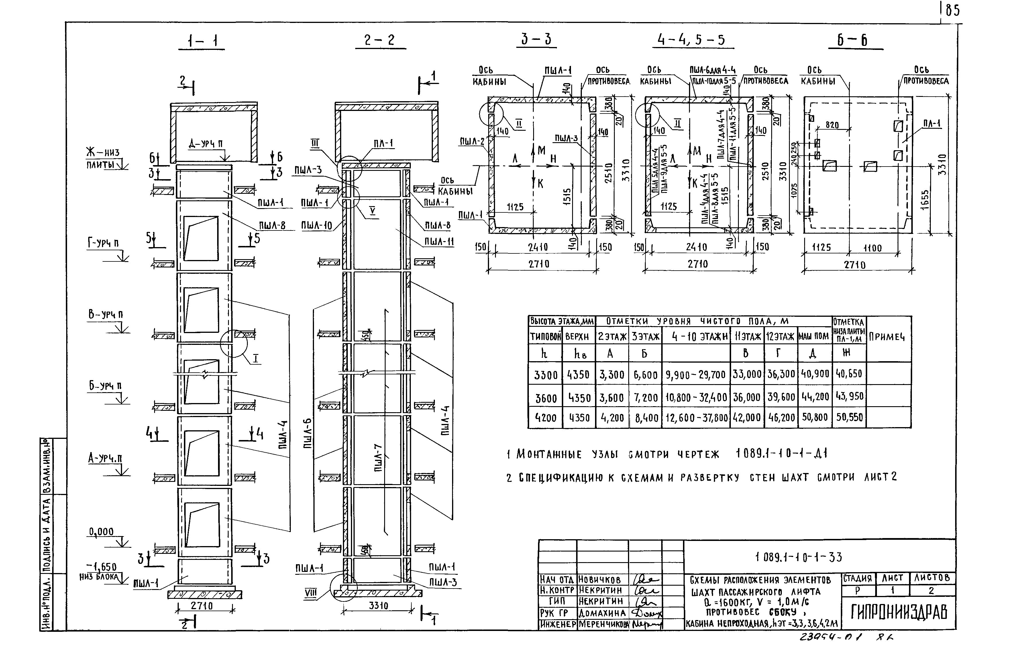
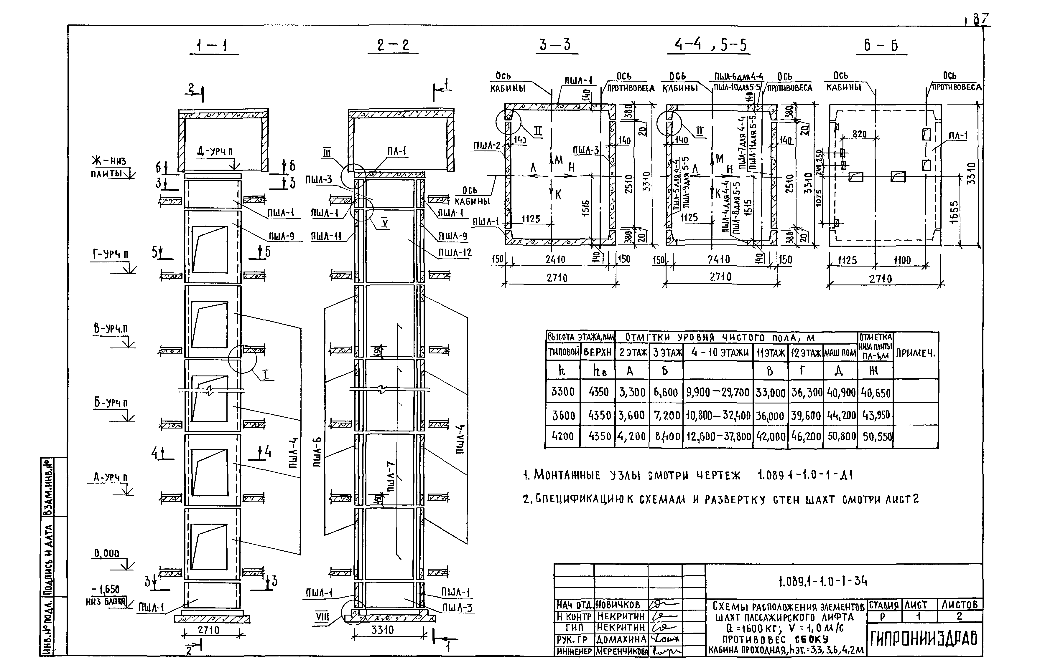
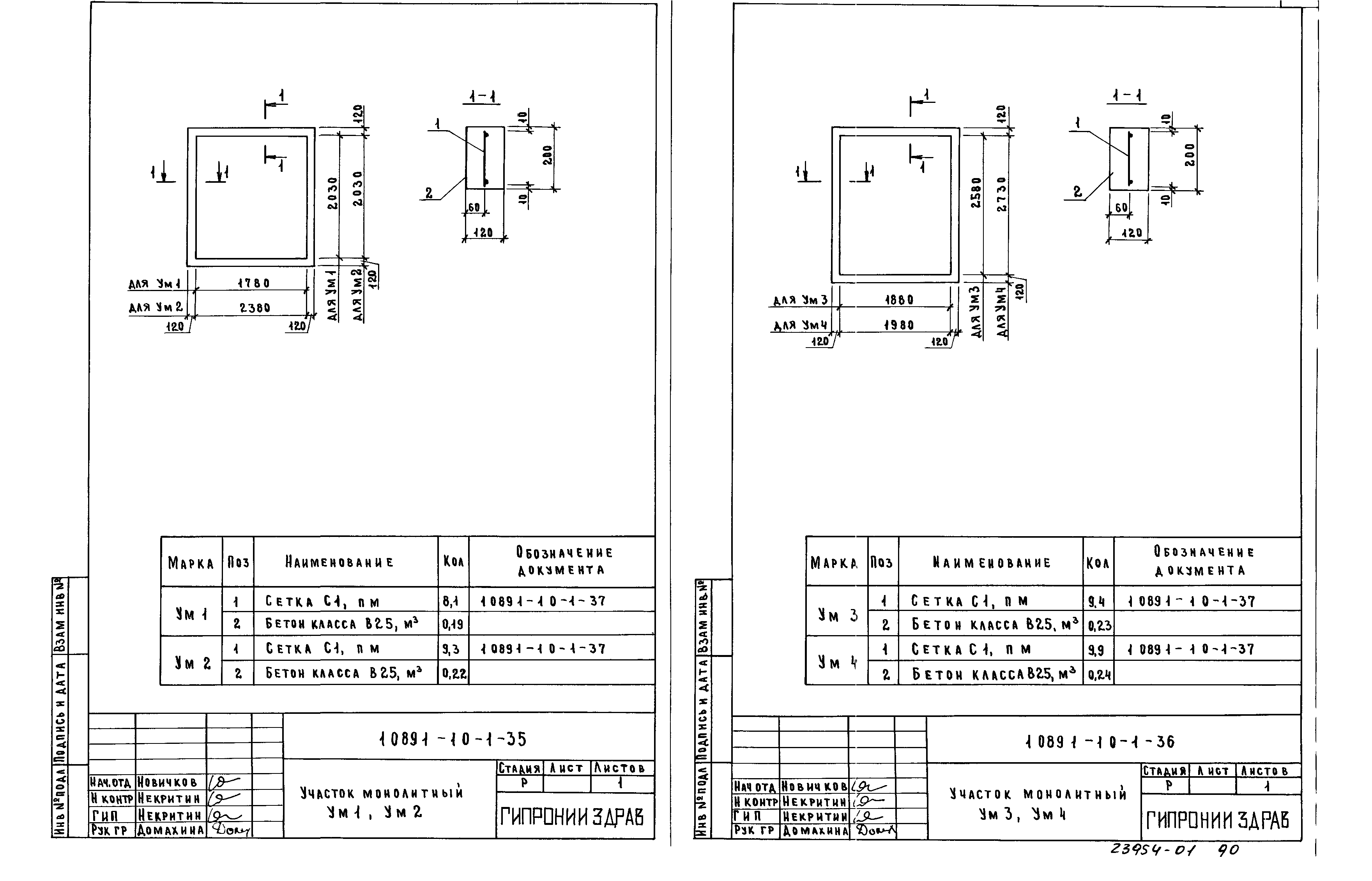
| Оглавление: | 1.089.1-1.0-1-ПЗ Пояснительная записка 1.089.1-1.0-1-НИ Номенклатура изделий 1.089.1-1.0-1-01 Схема расположения элементов шахты пассажирского лифта Q=630кг, V=1,0м/с противовес сзади; hэт=3,0м 1.089.1-1.0-1-02 Схема расположения элементов шахты пассажирского лифта Q=630кг, V=1,6м/с противовес сзади; hэт=3,0м 1.089.1-1.0-1-03 Схема расположения элементов шахты пассажирского лифта Q=630кг, V=1,0м/с противовес сзади; hэт=3,3;3,6;4,2м 1.089.1-1.0-1-04 Схема расположения элементов шахты пассажирского лифта Q=630кг, V=1,6м/с противовес сзади; hэт=3,3;3,6;4,2м 1.089.1-1.0-1-05 Схема расположения элементов шахты пассажирского лифта Q=630кг, V=1,0м/с противовес сзади; hэт=4,8;5,4м 1.089.1-1.0-1-06 Схема расположения элементов шахты пассажирского лифта Q=630кг, V=1,6м/с противовес сзади; hэт=4,8;5,4м 1.089.1-1.0-1-07 Схема расположения элементов шахты пассажирского лифта Q=630кг, V=1,0м/с противовес сзади; hэт=6,0м 1.089.1-1.0-1-08 Схема расположения элементов шахты пассажирского лифта Q=630кг, V=1,6м/с противовес сзади; hэт=6,0м 1.089.1-1.0-1-09 Схема расположения элементов шахты пассажирского лифта Q=630кг, V=1,0м/с противовес сзади; hэт=6,6;7,2м 1.089.1-1.0-1-10 Схема расположения элементов шахты пассажирского лифта Q=630кг, V=1,6м/с противовес сзади; hэт=6,6;7,2м 1.089.1-1.0-1-11 Схема расположения элементов шахты пассажирского лифта Q=1000кг, V=1,0м/с противовес сзади; hэт=3,0м 1.089.1-1.0-1-12 Схема расположения элементов шахты пассажирского лифта Q=1000кг, V=1,6м/с противовес сзади; hэт=3,0м 1.089.1-1.0-1-13 Схема расположения элементов шахты пассажирского лифта Q=1000кг, V=1,0м/с противовес сзади; hэт=3,3;3,6;4,2м 1.089.1-1.0-1-14 Схема расположения элементов шахты пассажирского лифта Q=1000кг, V=1,6м/с противовес сзади; hэт=3,3;3,6;4,2м 1.089.1-1.0-1-15 Схема расположения элементов шахты пассажирского лифта Q=1000кг, V=1,0м/с противовес сзади; hэт=4,8;5,4м 1.089.1-1.0-1-16 Схема расположения элементов шахты пассажирского лифта Q=1000кг, V=1,6м/с противовес сзади; hэт=4,8;5,4м 1.089.1-1.0-1-17 Схема расположения элементов шахты пассажирского лифта Q=1000кг, V=1,0м/с противовес сзади; hэт=6,0м 1.089.1-1.0-1-18 Схема расположения элементов шахты пассажирского лифта Q=1000кг, V=1,6м/с противовес сзади; hэт=6,0м 1.089.1-1.0-1-19 Схема расположения элементов шахты пассажирского лифта Q=1000кг, V=1,0м/с противовес сзади; hэт=6,6;7,2м 1.089.1-1.0-1-20 Схема расположения элементов шахты пассажирского лифта Q=1000кг, V=1,6м/с противовес сзади; hэт=6,6;7,2м 1.089.1-1.0-1-21 Схема расположения элементов шахты пассажирского лифта Q=1000кг, V=1,0м/с противовес справа; hэт=3,0м 1.089.1-1.0-1-22 Схема расположения элементов шахты пассажирского лифта Q=1000кг, V=1,6м/с противовес справа; hэт=3,0м 1.089.1-1.0-1-23 Схема расположения элементов шахты пассажирского лифта Q=1000кг, V=1,0м/с противовес справа; hэт=3,3;3,6;4,2м 1.089.1-1.0-1-24 Схема расположения элементов шахты пассажирского лифта Q=1000кг, V=1,6м/с противовес справа; hэт=3,3;3,6;4,2м 1.089.1-1.0-1-25 Схема расположения элементов шахты пассажирского лифта Q=1000кг, V=1,0м/с противовес справа; hэт=4,8;5,4м 1.089.1-1.0-1-26 Схема расположения элементов шахты пассажирского лифта Q=1000кг, V=1,6м/с противовес справа; hэт=4,8;5,4м 1.089.1-1.0-1-27 Схема расположения элементов шахты пассажирского лифта Q=1000кг, V=1,0м/с противовес справа; hэт=6,0м 1.089.1-1.0-1-28 Схема расположения элементов шахты пассажирского лифта Q=1000кг, V=1,6м/с противовес справа; hэт=6,0м 1.089.1-1.0-1-29 Схема расположения элементов шахты пассажирского лифта Q=1000кг, V=1,0м/с противовес справа; hэт=6,6;7,2м 1.089.1-1.0-1-30 Схема расположения элементов шахты пассажирского лифта Q=1000кг, V=1,6м/с противовес справа; hэт=6,6;7,2м 1.089.1-1.0-1-31 Схема расположения элементов шахты пассажирского лифта Q=630кг, V=1,0м/с, противовес сбоку кабина непроходная; hэт=3,3;3,6;4,2м 1.089.1-1.0-1-32 Схема расположения элементов шахты пассажирского лифта Q=630кг, V=1,0м/с, противовес сбоку кабина проходная; hэт=3,3;3,6;4,2м 1.089.1-1.0-1-33 Схема расположения элементов шахты пассажирского лифта Q=1600кг, V=1,0м/с, противовес сбоку кабина непроходная; hэт=3,3;3,6;4,2м 1.089.1-1.0-1-34 Схема расположения элементов шахты пассажирского лифта Q=1600кг, V=1,0м/с, противовес сбоку кабина проходная; hэт=3,3;3,6;4,2м 1.089.1-1.0-1-35 Участок монолитный Ум1,Ум2 1.089.1-1.0-1-36 Участок монолитный Ум3,Ум4 1.089.1-1.0-1-37 Сетка С1 1.089.1-1.0-1-РС Ведомость расхода стали на монолитный участок Ум1…Ум4 1.089.1-1.0-1-Д1 Узел 1…9 1.089.1-1.0-1-Д2 Монтажные узлы при групповой установке шахт (пример) 1.089.1-1.0-1-38 Лестница ЛМ1 |
| Разработан: | ГипроНИИздрав Минздрава СССР |
| Утверждён: | 21.09.1989 Госстрой СССР (Государственный комитет Совета Министров СССР по делам строительства) (USSR Gosstroy 4/5-1261) |
| Издан: | ЦИТП Госстроя СССР (CITP, Gosstroy (USSR) 1989 г. ) |






























































































