Скачать Серия 1.089.1-1 Выпуск 1-3. Блоки шахт пассажирских и грузовых лифтов по альбому АТ-6 и плиты перекрытий. Рабочие чертежиДата актуализации: 01.01.2021
|
| Обозначение: | Серия 1.089.1-1 |
| Обозначение англ: | Series 1.089.1-1 |
| Статус: | не определен законодательством |
| Название рус.: | Выпуск 1-3. Блоки шахт пассажирских и грузовых лифтов по альбому АТ-6 и плиты перекрытий. Рабочие чертежи |
| Дата добавления в базу: | 01.09.2013 |
| Дата актуализации: | 01.01.2021 |
| Дата введения: | 01.01.1992 |
| Дата окончания срока действия: | 30.06.2003 |
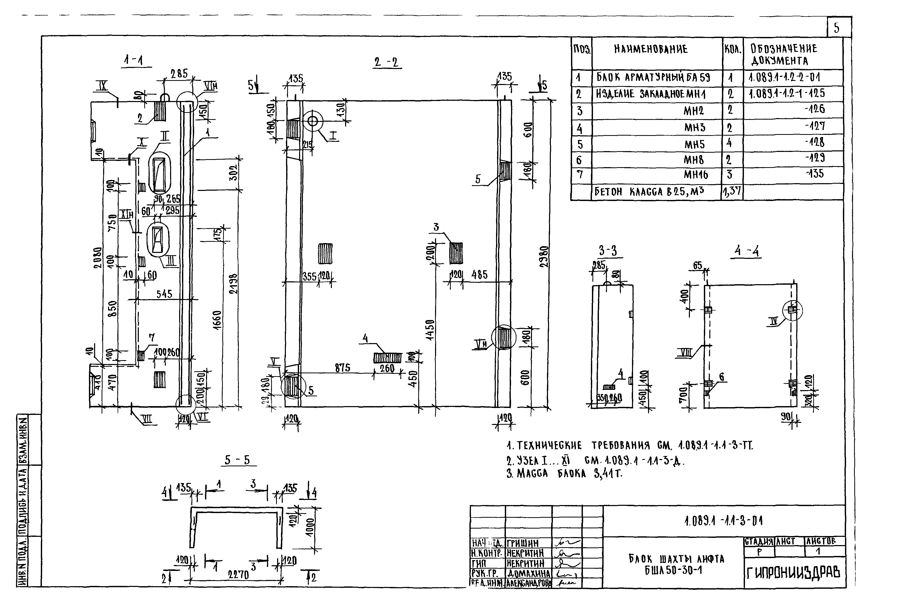
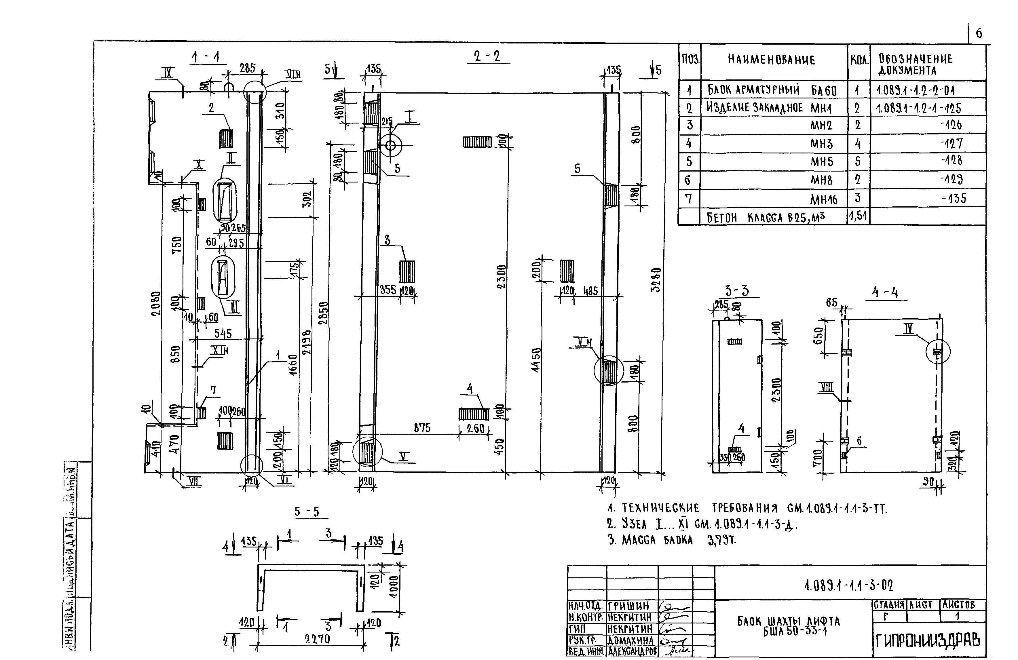
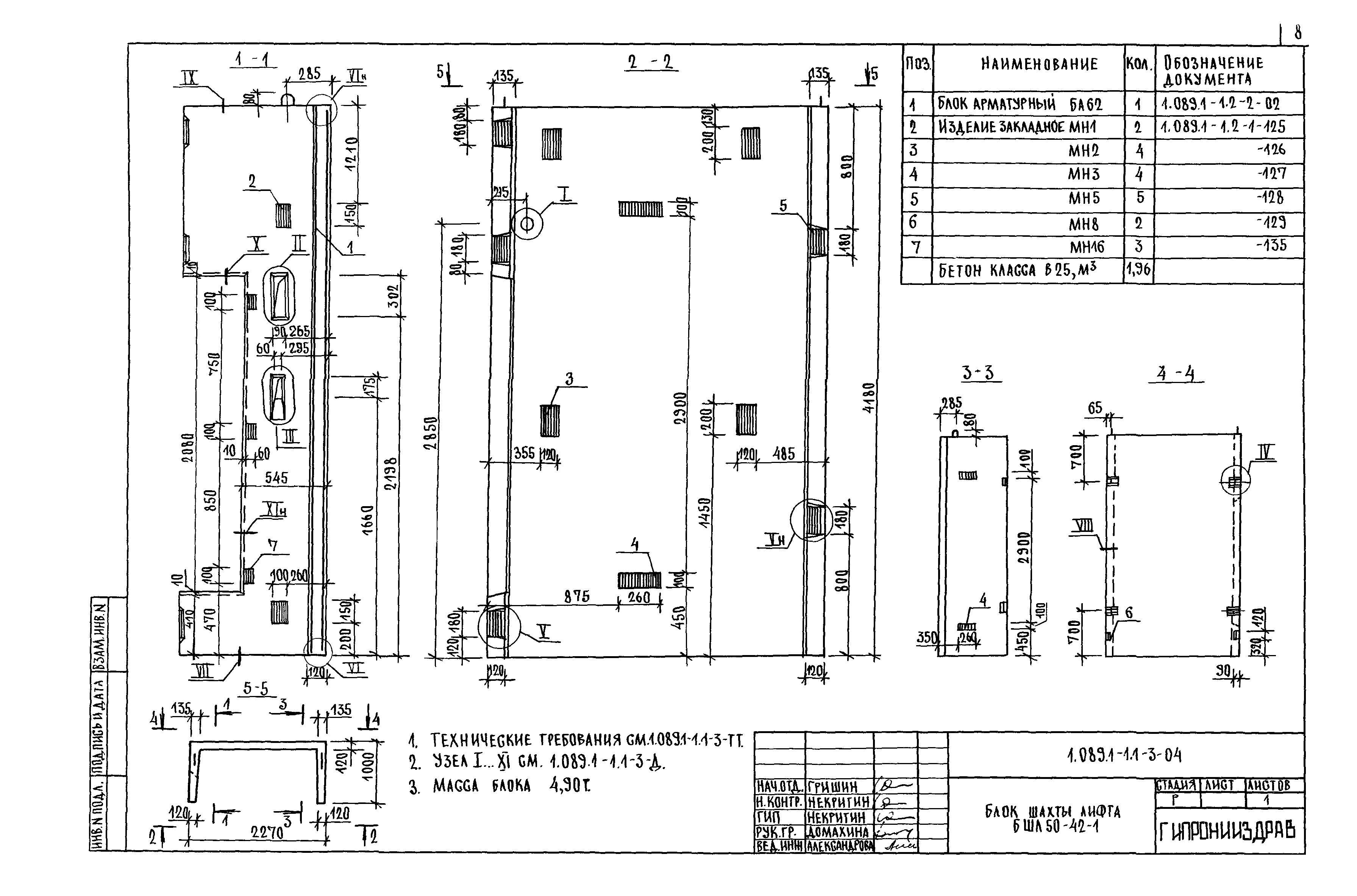
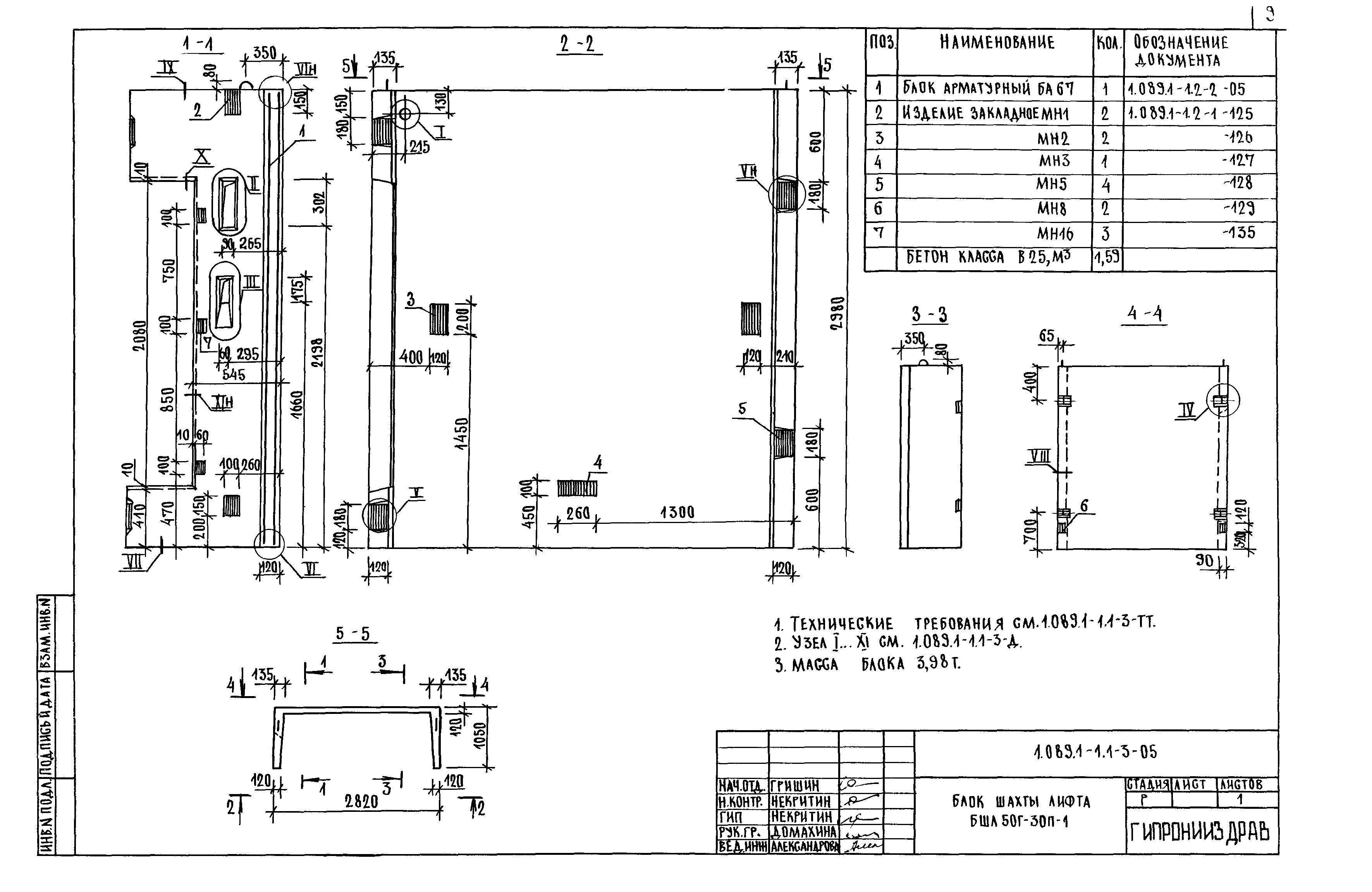
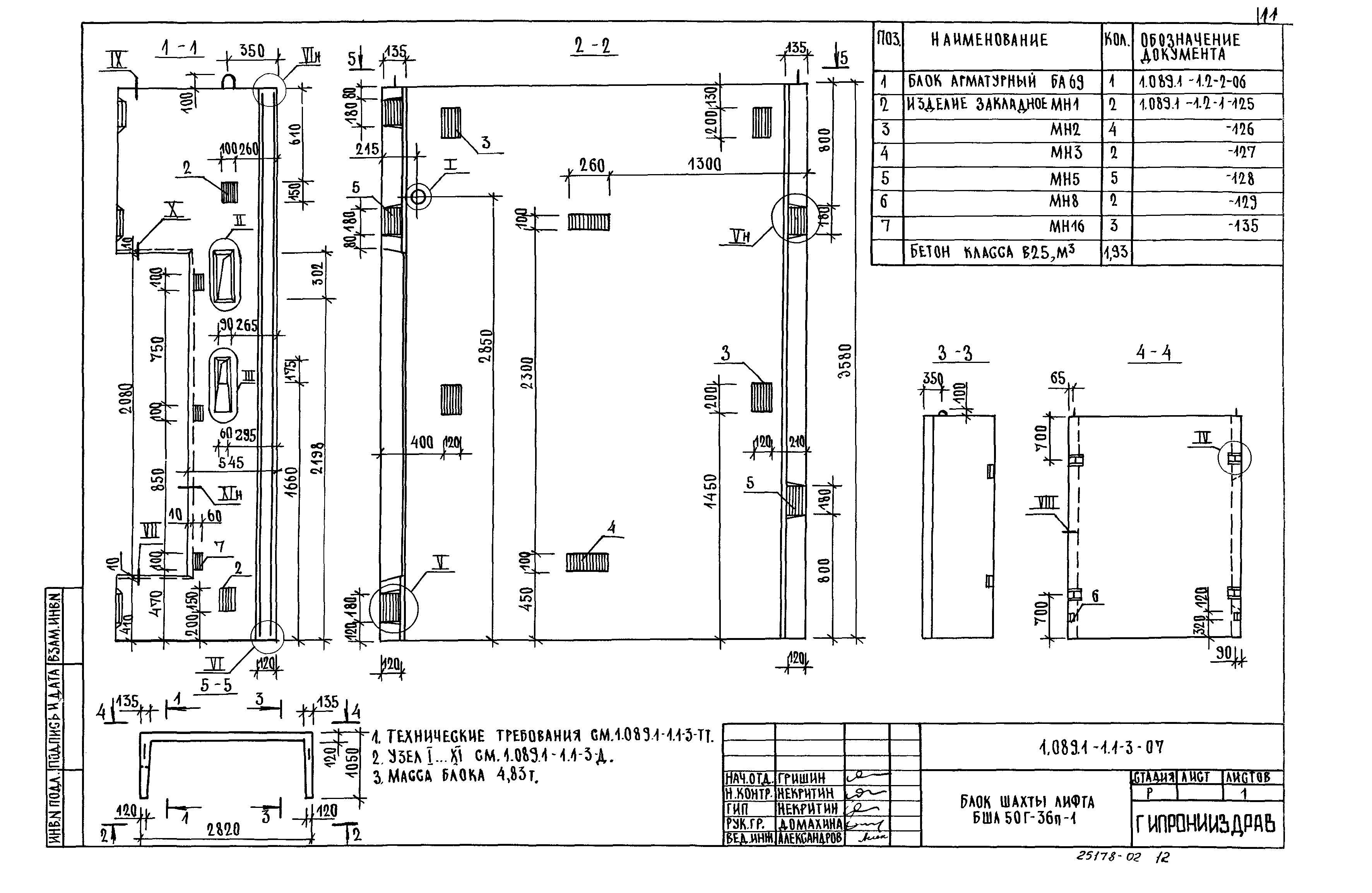
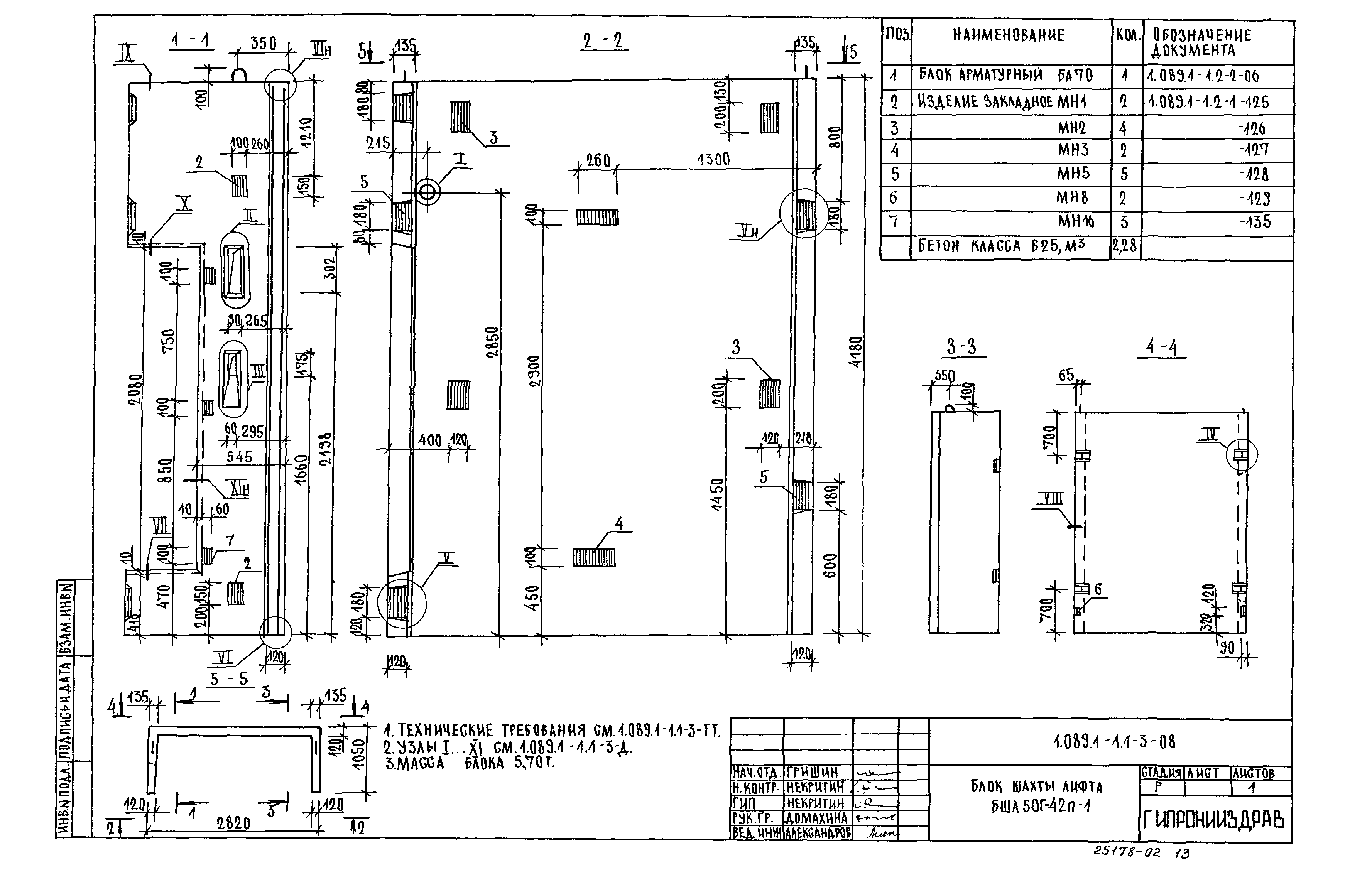
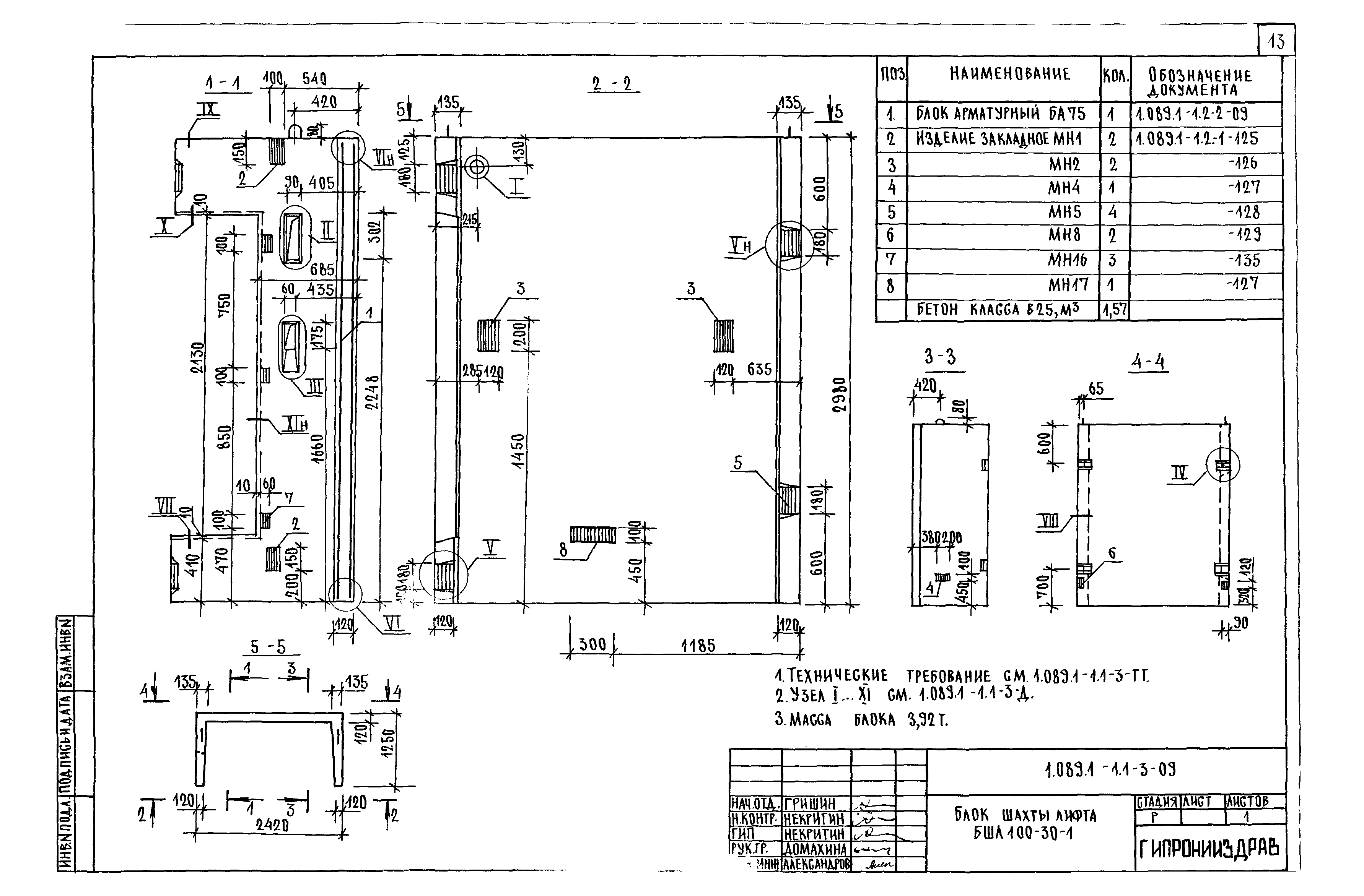
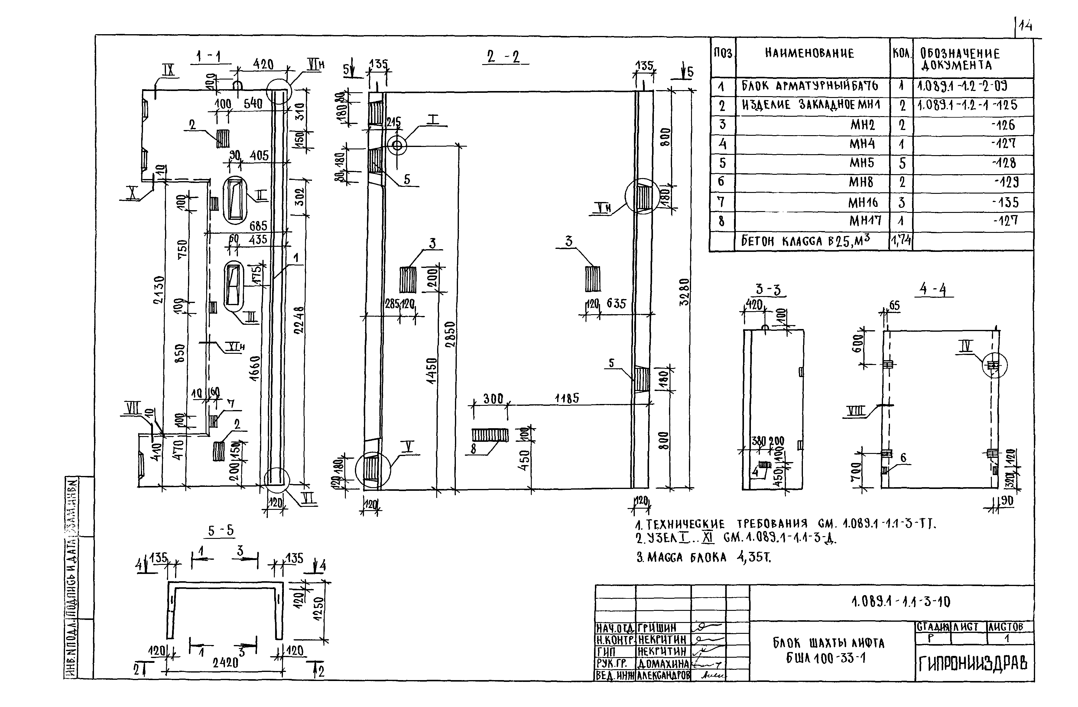
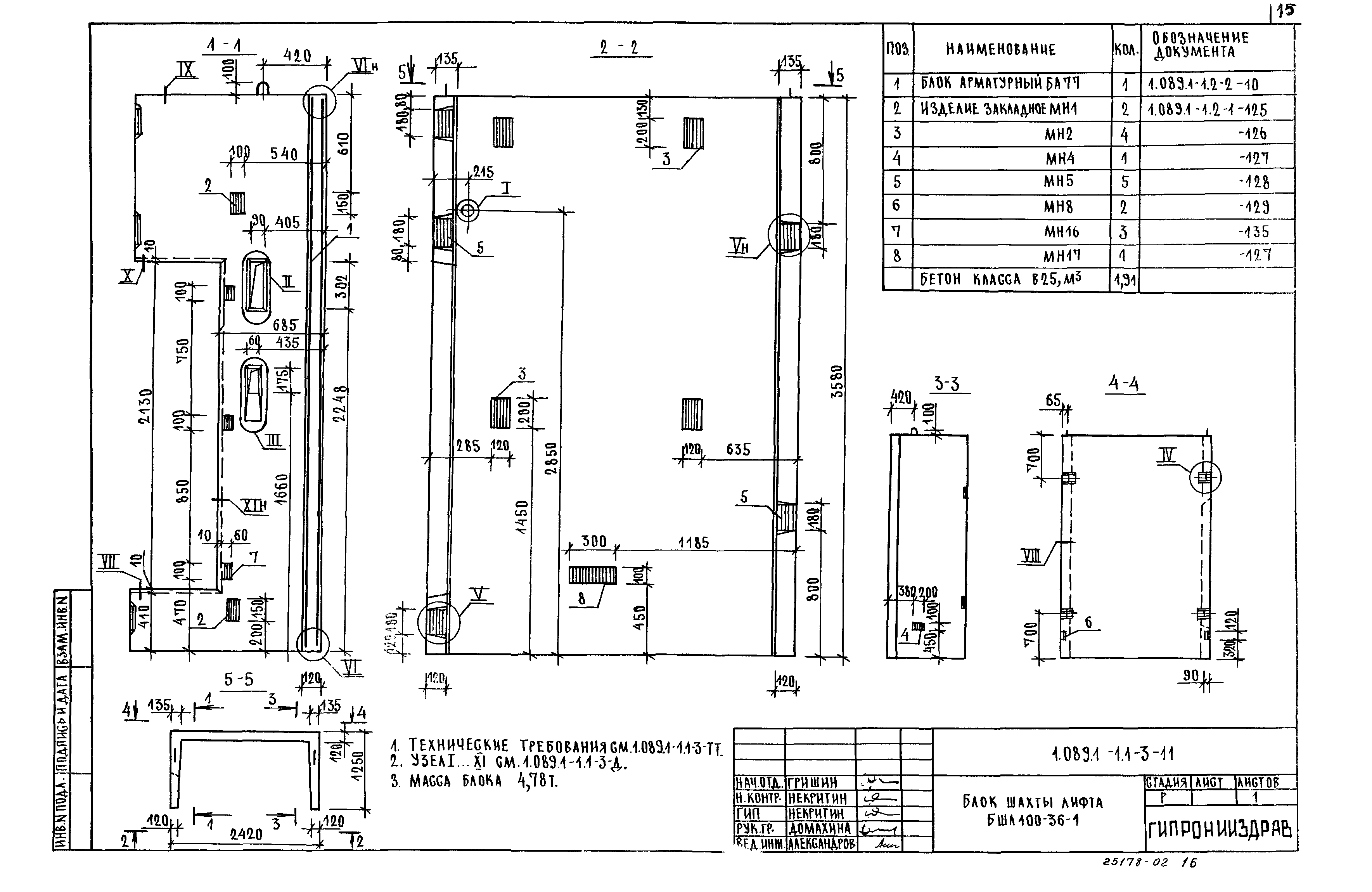
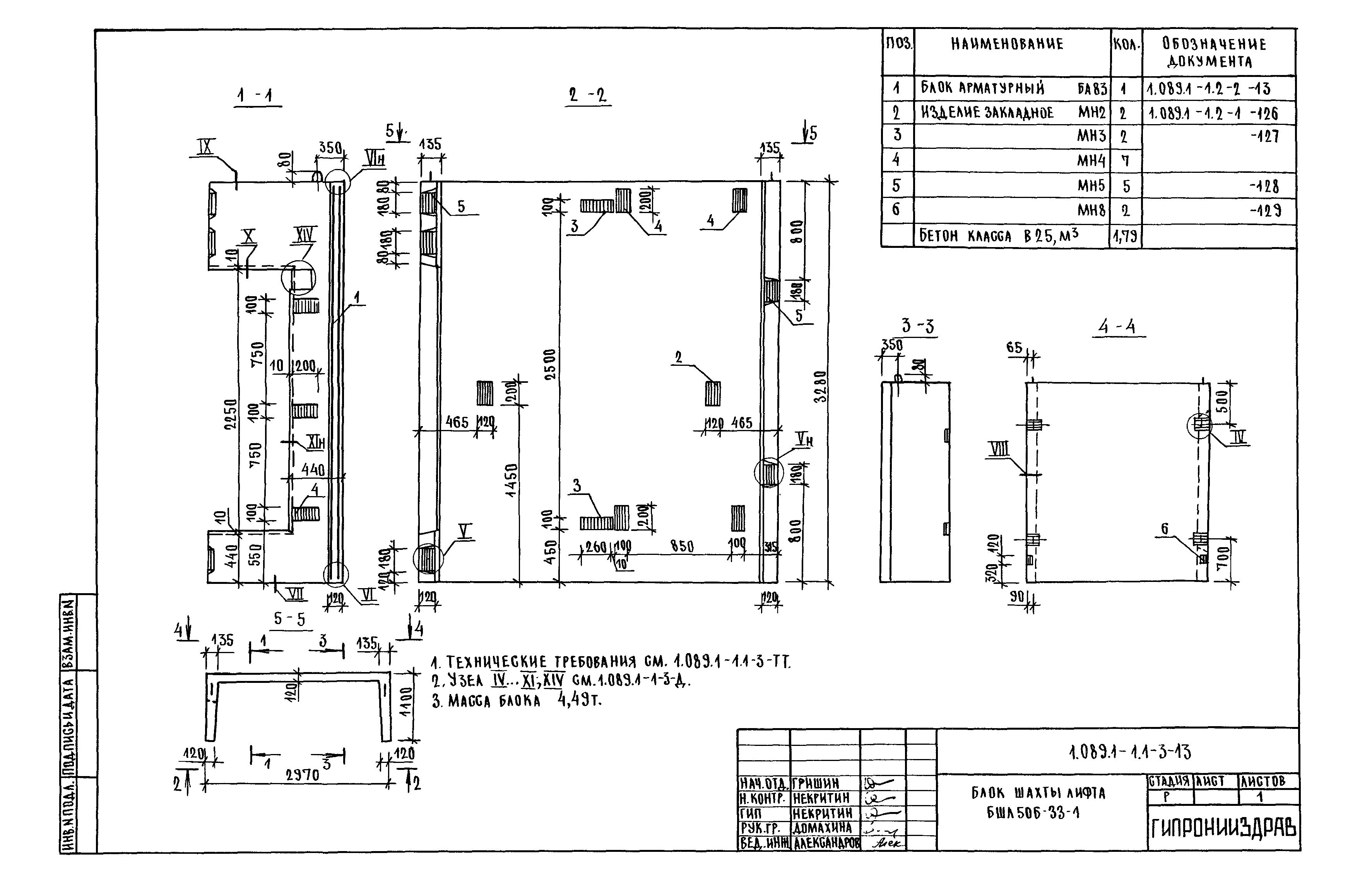
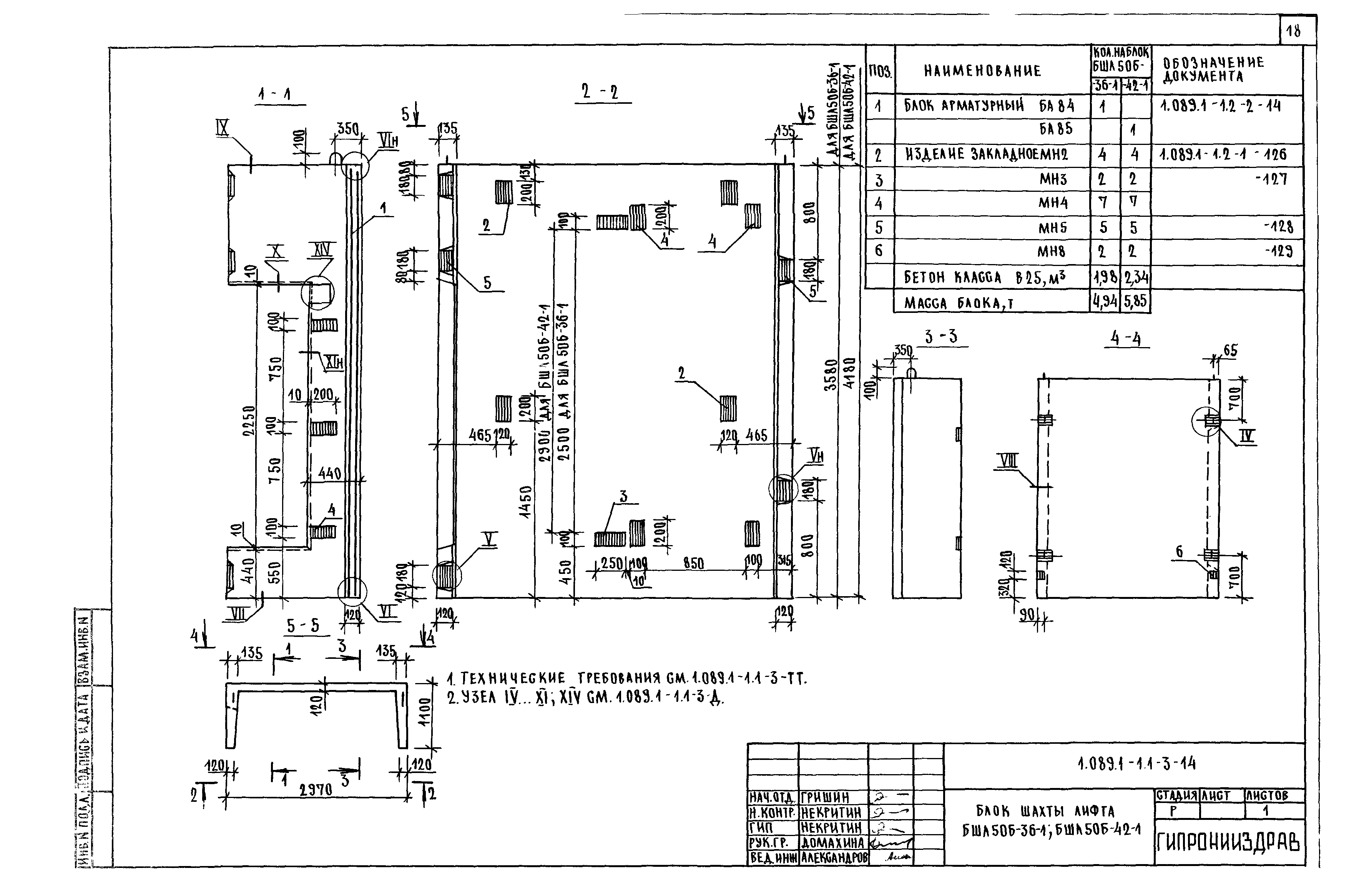
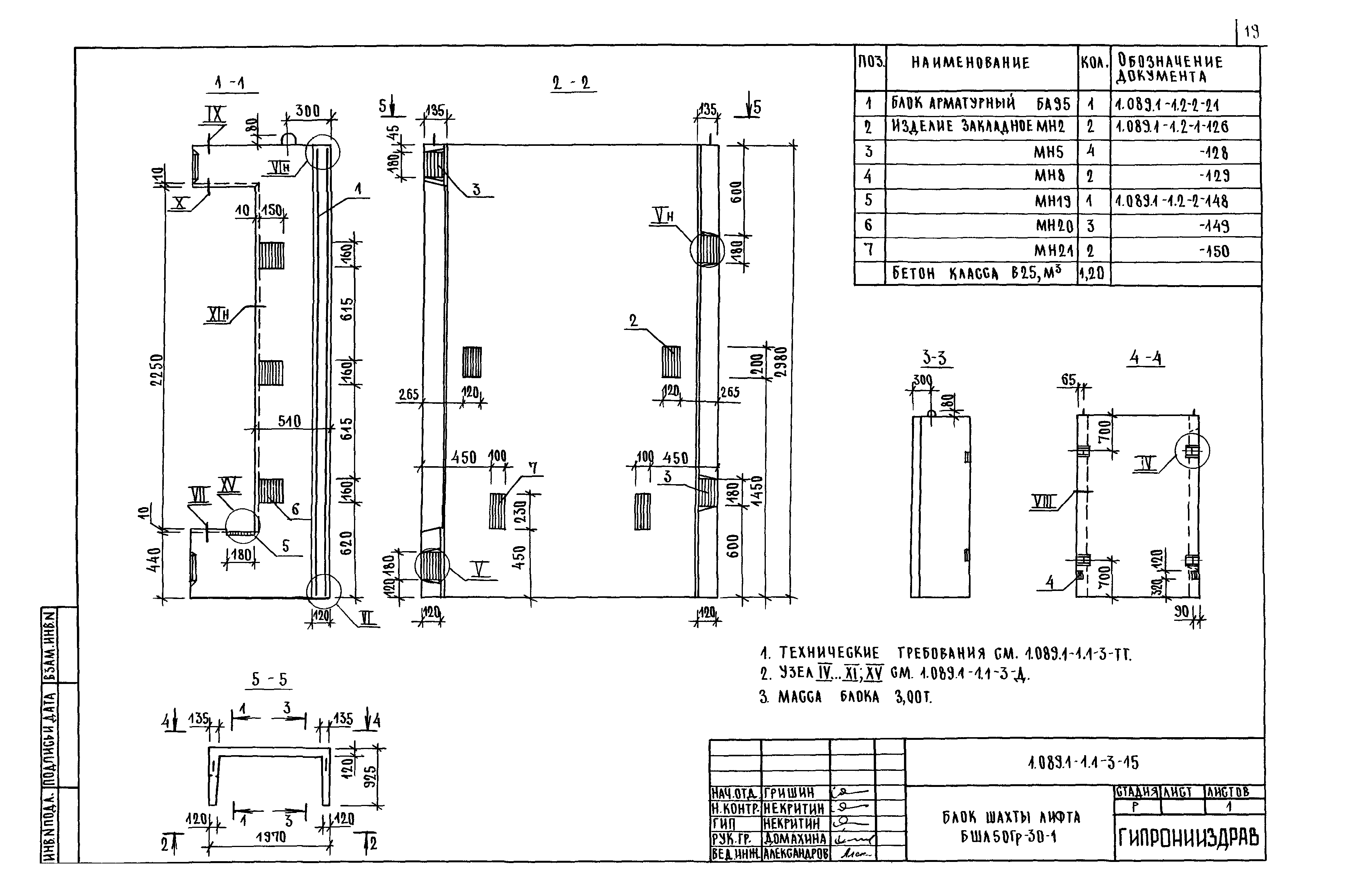
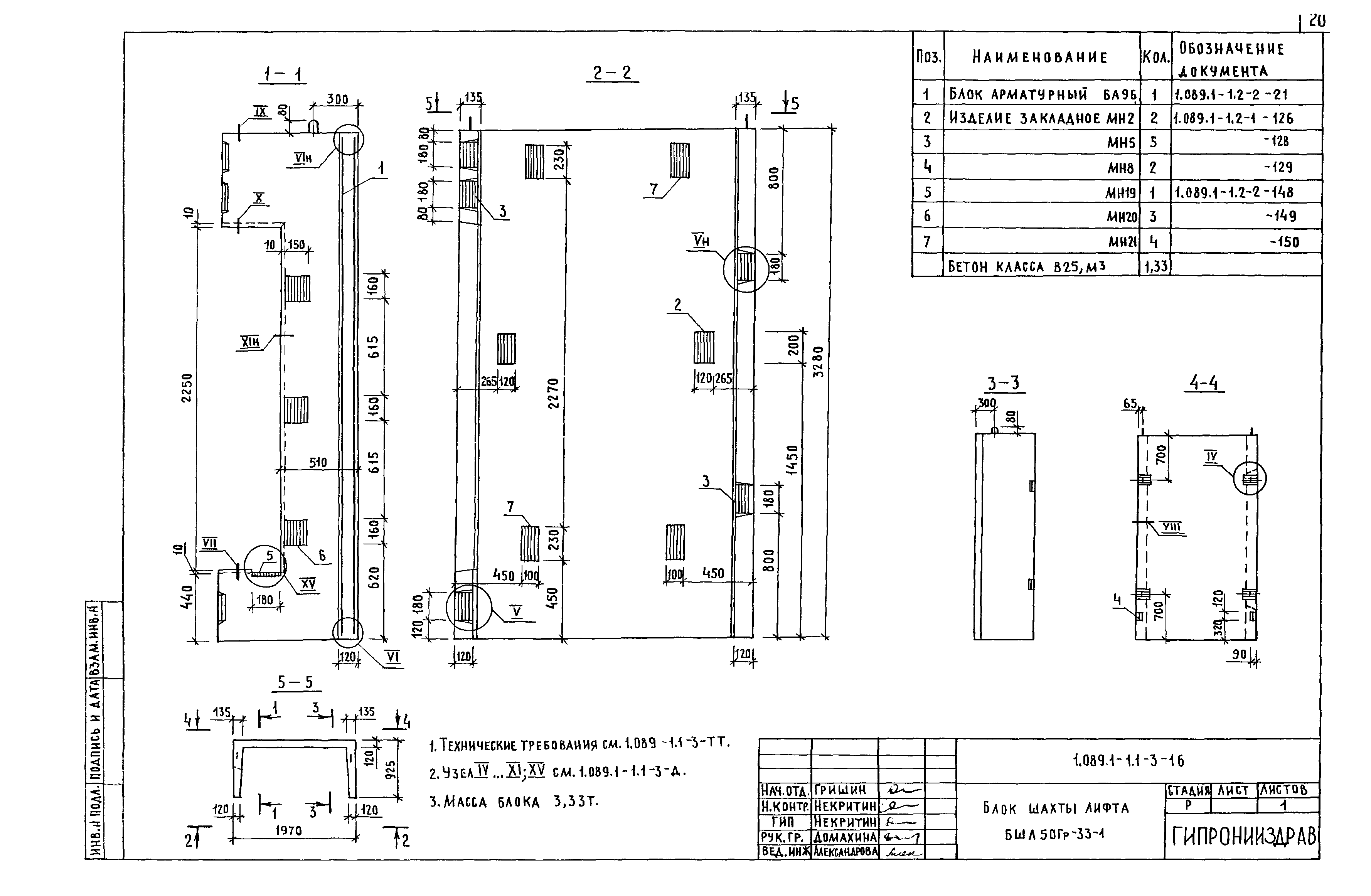
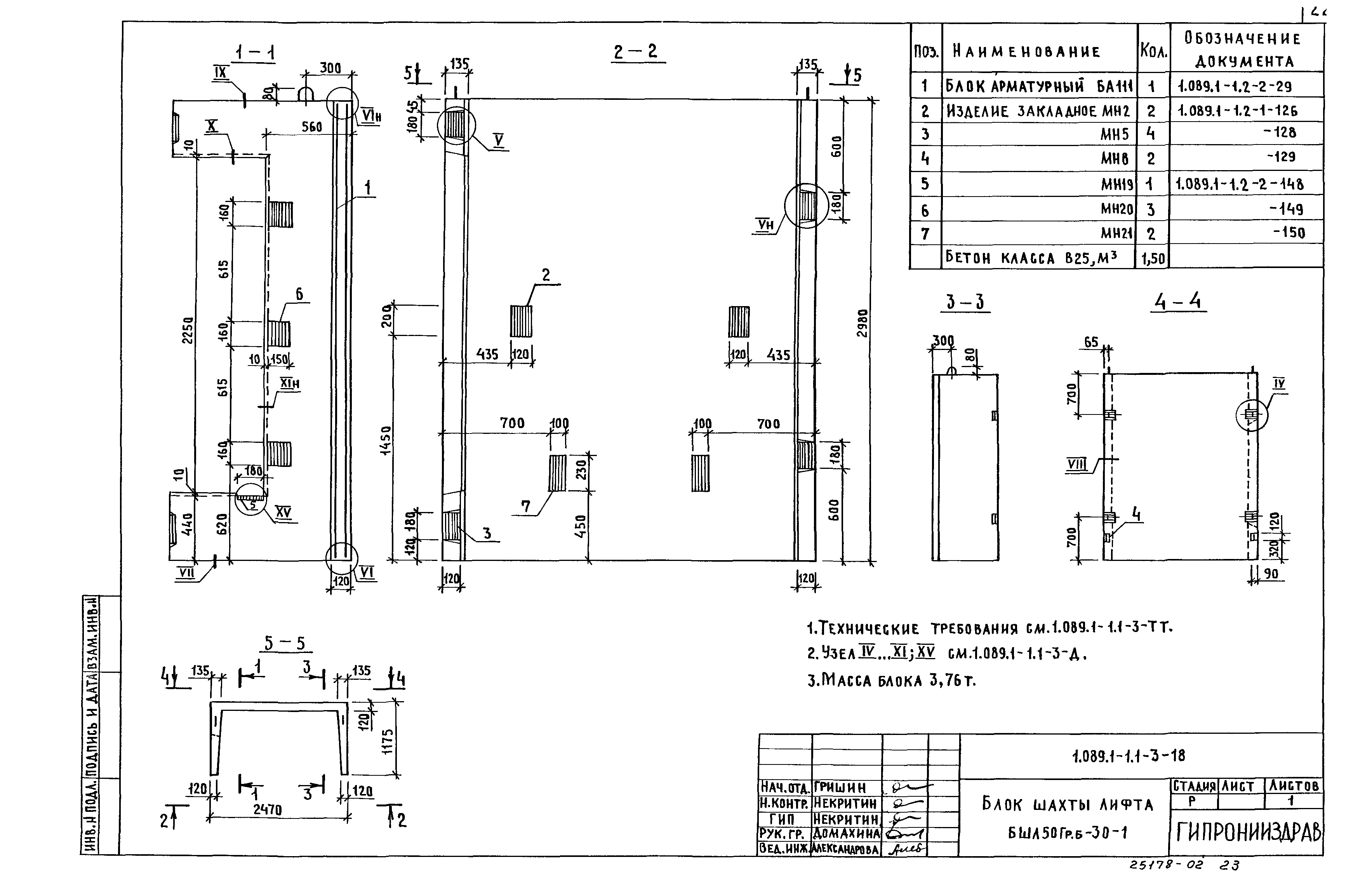
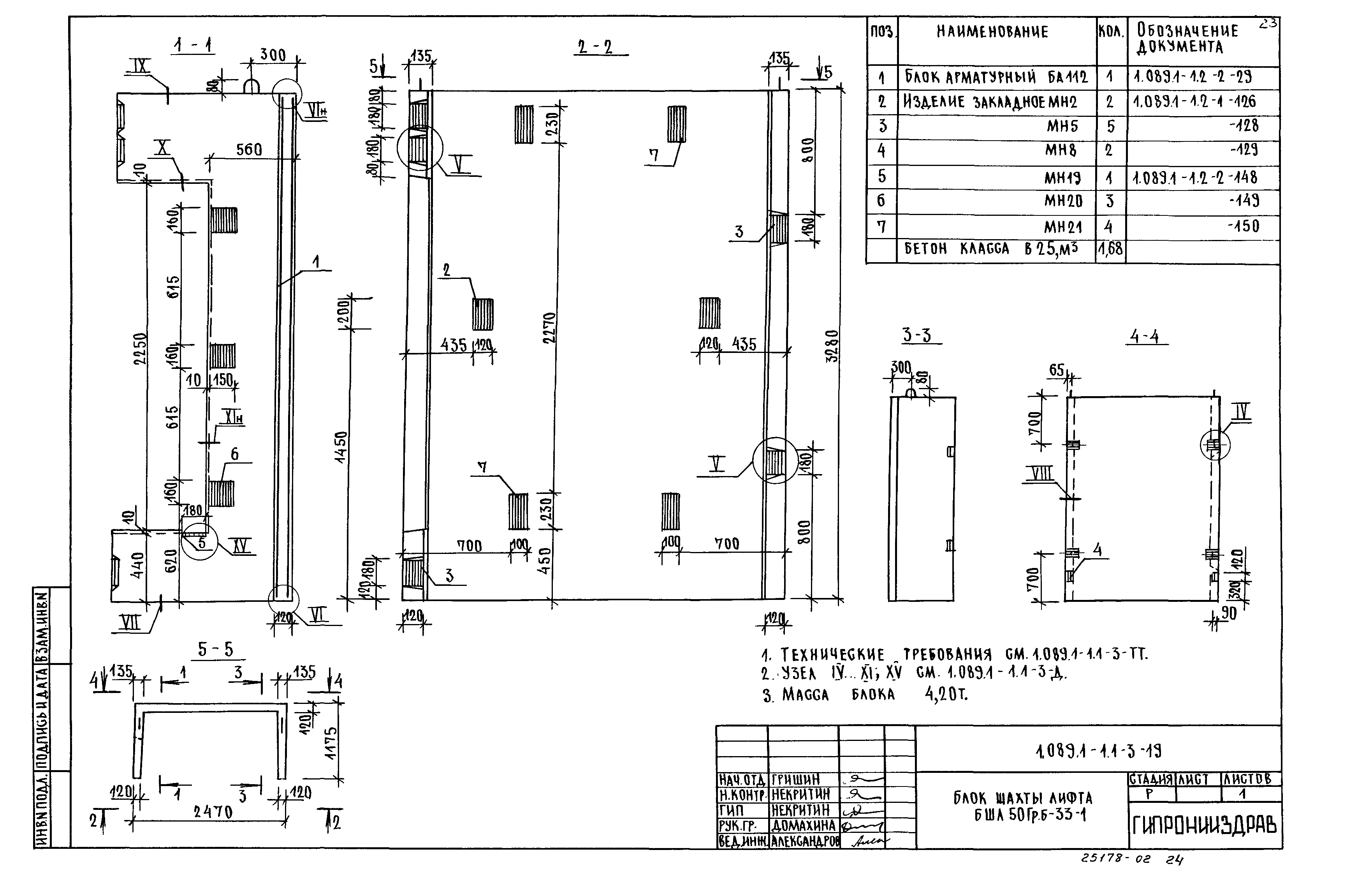
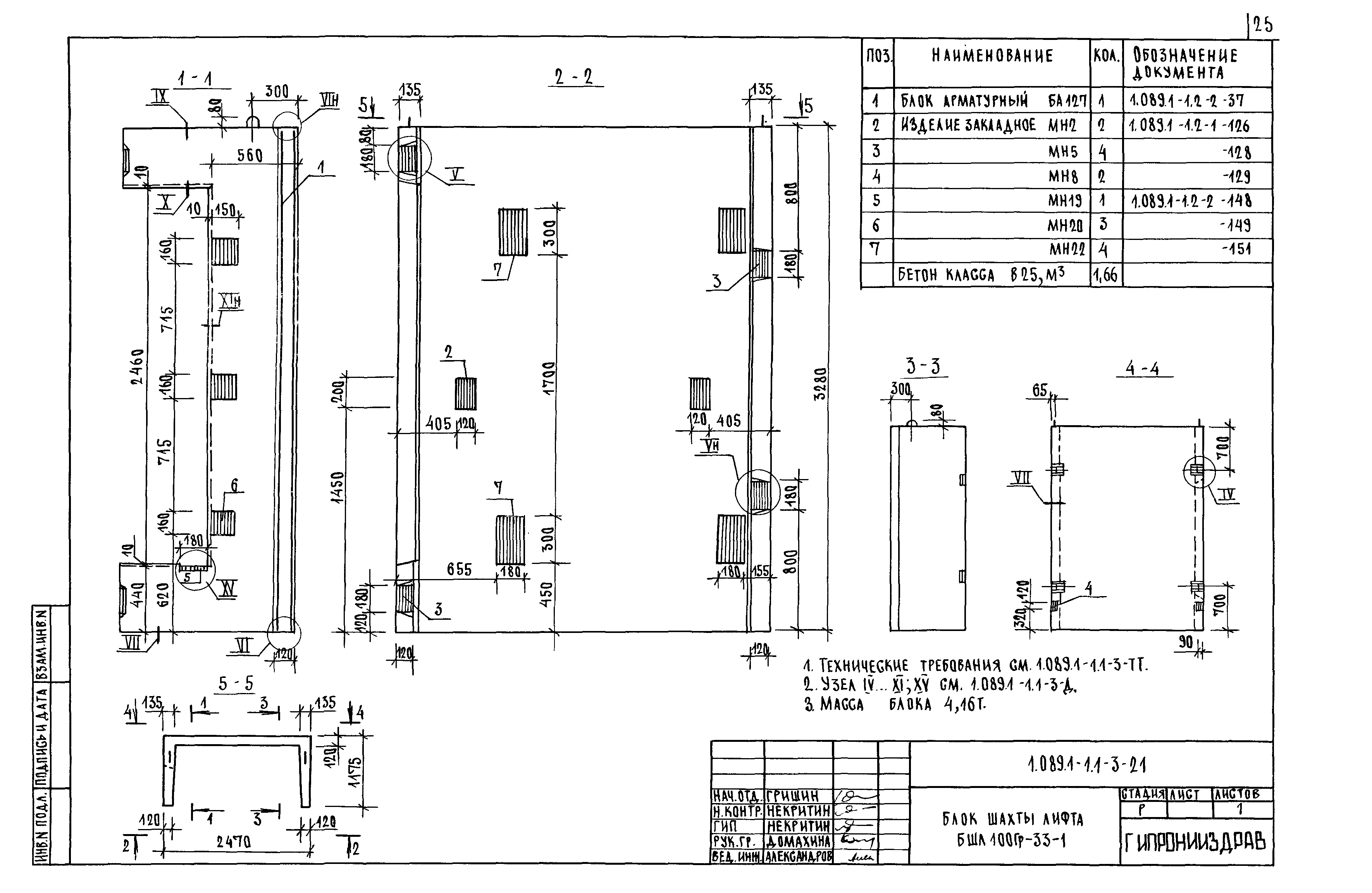
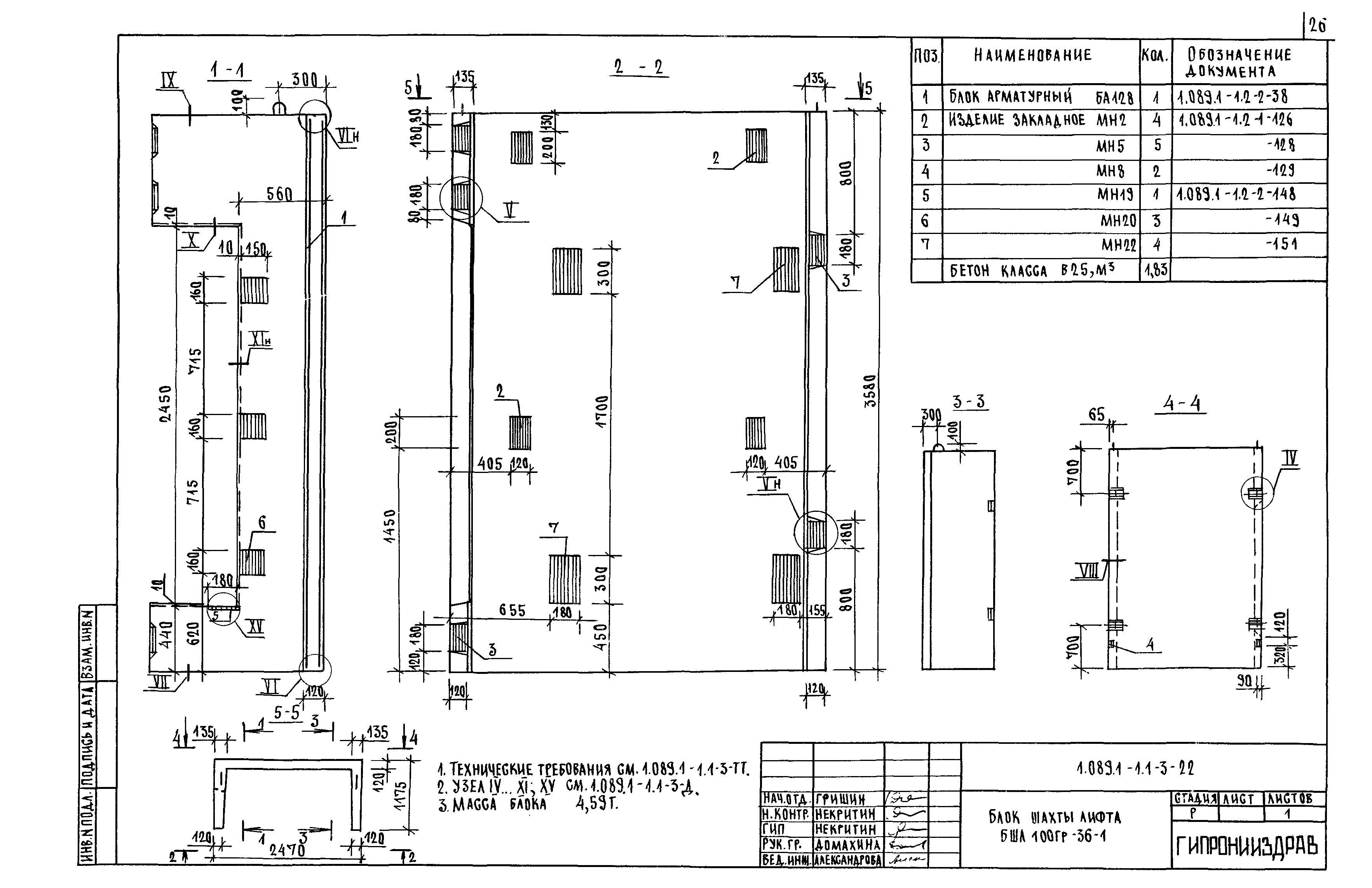
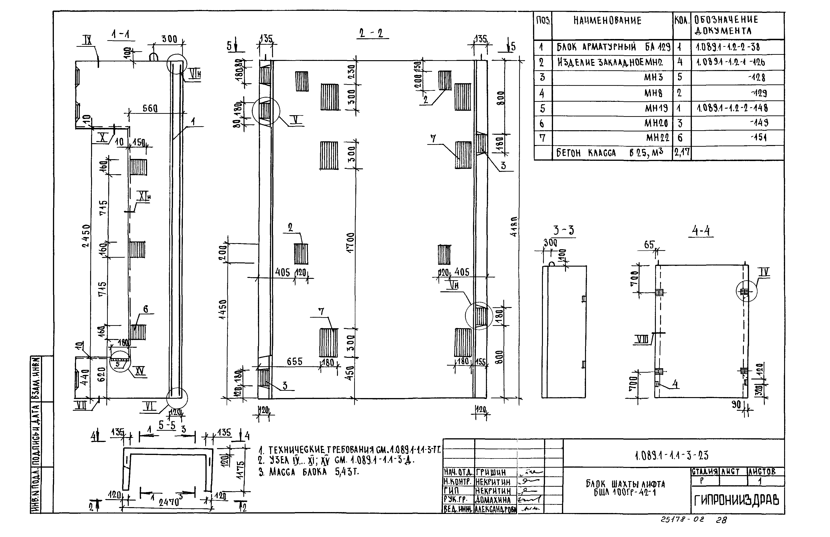
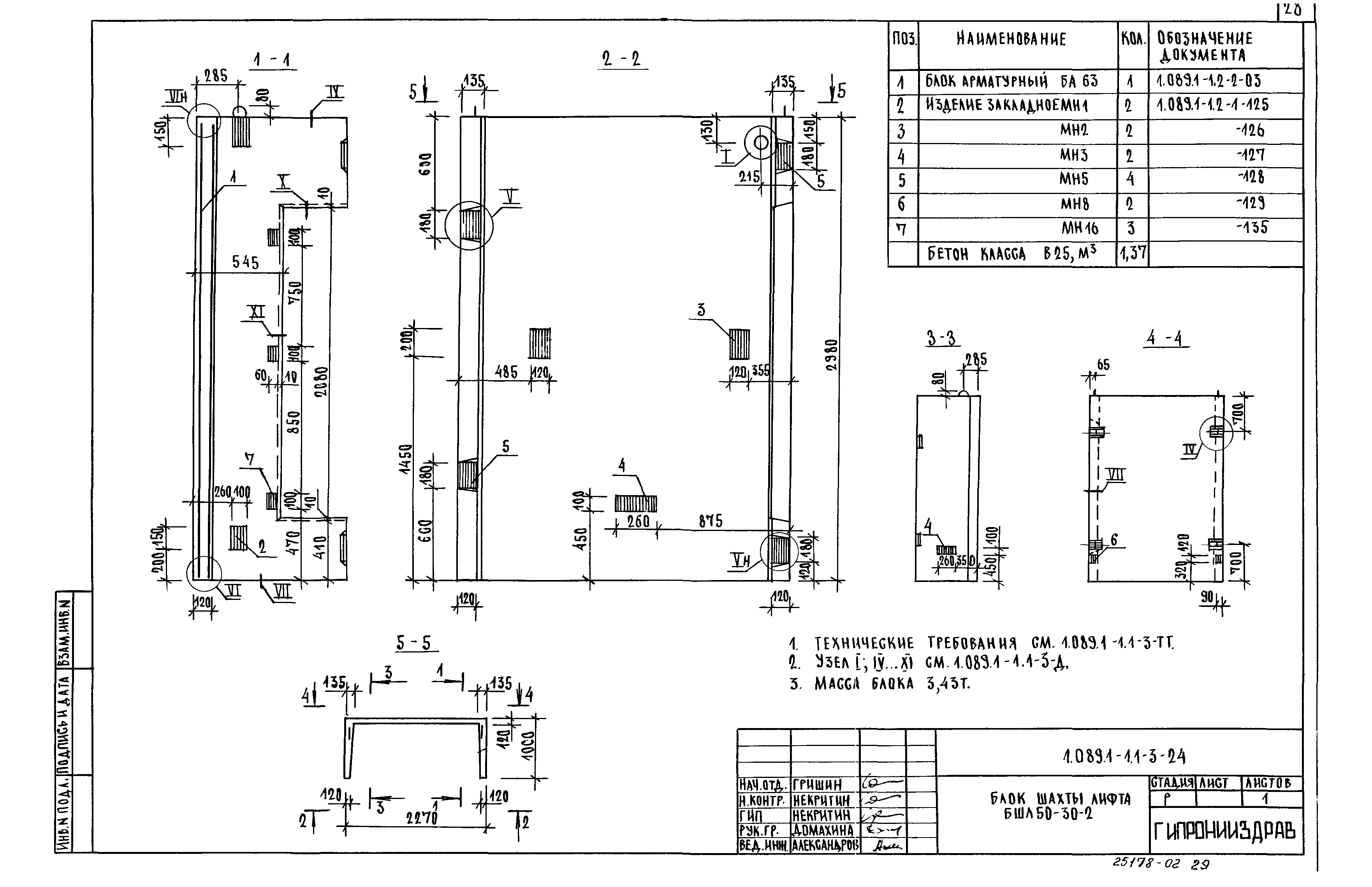
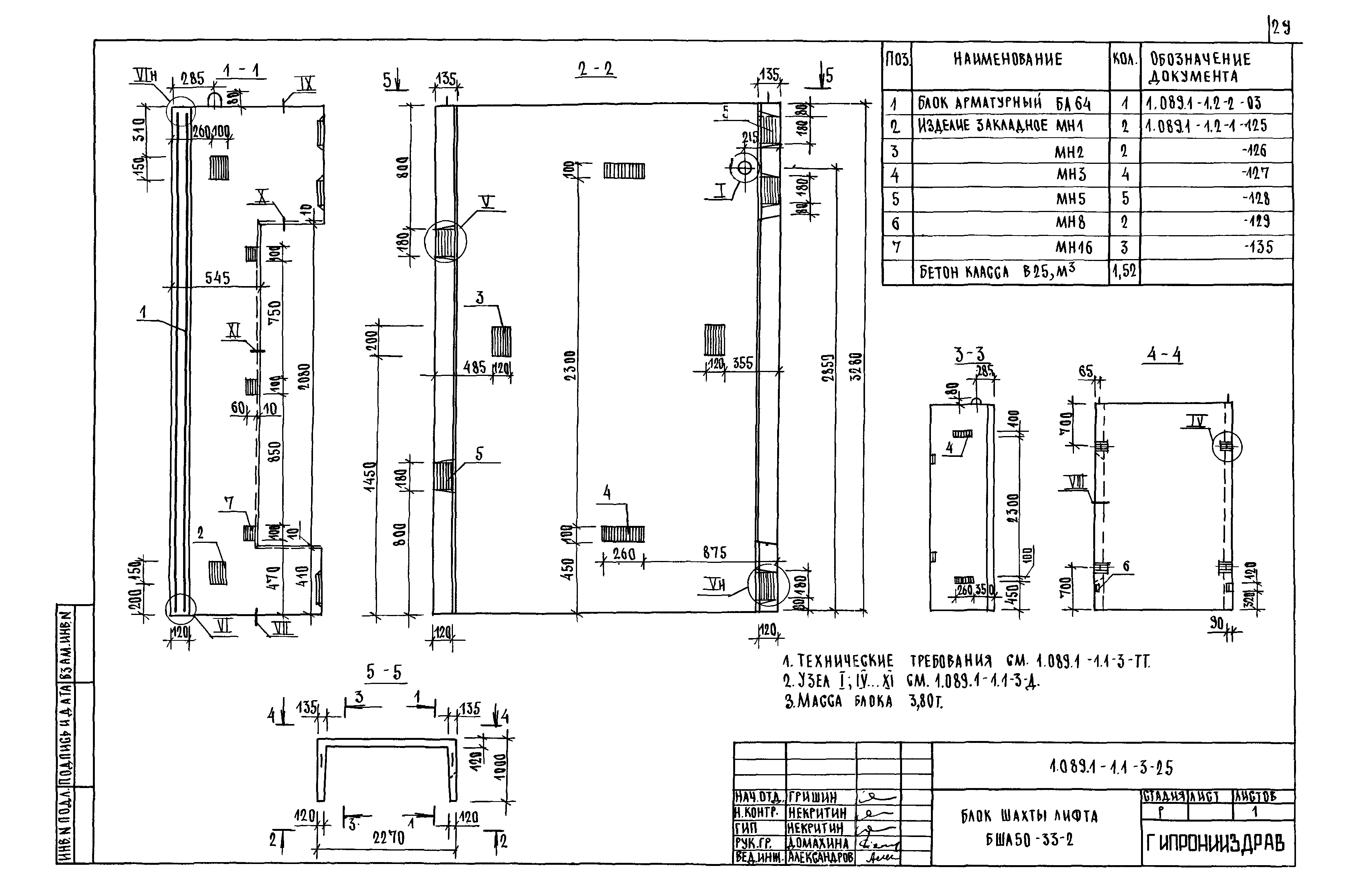
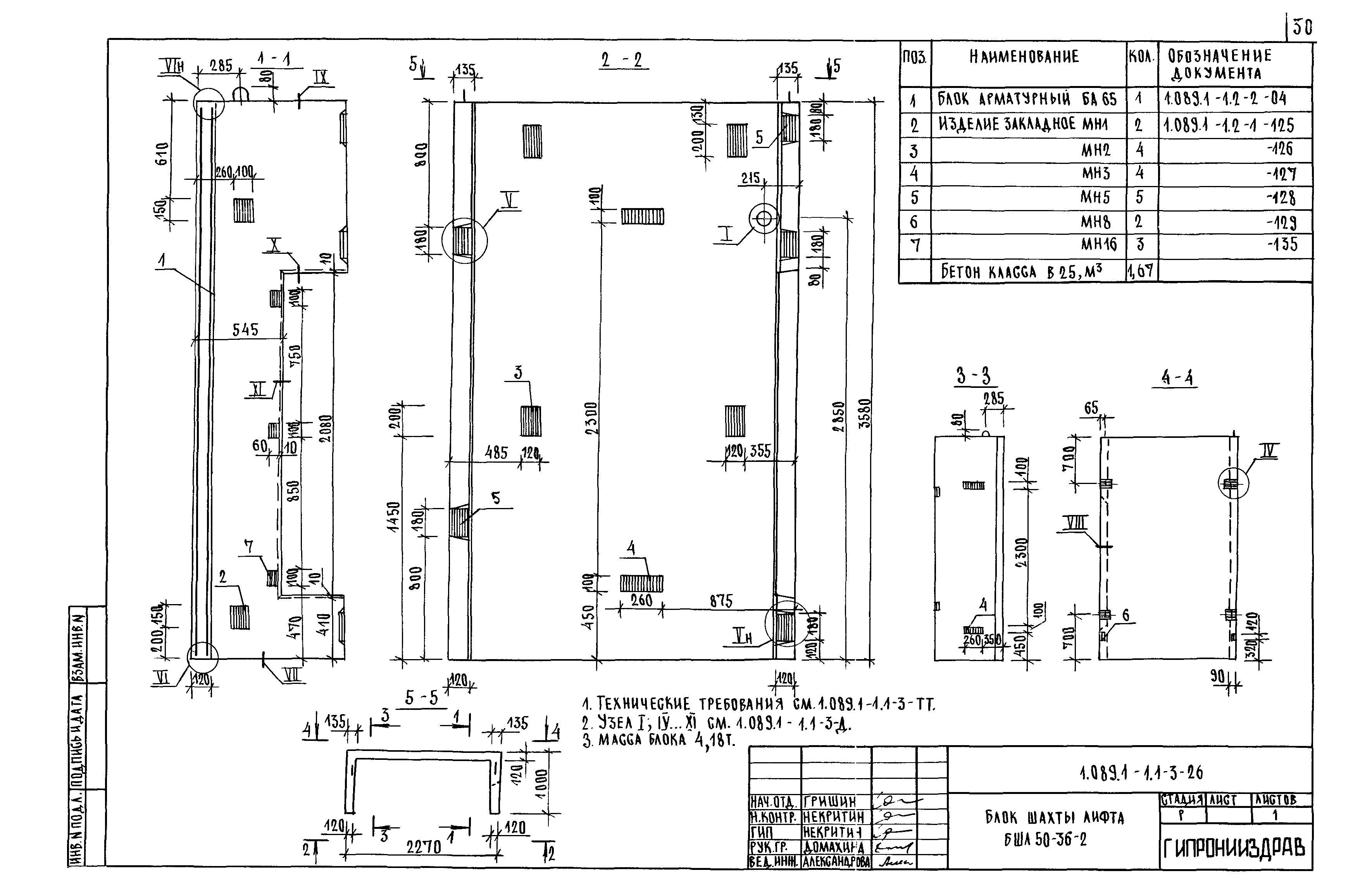
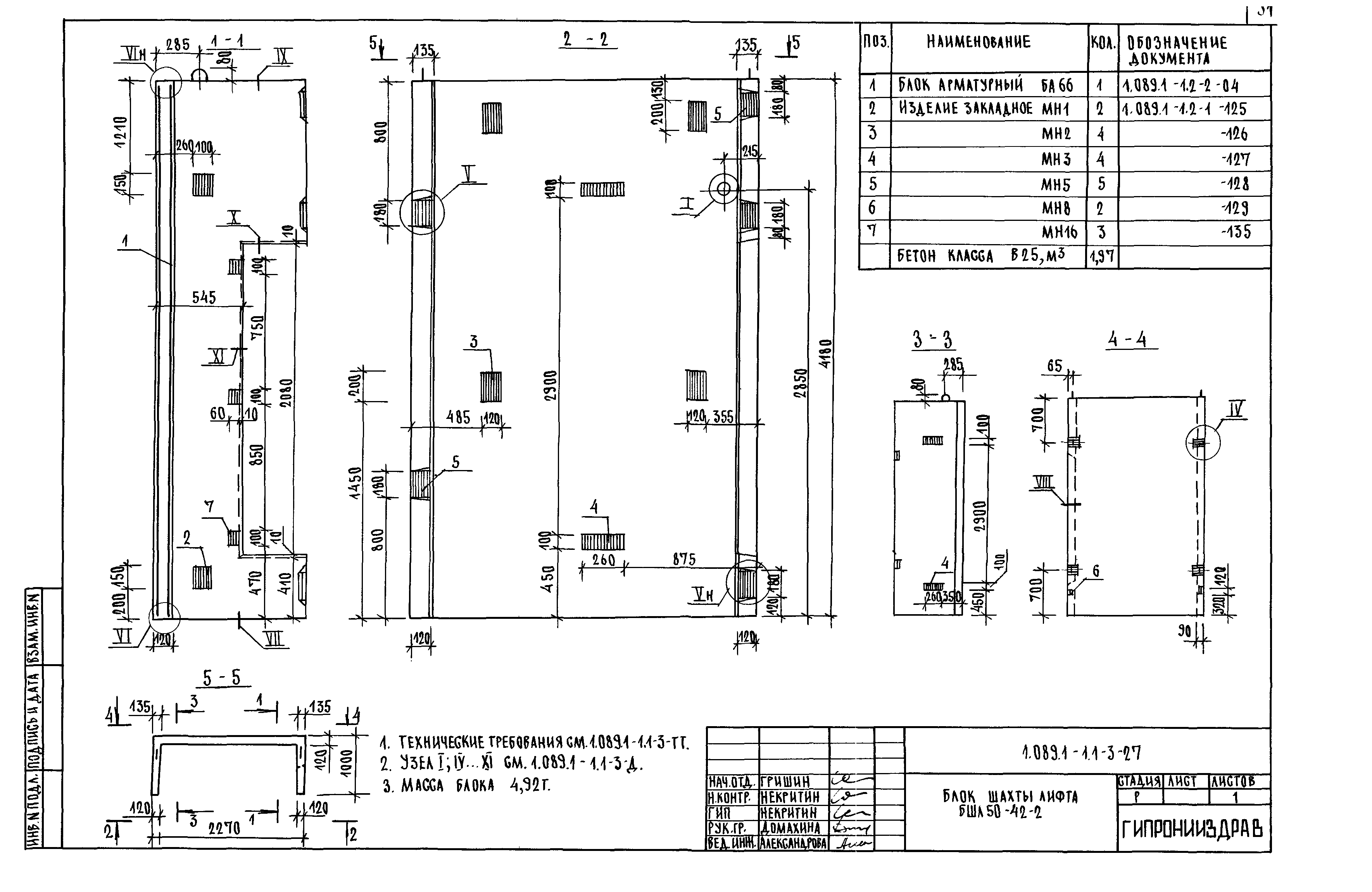
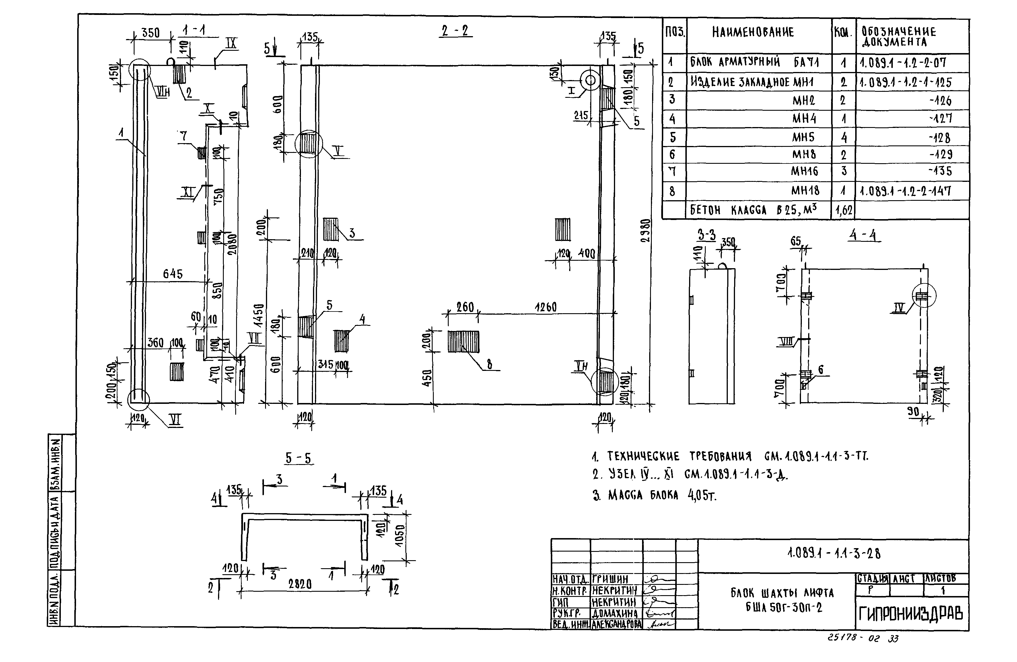
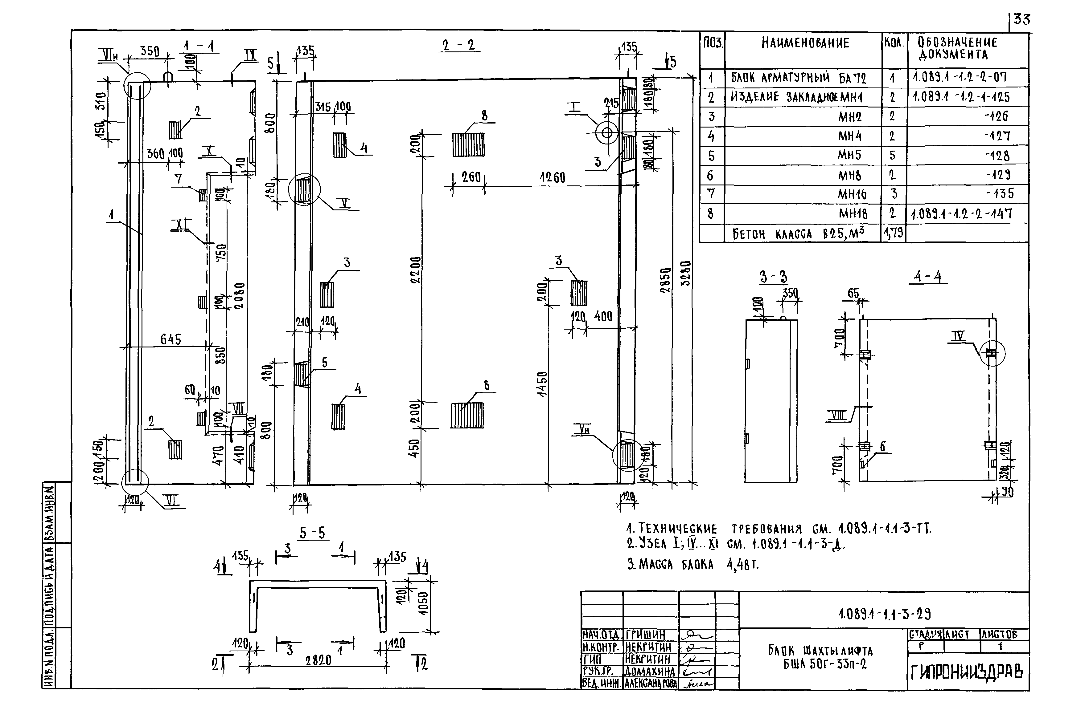
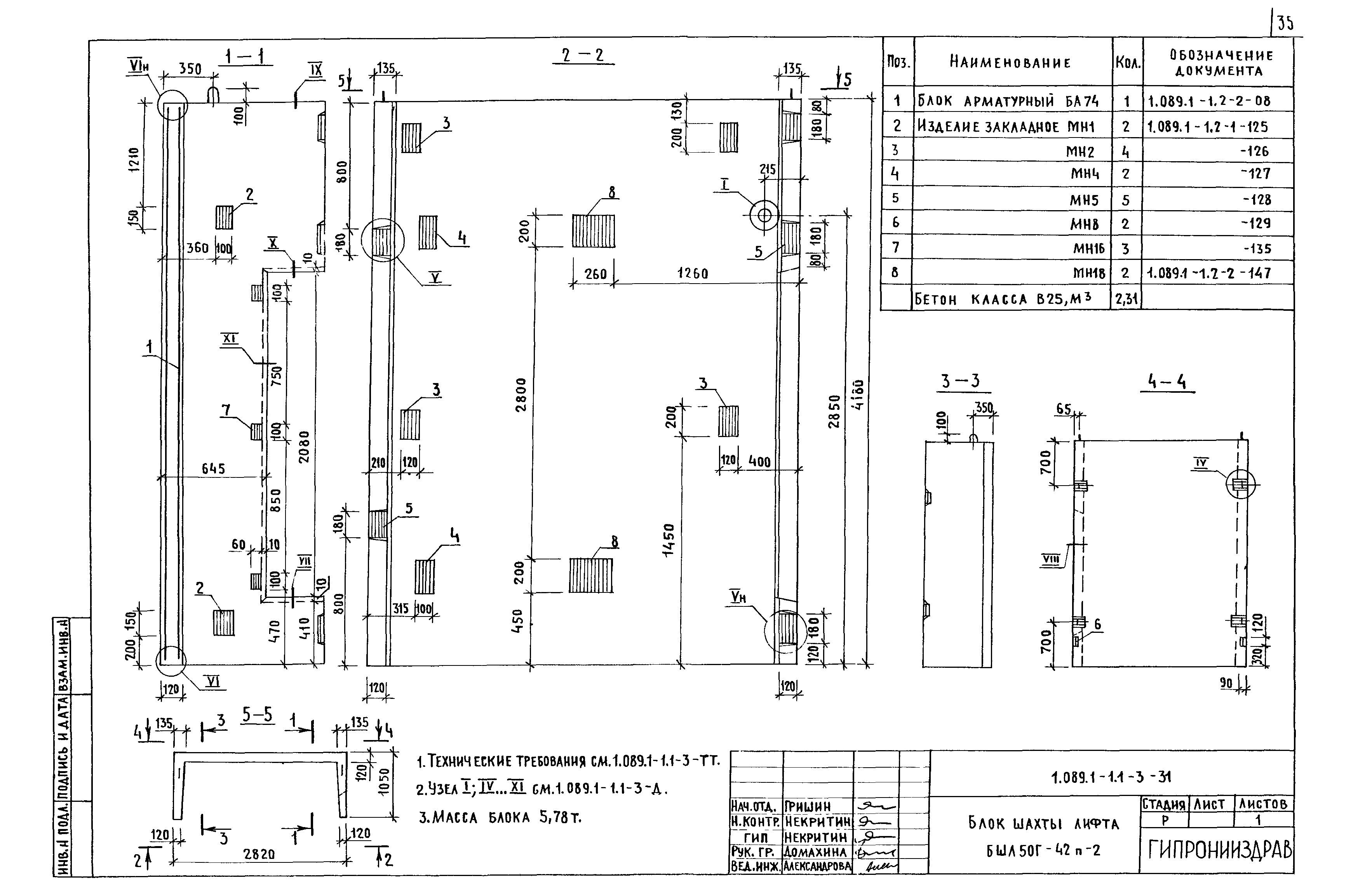
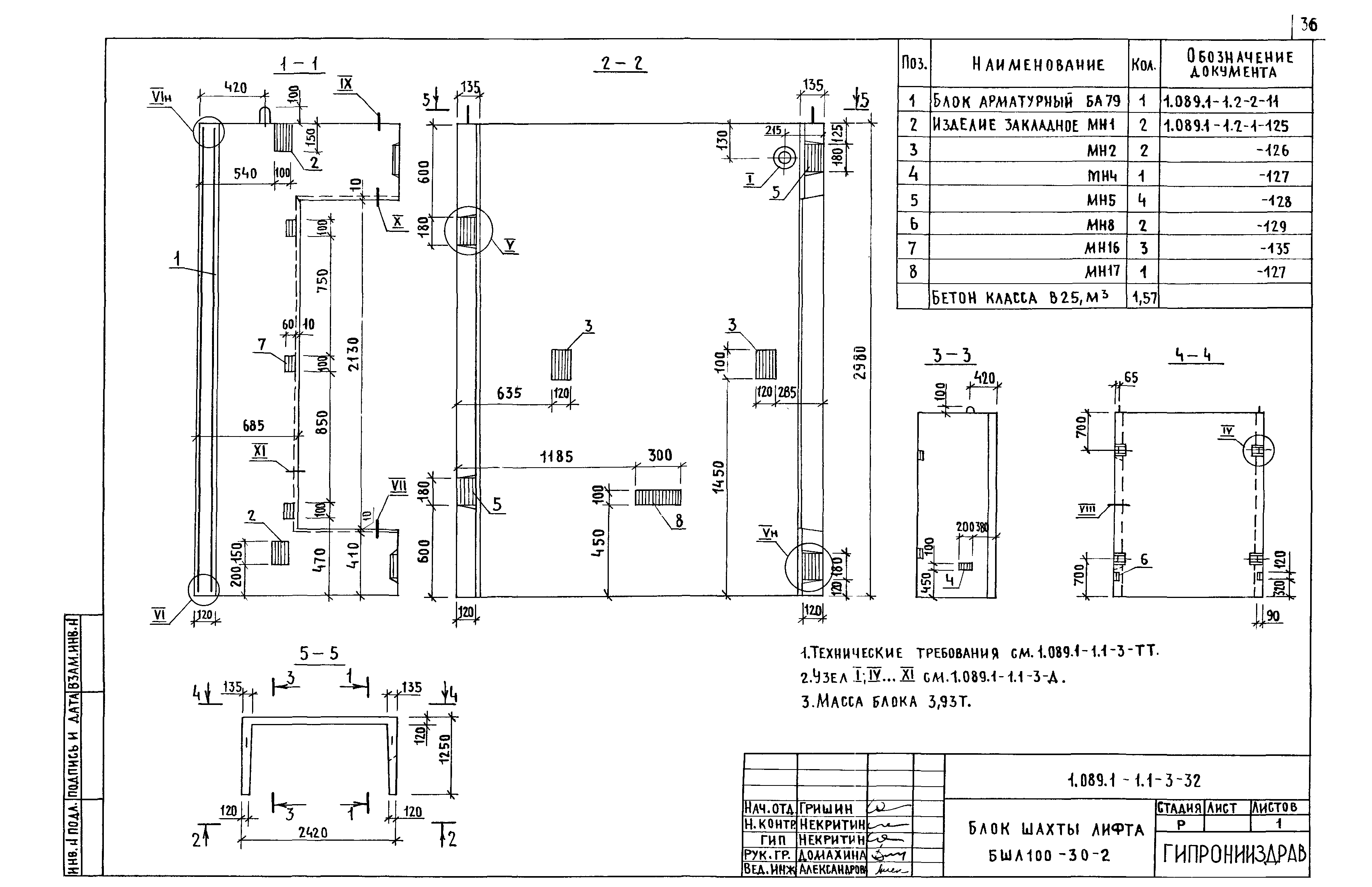
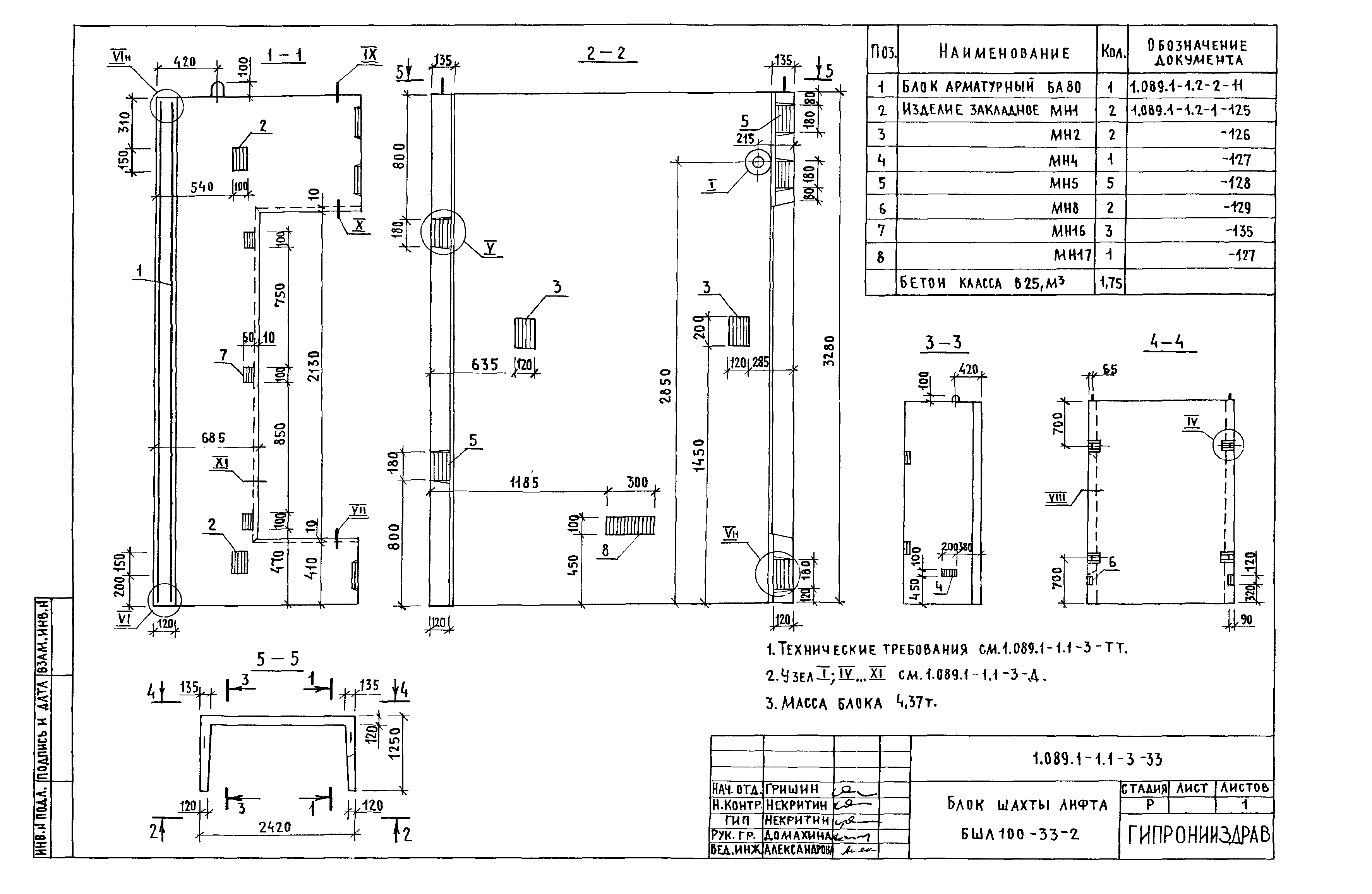
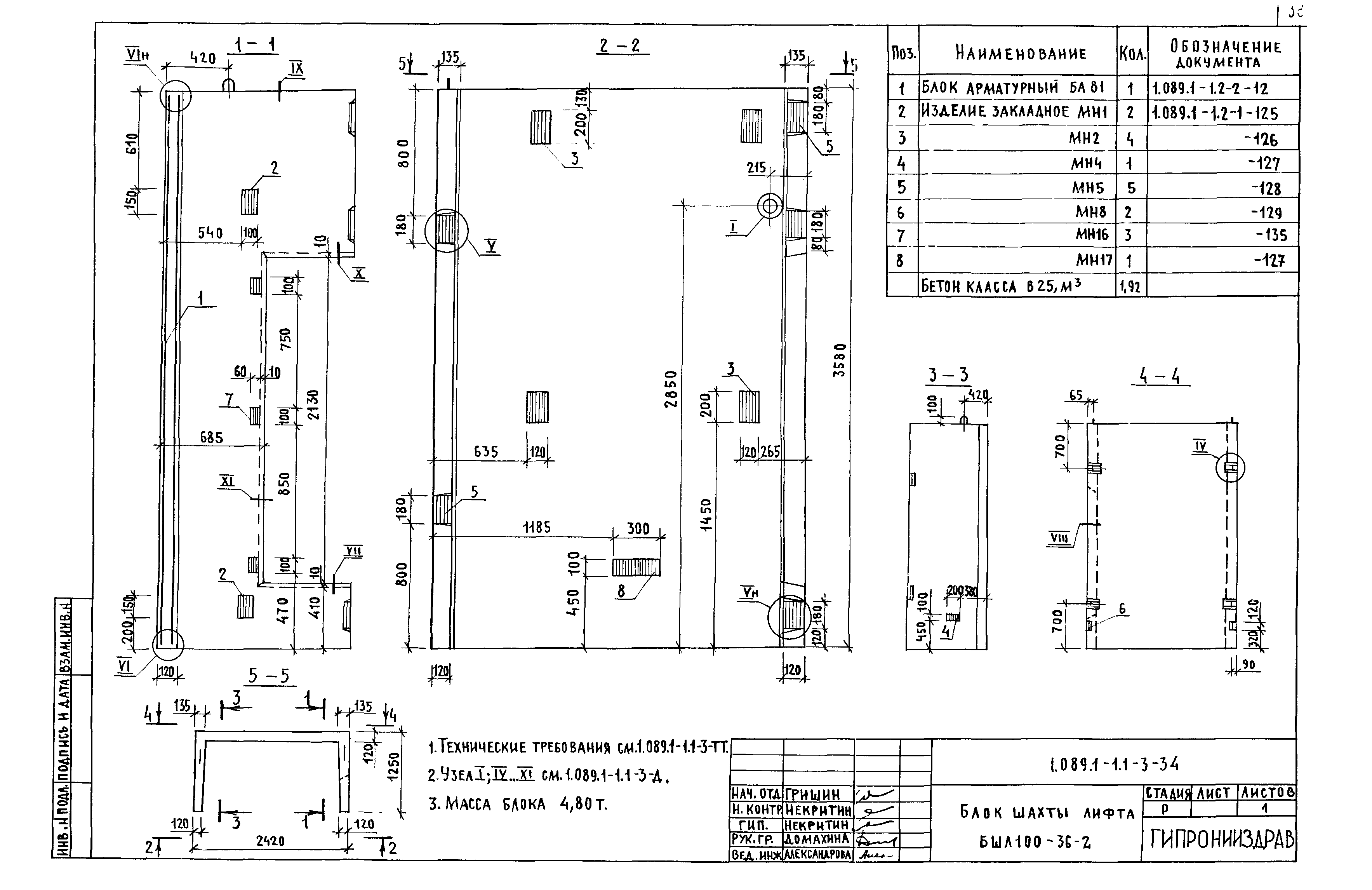
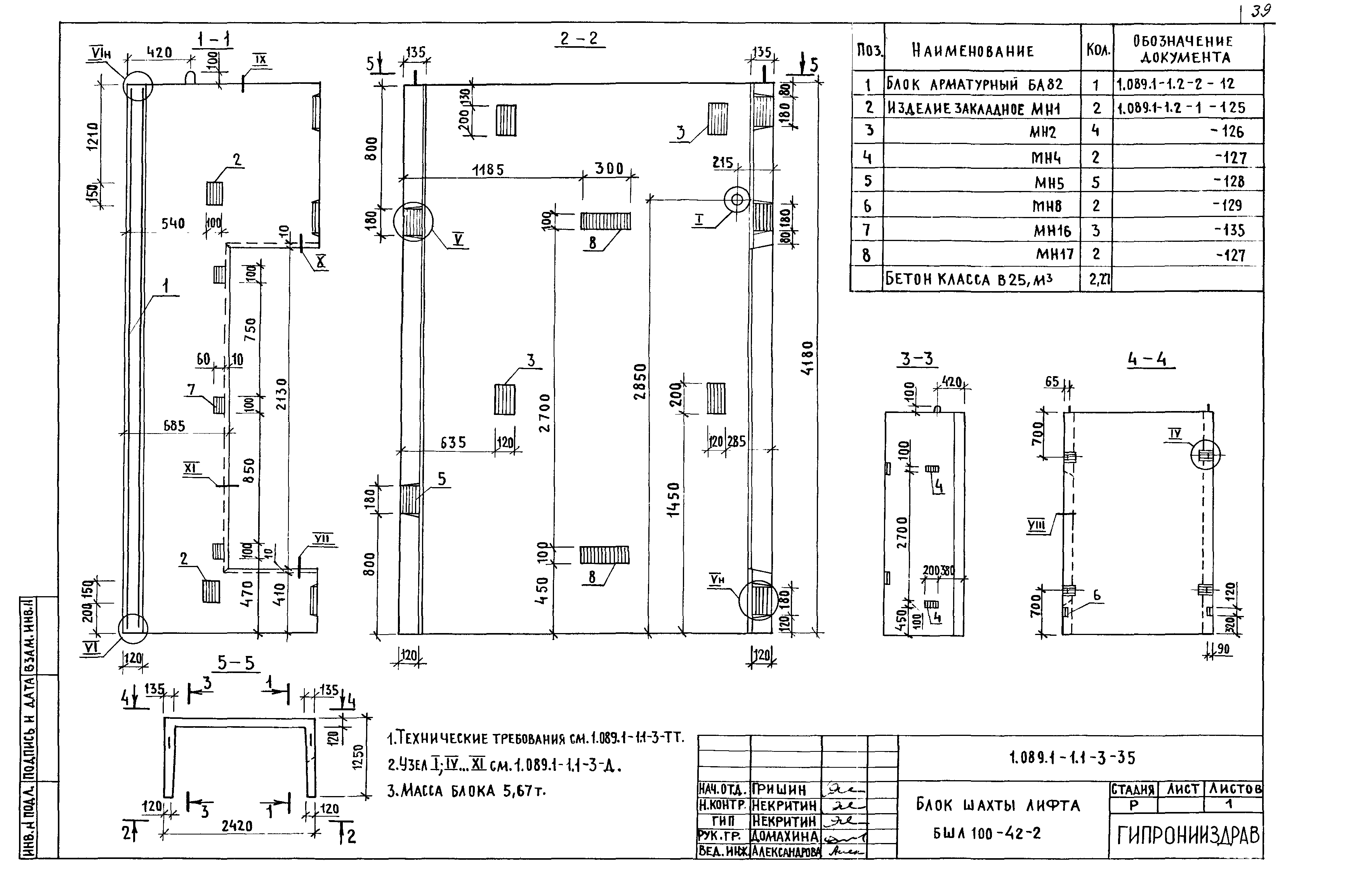
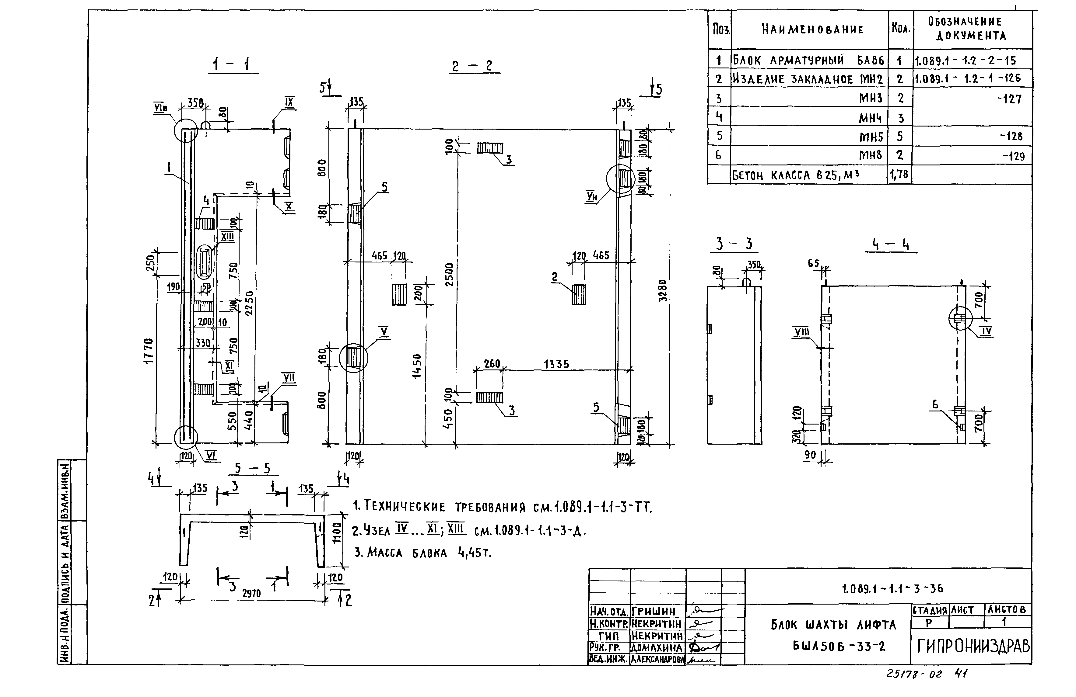
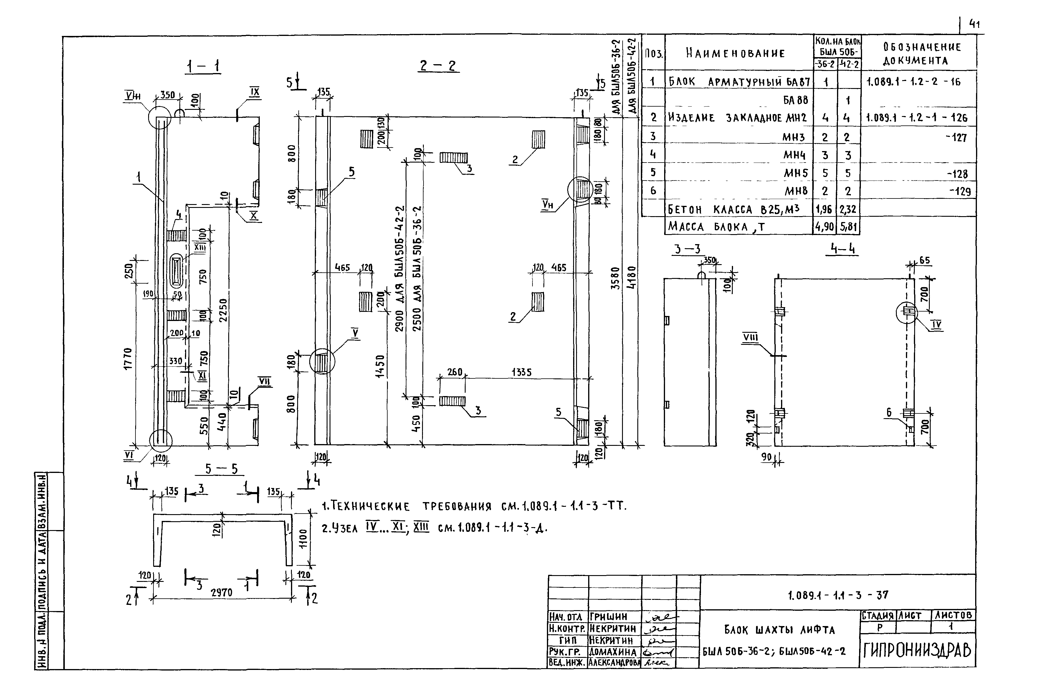
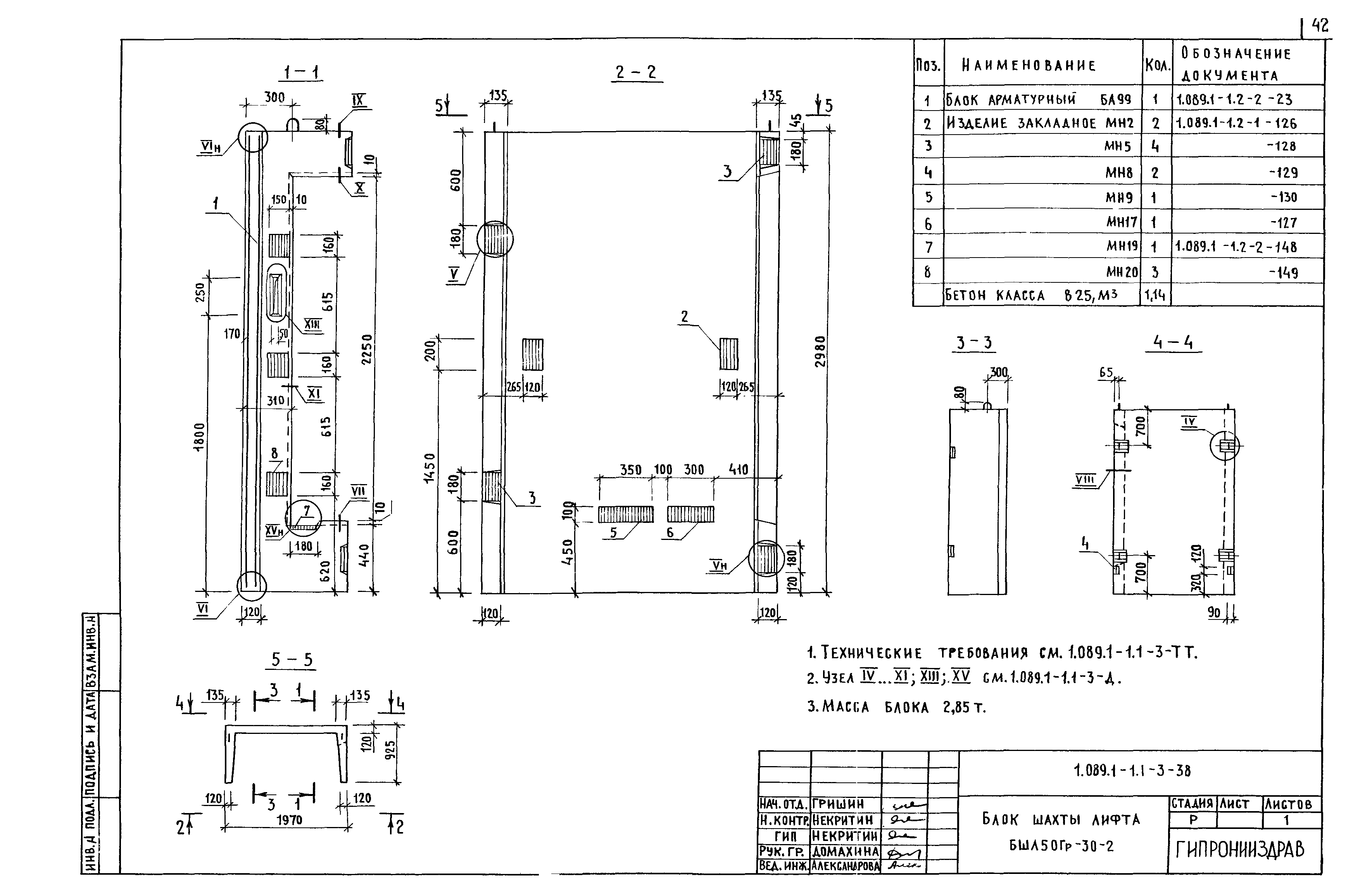
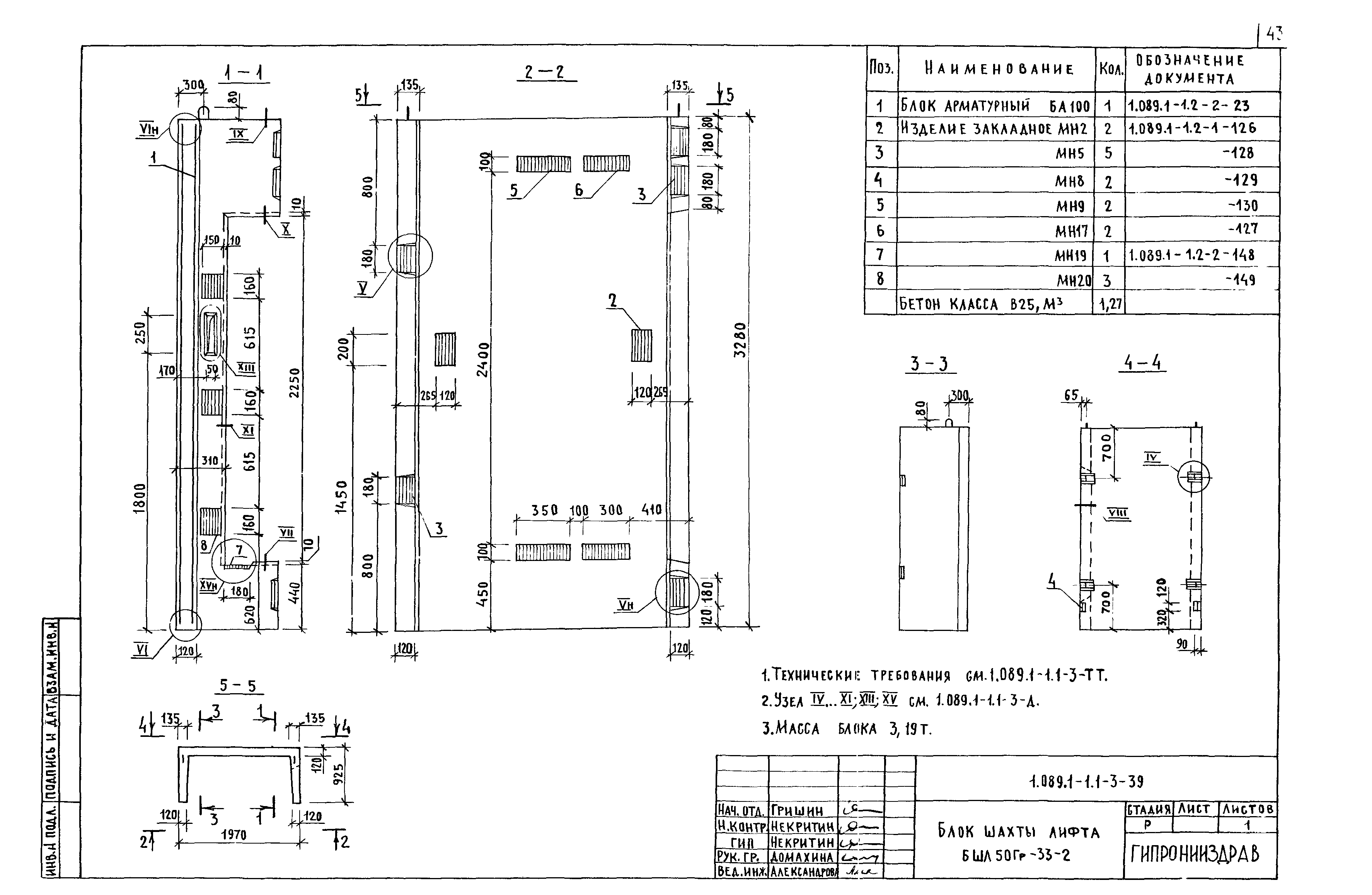
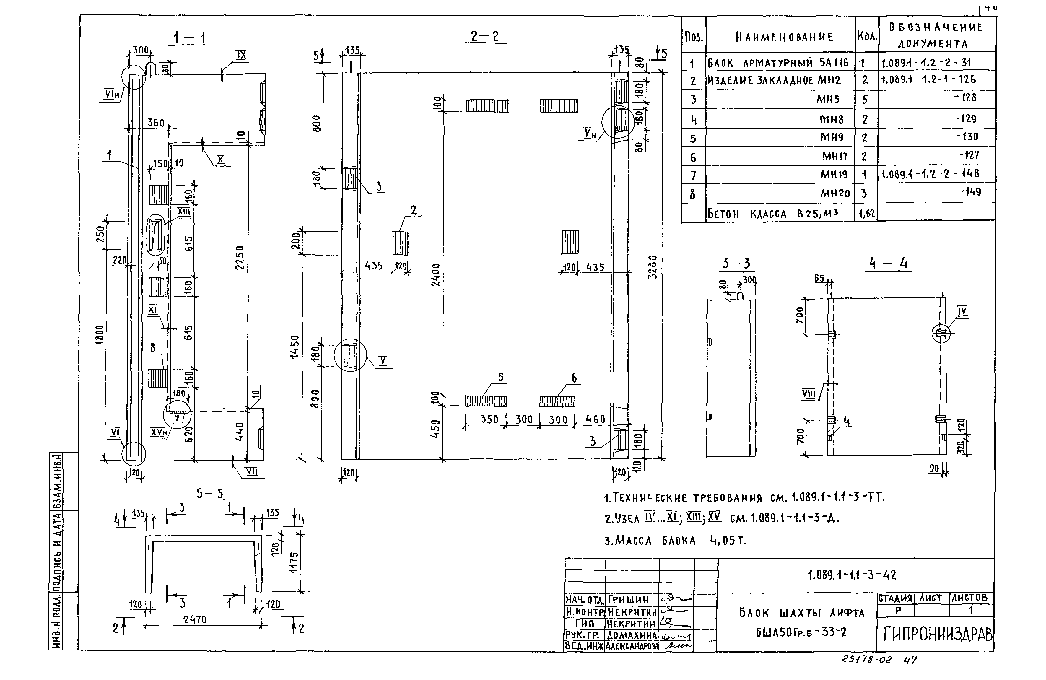
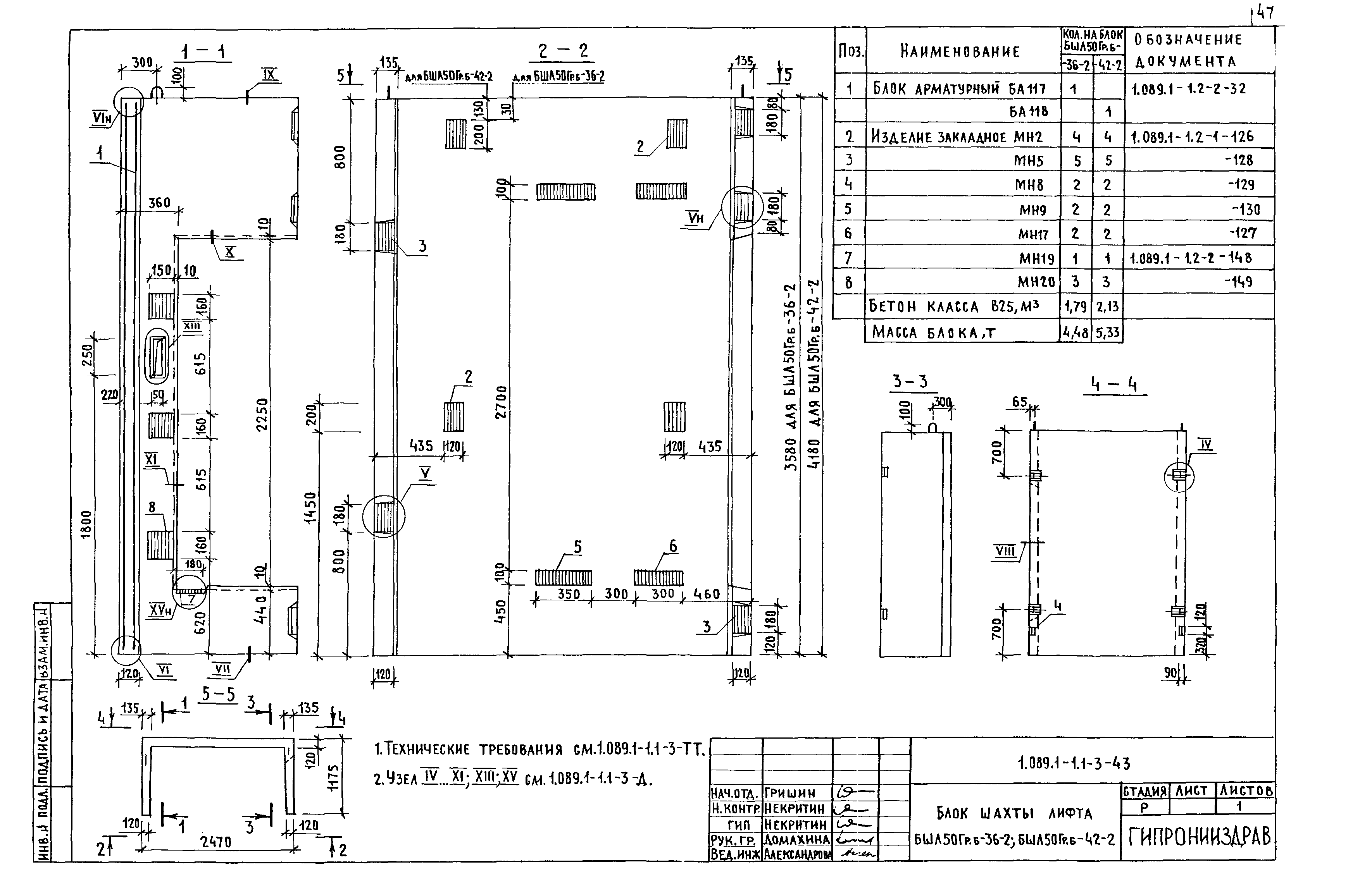
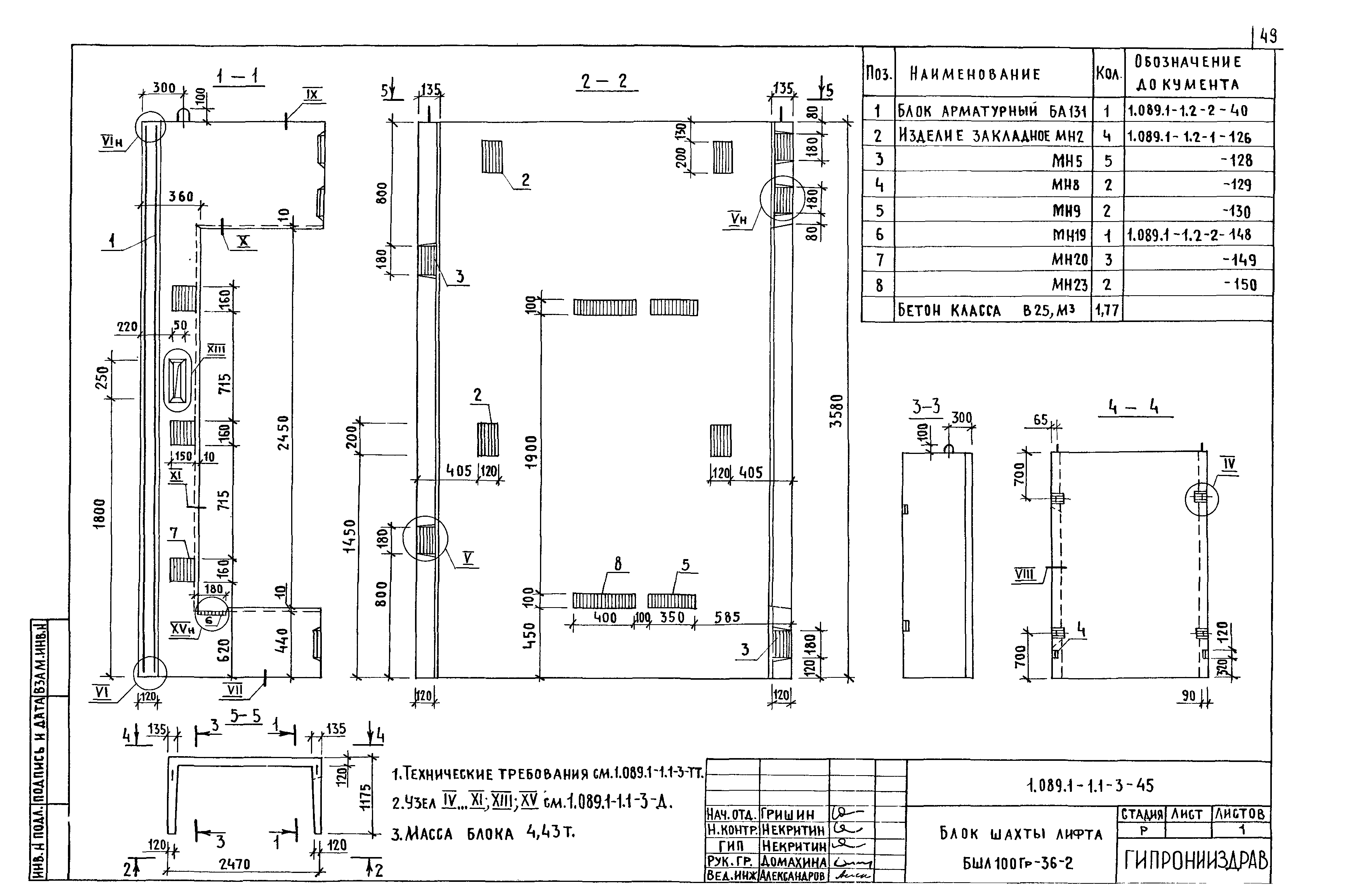
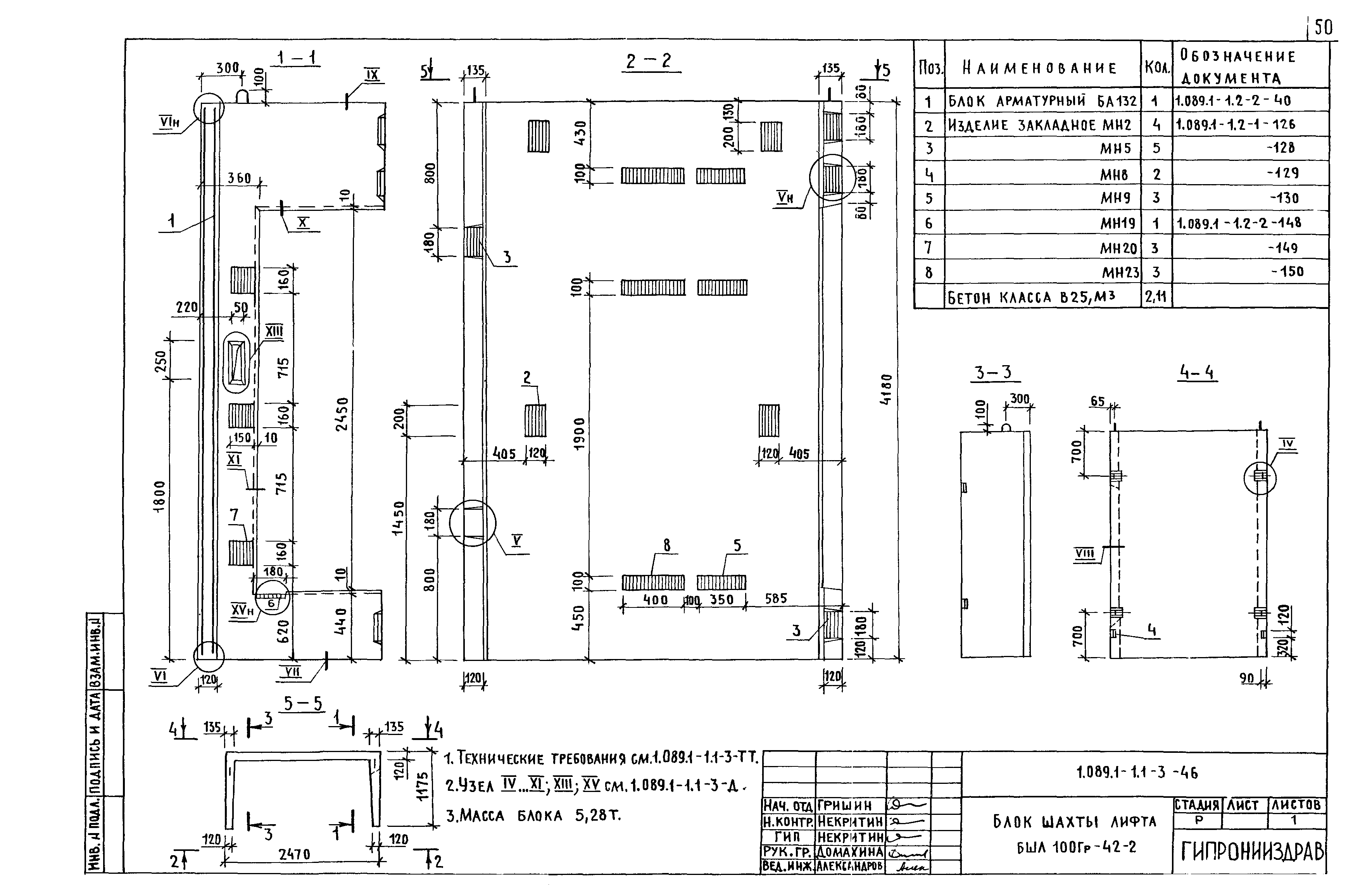
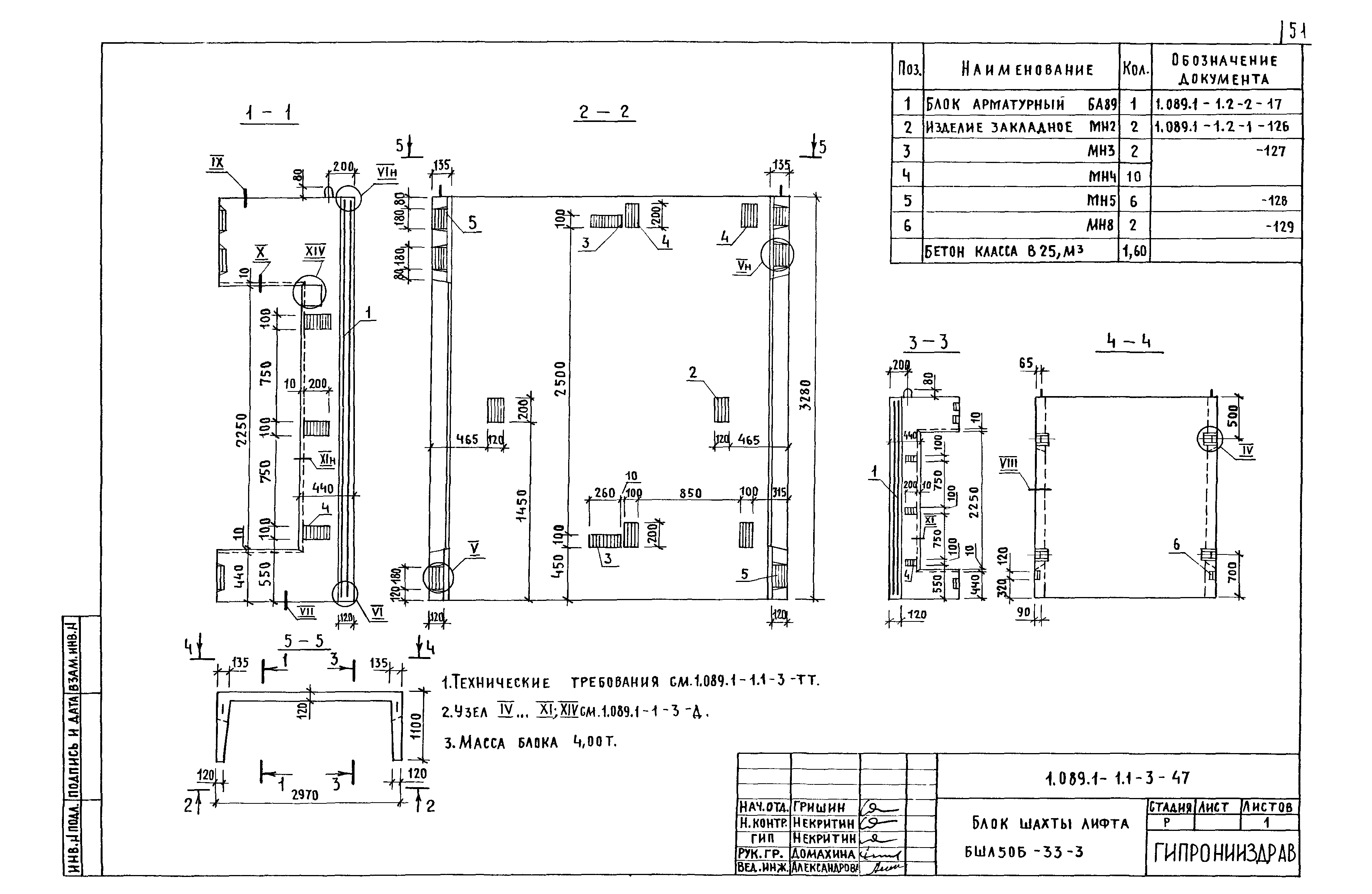
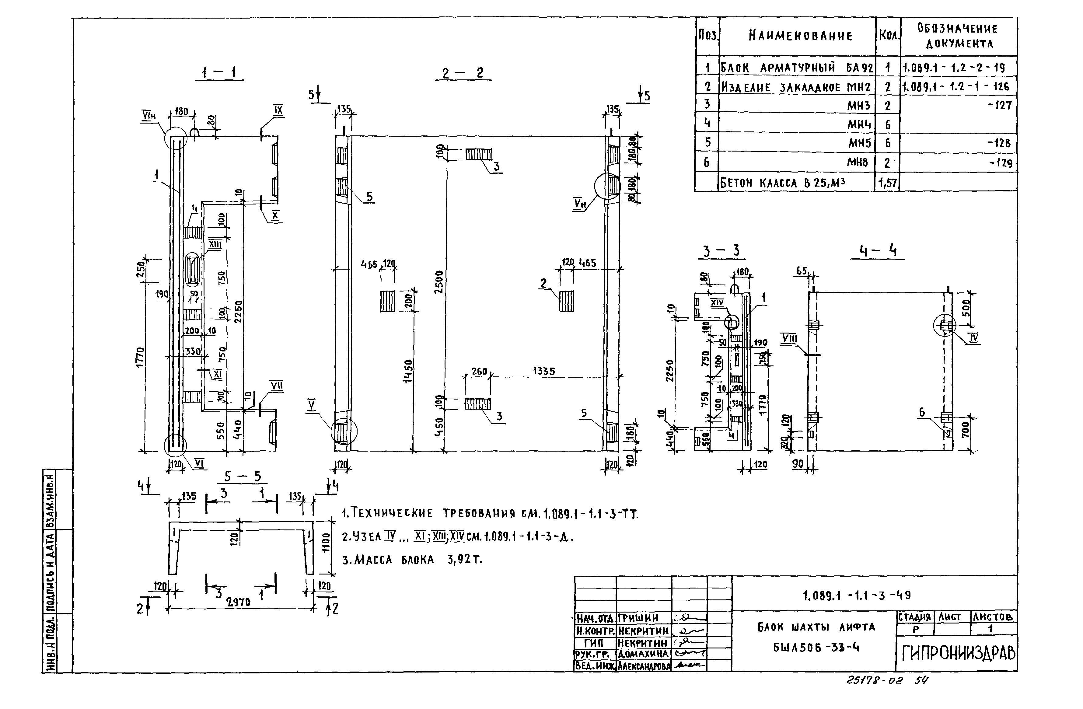
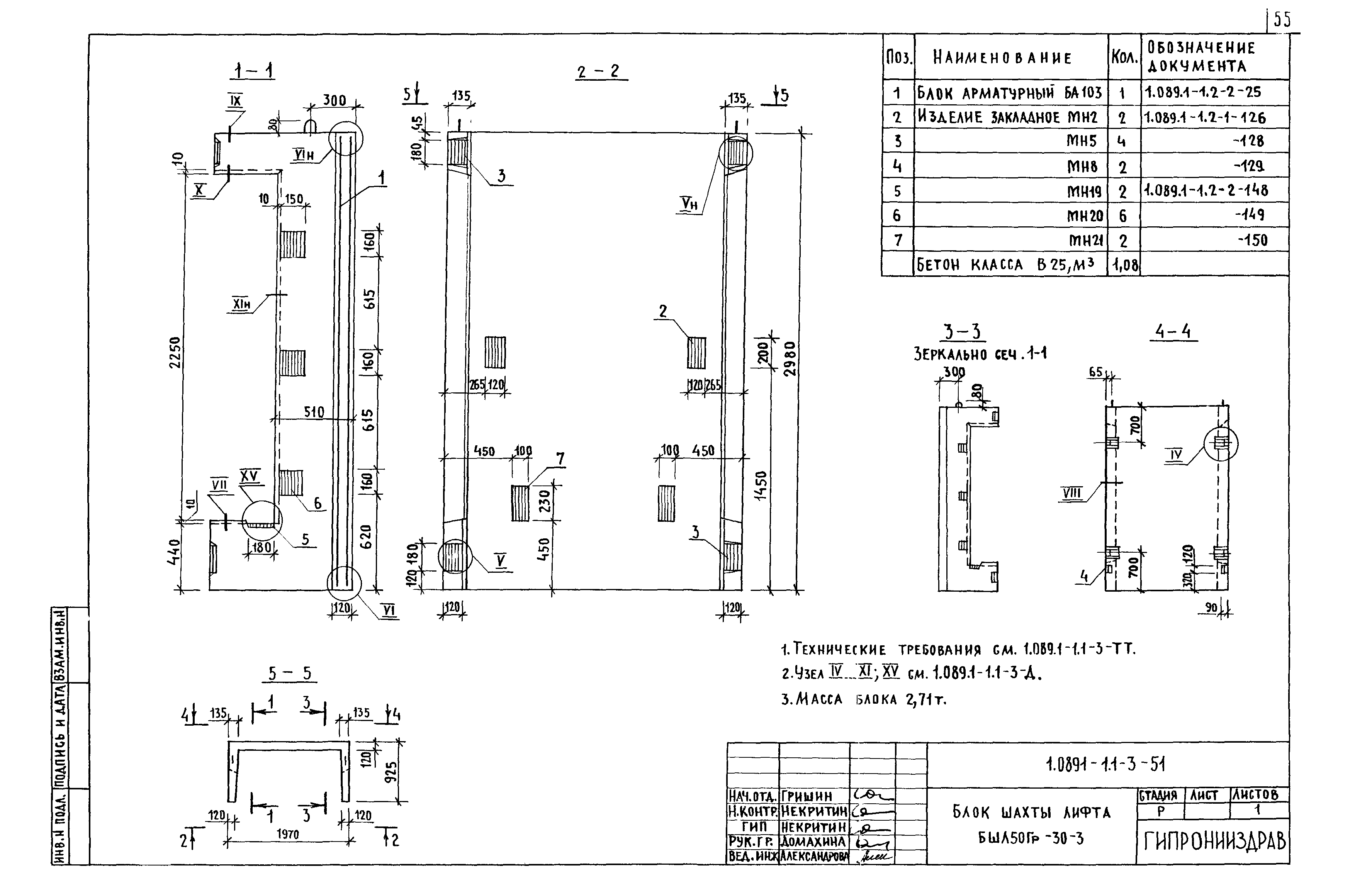
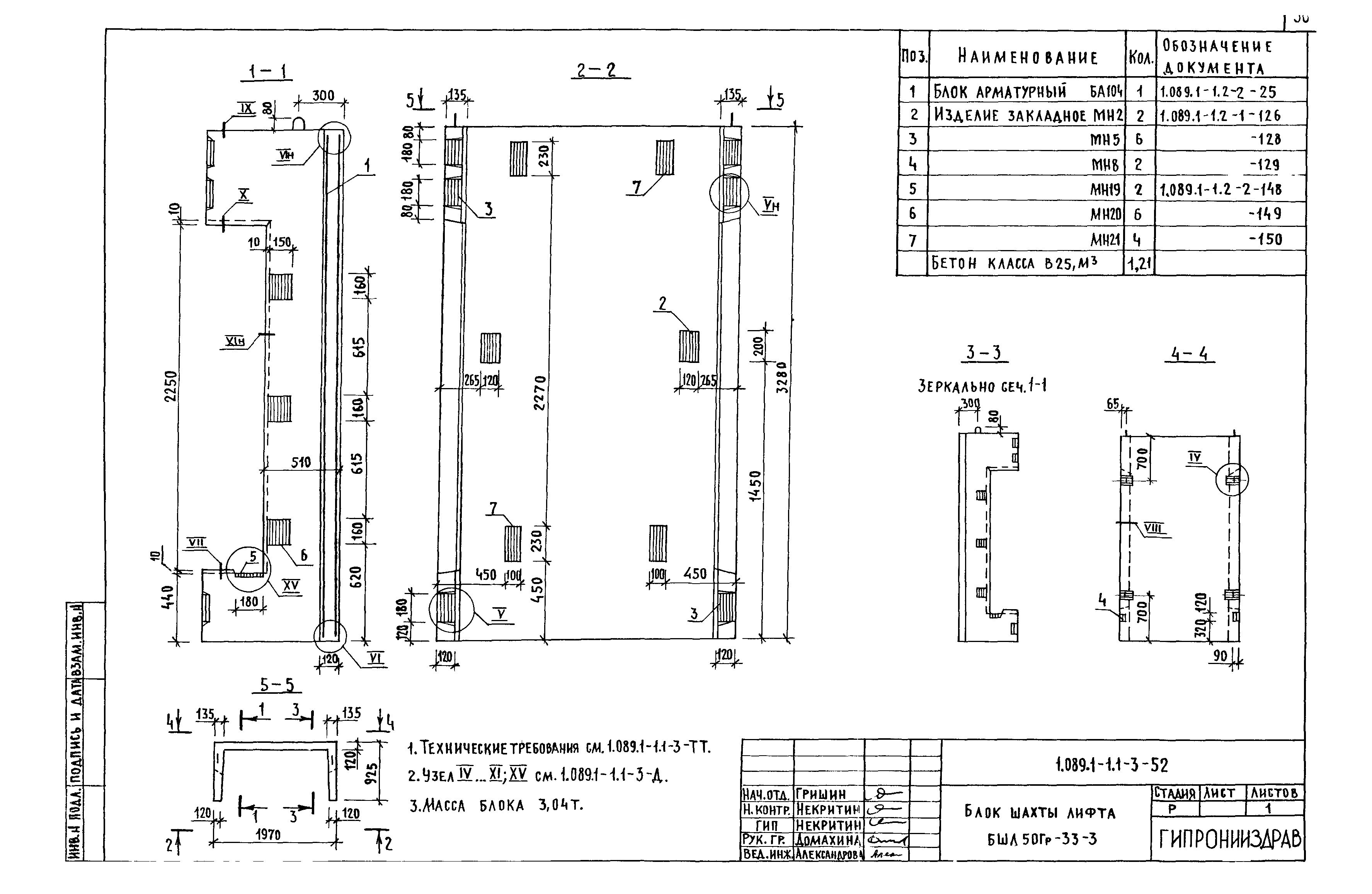
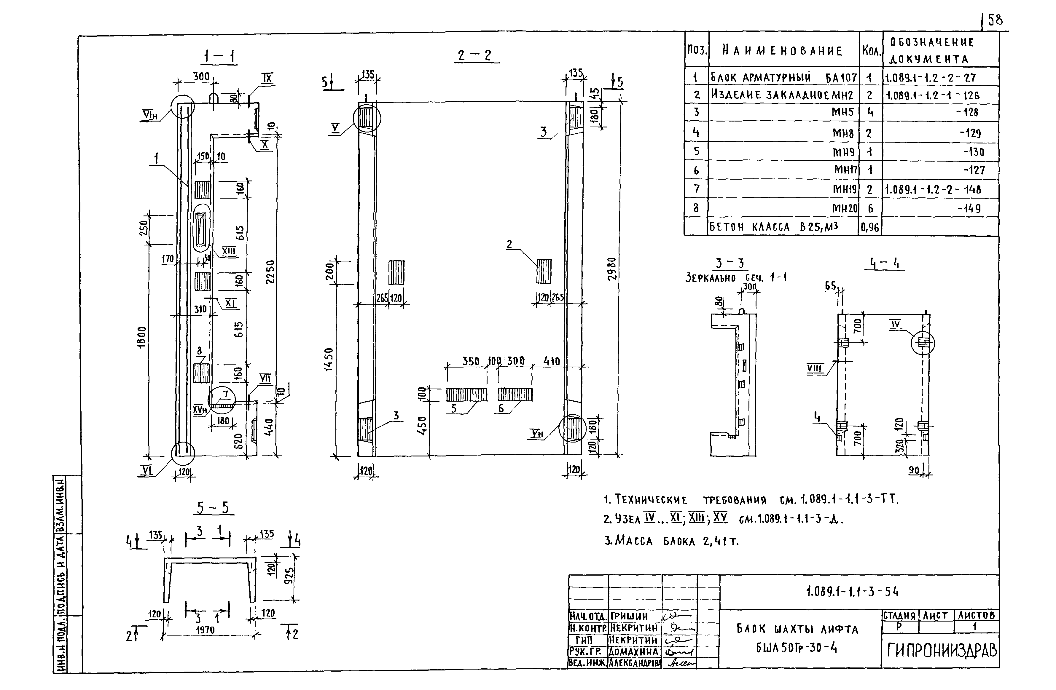
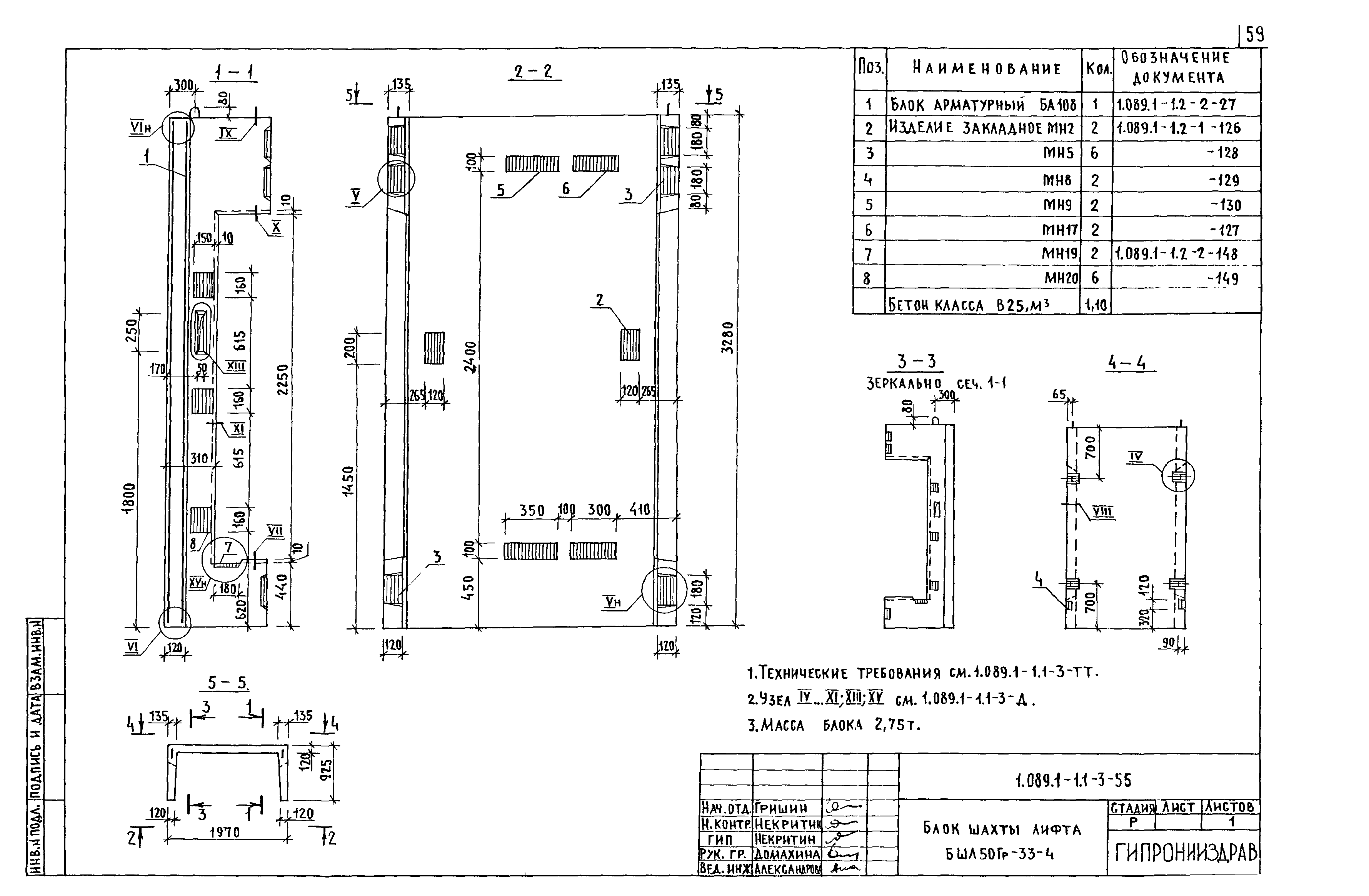
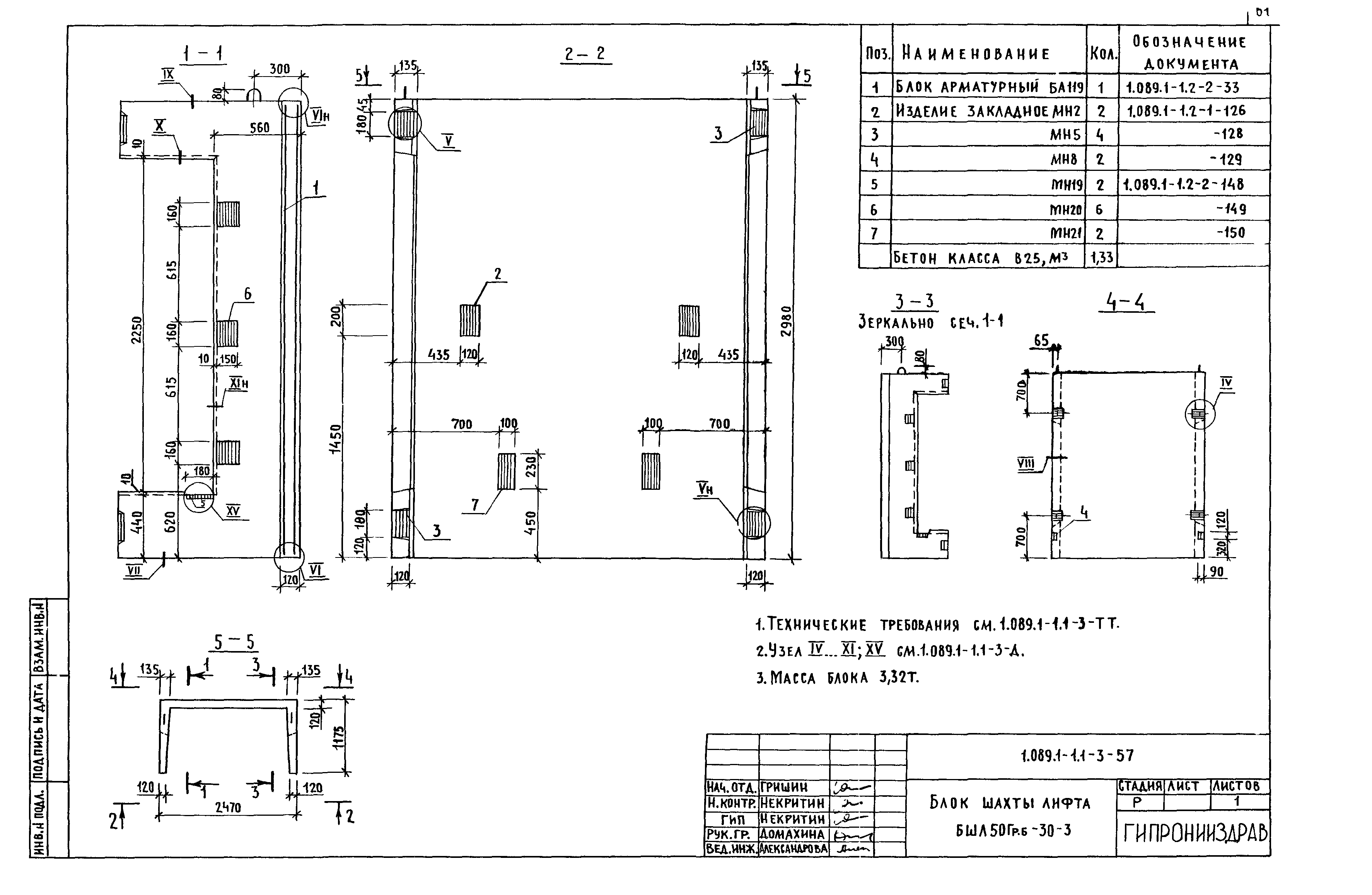
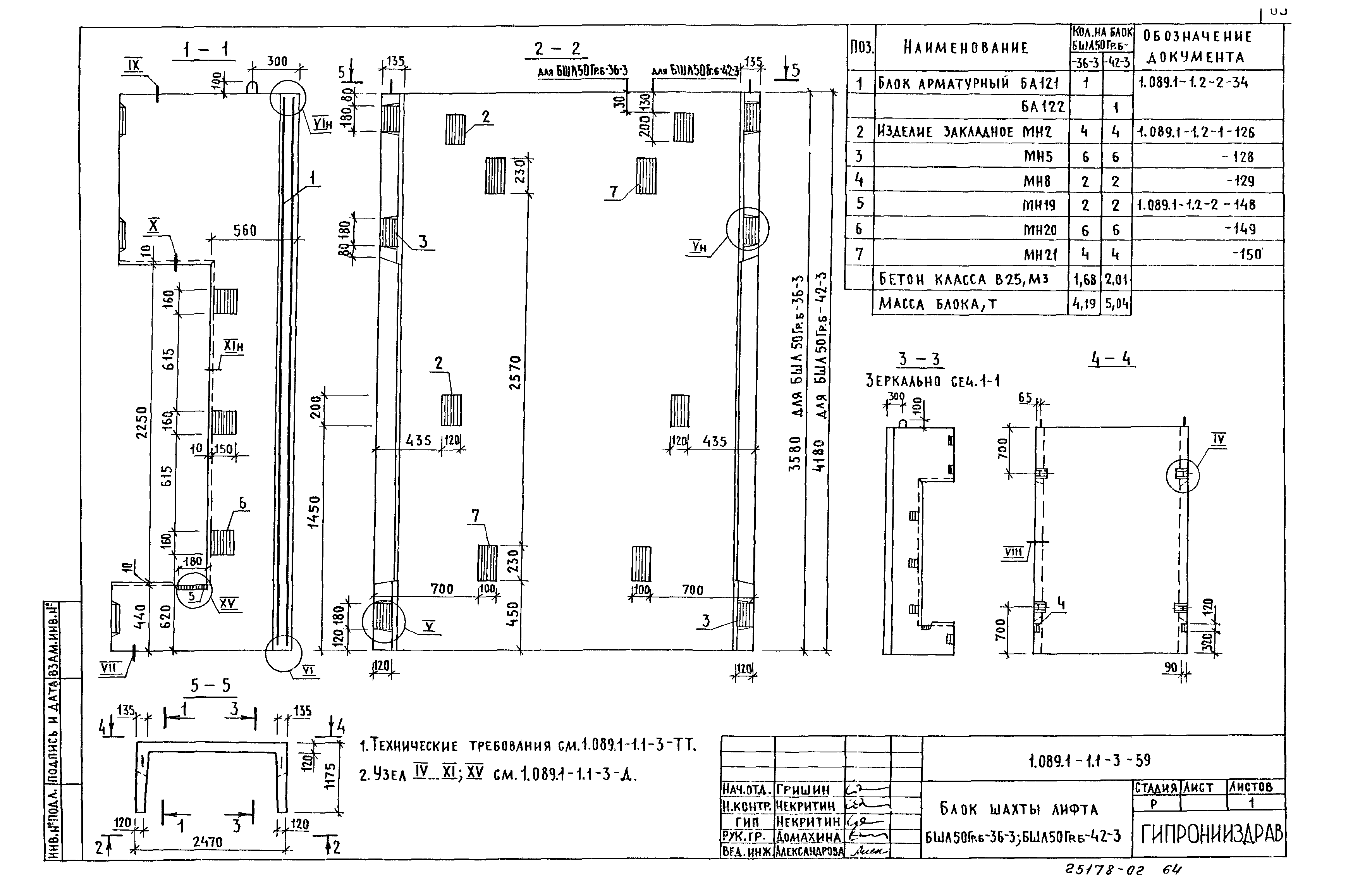
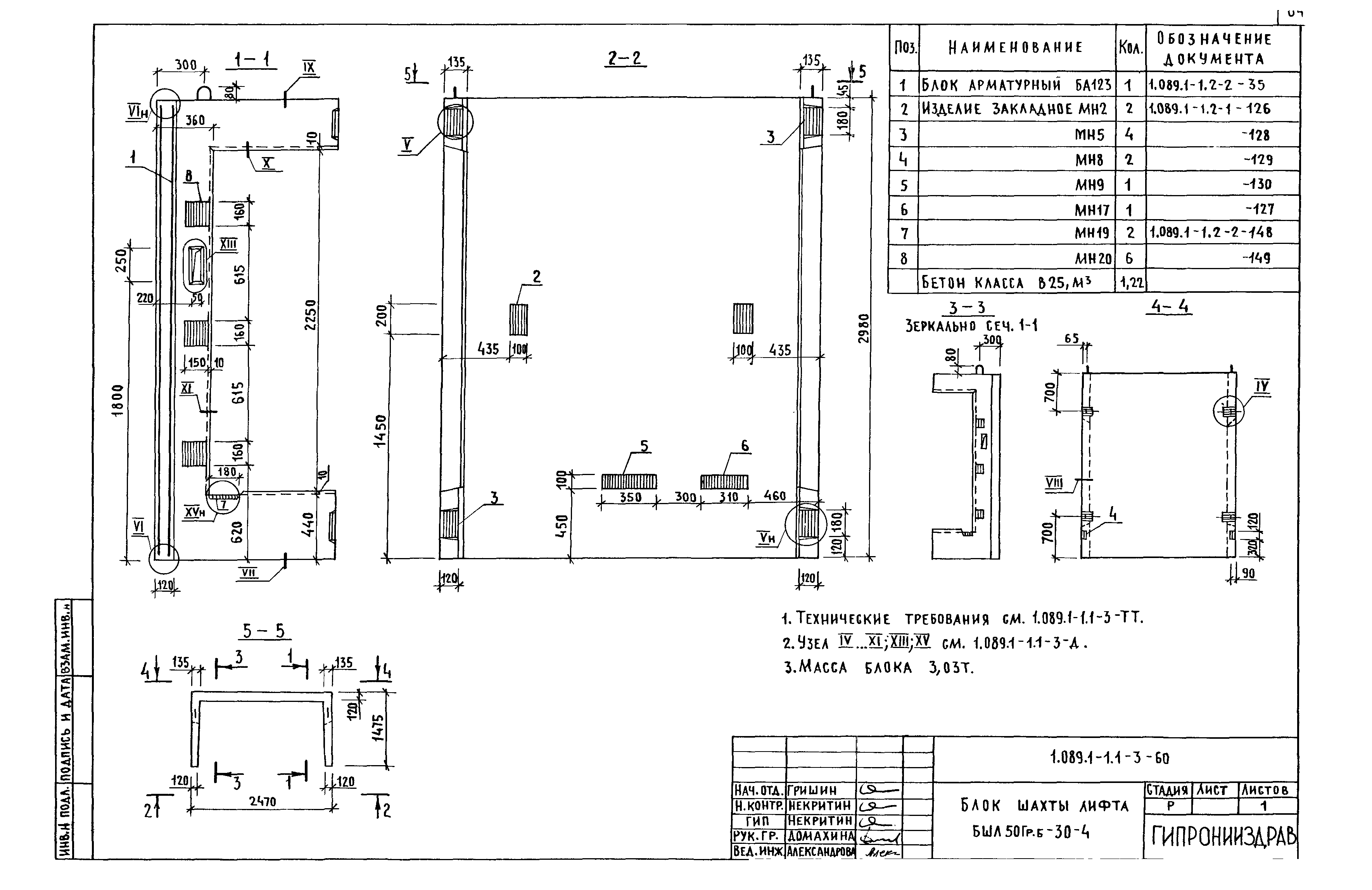
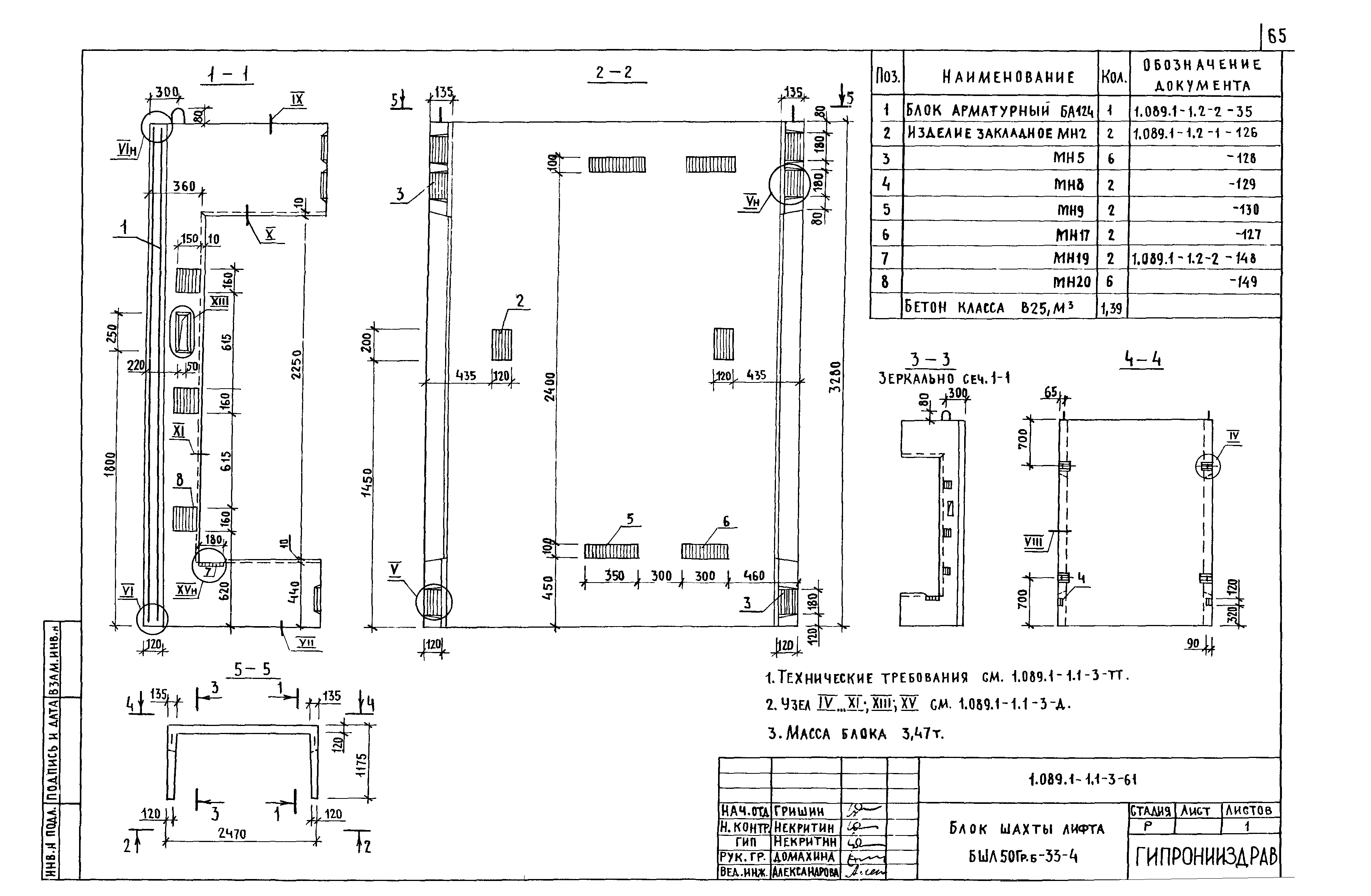
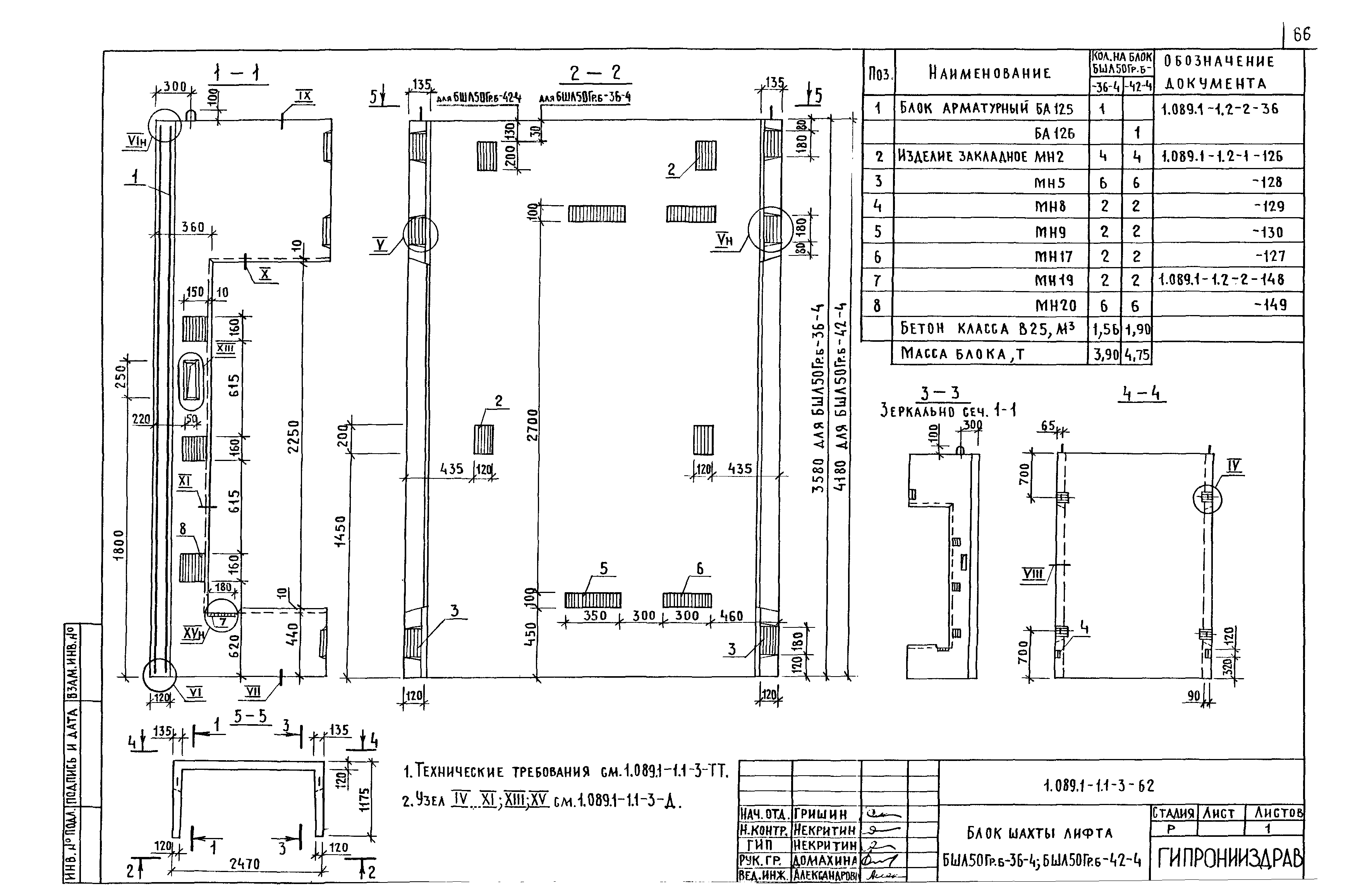
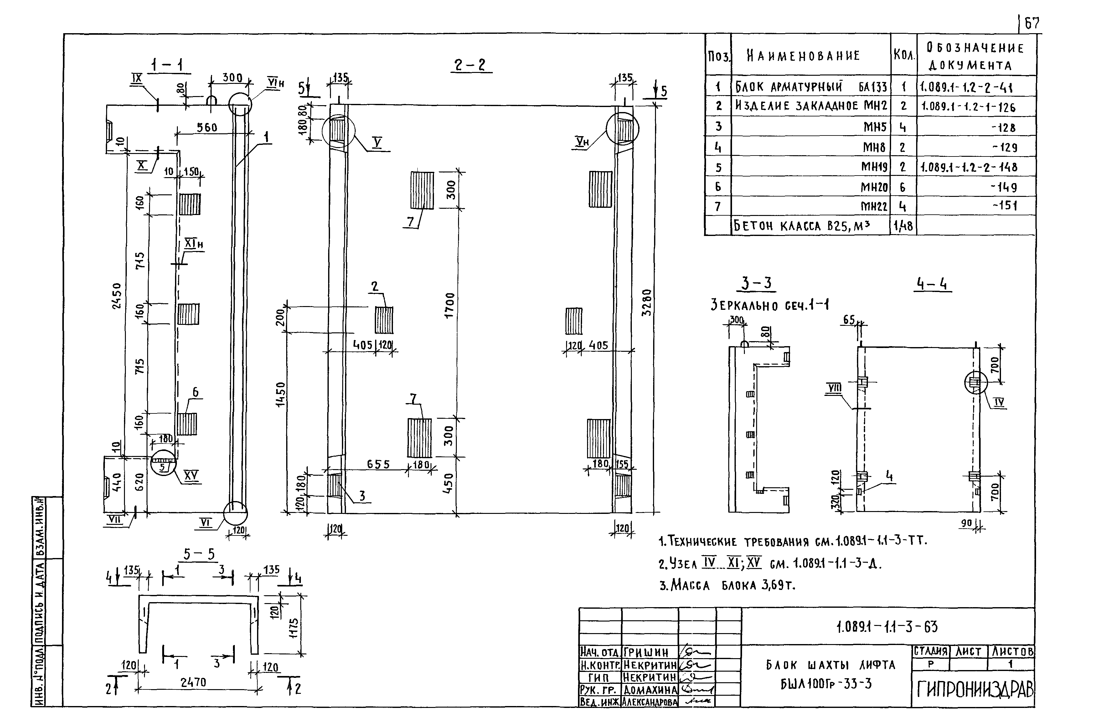
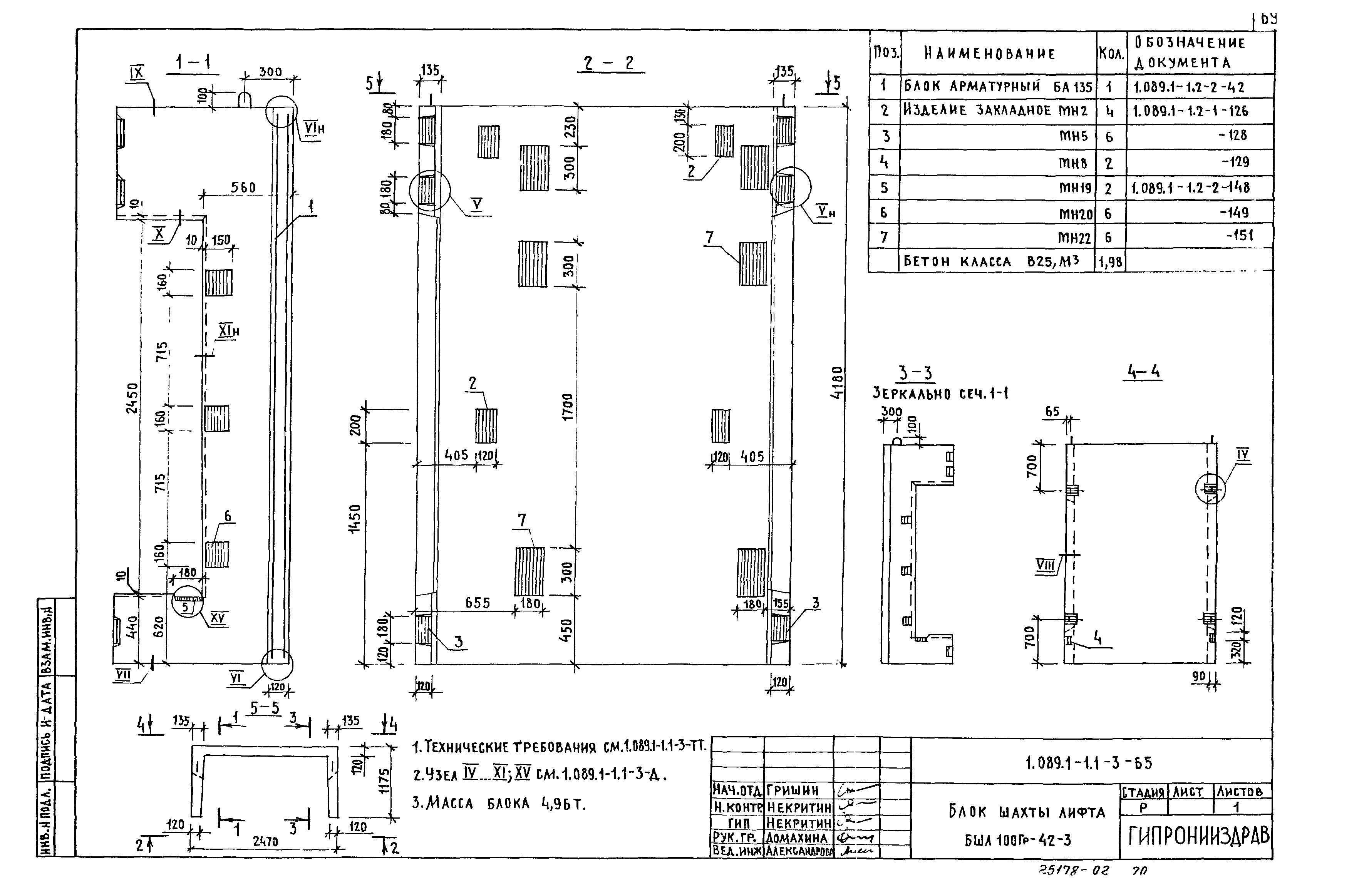
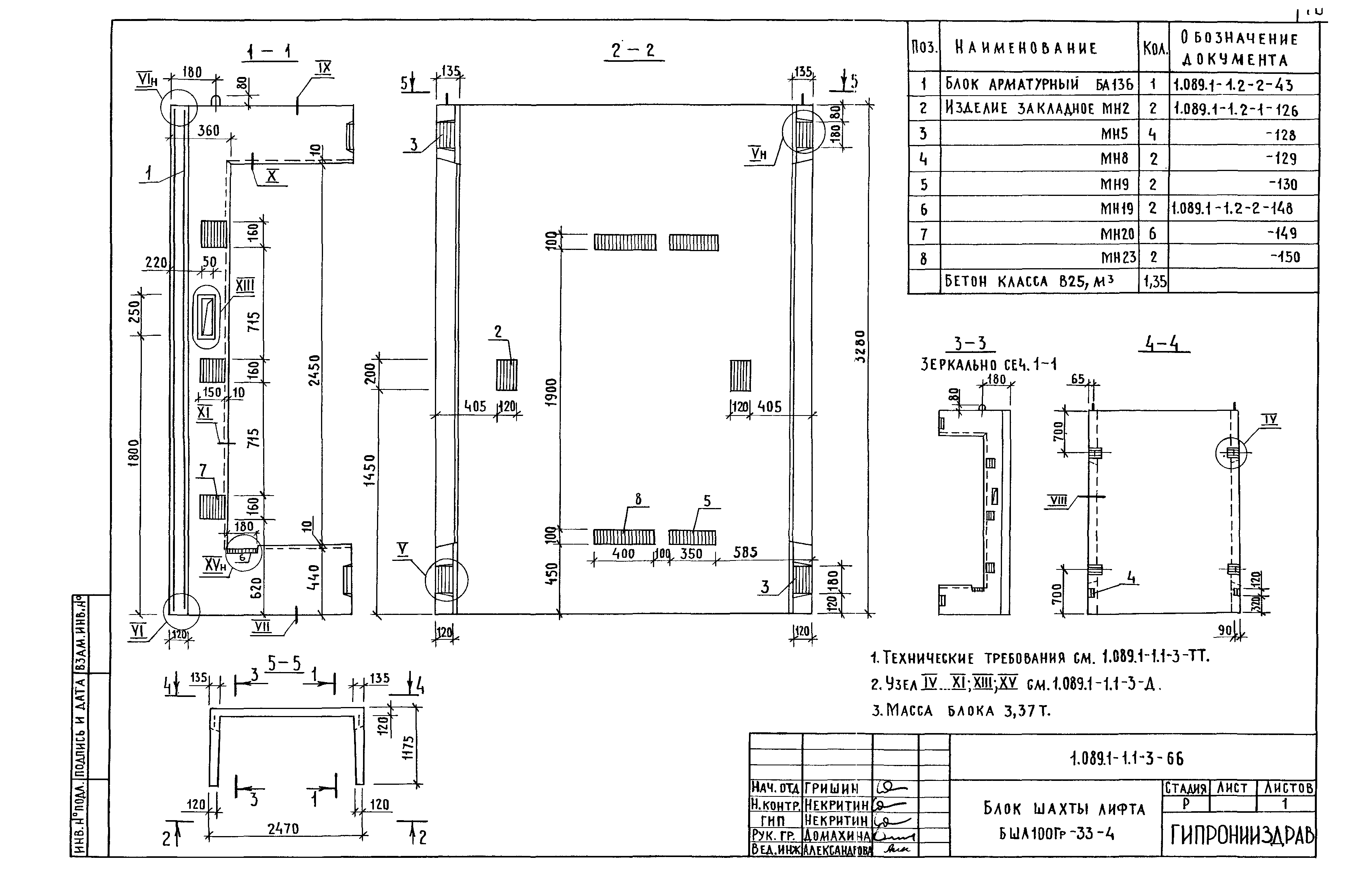
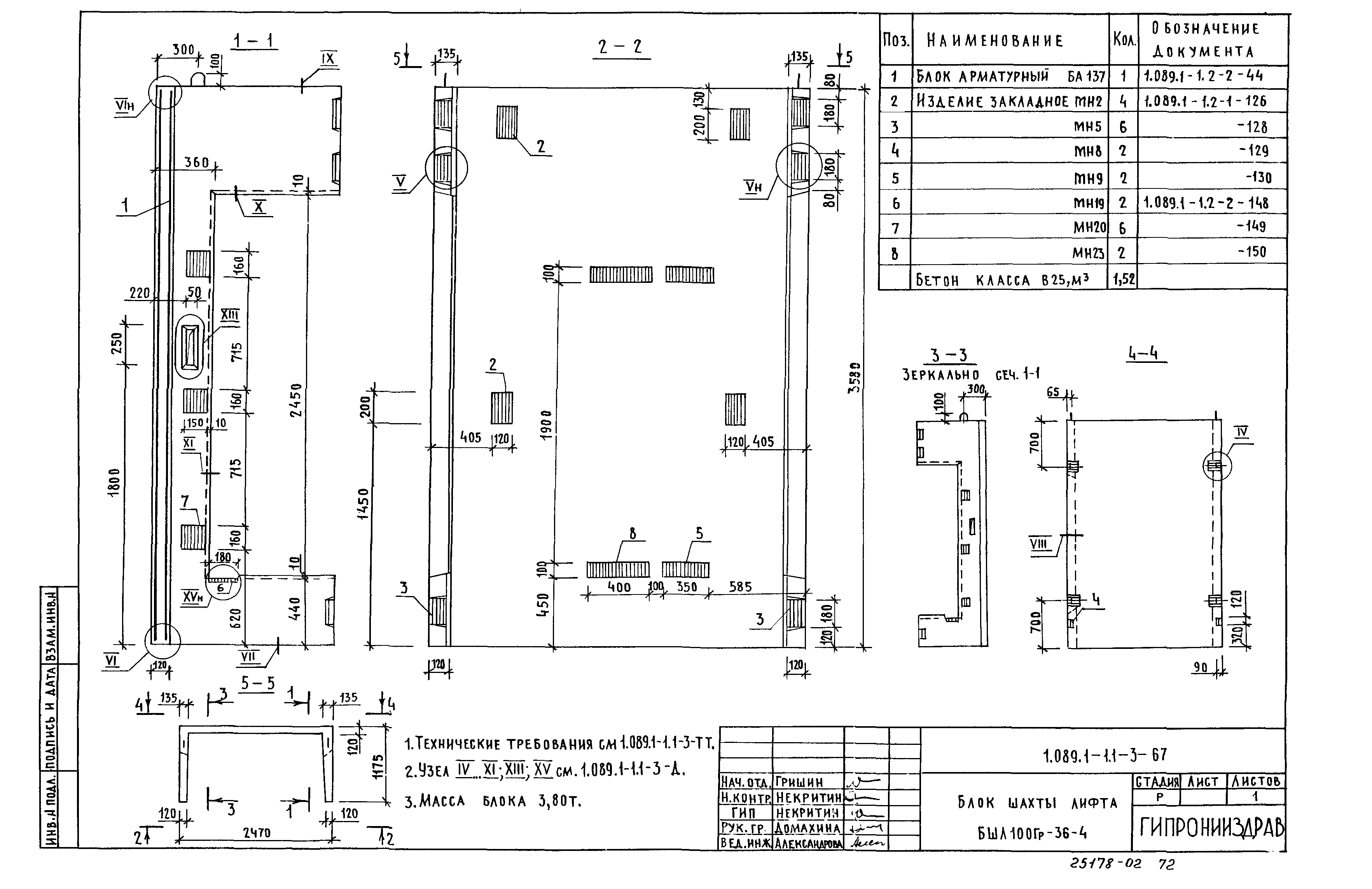
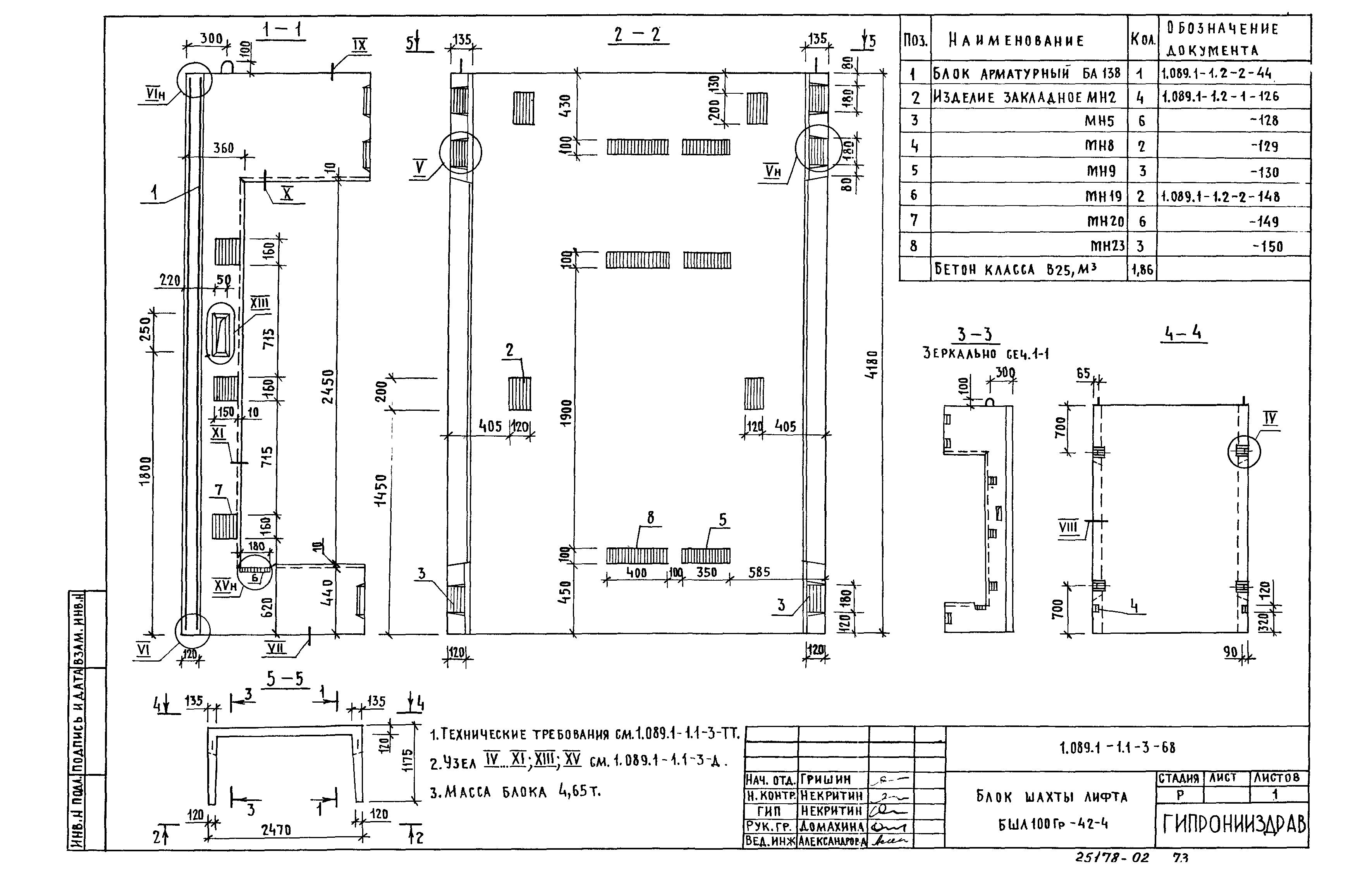
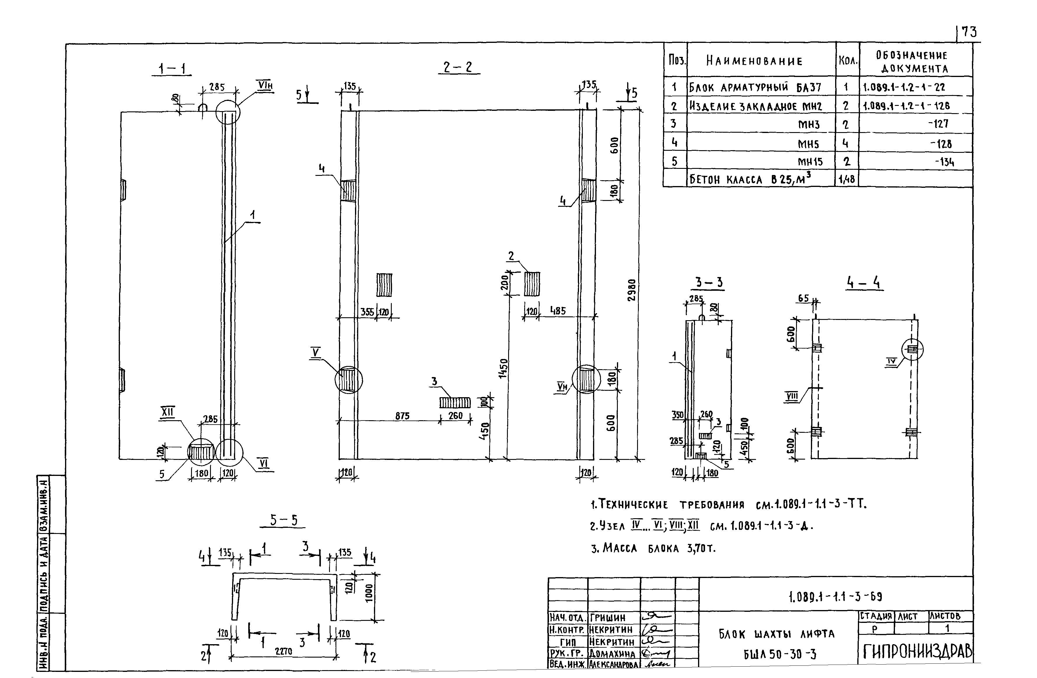
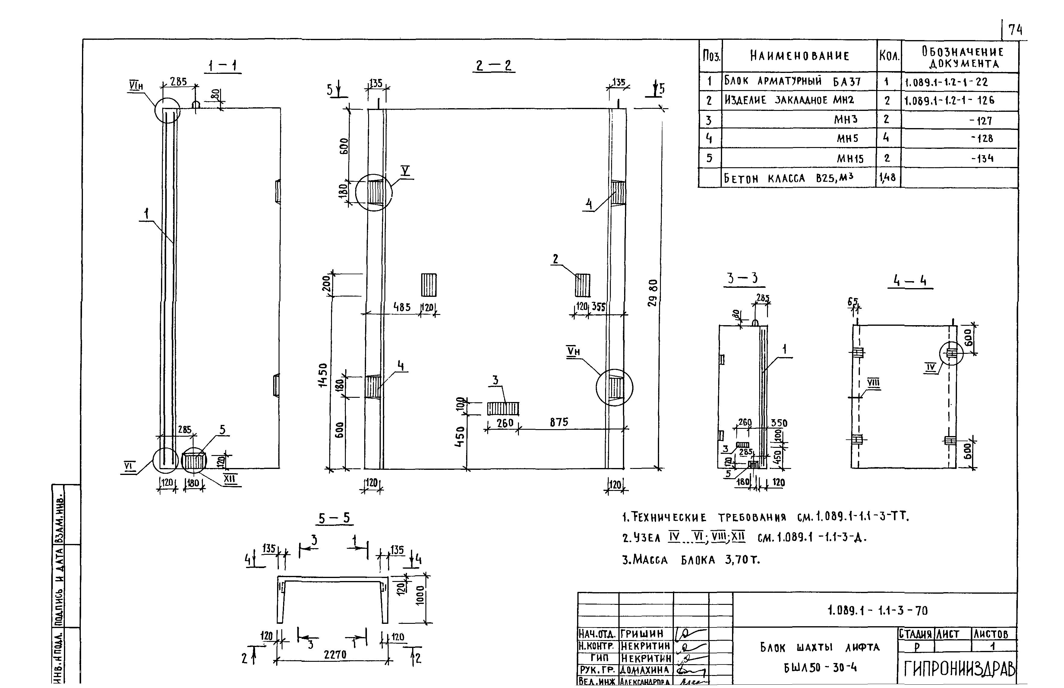
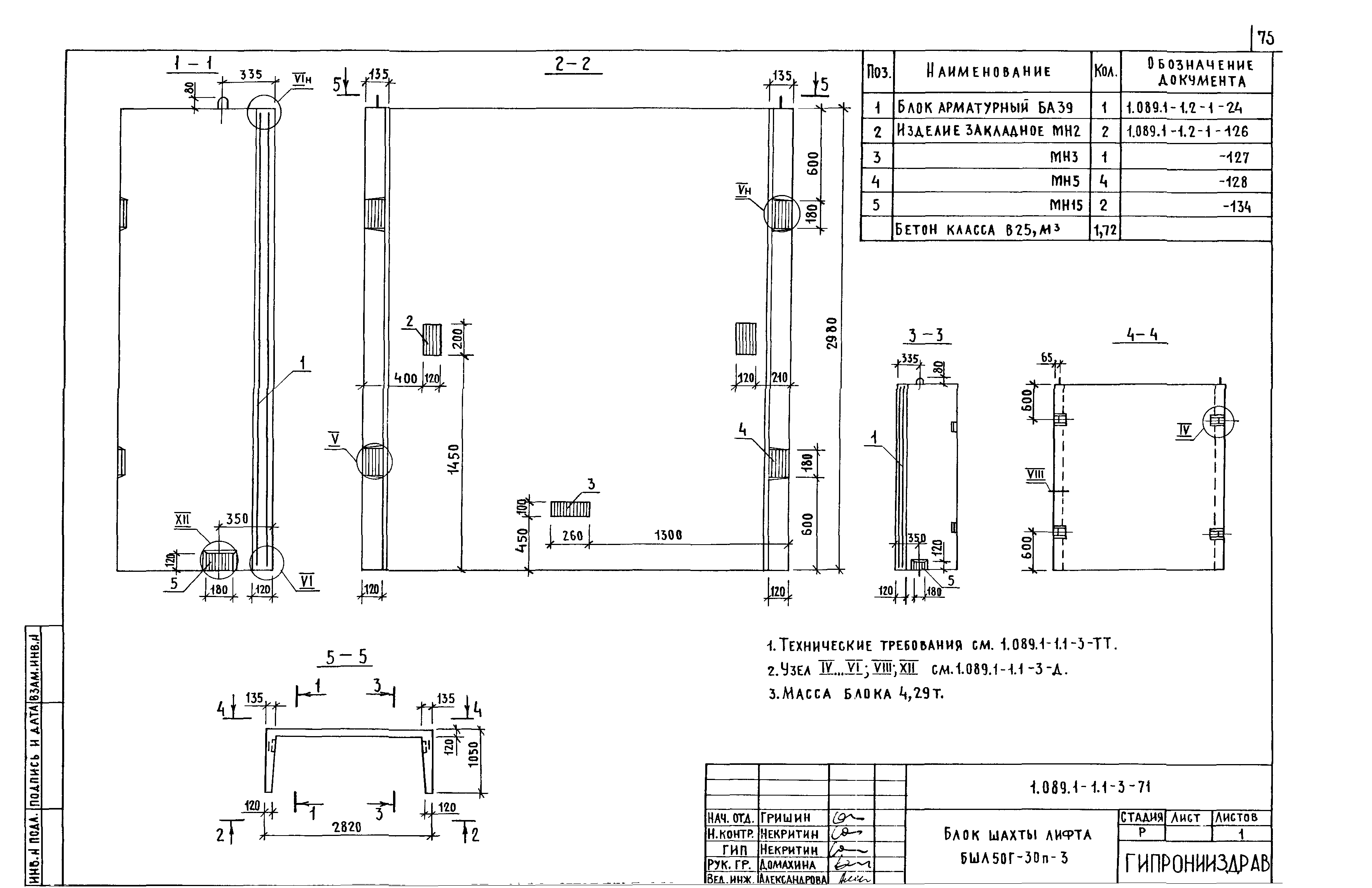
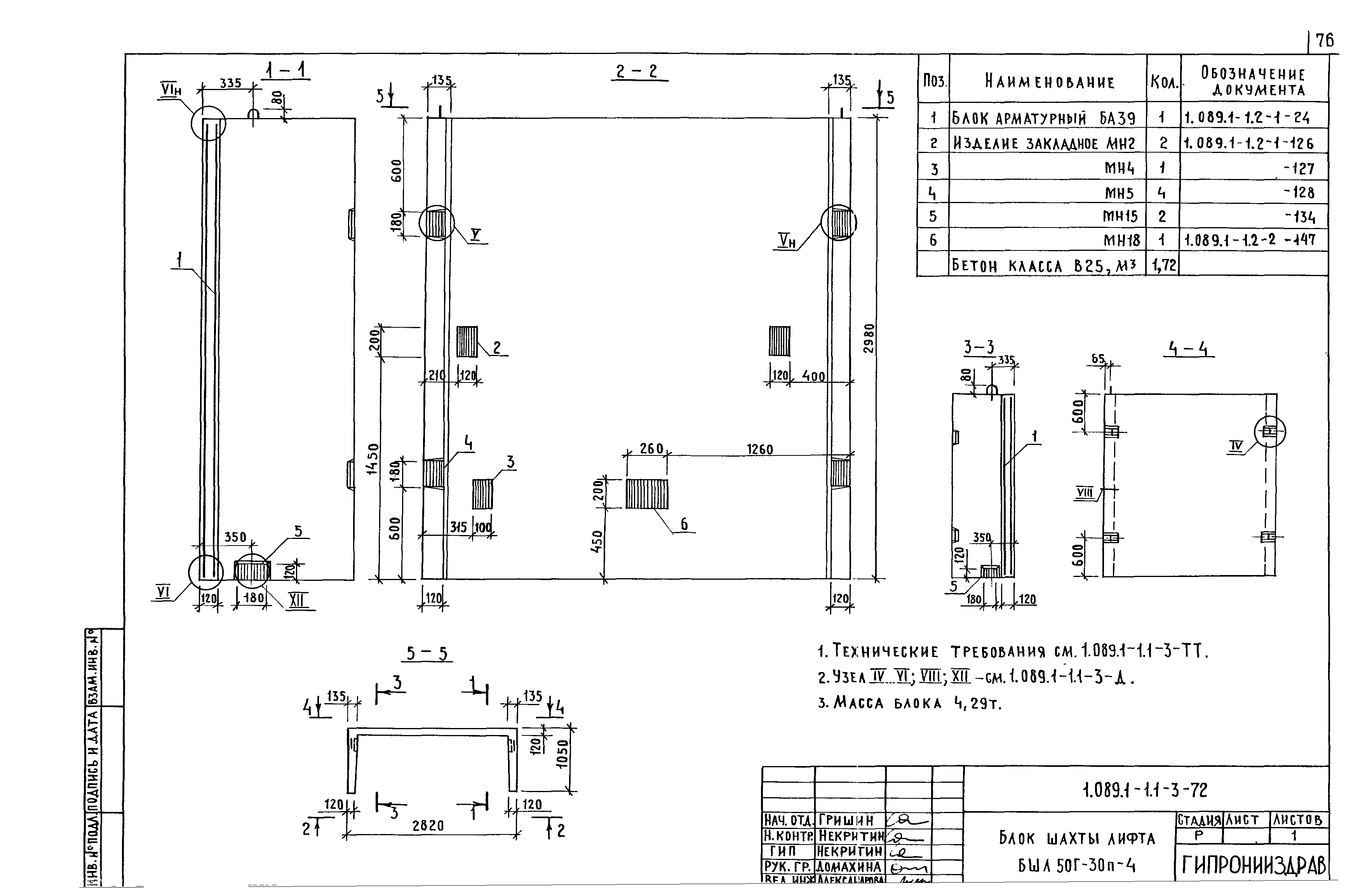
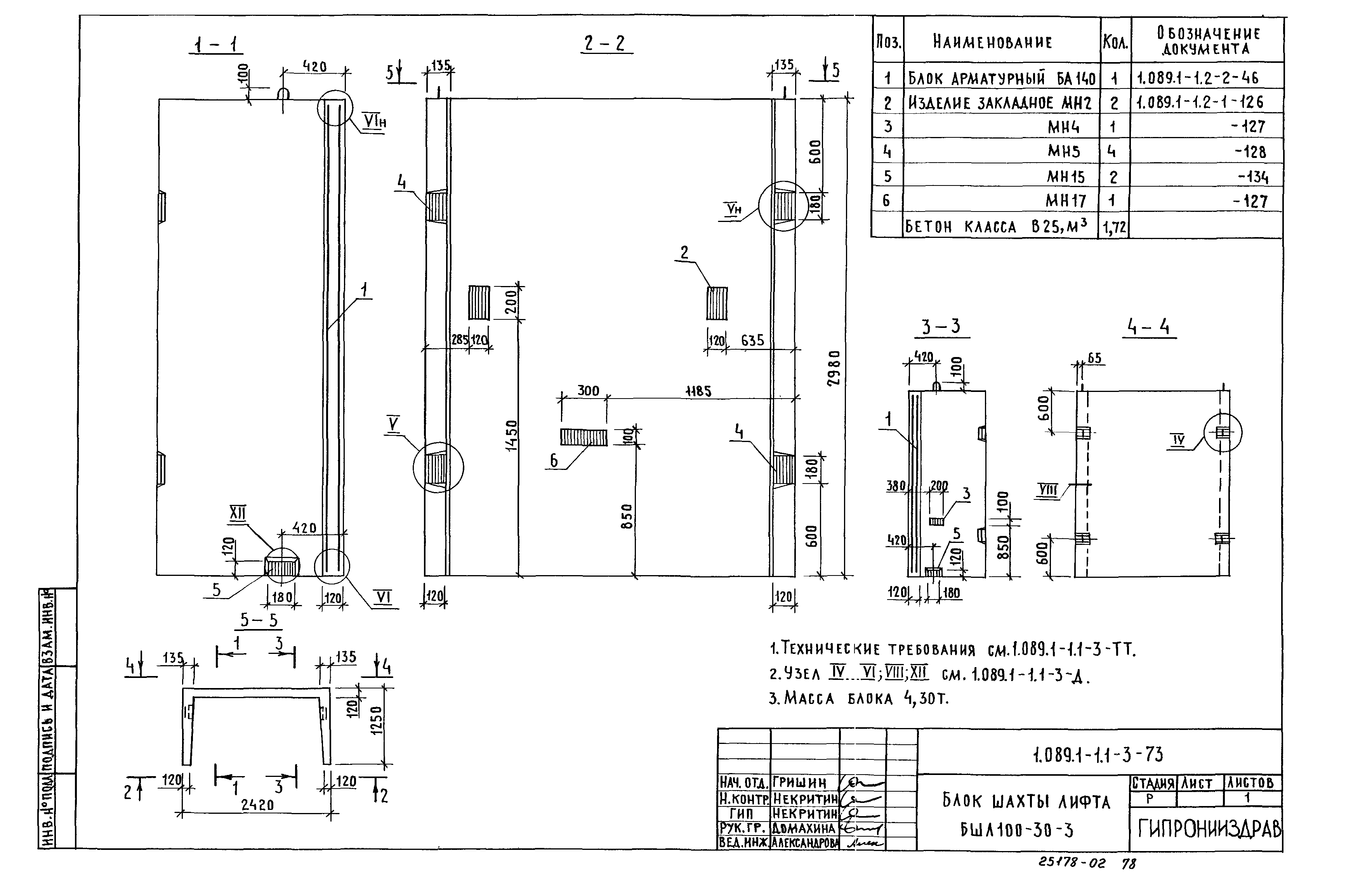
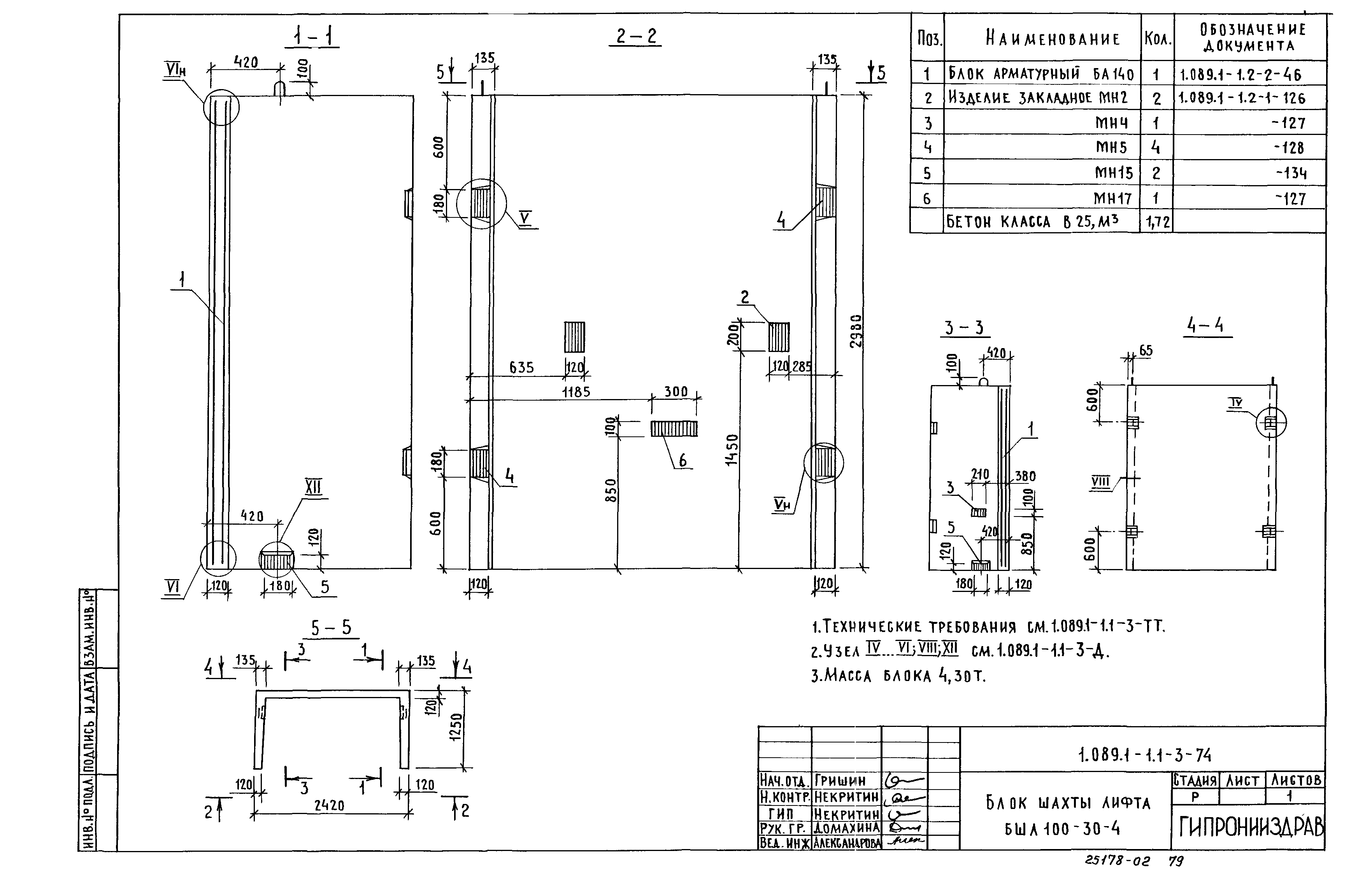
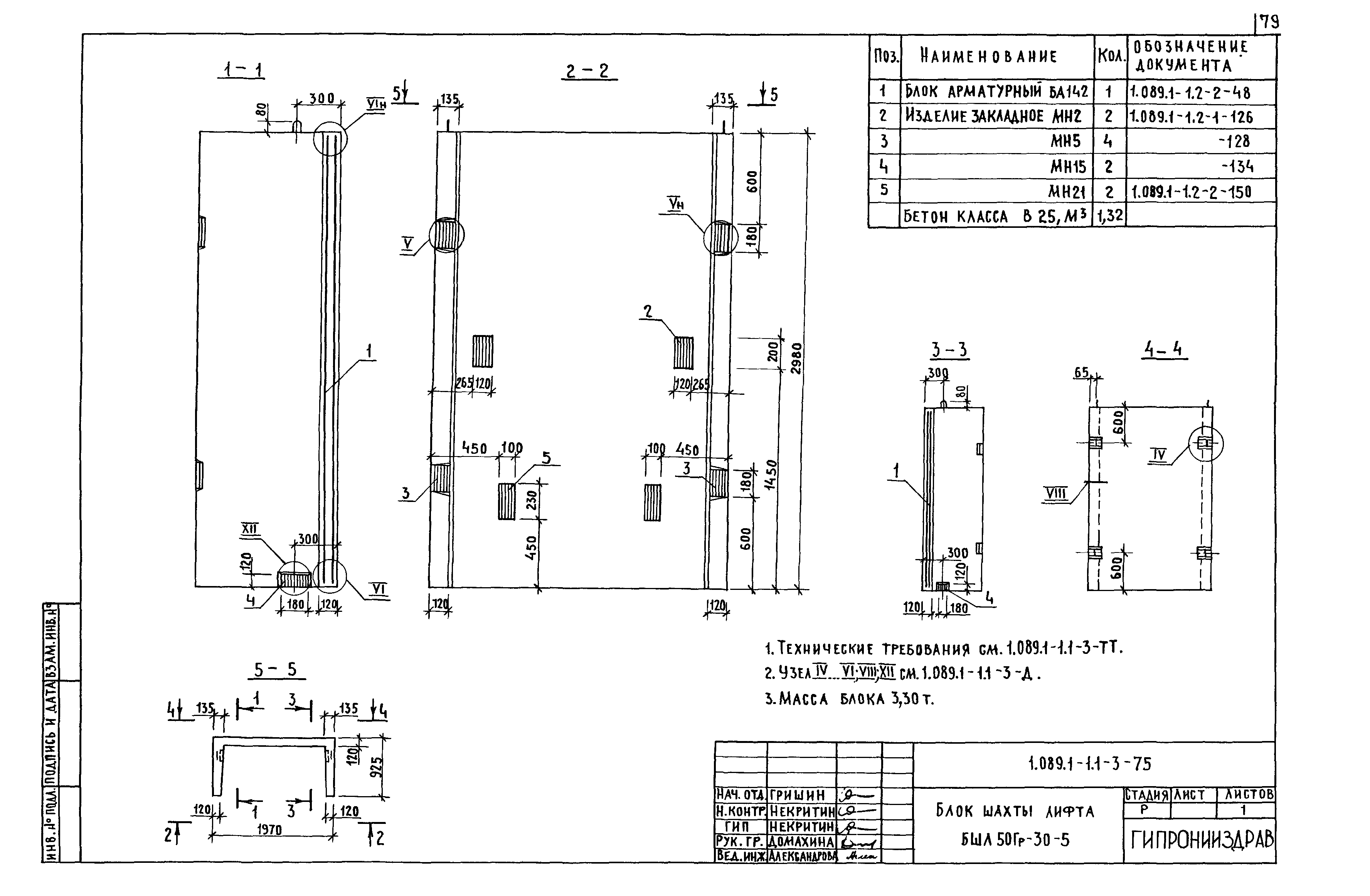
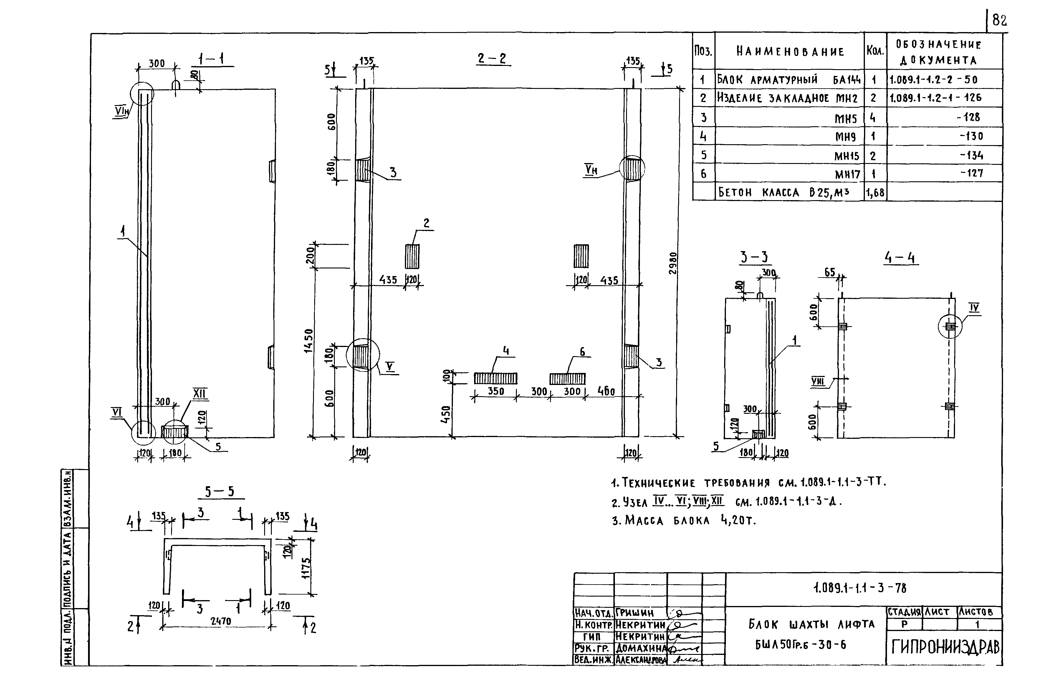
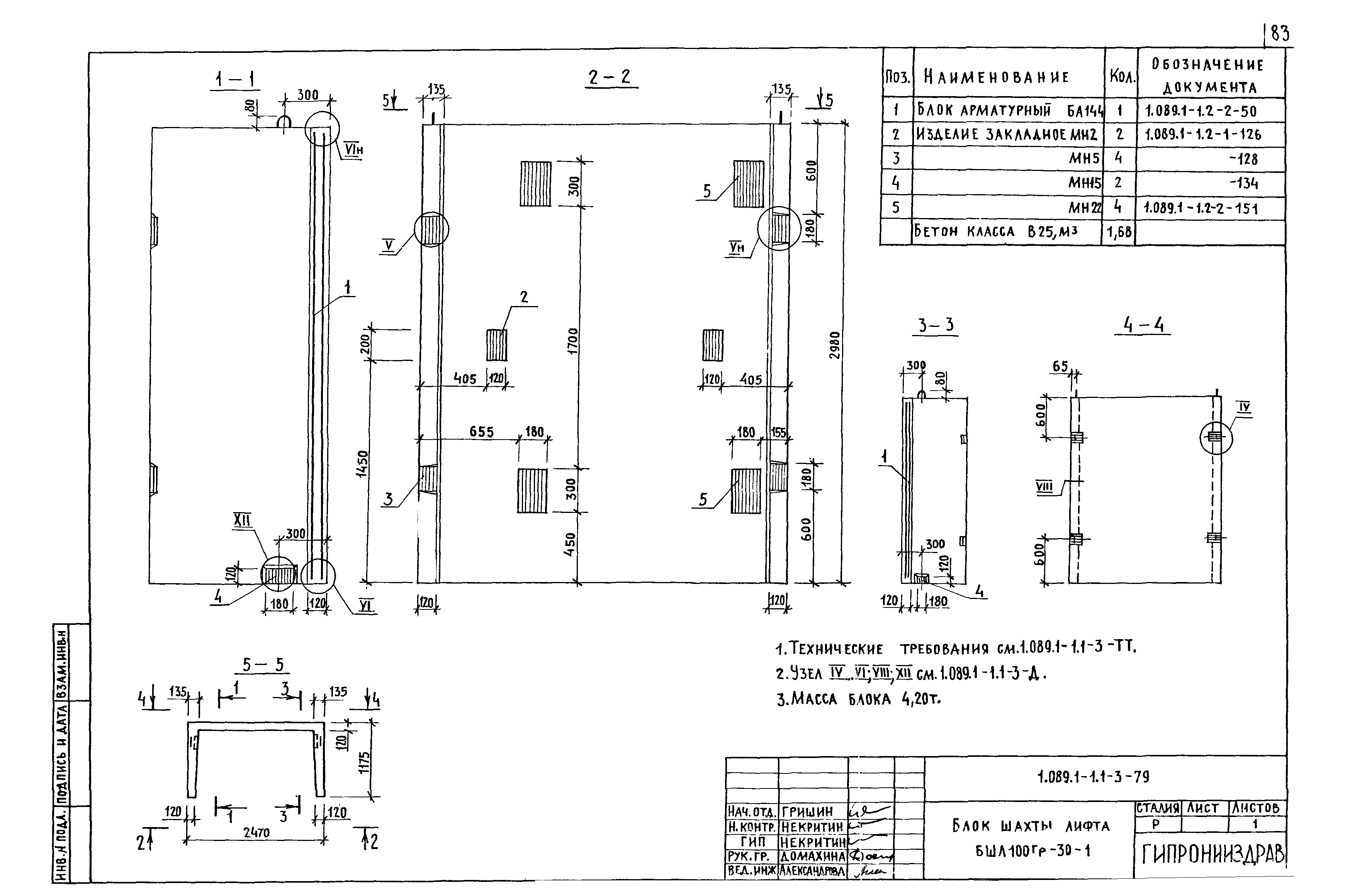
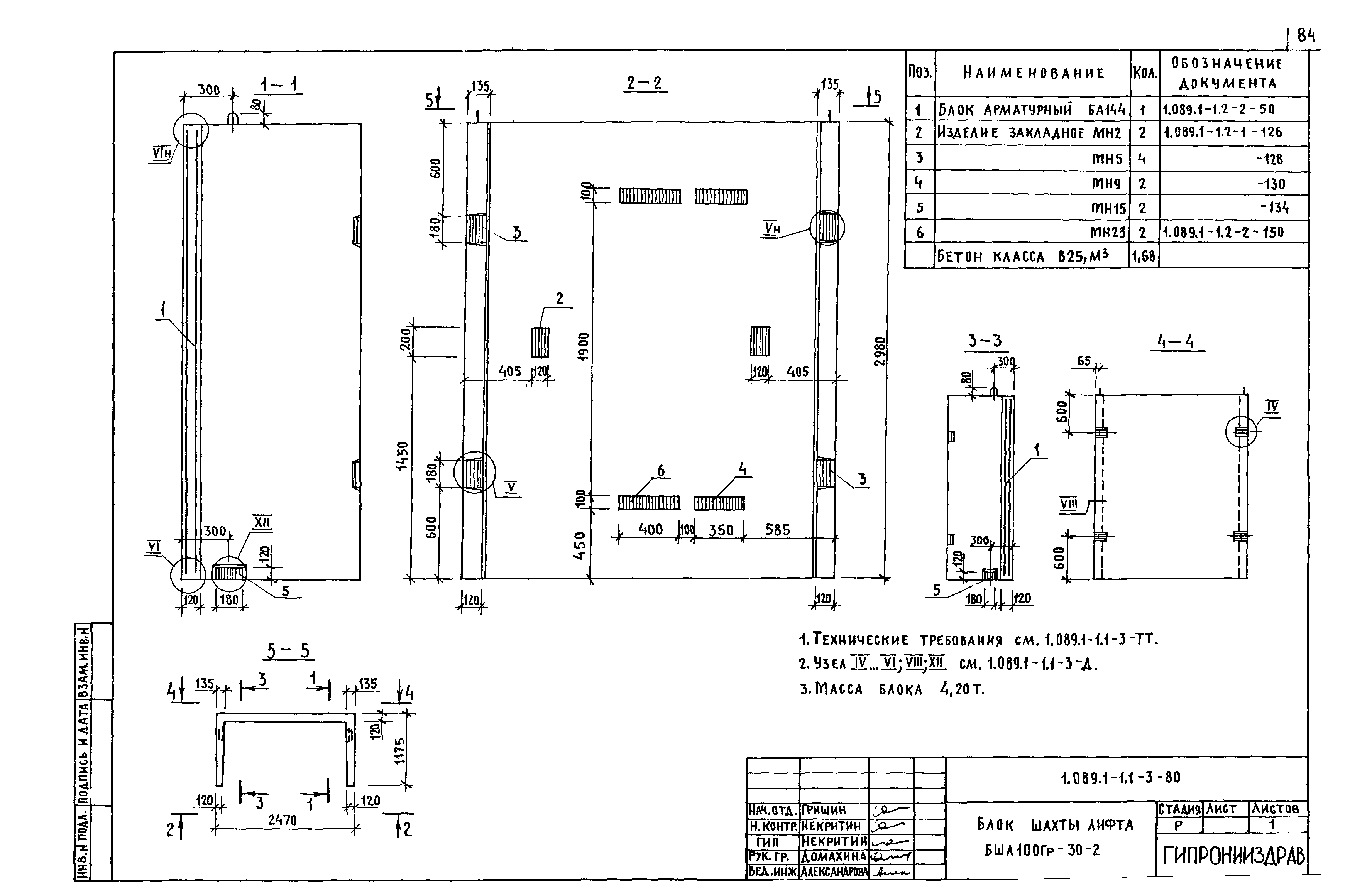
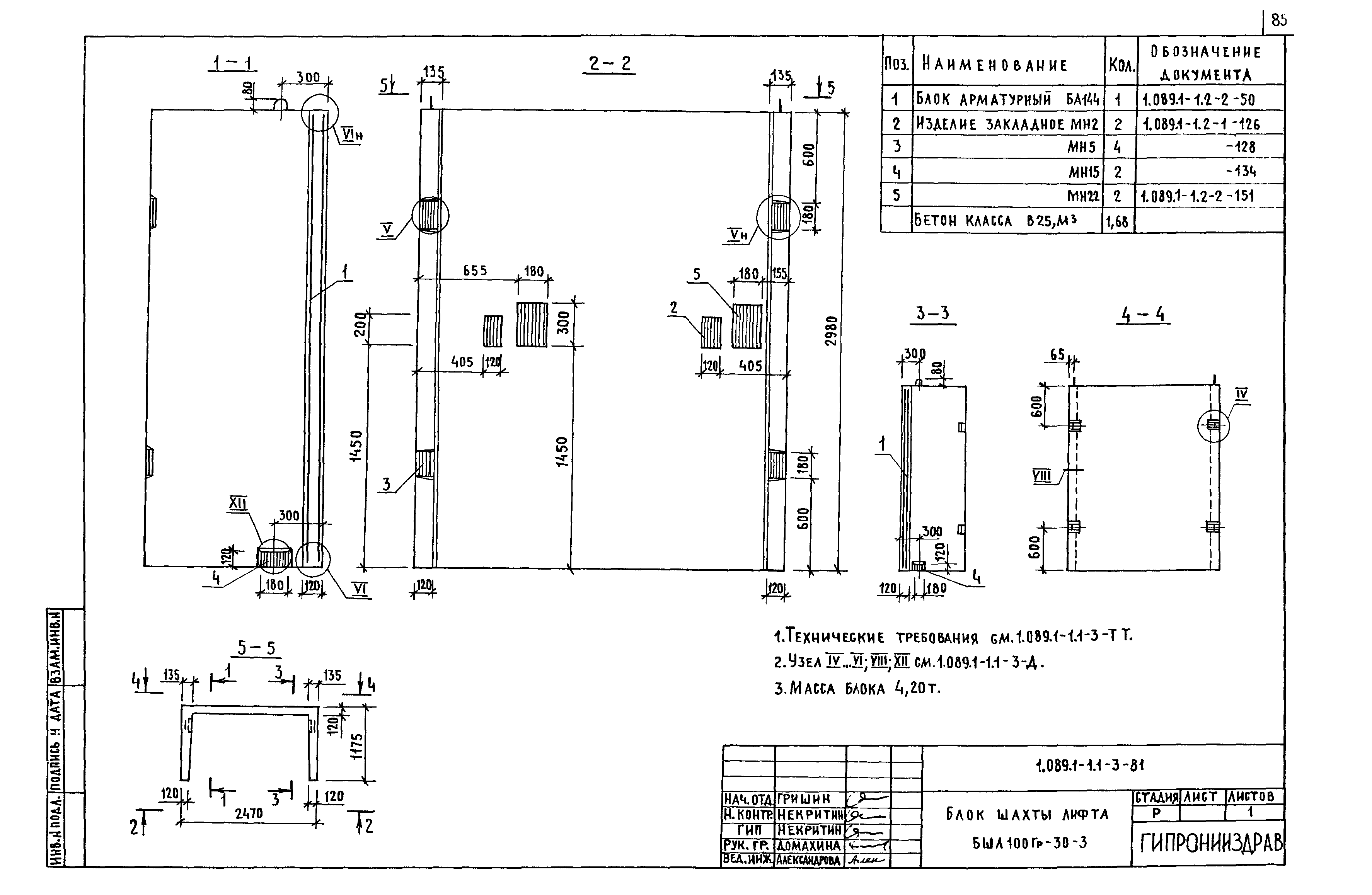
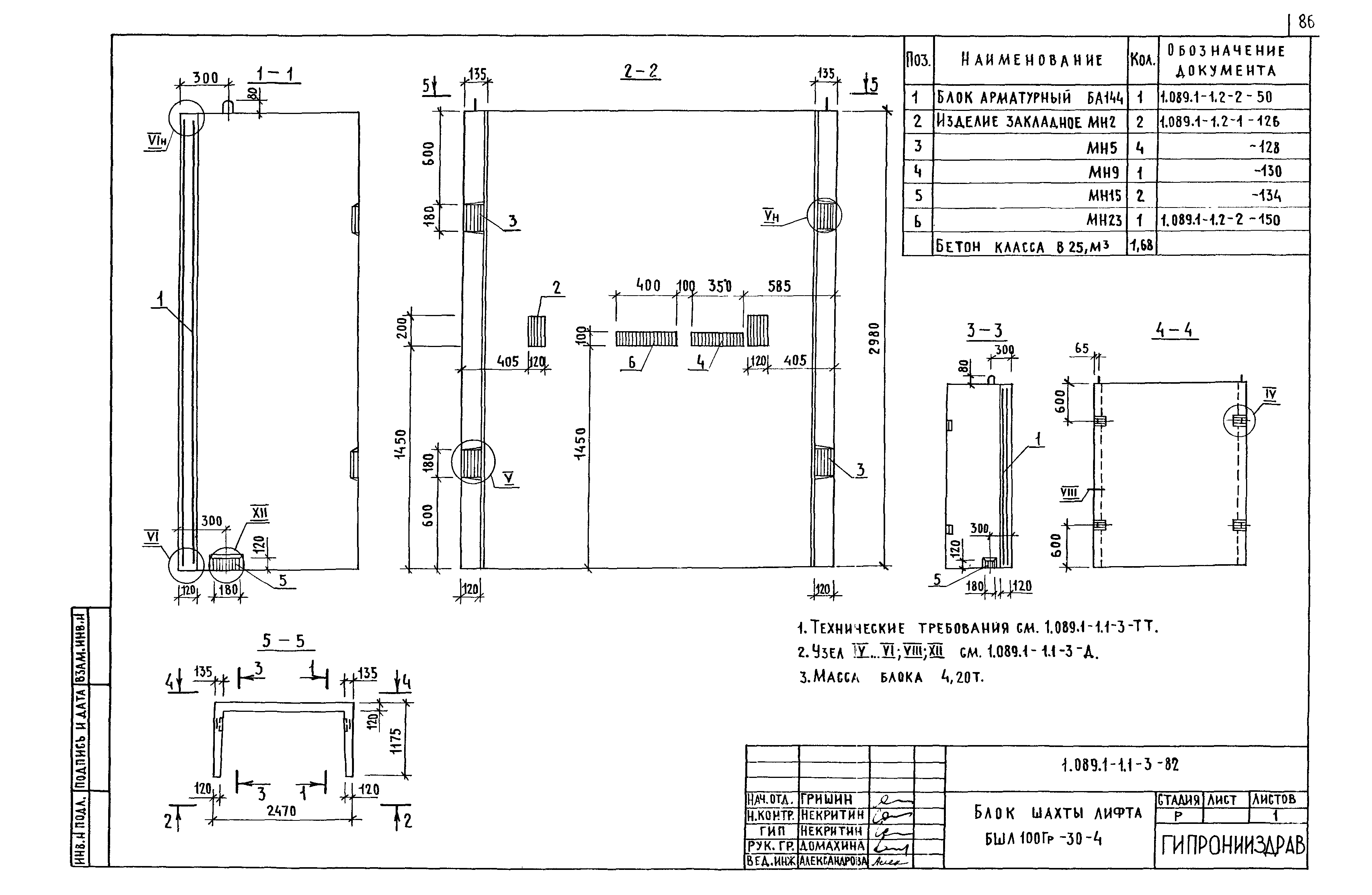
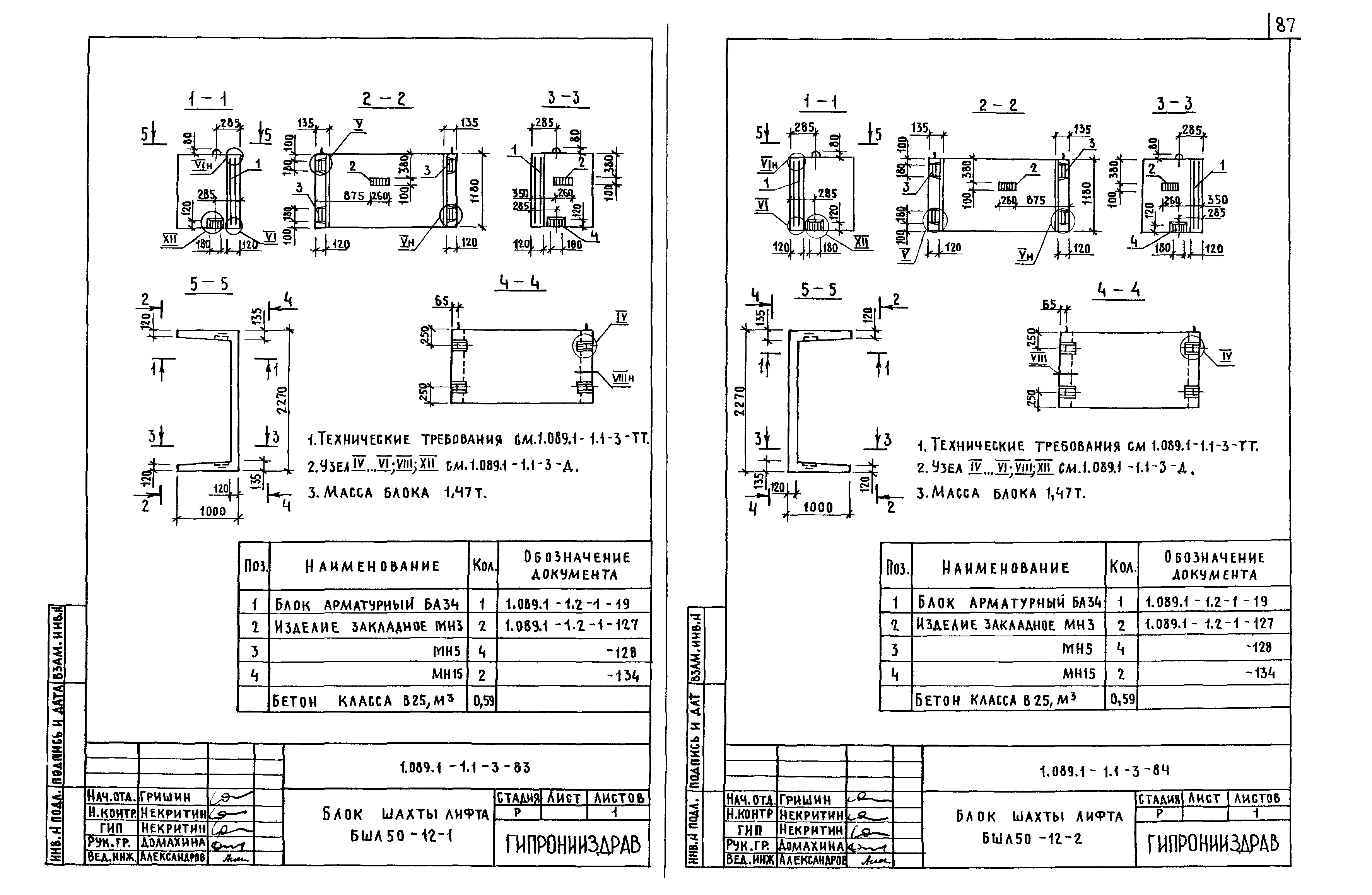
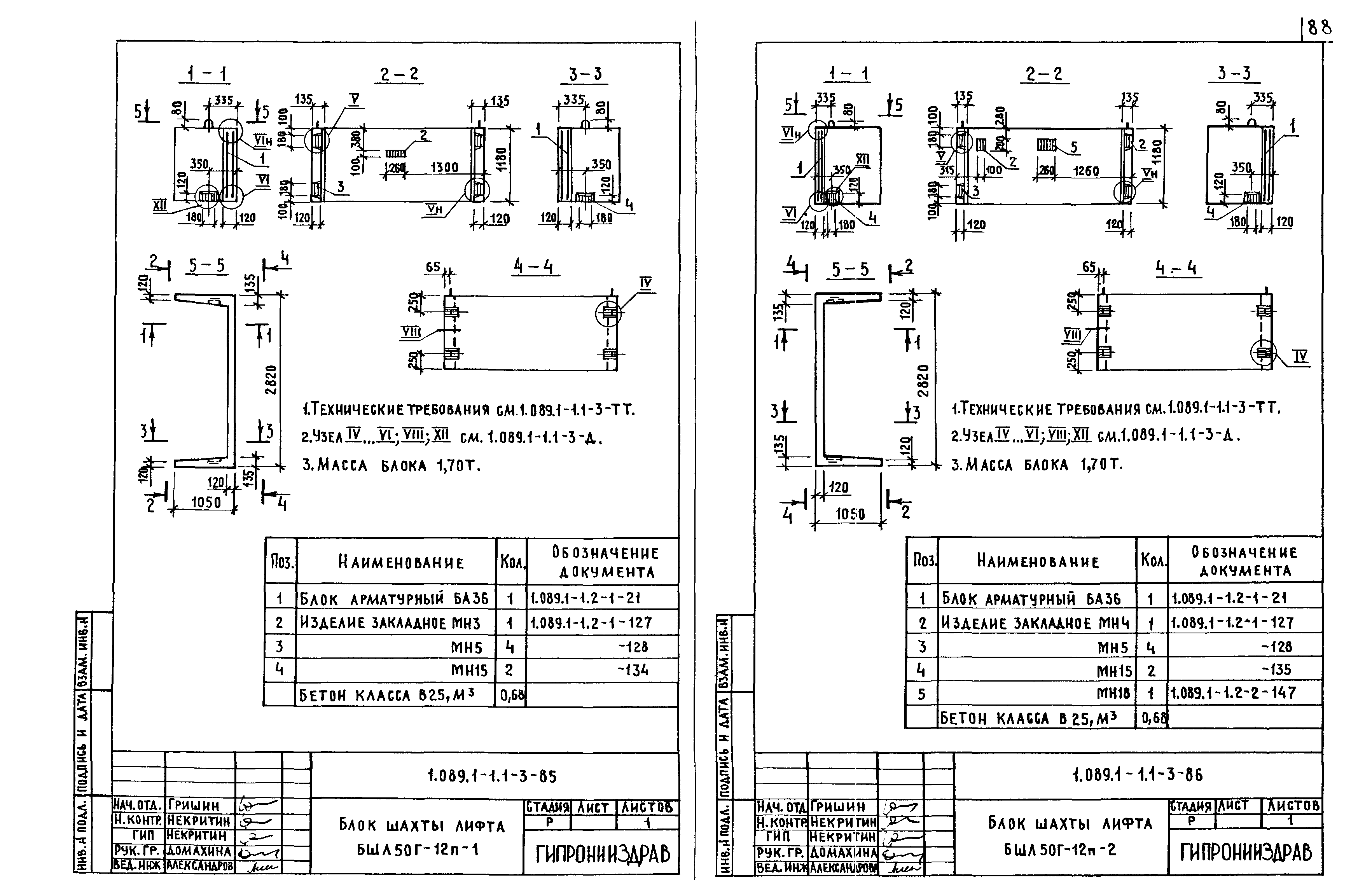
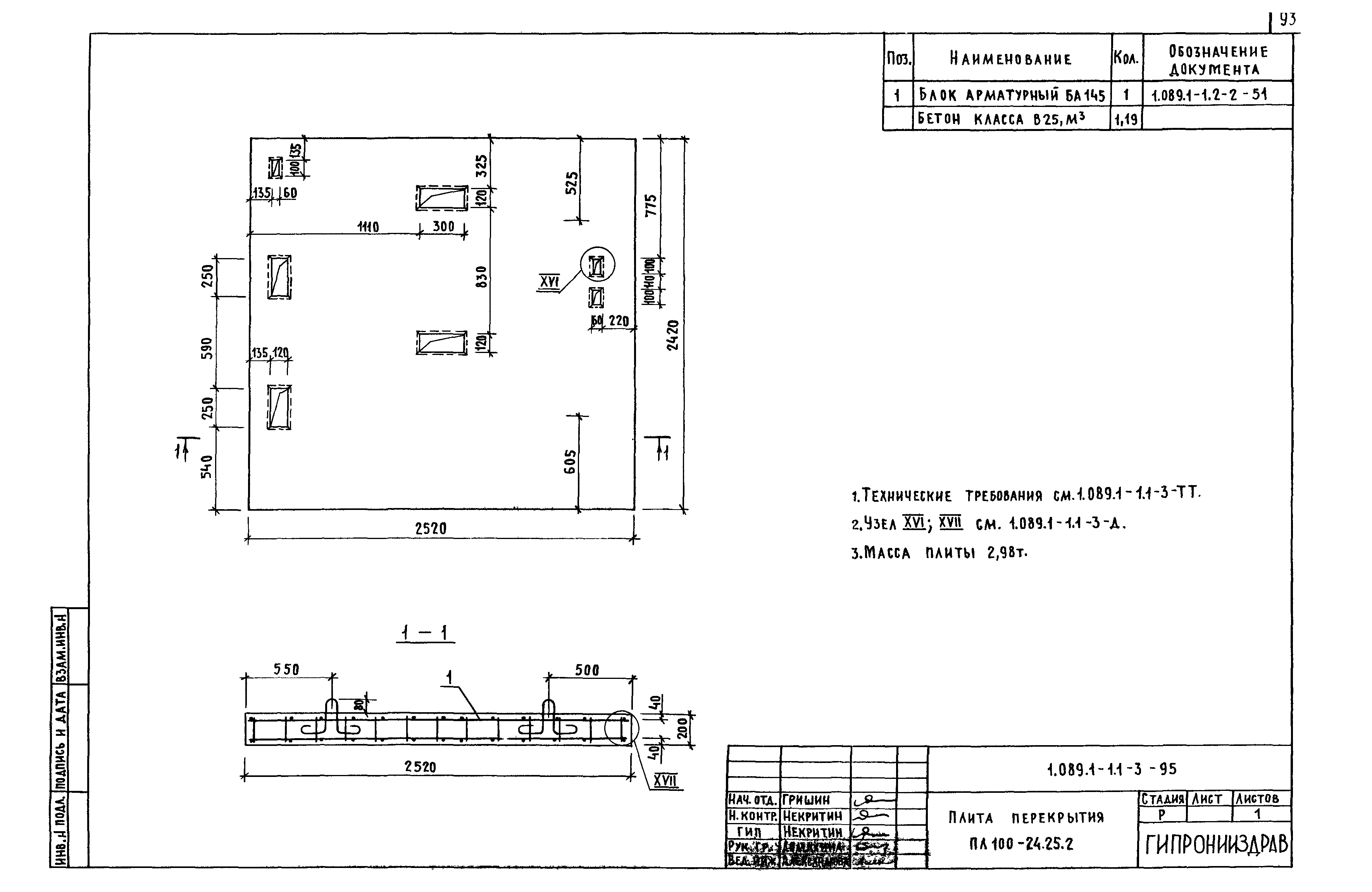
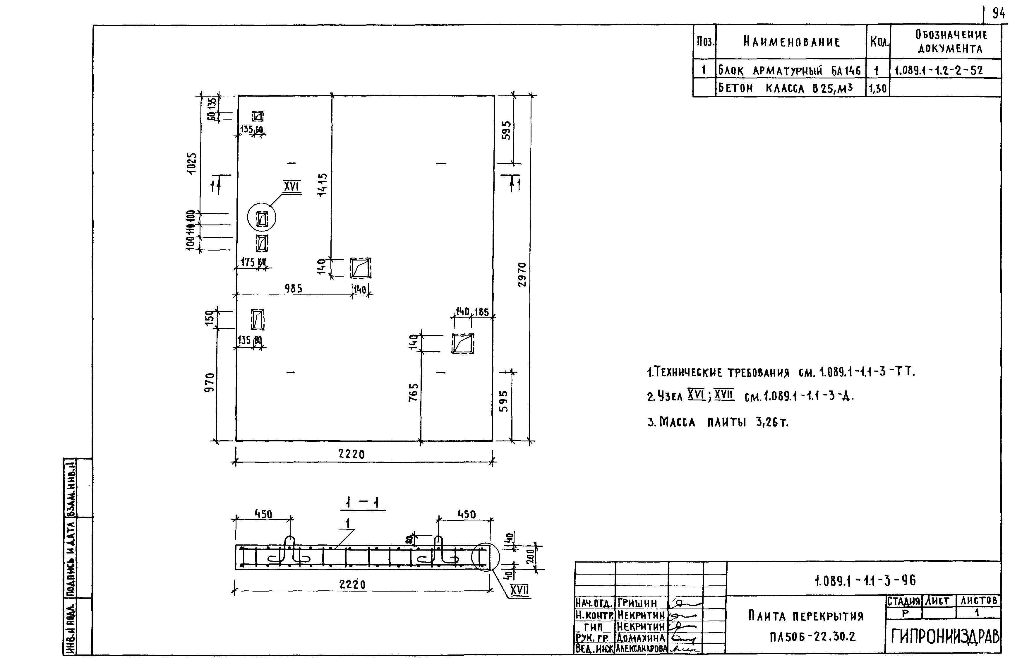
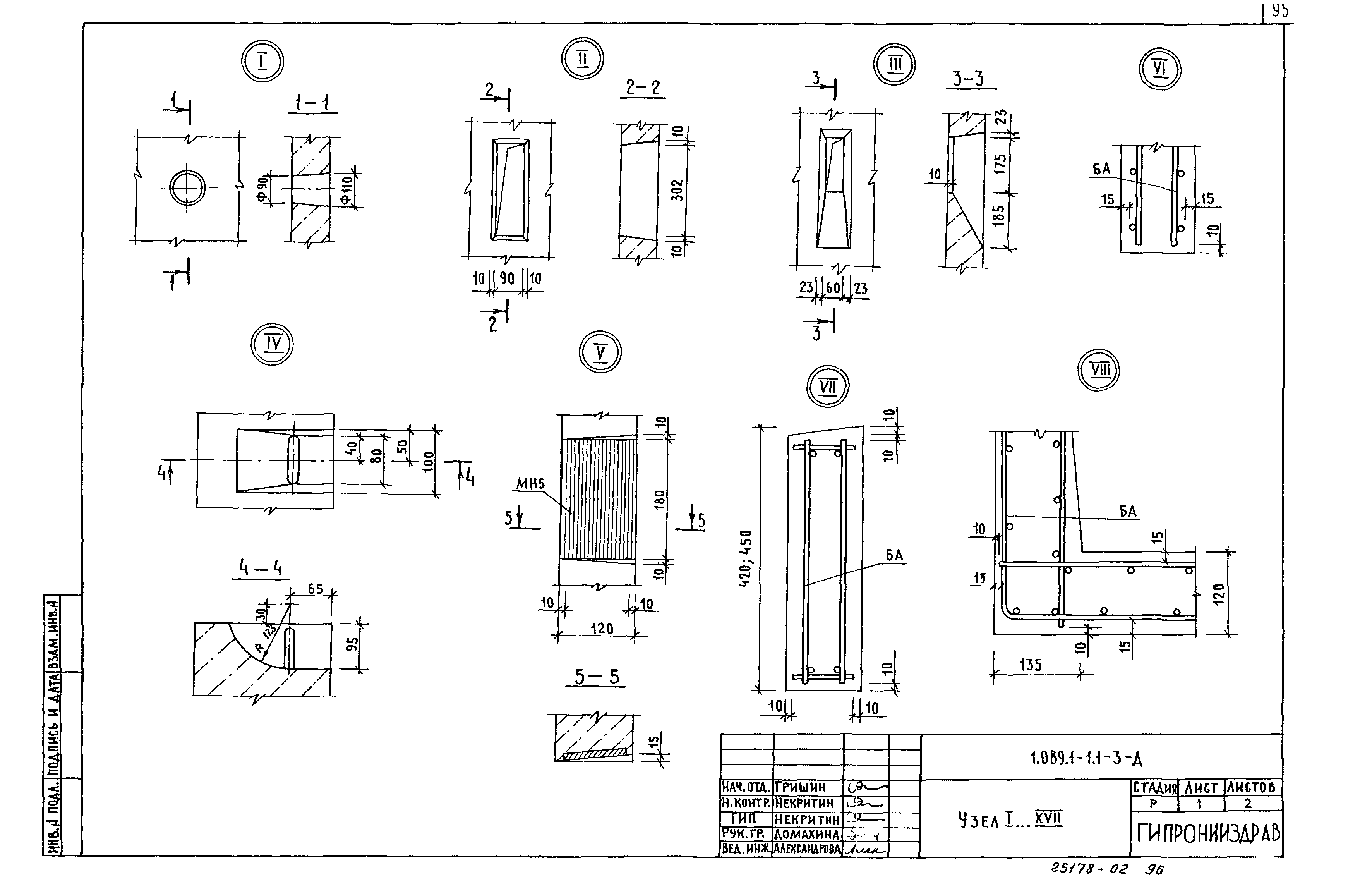
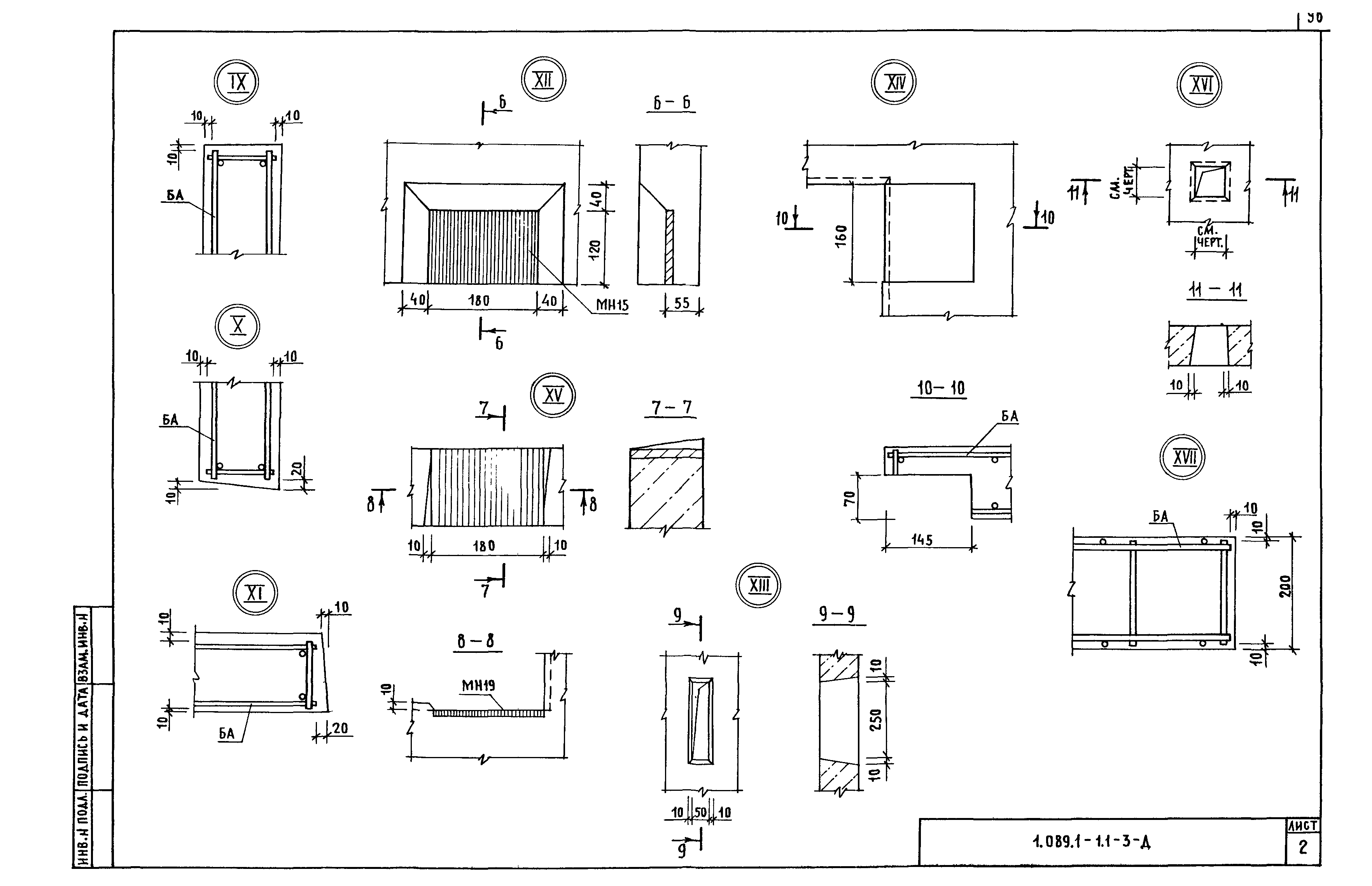
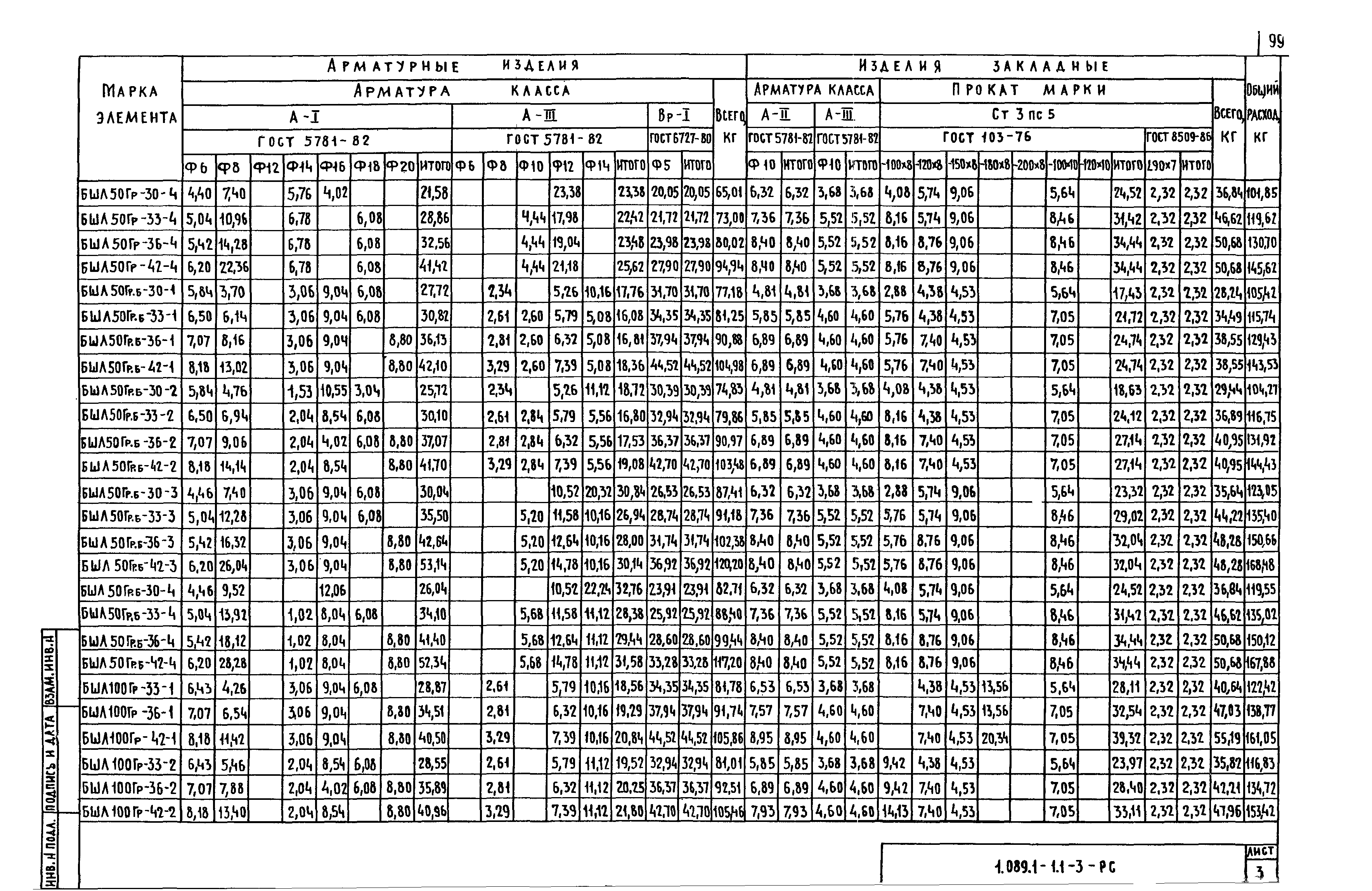
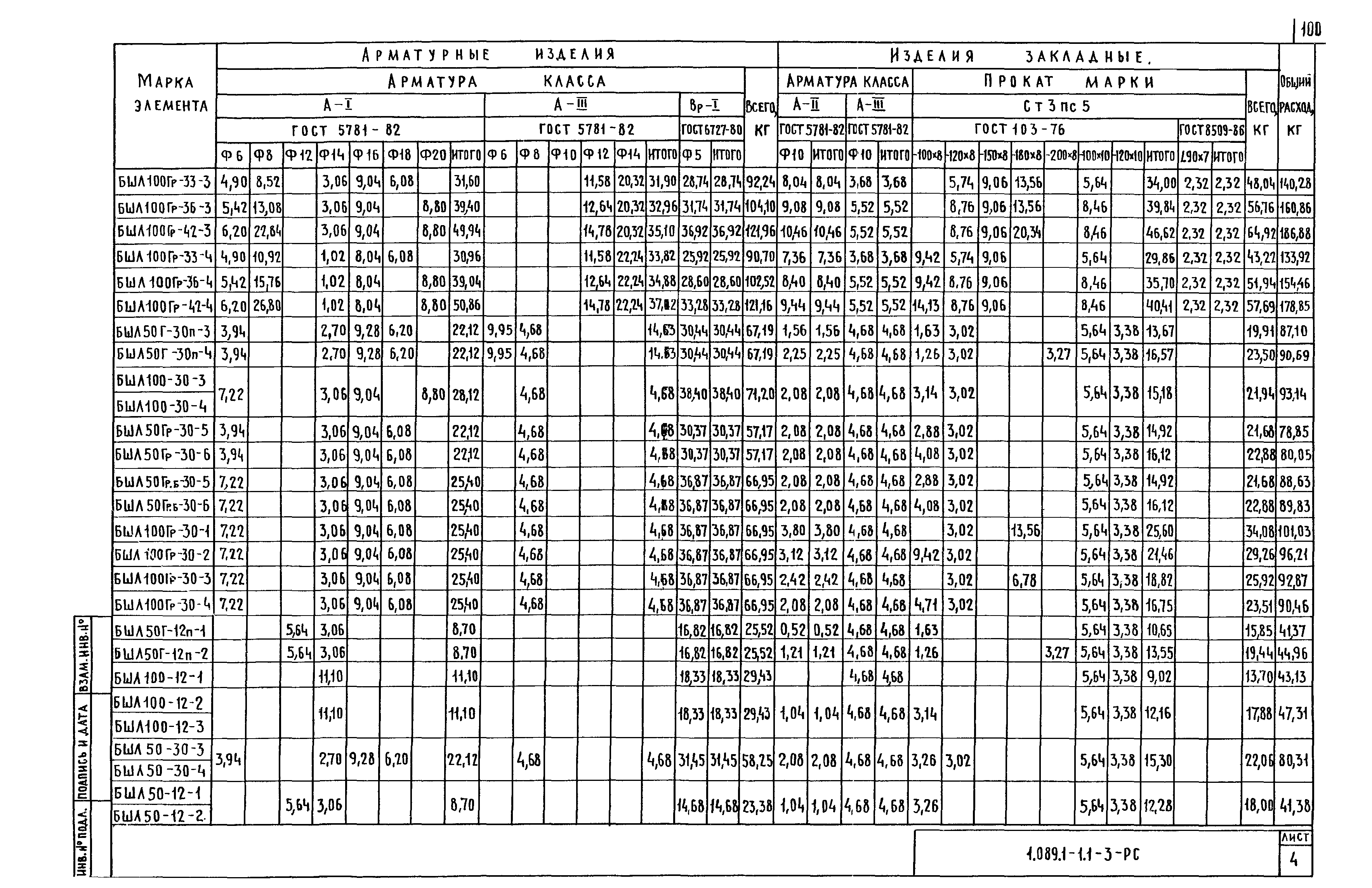
| Оглавление: | 1.089.1-1.1-3-ТТ Технические требования 1.089.1-1.1-3-01 Блок шахты лифта БШЛ50-30-1 1.089.1-1.1-3-02 Блок шахты лифта БШЛ50-33-1 1.089.1-1.1-3-03 Блок шахты лифта БШЛ50-36-1 1.089.1-1.1-3-04 Блок шахты лифта БШЛ50-42-1 1.089.1-1.1-3-05 Блок шахты лифта БШЛ50Г-30п-1 1.089.1-1.1-3-06 Блок шахты лифта БШЛ50Г-33п-1 1.089.1-1.1-3-07 Блок шахты лифта БШЛ50Г-36п-1 1.089.1-1.1-3-08 Блок шахты лифта БШЛ50Г-42п-1 1.089.1-1.1-3-09 Блок шахты лифта БШЛ100-30-1 1.089.1-1.1-3-10 Блок шахты лифта БШЛ100-33-1 1.089.1-1.1-3-11 Блок шахты лифта БШЛ100-36-1 1.089.1-1.1-3-12 Блок шахты лифта БШЛ100-42-1 1.089.1-1.1-3-13 Блок шахты лифта БШЛ50Б-33-1 1.089.1-1.1-3-14 Блок шахты лифта БШЛ50Б-36-1;БШЛ50Б-42-1 1.089.1-1.1-3-15 Блок шахты лифта БШЛ50Гр-30-1 1.089.1-1.1-3-16 Блок шахты лифта БШЛ50Гр-33-1 1.089.1-1.1-3-17 Блок шахты лифта БШЛ50Гр-36-1;БШЛ50Гр-42-1 1.089.1-1.1-3-18 Блок шахты лифта БШЛ50Гр.б-30-1 1.089.1-1.1-3-19 Блок шахты лифта БШЛ50Гр.б-33-1 1.089.1-1.1-3-20 Блок шахты лифта БШЛ50Гр.б-36-1;БШЛ50Гр.б-42-1 1.089.1-1.1-3-21 Блок шахты лифта БШЛ100Гр.б-33-1 1.089.1-1.1-3-22 Блок шахты лифта БШЛ100Гр.б-36-1 1.089.1-1.1-3-23 Блок шахты лифта БШЛ100Гр.б-42-1 1.089.1-1.1-3-24 Блок шахты лифта БШЛ50-30-2 1.089.1-1.1-3-25 Блок шахты лифта БШЛ50-33-2 1.089.1-1.1-3-26 Блок шахты лифта БШЛ50-36-2 1.089.1-1.1-3-27 Блок шахты лифта БШЛ50-42-2 1.089.1-1.1-3-28 Блок шахты лифта БШЛ50Г-30п-2 1.089.1-1.1-3-29 Блок шахты лифта БШЛ50Г-33п-2 1.089.1-1.1-3-30 Блок шахты лифта БШЛ50Г-36п-2 1.089.1-1.1-3-31 Блок шахты лифта БШЛ50Г-42п-2 1.089.1-1.1-3-32 Блок шахты лифта БШЛ100-30-2 1.089.1-1.1-3-33 Блок шахты лифта БШЛ100-33-2 1.089.1-1.1-3-34 Блок шахты лифта БШЛ100-36-2 1.089.1-1.1-3-35 Блок шахты лифта БШЛ100-42-2 1.089.1-1.1-3-36 Блок шахты лифта БШЛ50Б-33-2 1.089.1-1.1-3-37 Блок шахты лифта БШЛ50Б-36-2;БШЛ50Б-42-2 1.089.1-1.1-3-38 Блок шахты лифта БШЛ50Гр-30-2 1.089.1-1.1-3-39 Блок шахты лифта БШЛ50Гр-33-2 1.089.1-1.1-3-40 Блок шахты лифта БШЛ50Гр-36-2;БШЛ50Гр-42-2 1.089.1-1.1-3-41 Блок шахты лифта БШЛ50Гр.б-30-2 1.089.1-1.1-3-42 Блок шахты лифта БШЛ50Гр.б-33-2 1.089.1-1.1-3-43 Блок шахты лифта БШЛ50Гр.б-36-2;БШЛ50Гр.б-42-2 1.089.1-1.1-3-44 Блок шахты лифта БШЛ100Гр.б-33-2 1.089.1-1.1-3-45 Блок шахты лифта БШЛ100Гр.б-36-2 1.089.1-1.1-3-46 Блок шахты лифта БШЛ100Гр.б-42-2 1.089.1-1.1-3-47 Блок шахты лифта БШЛ50Б-33-3 1.089.1-1.1-3-48 Блок шахты лифта БШЛ50Б-36-3;БШЛ50Б-42-3 1.089.1-1.1-3-49 Блок шахты лифта БШЛ50Б-33-4 1.089.1-1.1-3-50 Блок шахты лифта БШЛ50Б-36-4;БШЛ50Б-42-4 1.089.1-1.1-3-51 Блок шахты лифта БШЛ50Гр-30-3 1.089.1-1.1-3-52 Блок шахты лифта БШЛ50Гр-33-3 1.089.1-1.1-3-53 Блок шахты лифта БШЛ50Гр-36-3;БШЛ50Гр-42-3 1.089.1-1.1-3-54 Блок шахты лифта БШЛ50Гр-30-4 1.089.1-1.1-3-55 Блок шахты лифта БШЛ50Гр-33-4 1.089.1-1.1-3-56 Блок шахты лифта БШЛ50Гр-36-4;БШЛ50Гр-42-4 1.089.1-1.1-3-57 Блок шахты лифта БШЛ50Гр.б-30-3 1.089.1-1.1-3-58 Блок шахты лифта БШЛ50Гр.б-33-3 1.089.1-1.1-3-59 Блок шахты лифта БШЛ50Гр.б-36-3;БШЛ50Гр.б-42-3 1.089.1-1.1-3-60 Блок шахты лифта БШЛ50Гр.б-30-4 1.089.1-1.1-3-61 Блок шахты лифта БШЛ50Гр.б-33-4 1.089.1-1.1-3-62 Блок шахты лифта БШЛ50Гр.б-36-4;БШЛ50Гр.б-42-4 1.089.1-1.1-3-63 Блок шахты лифта БШЛ100Гр.б-33-3 1.089.1-1.1-3-64 Блок шахты лифта БШЛ100Гр.б-36-3 1.089.1-1.1-3-65 Блок шахты лифта БШЛ100Гр.б-42-3 1.089.1-1.1-3-66 Блок шахты лифта БШЛ100Гр.б-33-4 1.089.1-1.1-3-67 Блок шахты лифта БШЛ100Гр.б-36-4 1.089.1-1.1-3-68 Блок шахты лифта БШЛ100Гр.б-42-4 1.089.1-1.1-3-69 Блок шахты лифта БШЛ50-30-3 1.089.1-1.1-3-70 Блок шахты лифта БШЛ50-30-4 1.089.1-1.1-3-71 Блок шахты лифта БШЛ50Г-30п-3 1.089.1-1.1-3-72 Блок шахты лифта БШЛ50Г-30п-4 1.089.1-1.1-3-73 Блок шахты лифта БШЛ100-30-3 1.089.1-1.1-3-74 Блок шахты лифта БШЛ100-30-4 1.089.1-1.1-3-75 Блок шахты лифта БШЛ100Гр-30-5 1.089.1-1.1-3-76 Блок шахты лифта БШЛ100Гр-30-6 1.089.1-1.1-3-77 Блок шахты лифта БШЛ50Гр.б-30-5 1.089.1-1.1-3-78 Блок шахты лифта БШЛ50Гр.б-30-6 1.089.1-1.1-3-79 Блок шахты лифта БШЛ100Гр-30-1 1.089.1-1.1-3-80 Блок шахты лифта БШЛ100Гр-30-2 1.089.1-1.1-3-81 Блок шахты лифта БШЛ100Гр-30-3 1.089.1-1.1-3-82 Блок шахты лифта БШЛ100Гр-30-4 1.089.1-1.1-3-83 Блок шахты лифта БШЛ50-12-1 1.089.1-1.1-3-84 Блок шахты лифта БШЛ50-12-2 1.089.1-1.1-3-85 Блок шахты лифта БШЛ50Г-12п-1 1.089.1-1.1-3-86 Блок шахты лифта БШЛ50Г-12п-2 1.089.1-1.1-3-87 Блок шахты лифта БШЛ100-12-1 1.089.1-1.1-3-88 Блок шахты лифта БШЛ100-12-2 1.089.1-1.1-3-89 Блок шахты лифта БШЛ100-12-3 1.089.1-1.1-3-90 Блок шахты лифта БШЛ50Гр-12-1 1.089.1-1.1-3-91 Блок шахты лифта БШЛ50Гр.б-12-1 1.089.1-1.1-3-92 Блок шахты лифта БШЛ100Гр-12-1 1.089.1-1.1-3-93 Блок шахты лифта БШЛ100Гр-12-2 1.089.1-1.1-3-94 Блок шахты лифта БШЛ100Гр-12-3 1.089.1-1.1-3-95 Плита перекрытия ПЛ100-24.25.2 1.089.1-1.1-3-96 Плита перекрытия ПЛ50Б-22.30.2 1.089.1-1.1-3-Д Узел 1…17 1.089.1-1.1-3-РС Ведомость расхода стали |
| Разработан: | ГипроНИИздрав Минздрава СССР |
| Утверждён: | 15.04.1991 Главпроект Госстроя СССР |
| Издан: | ЦИТП Госстроя СССР (CITP, Gosstroy (USSR) 1991 г. ) |





































































































