Скачать Серия 1.089.1-1 Выпуск 2-2. Блоки шахт пассажирских и грузовых лифтов по альбому АТ-6 и плиты перекрытий. Арматурные и закладные изделия. Рабочие чертежиДата актуализации: 01.01.2021
|
| Обозначение: | Серия 1.089.1-1 |
| Обозначение англ: | Series 1.089.1-1 |
| Статус: | не определен законодательством |
| Название рус.: | Выпуск 2-2. Блоки шахт пассажирских и грузовых лифтов по альбому АТ-6 и плиты перекрытий. Арматурные и закладные изделия. Рабочие чертежи |
| Дата добавления в базу: | 01.09.2013 |
| Дата актуализации: | 01.01.2021 |
| Дата введения: | 01.01.1992 |
| Дата окончания срока действия: | 30.06.2003 |
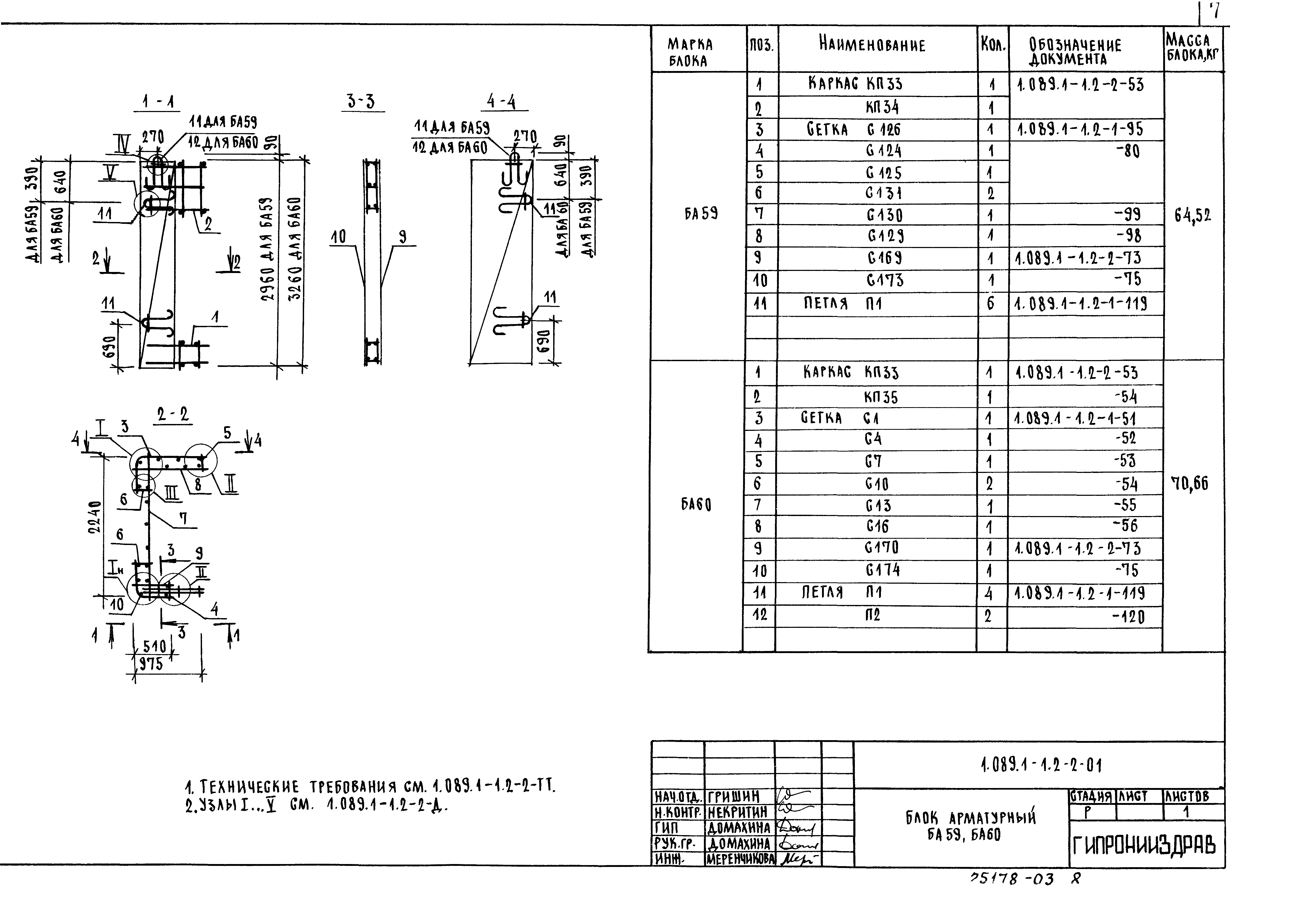
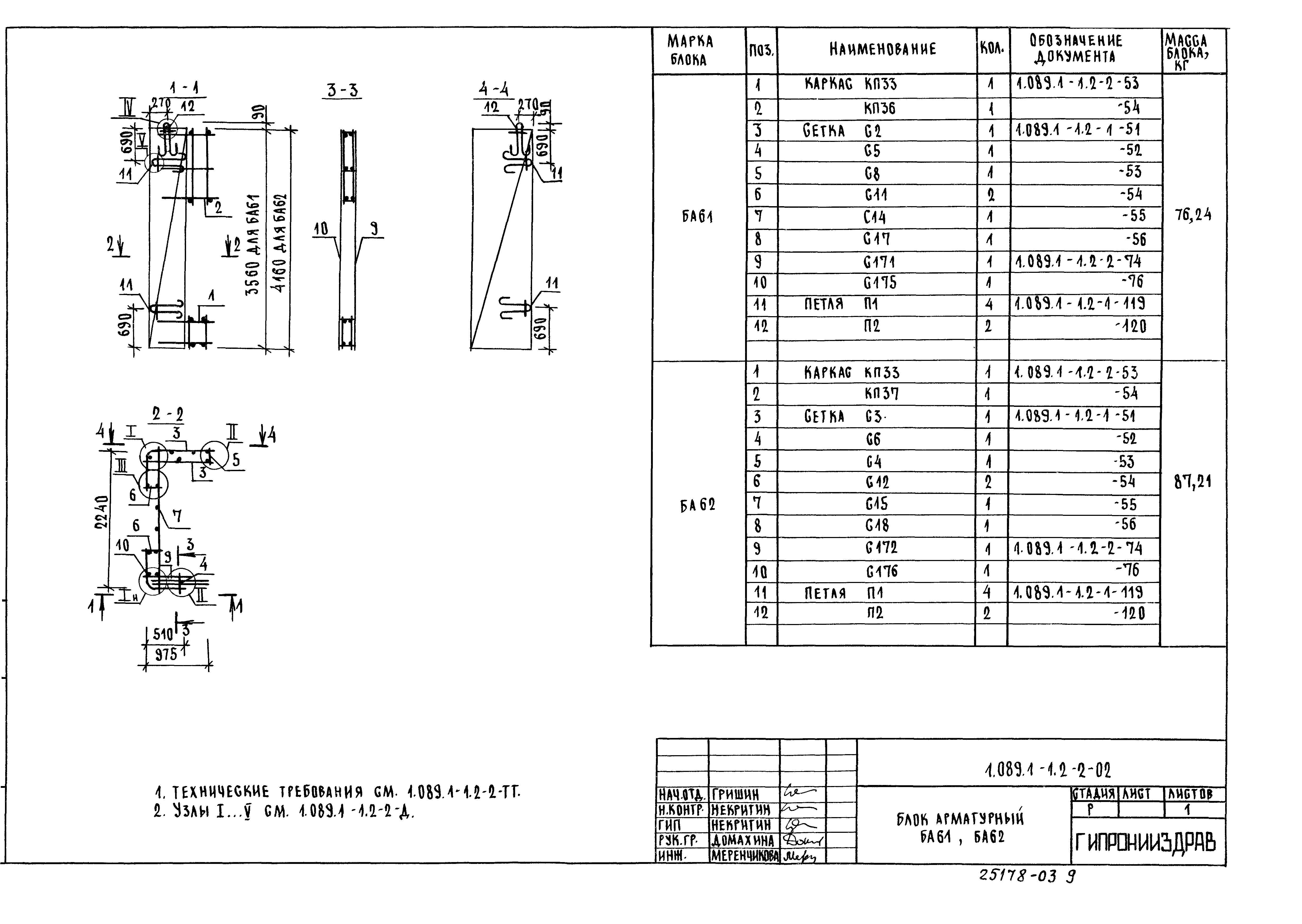
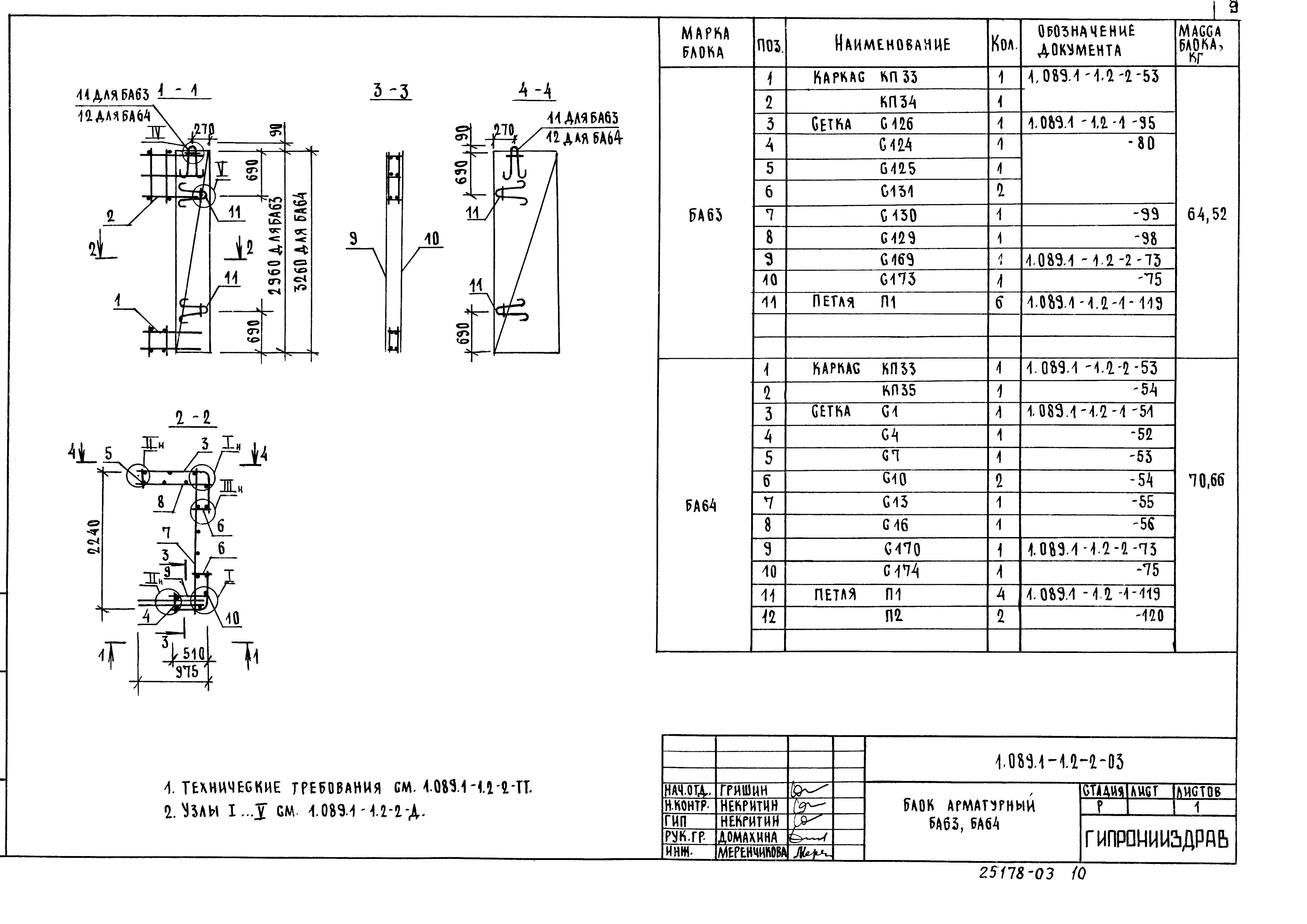
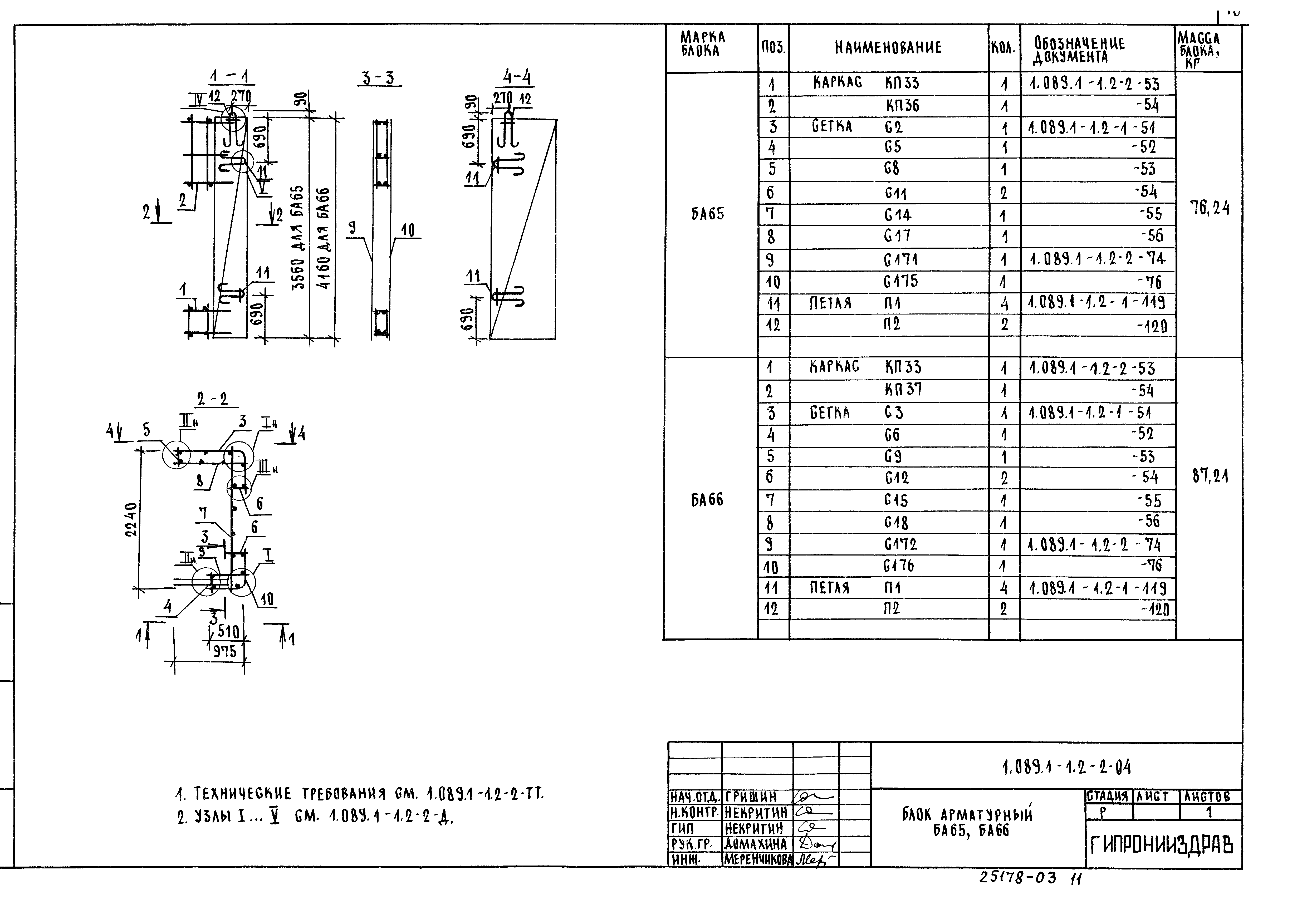
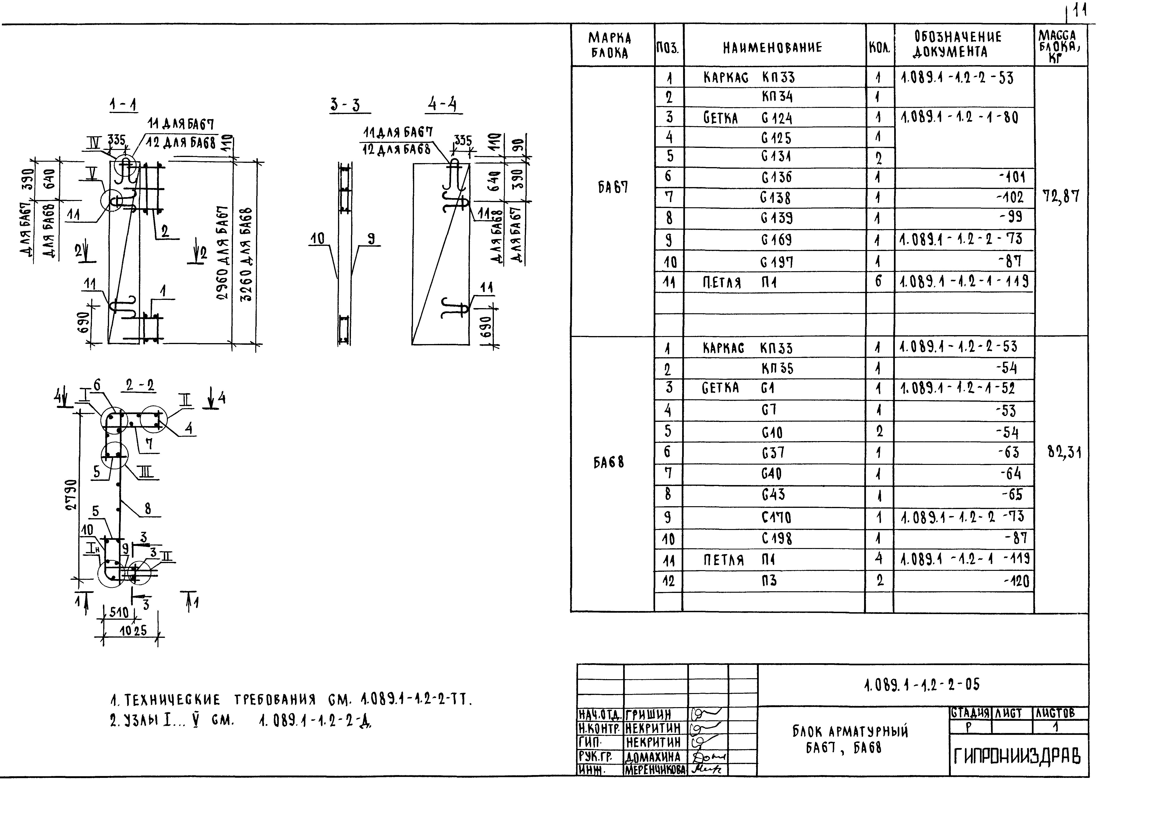
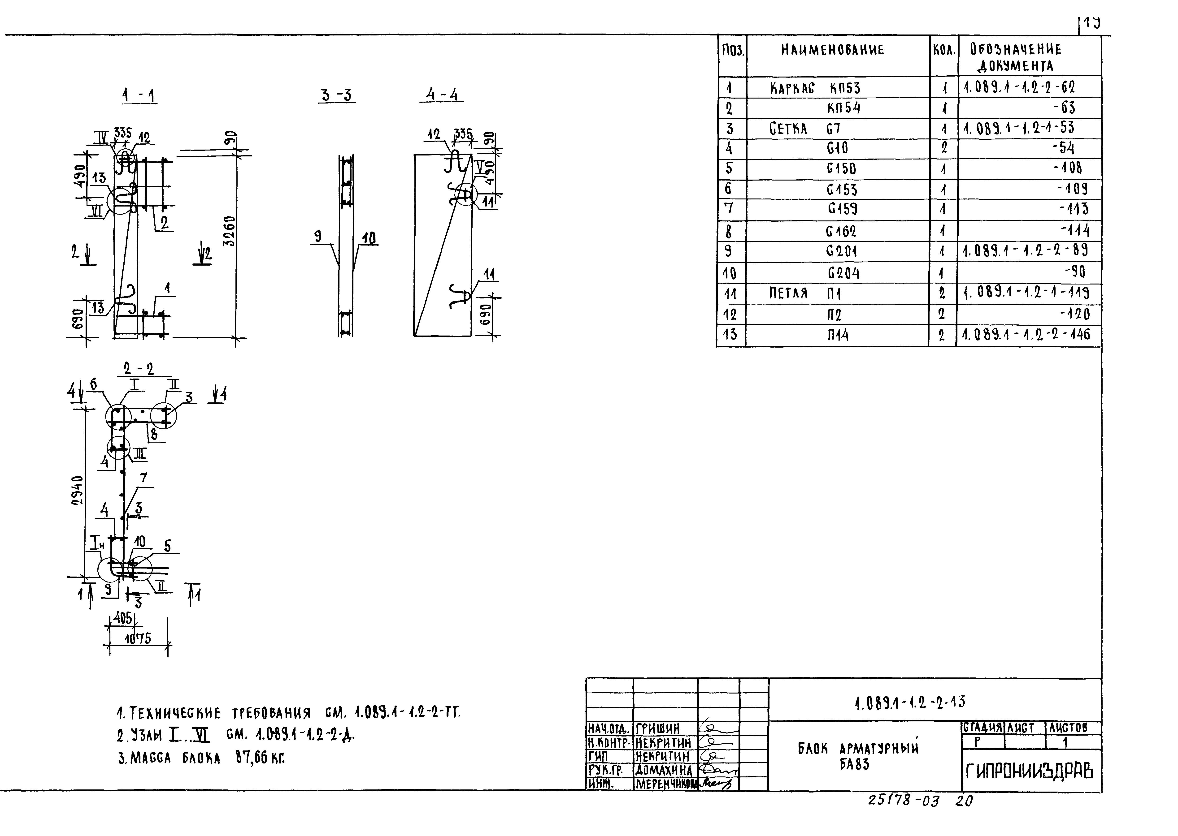
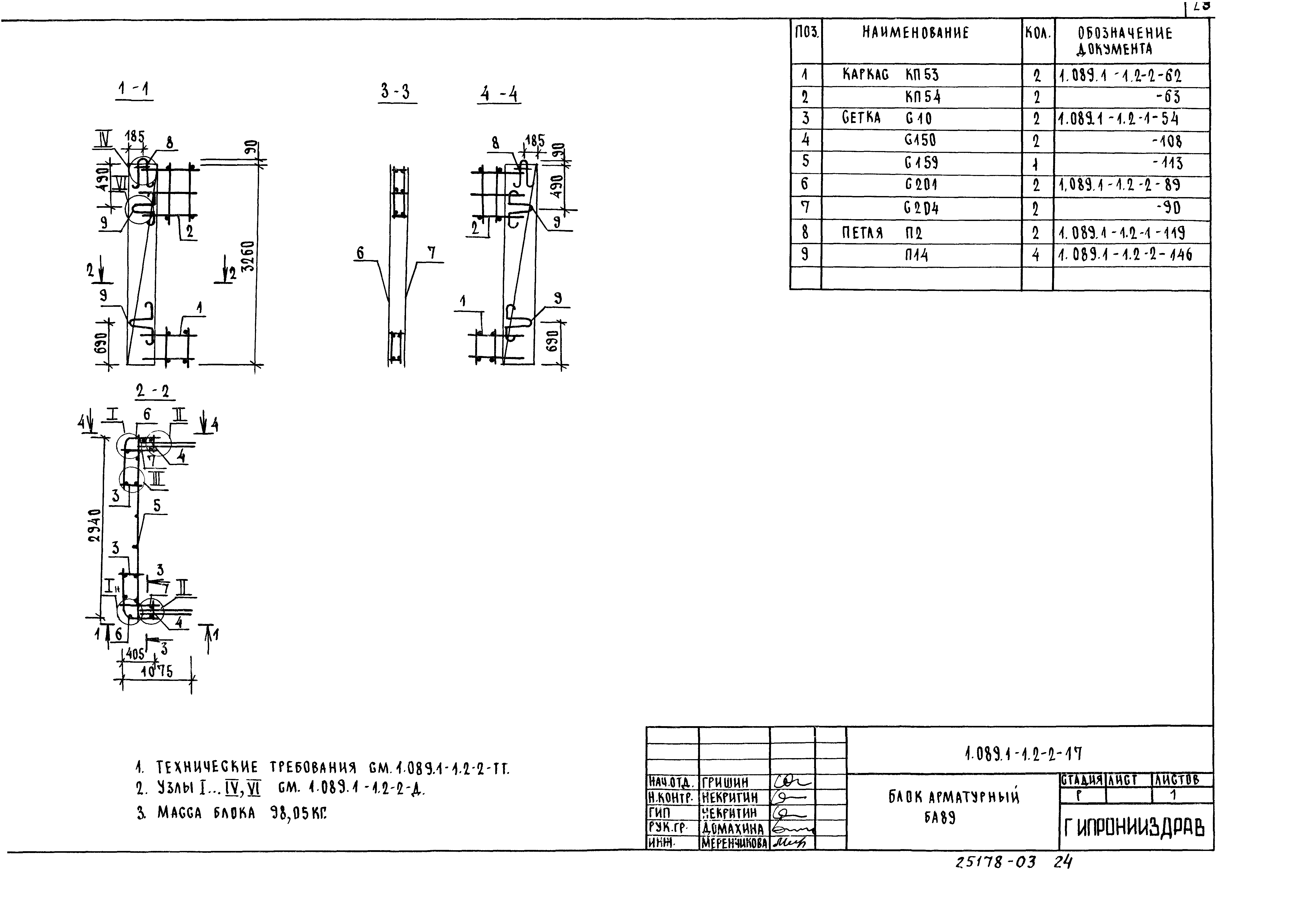
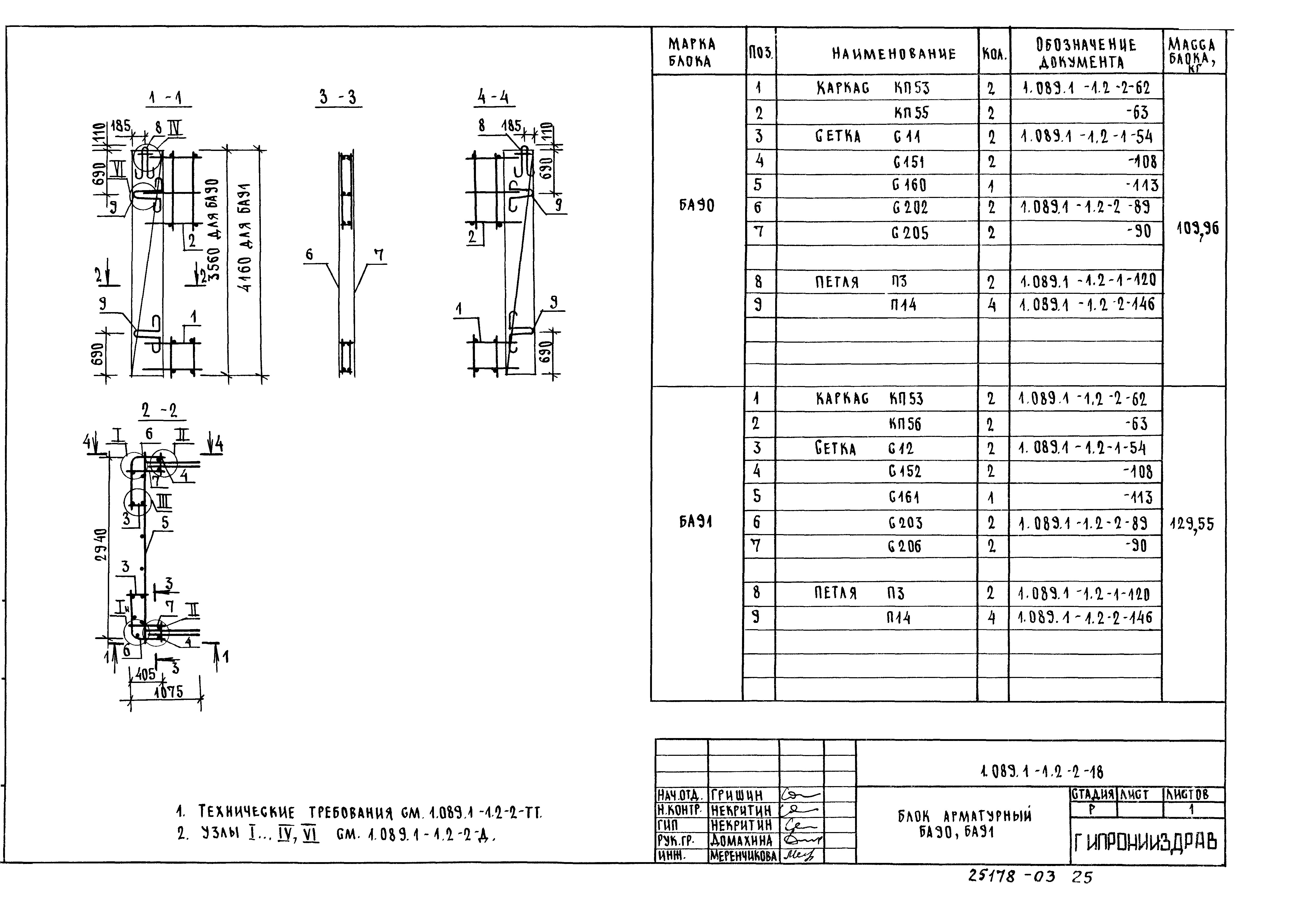
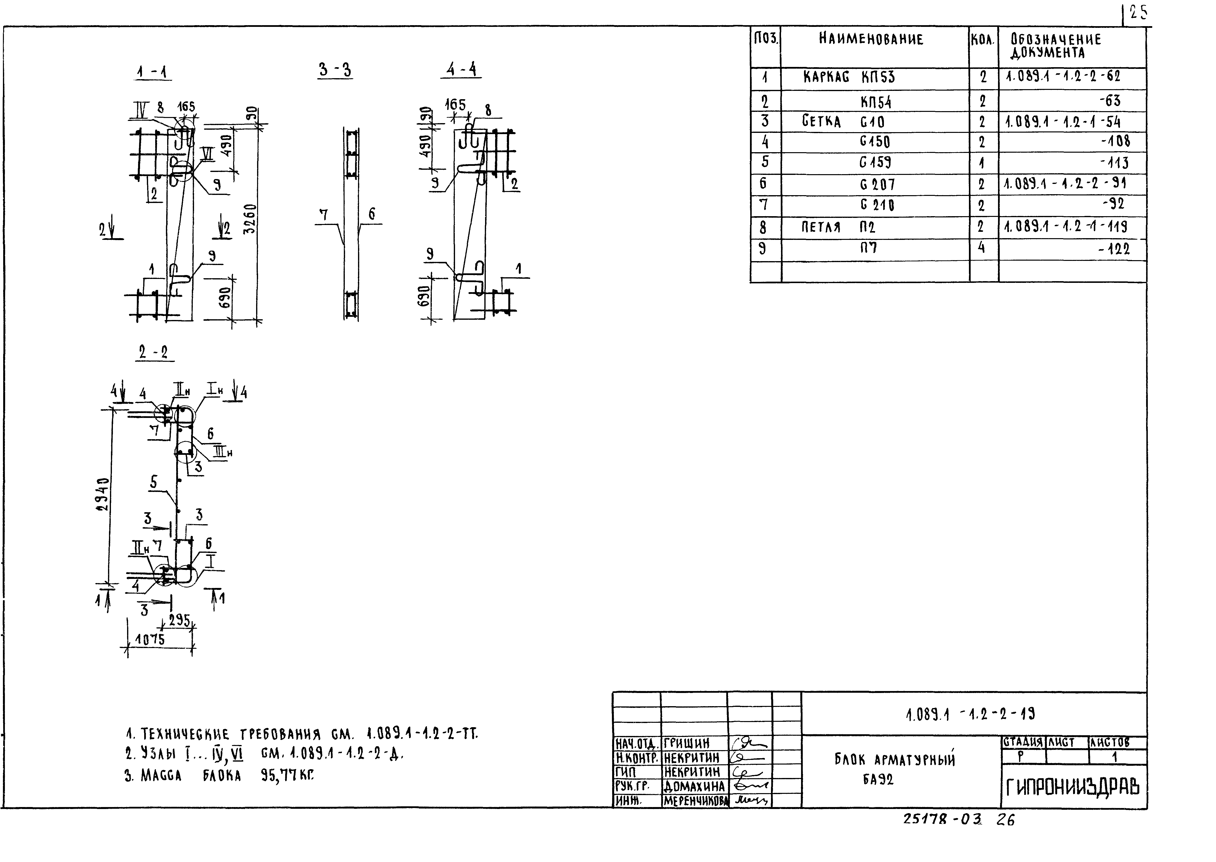
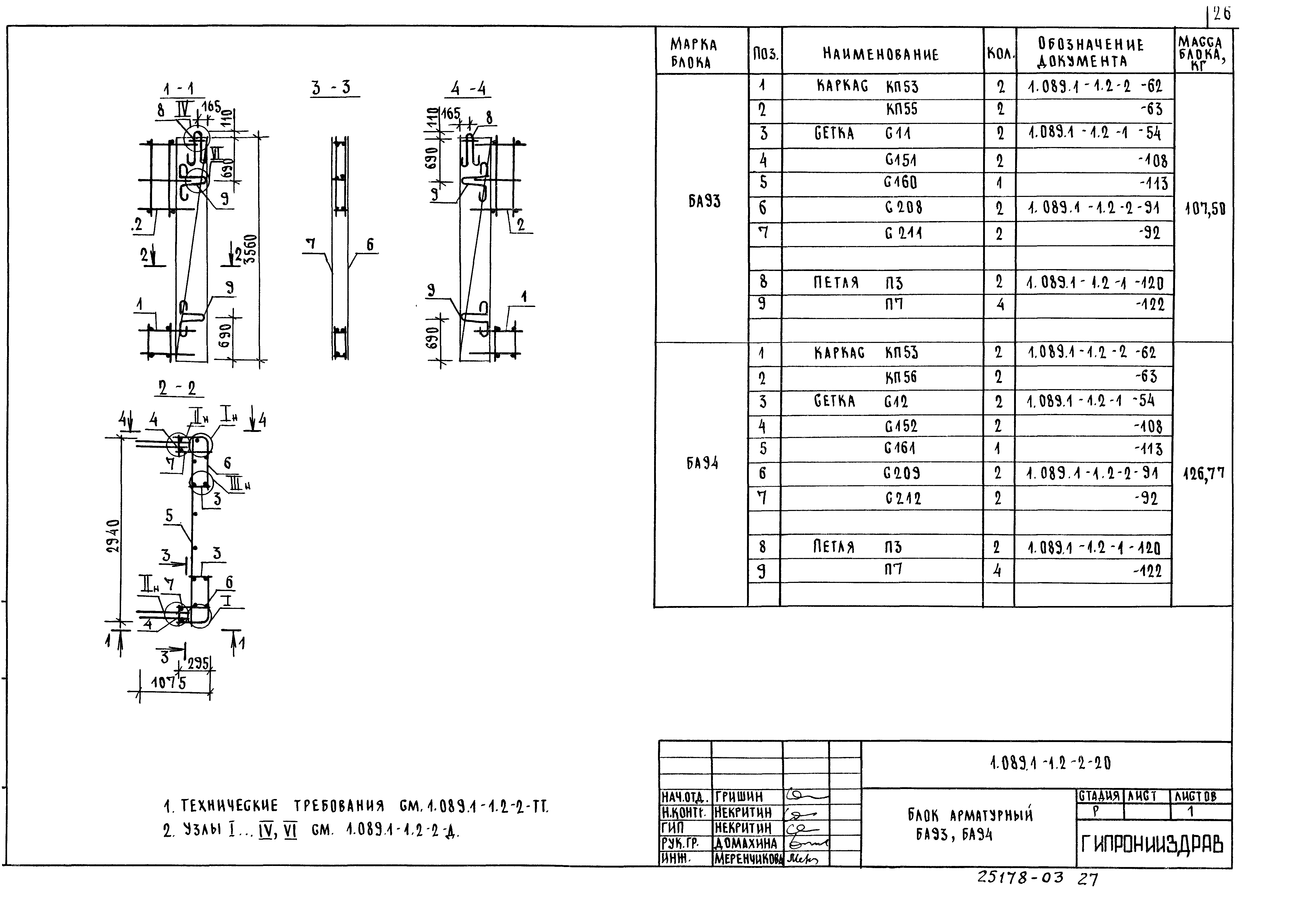
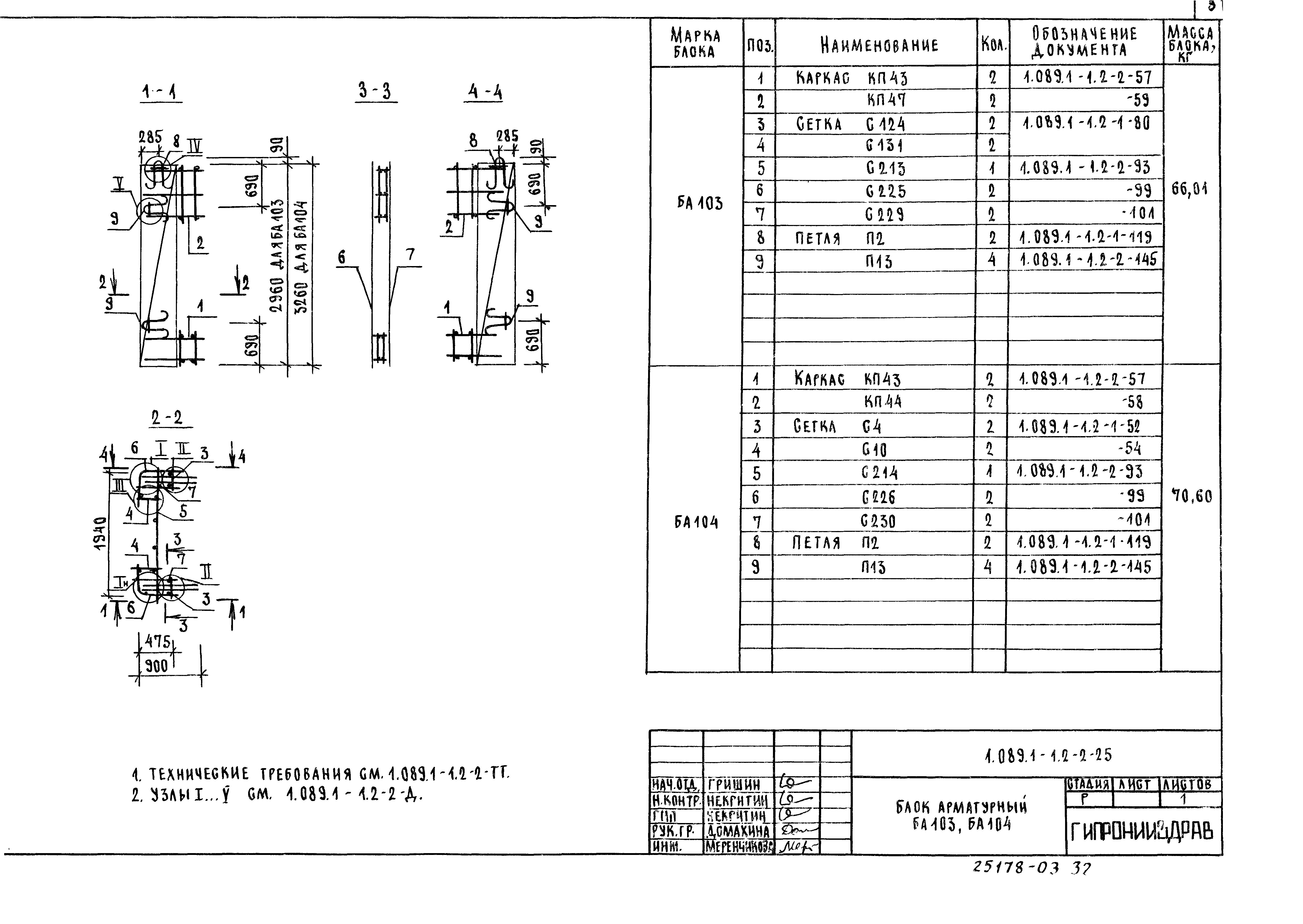
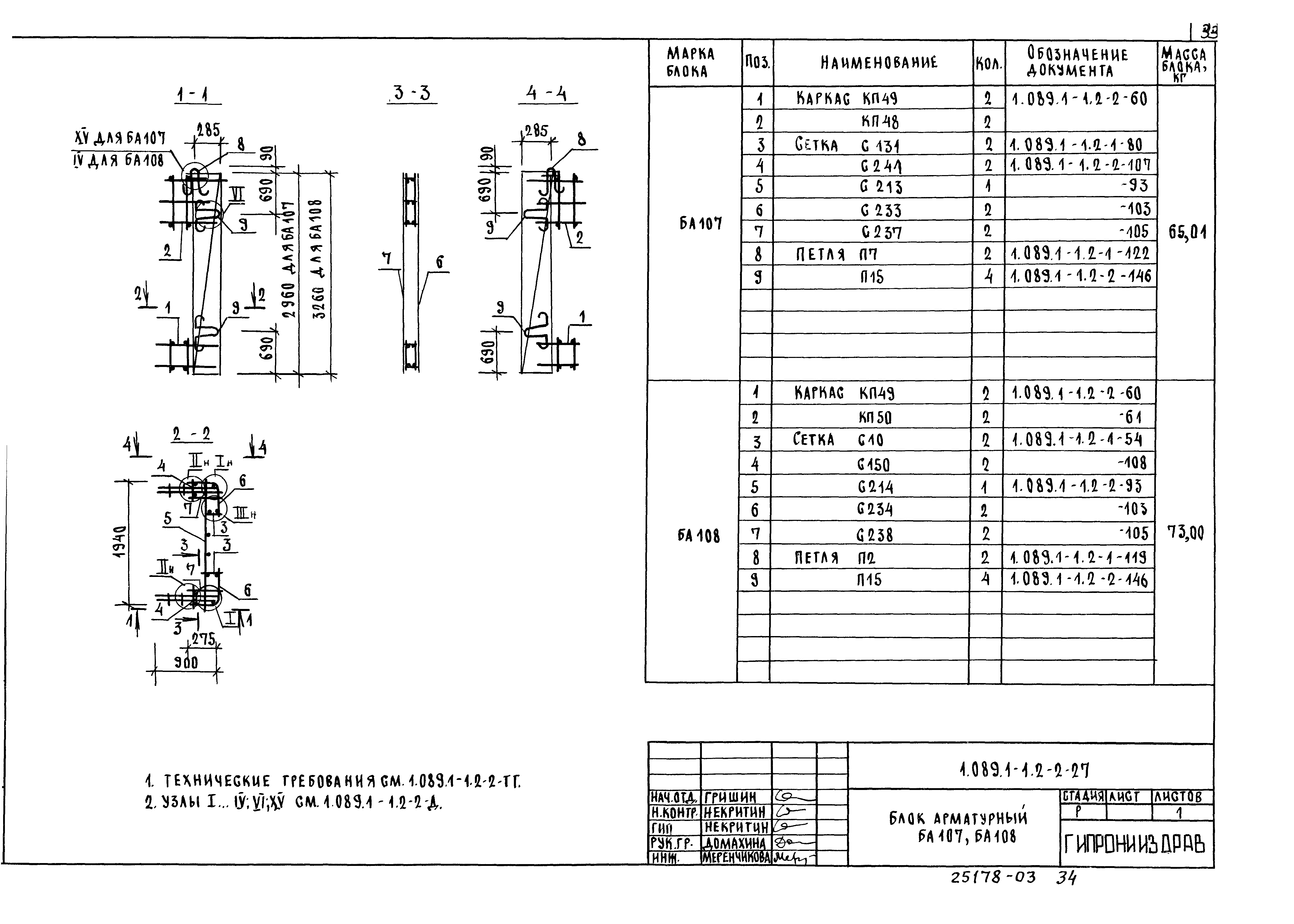
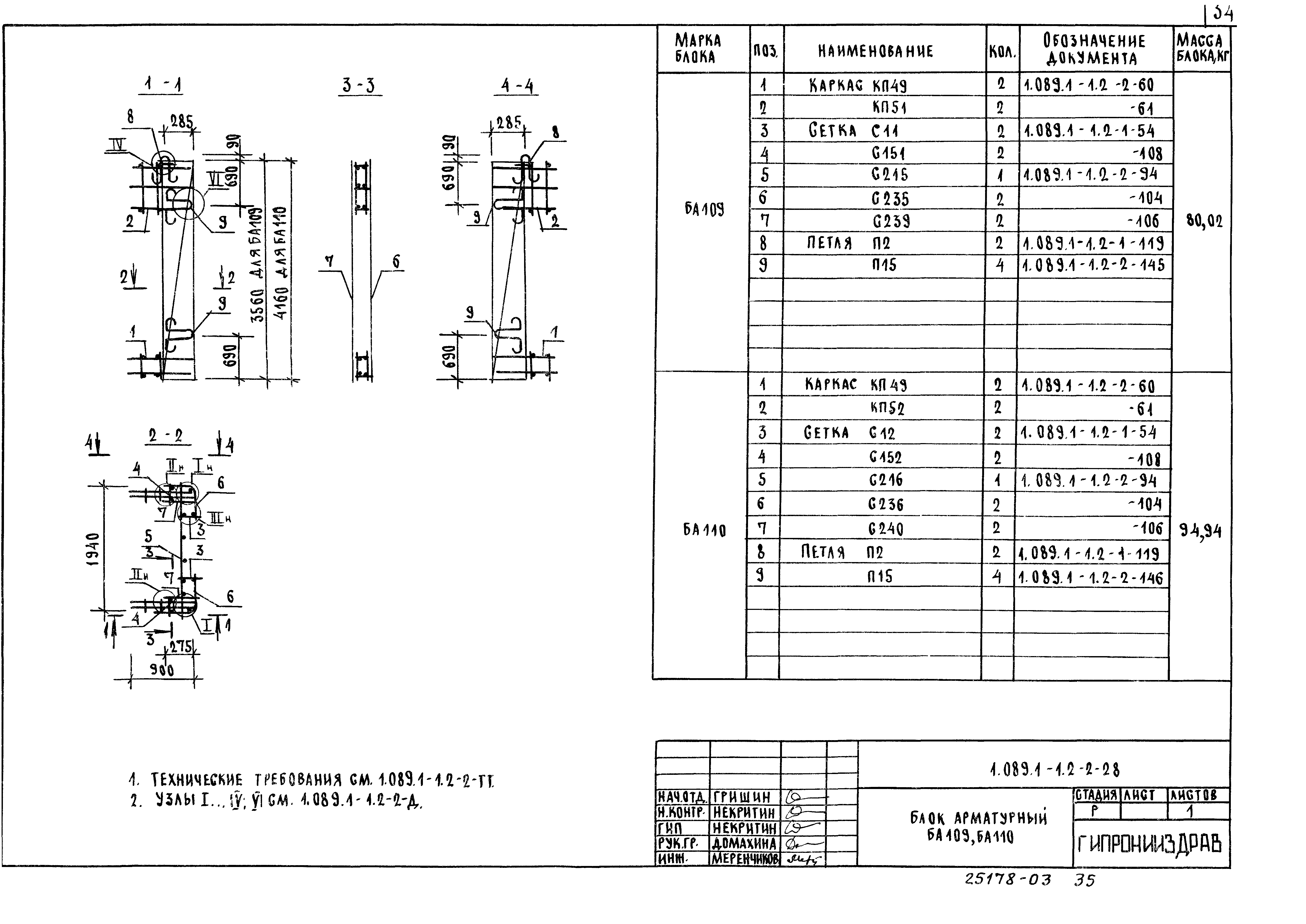
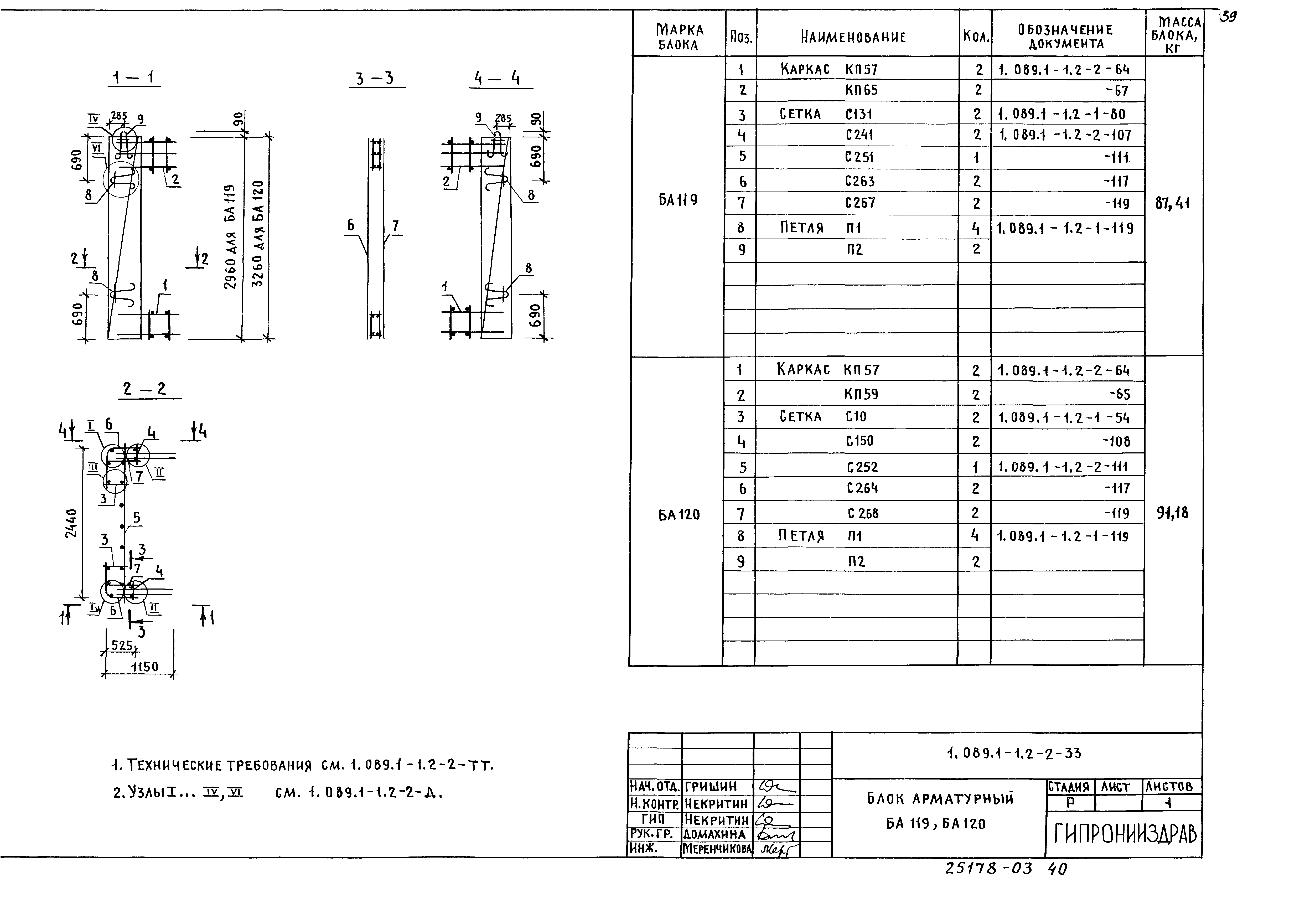
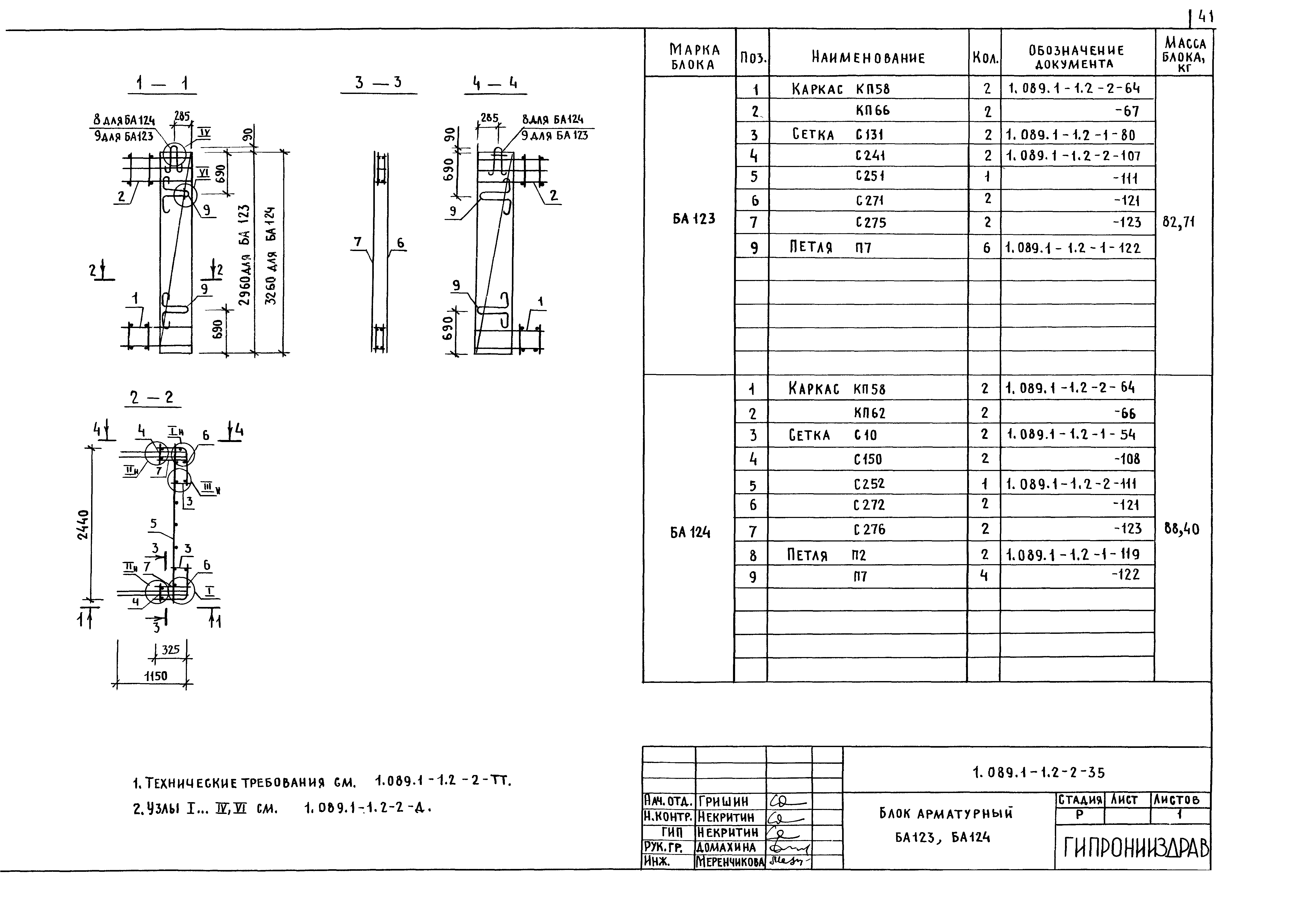
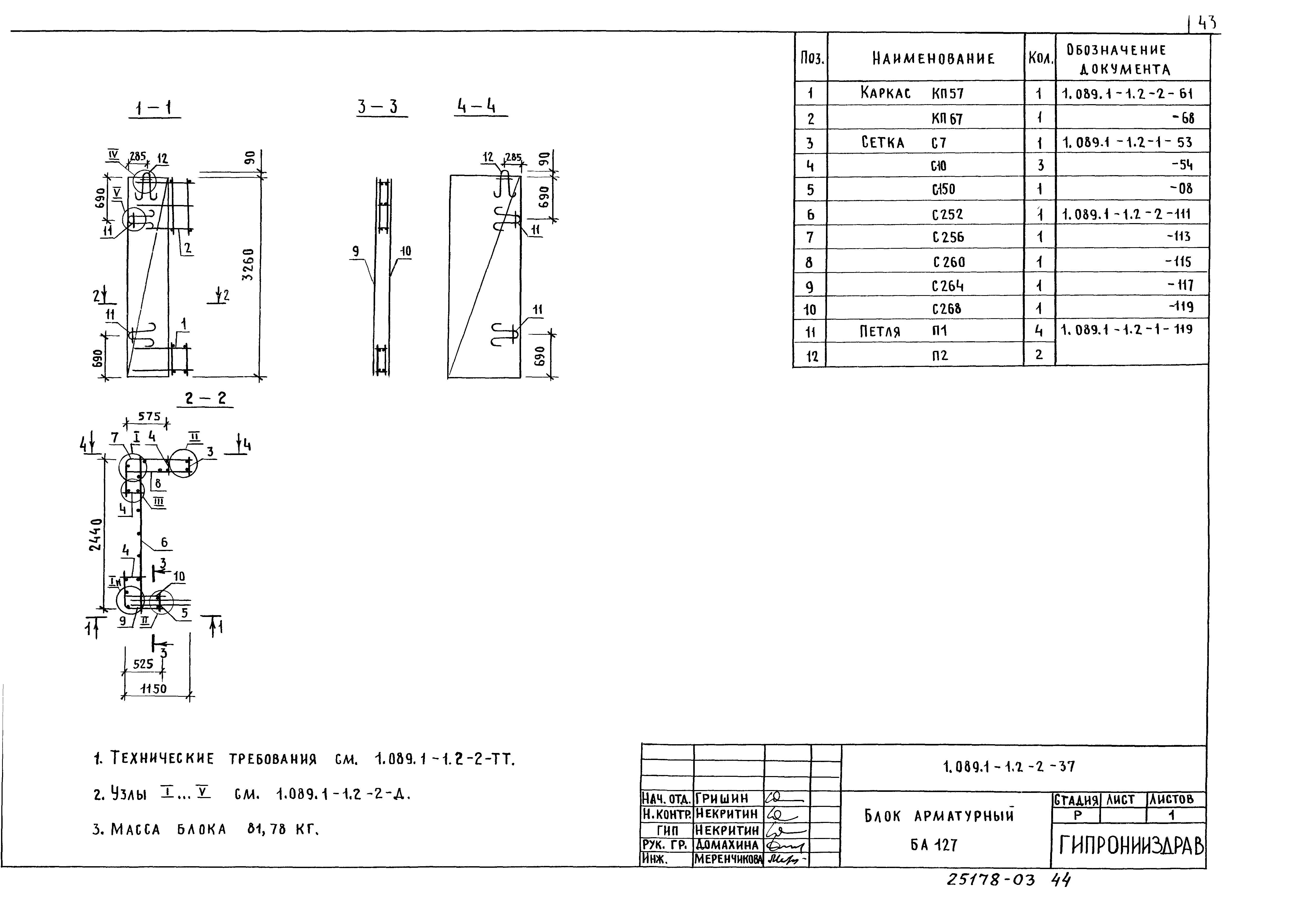
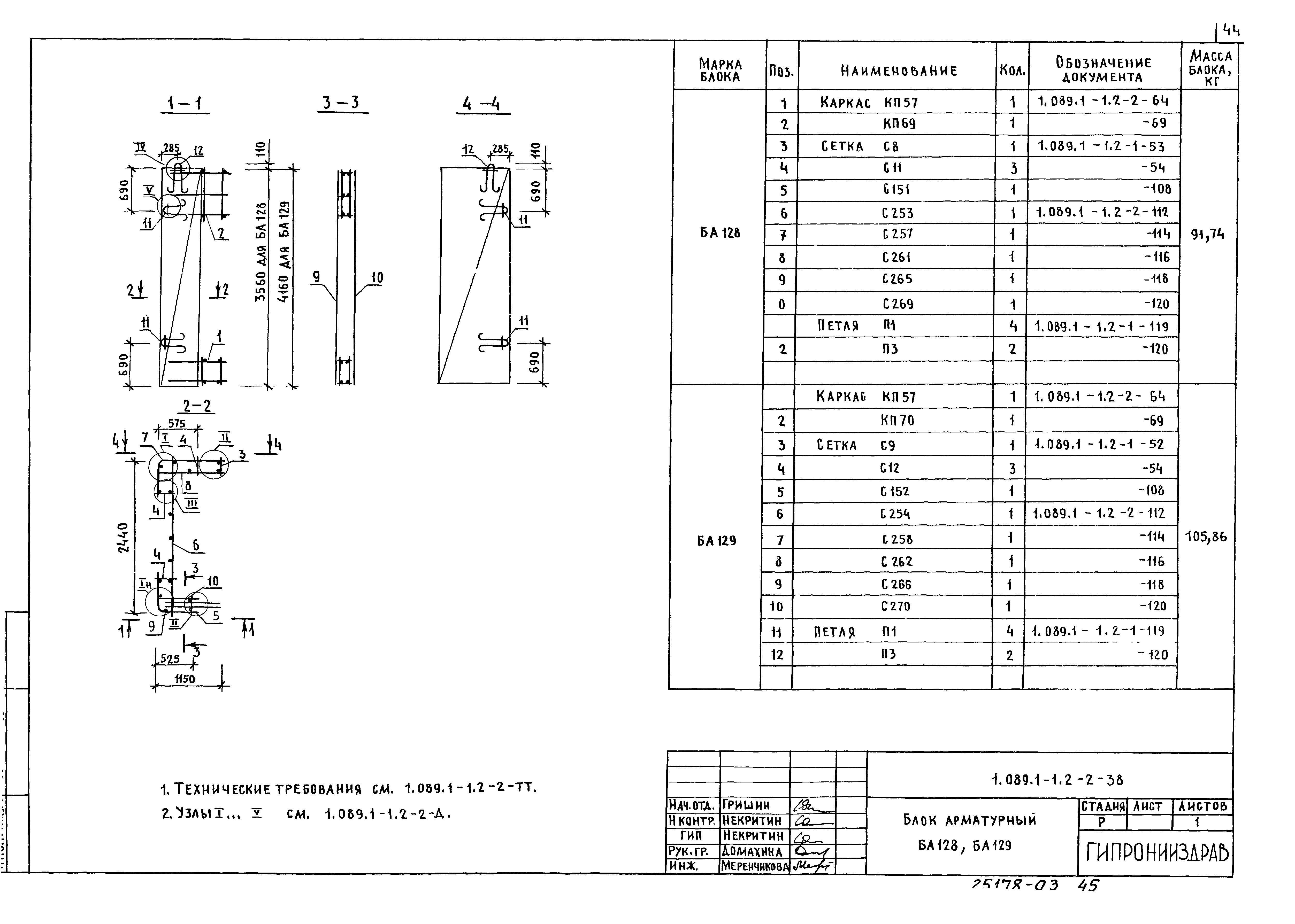
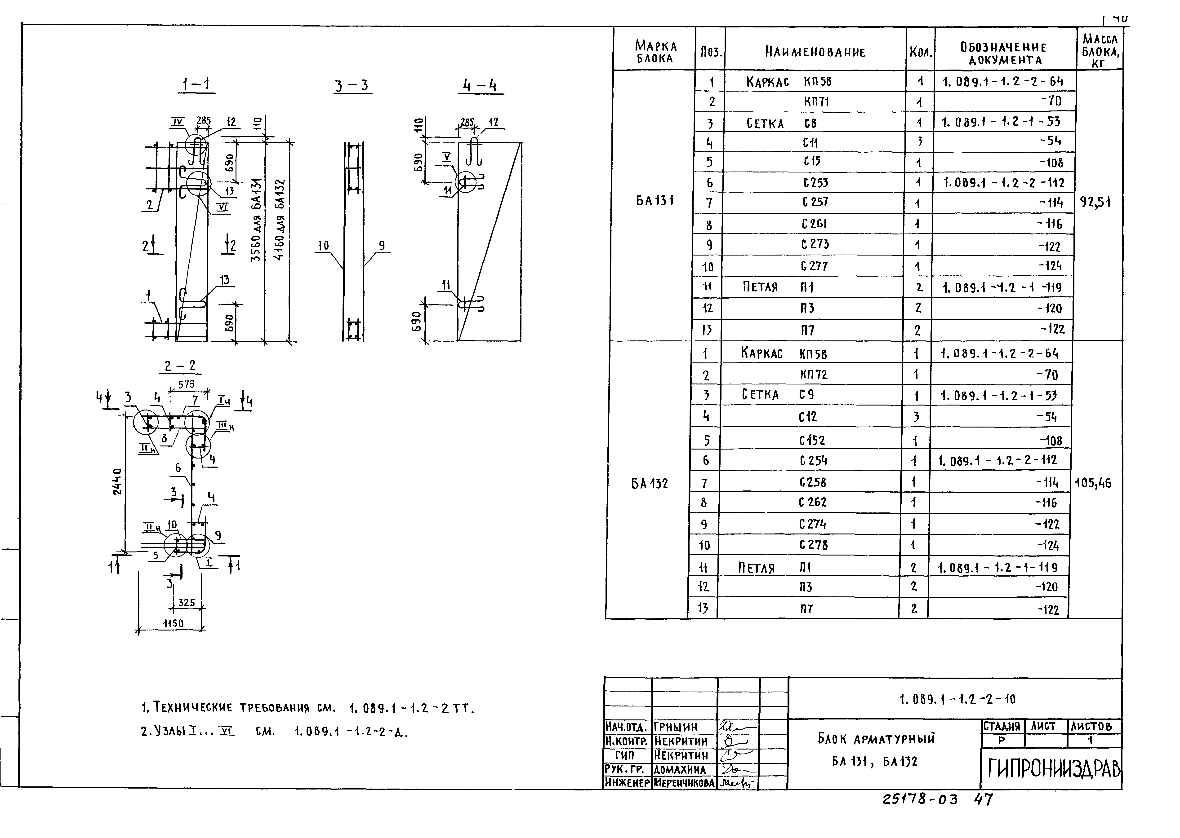
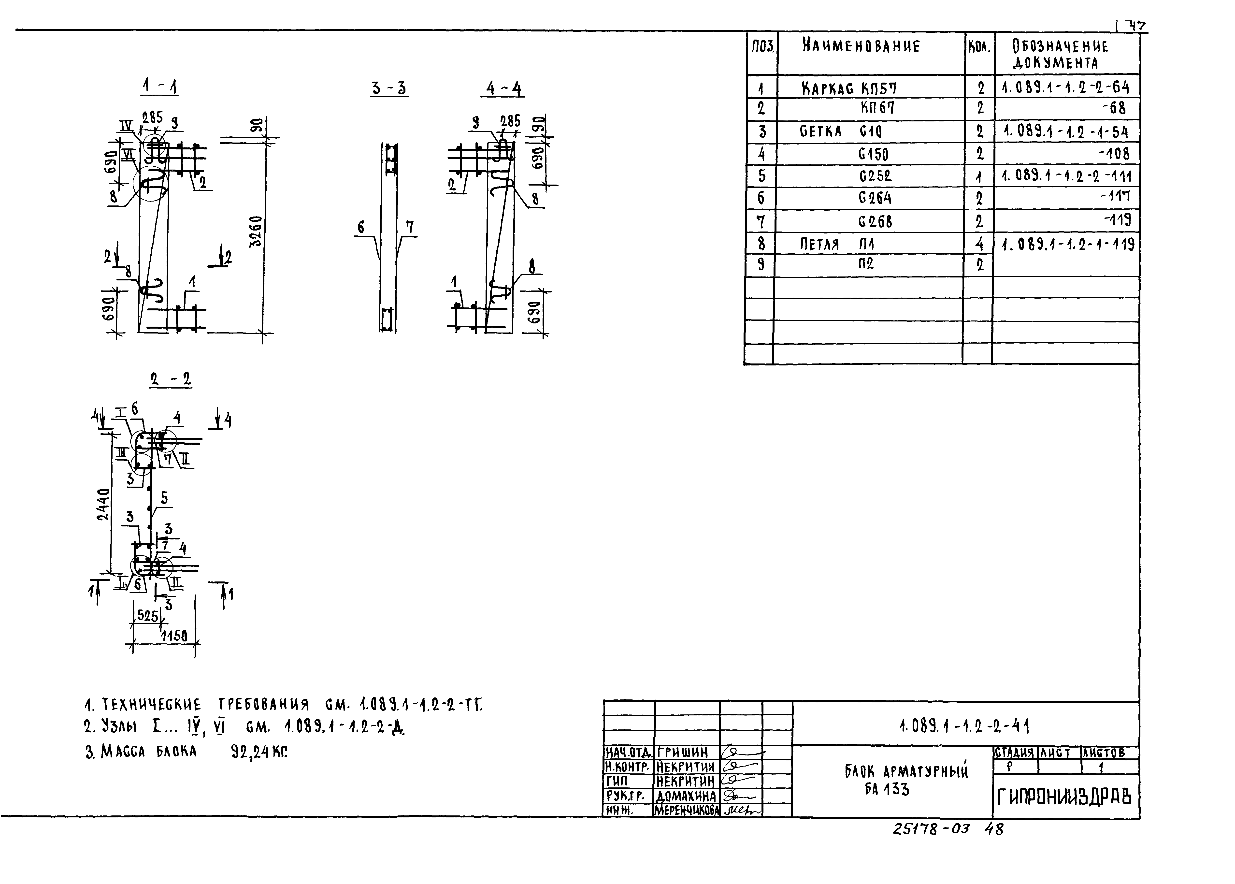
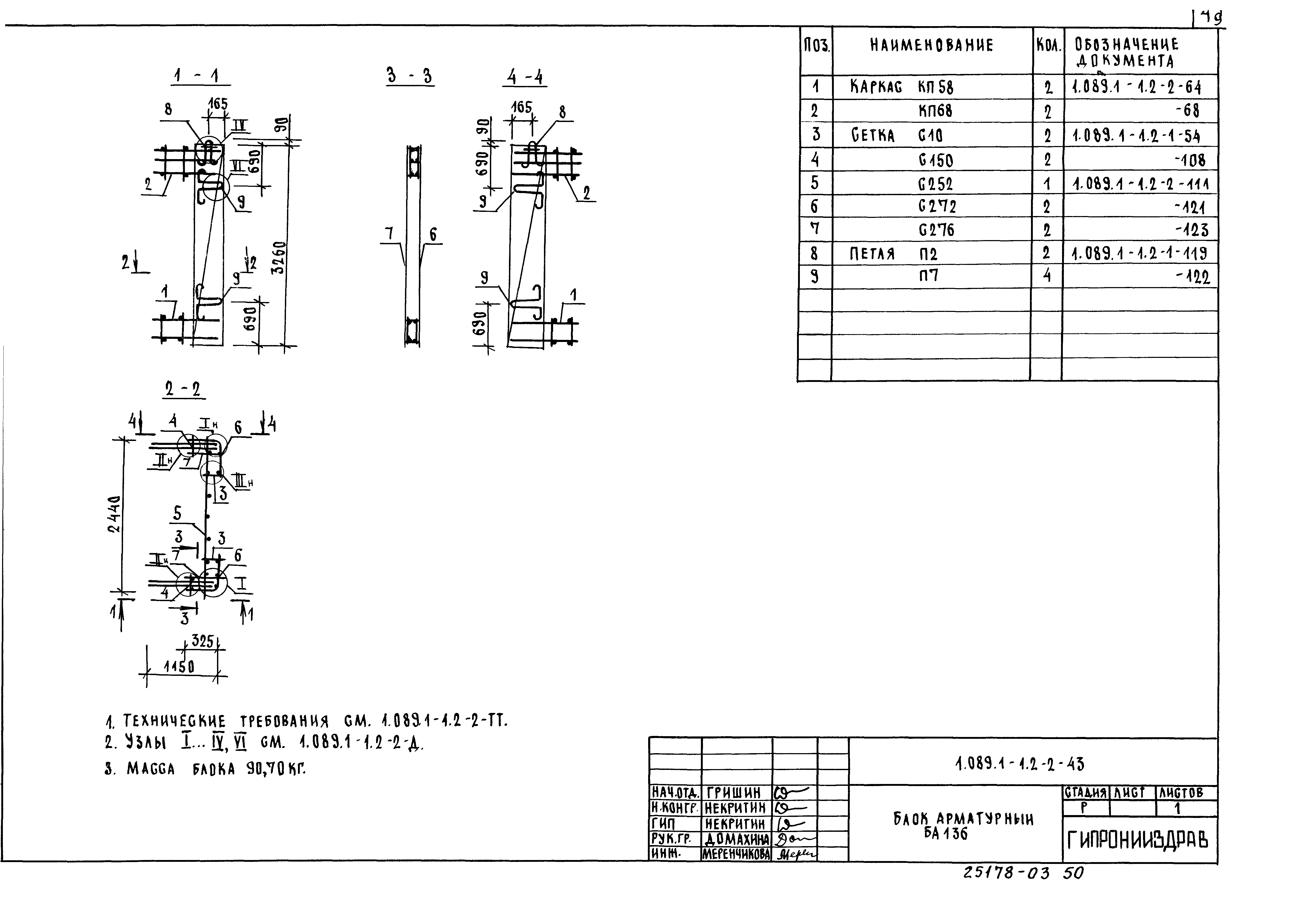
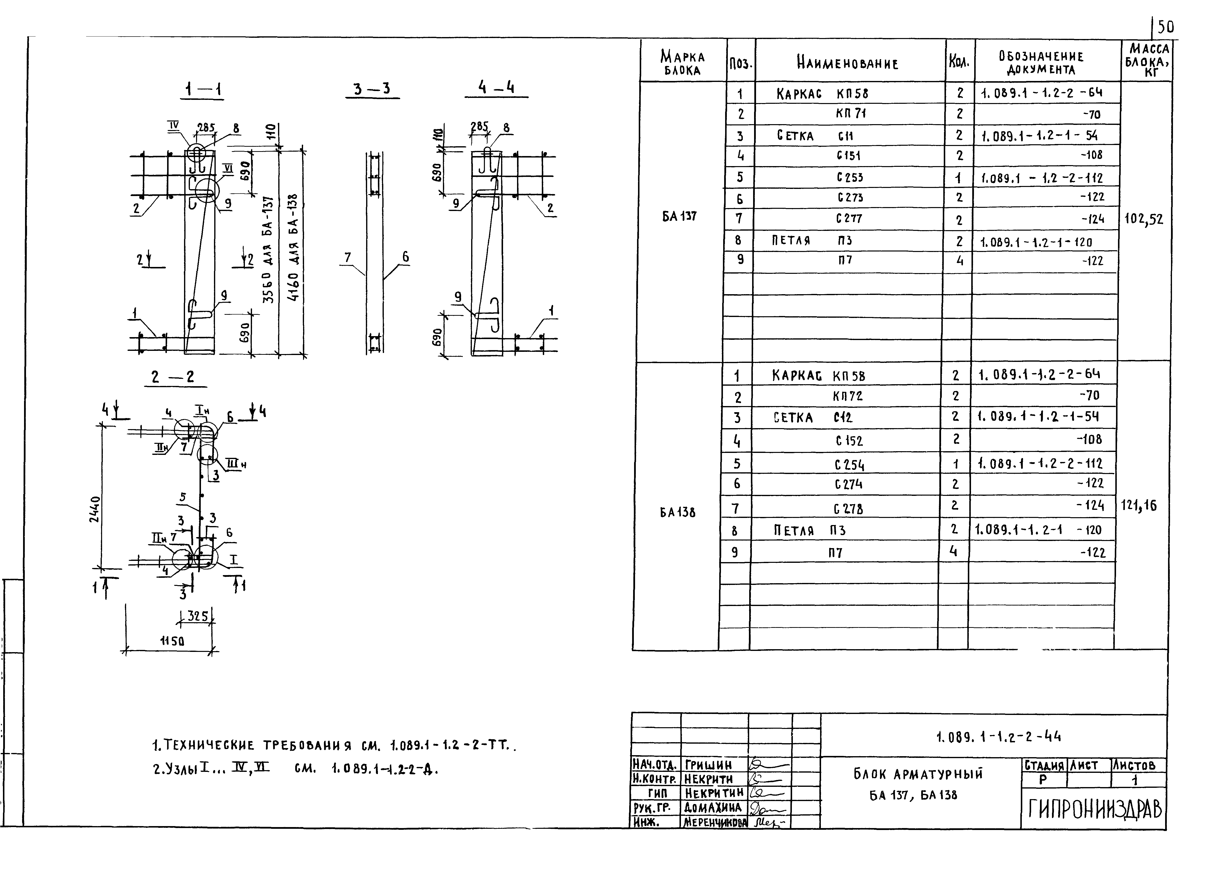
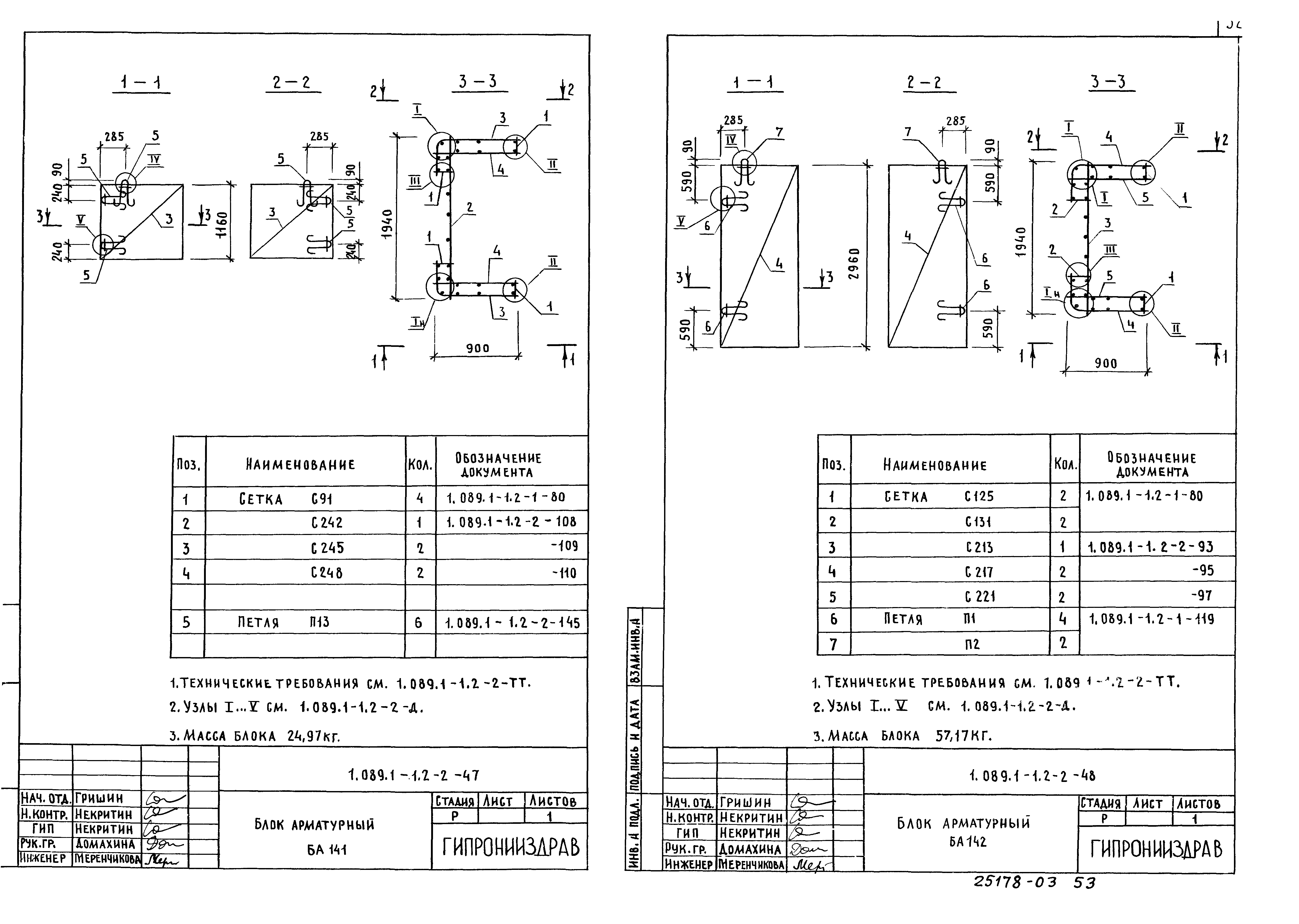
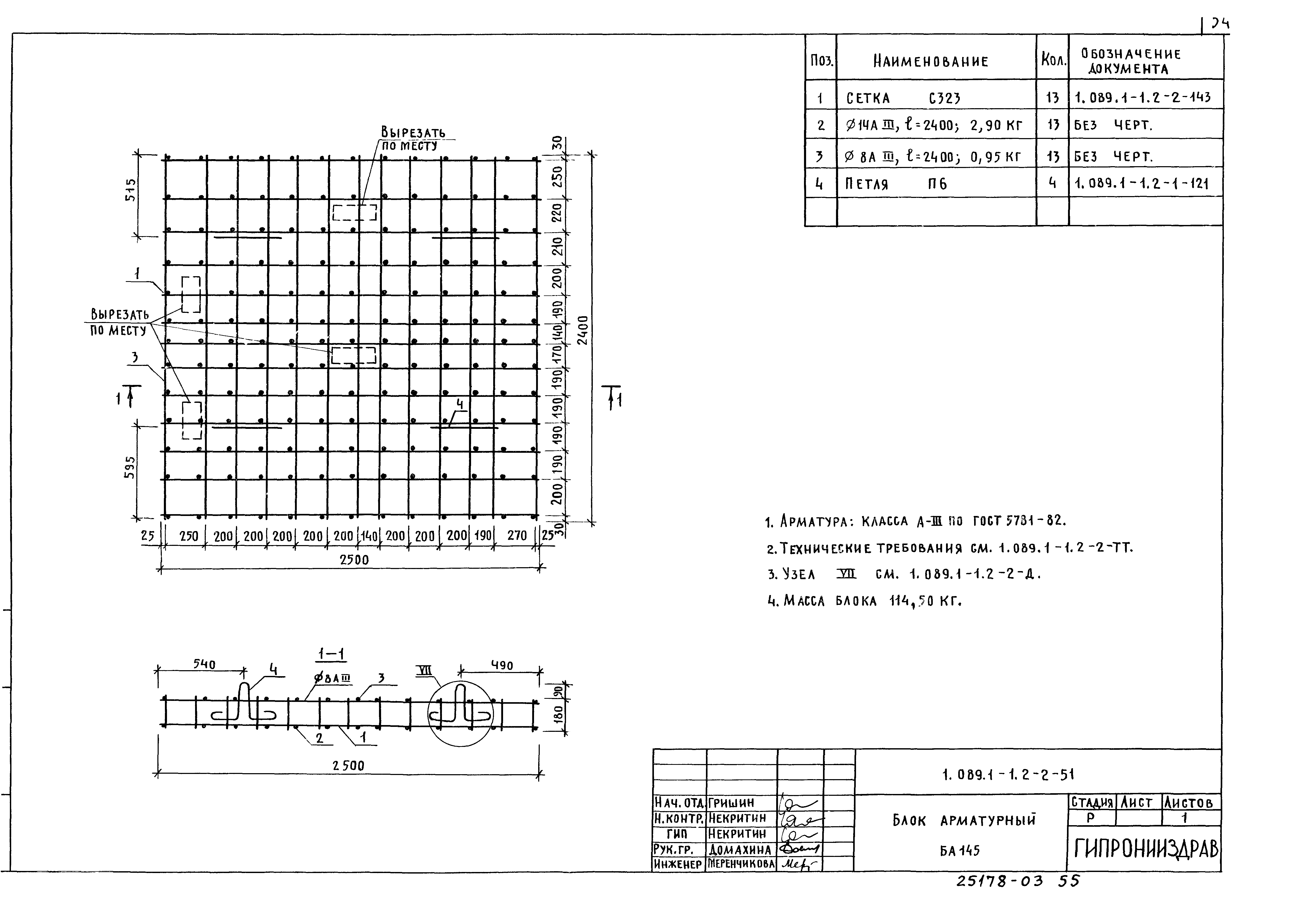
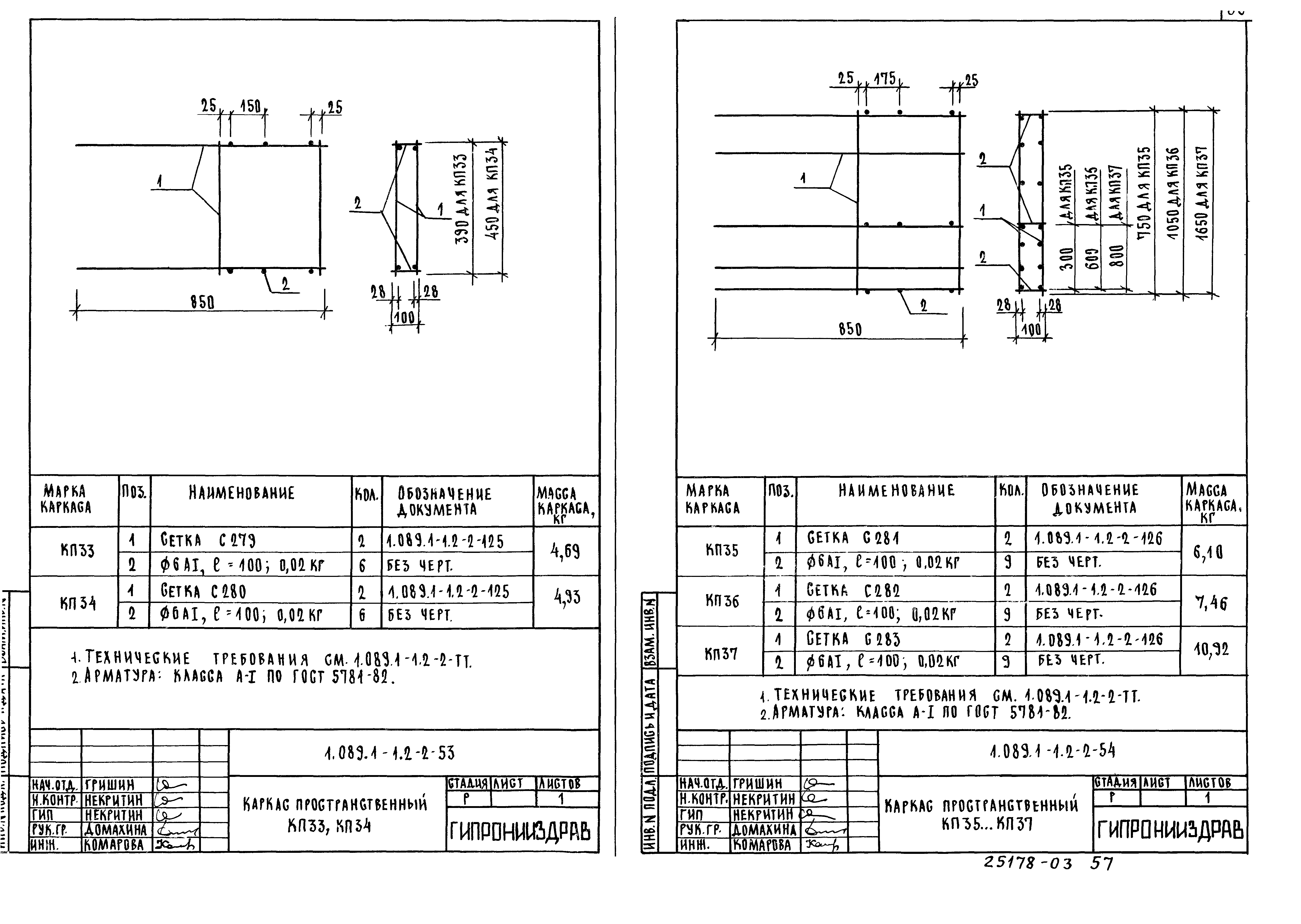
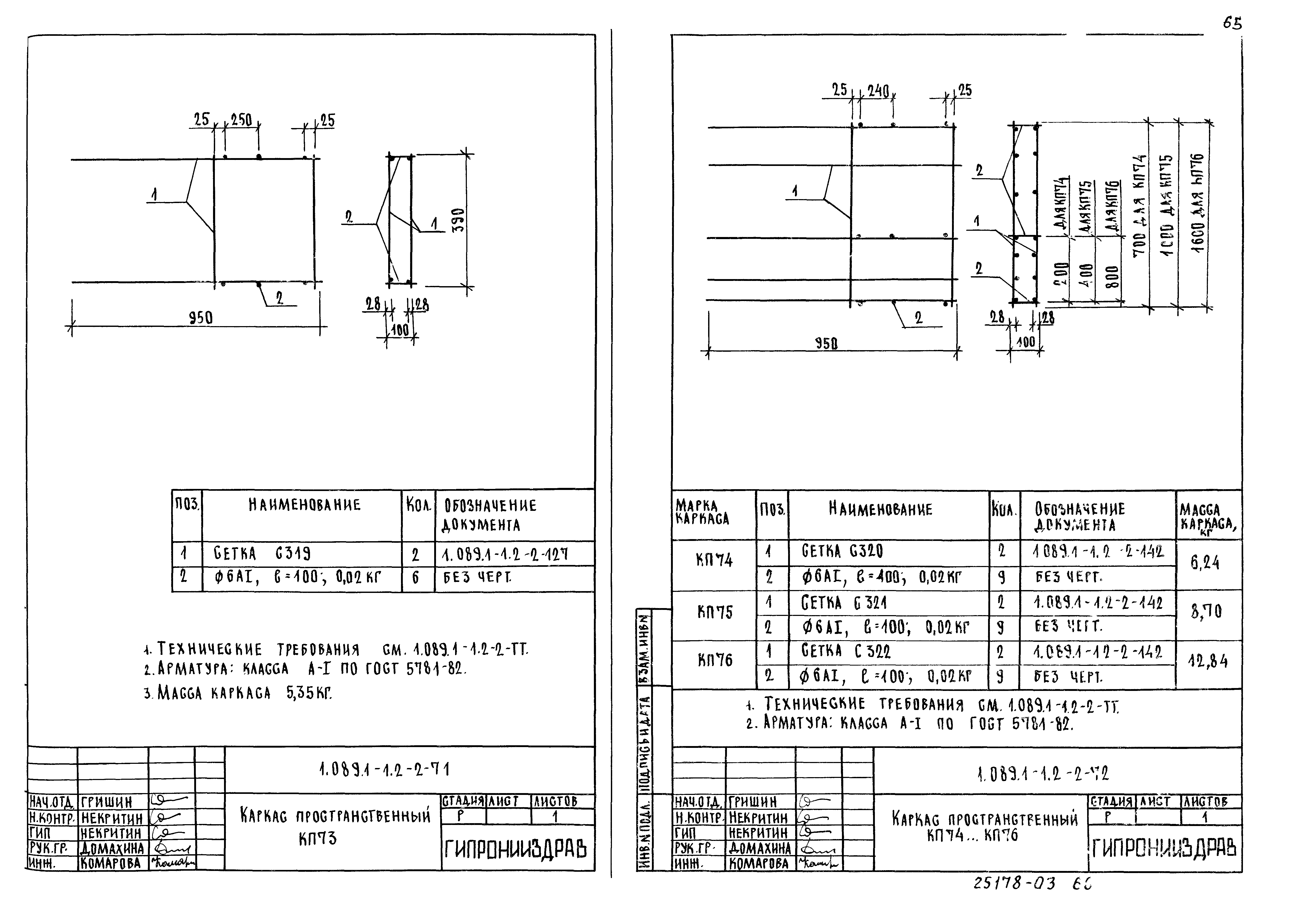
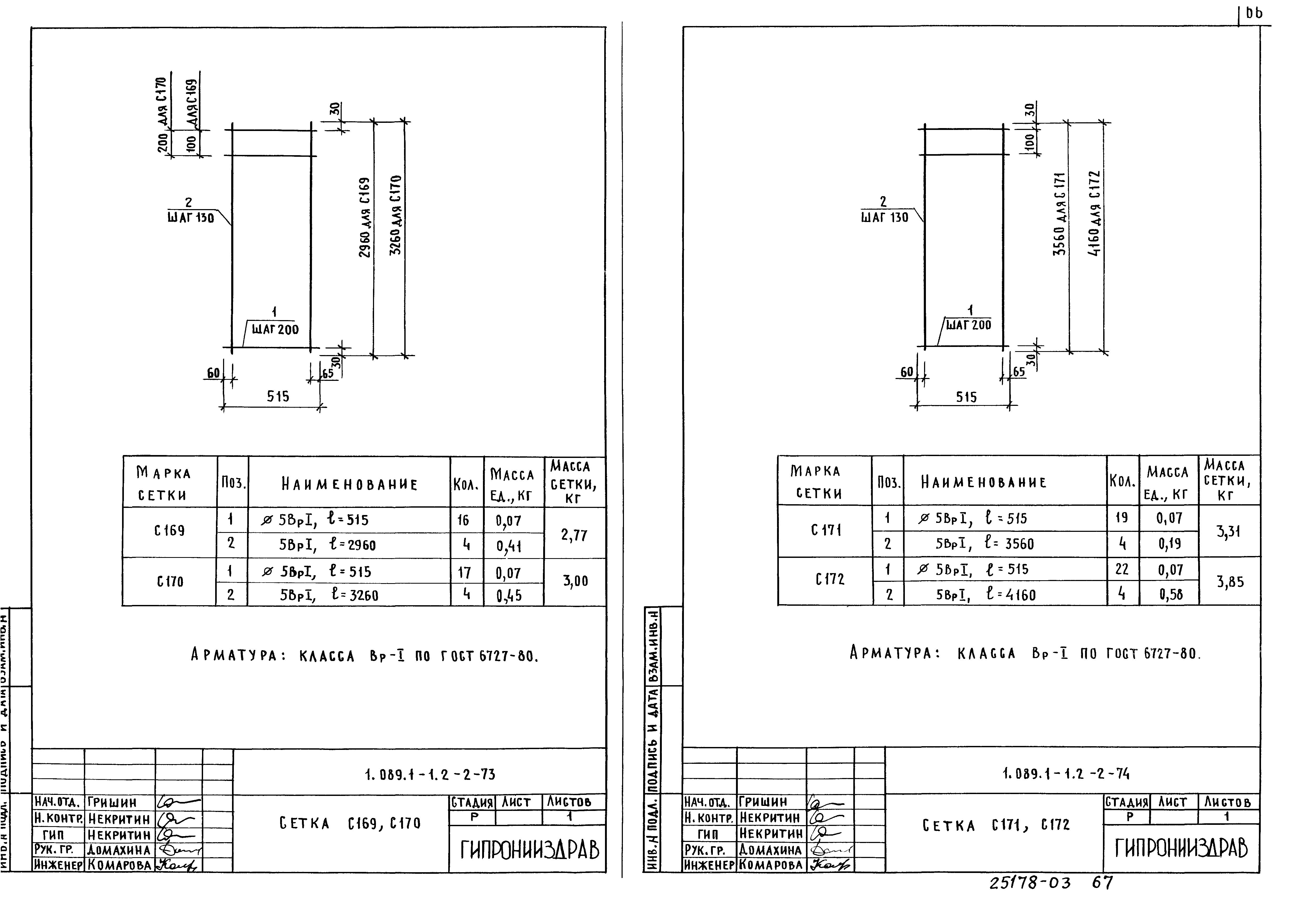
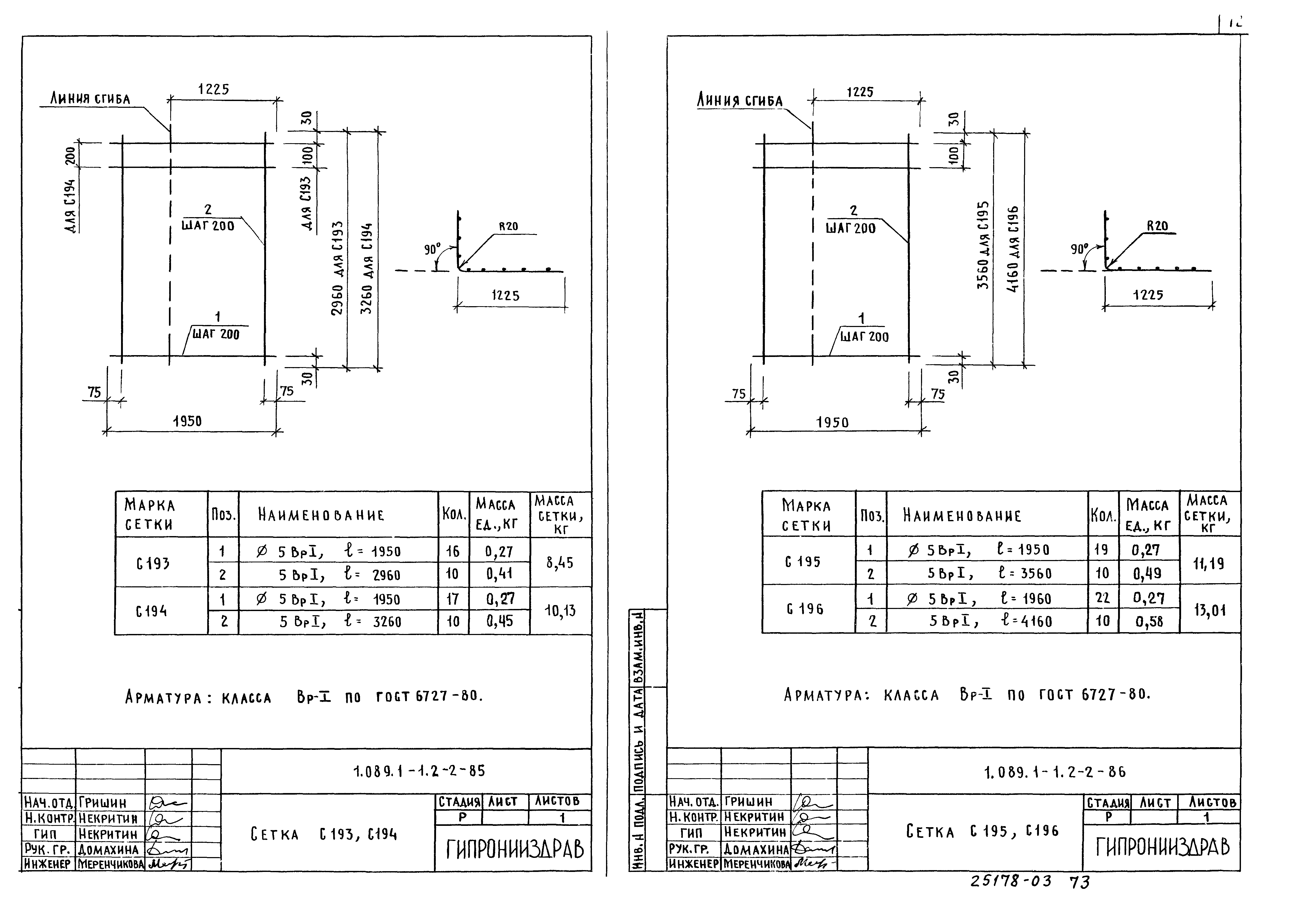
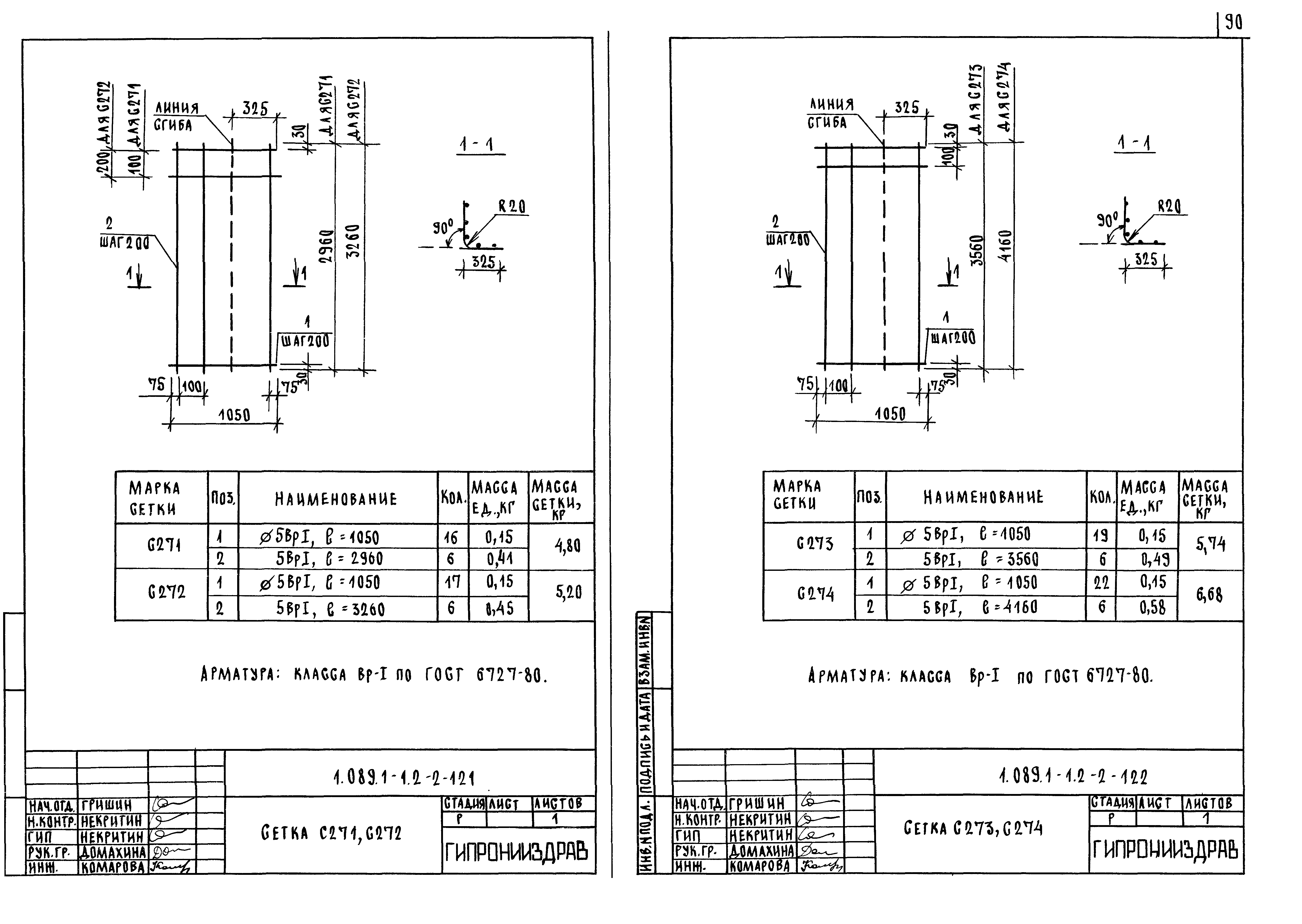
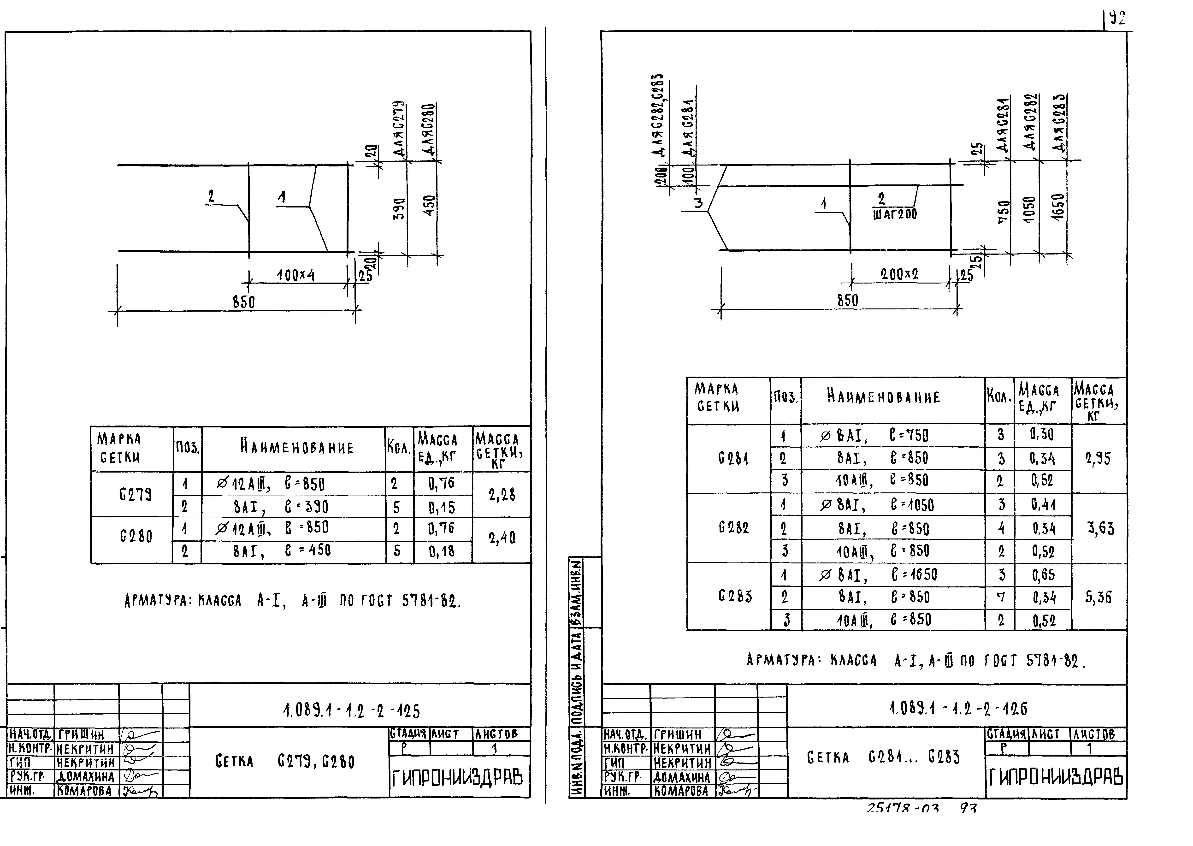
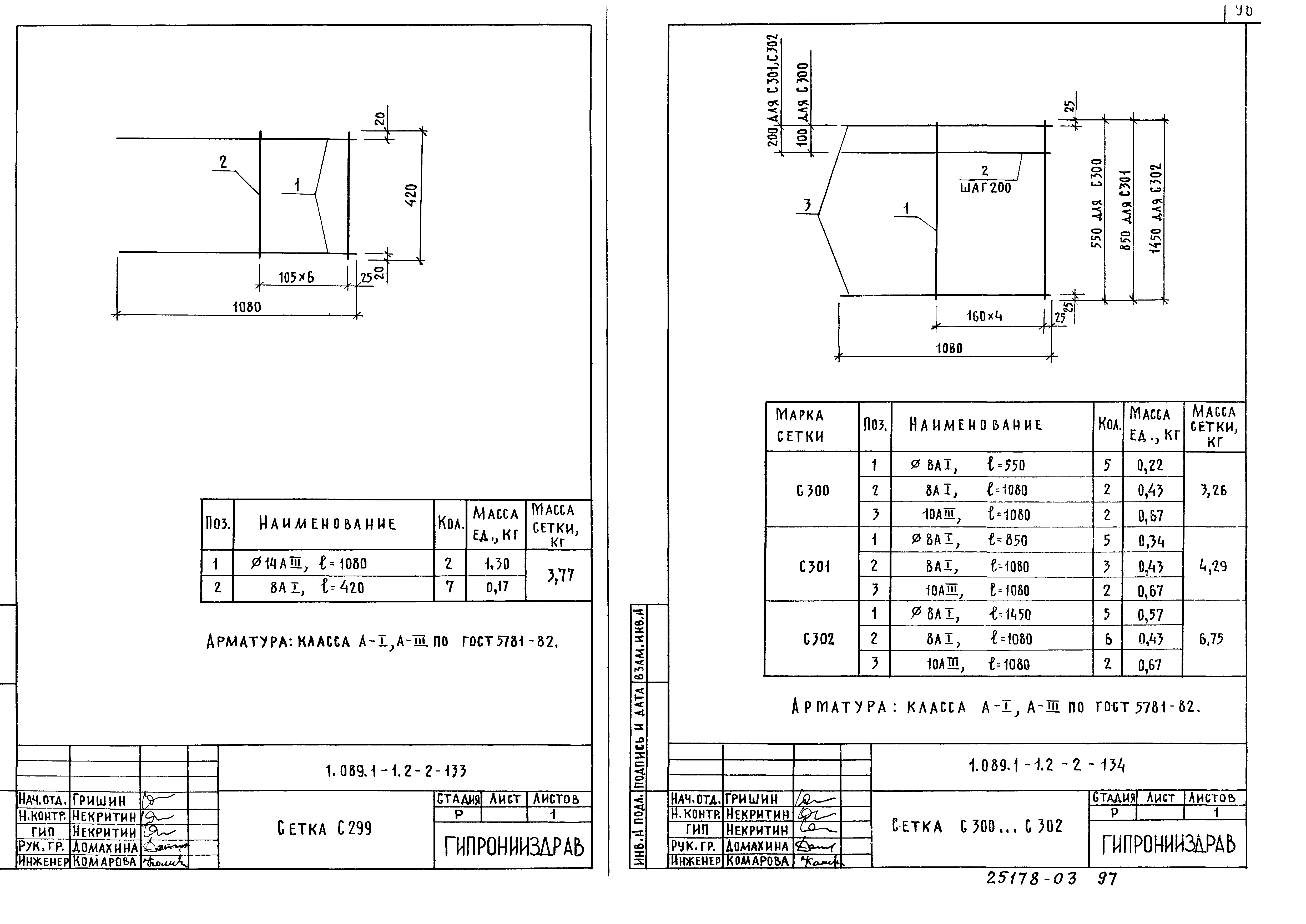
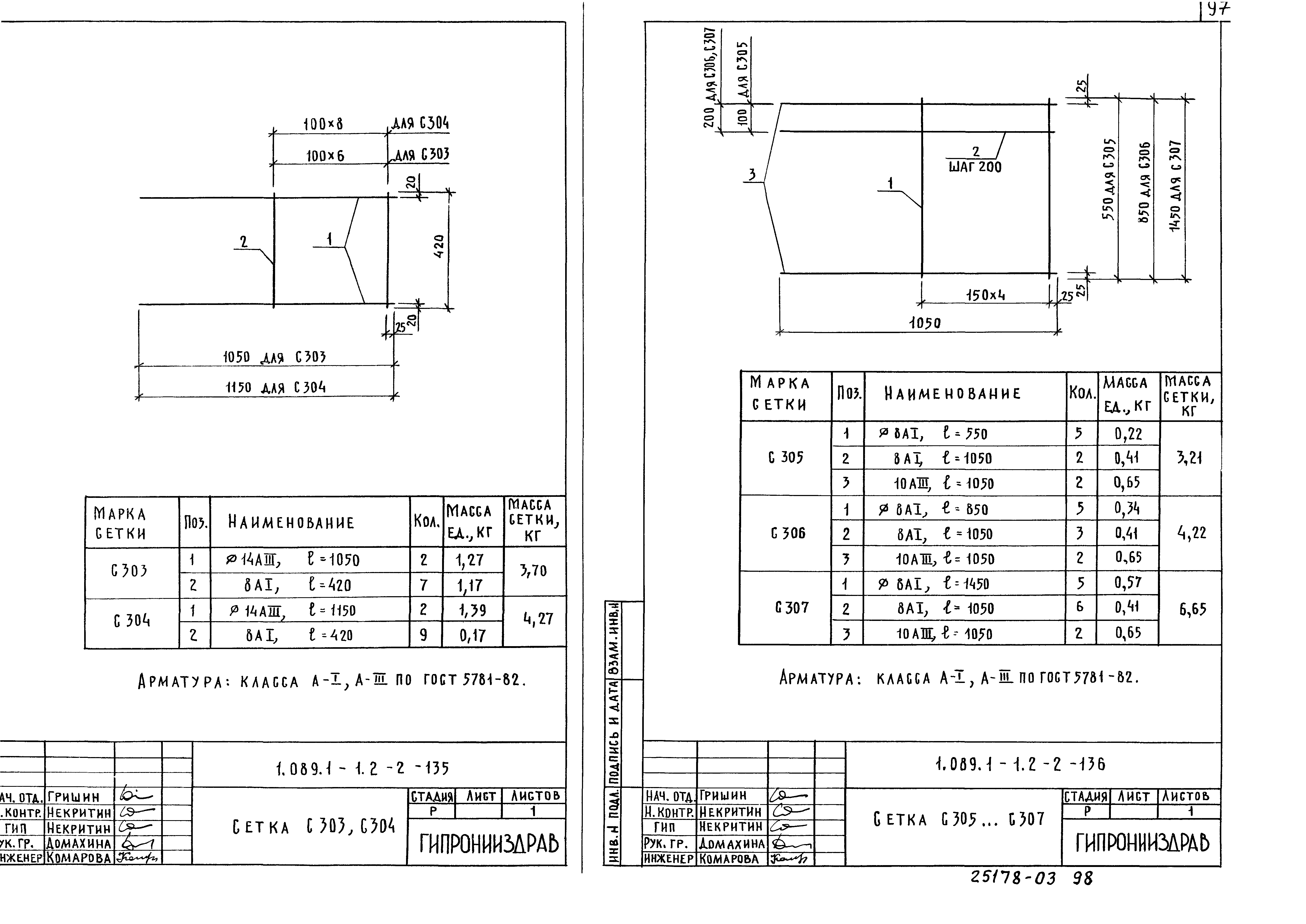
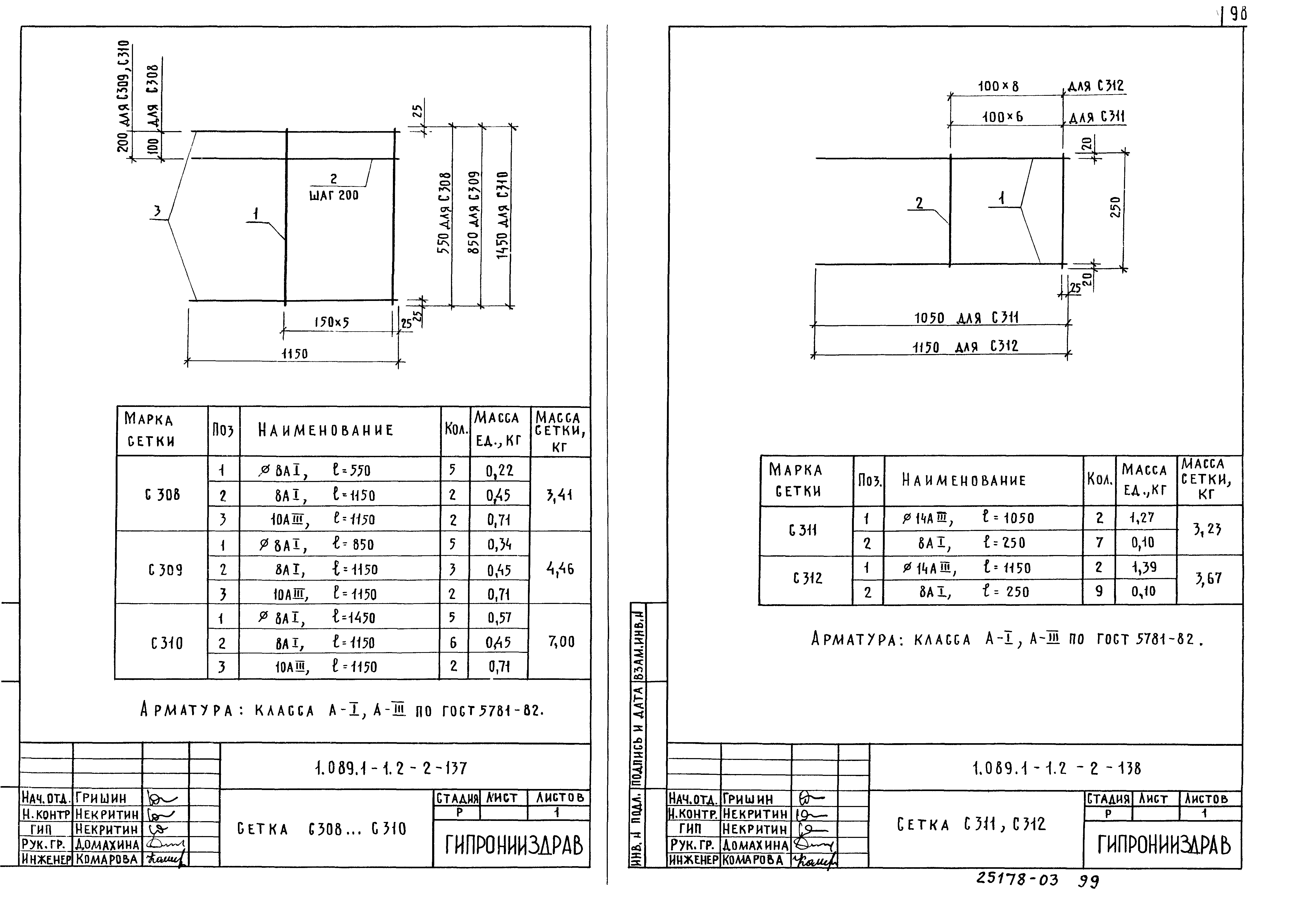
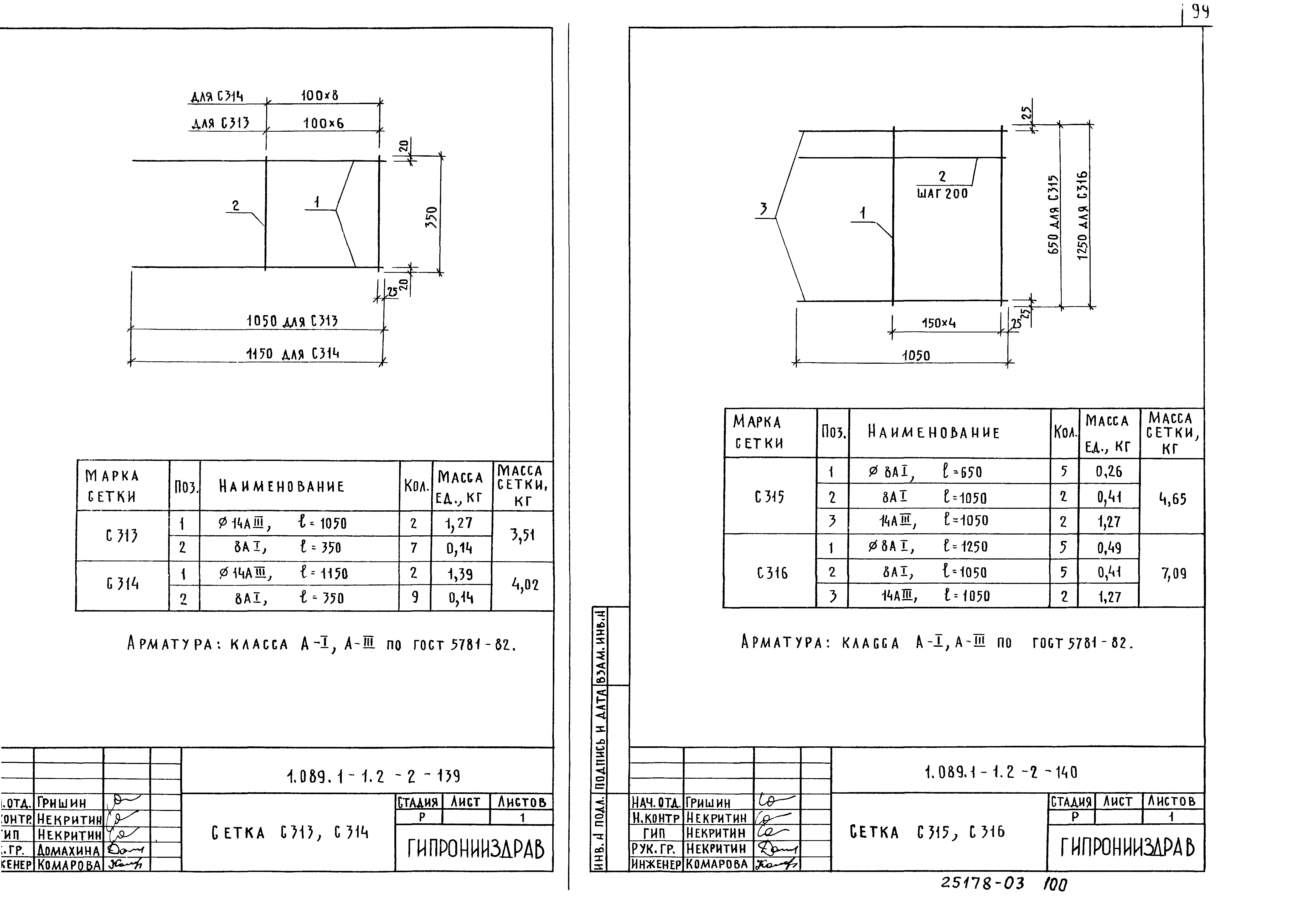
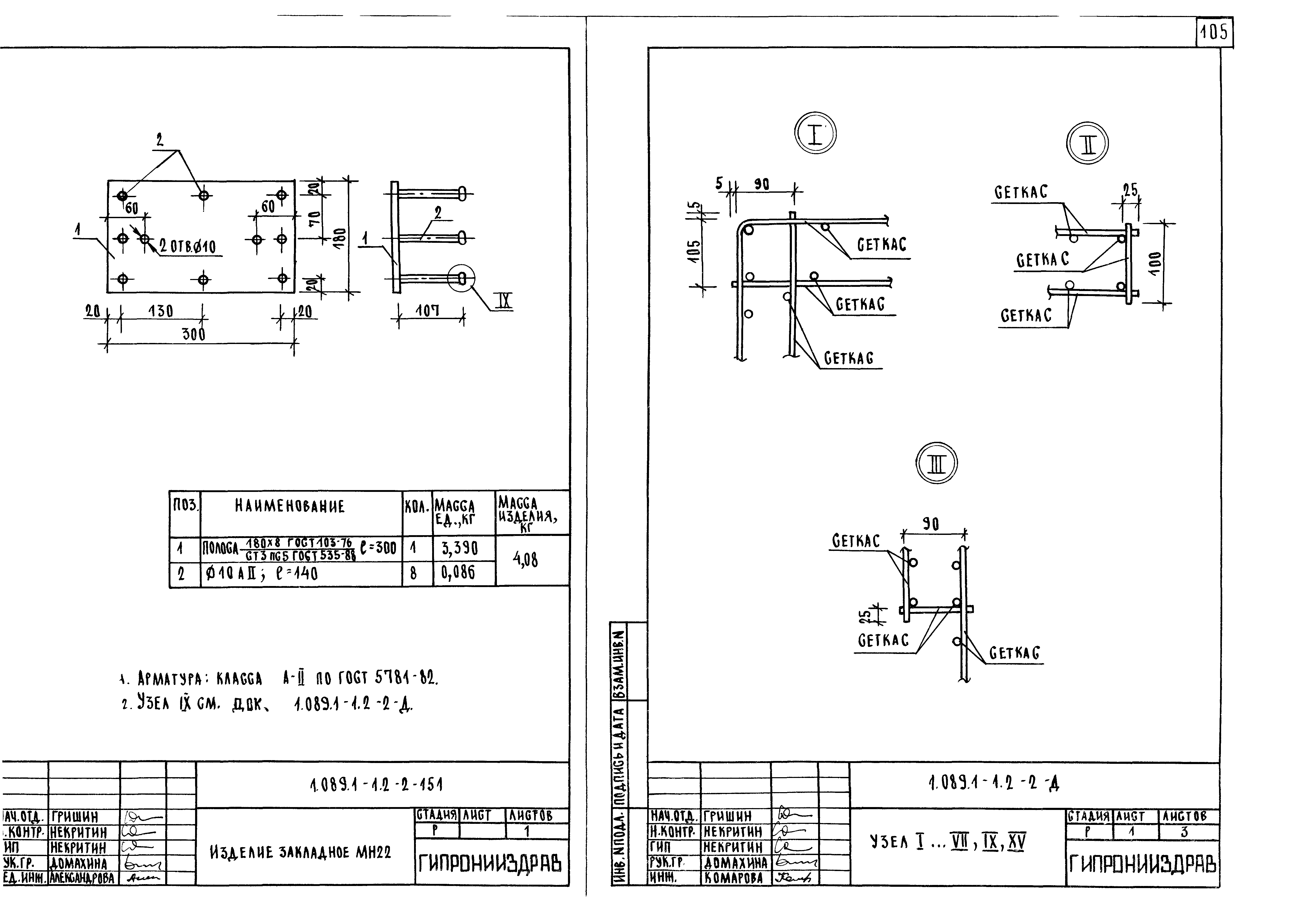
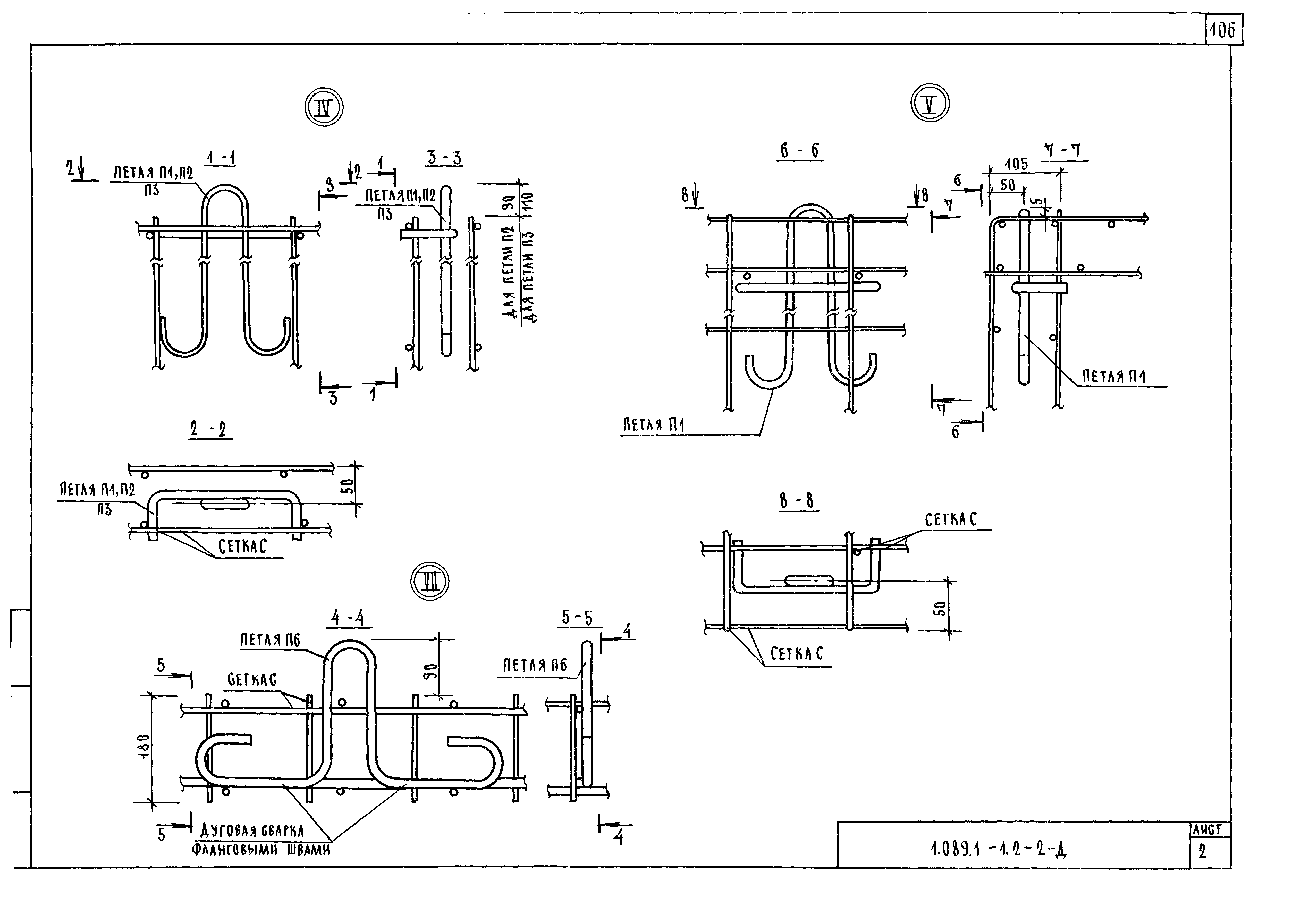
| Оглавление: | 1.089.1-1.2-2-ТТ Технические требования 1.089.1-1.2-2-01 Блок арматурный БА59,БА60 1.089.1-1.2-2-02 Блок арматурный БА61,БА62 1.089.1-1.2-2-03 Блок арматурный БА63,БА64 1.089.1-1.2-2-04 Блок арматурный БА65,БА66 1.089.1-1.2-2-05 Блок арматурный БА67,БА68 1.089.1-1.2-2-06 Блок арматурный БА69,БА70 1.089.1-1.2-2-07 Блок арматурный БА71,БА72 1.089.1-1.2-2-08 Блок арматурный БА73,БА74 1.089.1-1.2-2-09 Блок арматурный БА75,БА76 1.089.1-1.2-2-10 Блок арматурный БА77,БА78 1.089.1-1.2-2-11 Блок арматурный БА79,БА80 1.089.1-1.2-2-12 Блок арматурный БА81,БА82 1.089.1-1.2-2-13 Блок арматурный БА83 1.089.1-1.2-2-14 Блок арматурный БА84,БА85 1.089.1-1.2-2-15 Блок арматурный БА86 1.089.1-1.2-2-16 Блок арматурный БА87,БА88 1.089.1-1.2-2-17 Блок арматурный БА89 1.089.1-1.2-2-18 Блок арматурный БА90,БА91 1.089.1-1.2-2-19 Блок арматурный БА92 1.089.1-1.2-2-20 Блок арматурный БА93,БА94 1.089.1-1.2-2-21 Блок арматурный БА95,БА96 1.089.1-1.2-2-22 Блок арматурный БА97,БА98 1.089.1-1.2-2-23 Блок арматурный БА99,БА100 1.089.1-1.2-2-24 Блок арматурный БА101,БА102 1.089.1-1.2-2-25 Блок арматурный БА103,БА104 1.089.1-1.2-2-26 Блок арматурный БА105,БА106 1.089.1-1.2-2-27 Блок арматурный БА107,БА108 1.089.1-1.2-2-28 Блок арматурный БА109,БА110 1.089.1-1.2-2-29 Блок арматурный БА111,БА112 1.089.1-1.2-2-30 Блок арматурный БА113,БА114 1.089.1-1.2-2-31 Блок арматурный БА115,БА116 1.089.1-1.2-2-32 Блок арматурный БА117,БА118 1.089.1-1.2-2-33 Блок арматурный БА119,БА120 1.089.1-1.2-2-34 Блок арматурный БА121,БА122 1.089.1-1.2-2-35 Блок арматурный БА123,БА124 1.089.1-1.2-2-36 Блок арматурный БА125,БА126 1.089.1-1.2-2-37 Блок арматурный БА127 1.089.1-1.2-2-38 Блок арматурный БА128,БА129 1.089.1-1.2-2-39 Блок арматурный БА130 1.089.1-1.2-2-40 Блок арматурный БА131,БА132 1.089.1-1.2-2-41 Блок арматурный БА133 1.089.1-1.2-2-42 Блок арматурный БА134,БА135 1.089.1-1.2-2-43 Блок арматурный БА136 1.089.1-1.2-2-44 Блок арматурный БА137,БА138 1.089.1-1.2-2-45 Блок арматурный БА139 1.089.1-1.2-2-46 Блок арматурный БА140 1.089.1-1.2-2-47 Блок арматурный БА141 1.089.1-1.2-2-48 Блок арматурный БА142 1.089.1-1.2-2-49 Блок арматурный БА143 1.089.1-1.2-2-50 Блок арматурный БА144 1.089.1-1.2-2-51 Блок арматурный БА145 1.089.1-1.2-2-52 Блок арматурный БА146 1.089.1-1.2-2-53 Каркас пространственный КП33,КП34 1.089.1-1.2-2-54 Каркас пространственный КП35...КП37 1.089.1-1.2-2-55 Каркас пространственный КП38,КП39 1.089.1-1.2-2-56 Каркас пространственный КП40...КП42 1.089.1-1.2-2-57 Каркас пространственный КП43 1.089.1-1.2-2-58 Каркас пространственный КП44...КП46 1.089.1-1.2-2-59 Каркас пространственный КП47 1.089.1-1.2-2-60 Каркас пространственный КП48,КП49 1.089.1-1.2-2-61 Каркас пространственный КП50...КП52 1.089.1-1.2-2-62 Каркас пространственный КП53 1.089.1-1.2-2-63 Каркас пространственный КП54...КП56 1.089.1-1.2-2-64 Каркас пространственный КП57,КП58 1.089.1-1.2-2-65 Каркас пространственный КП59...КП61 1.089.1-1.2-2-66 Каркас пространственный КП62...КП64 1.089.1-1.2-2-67 Каркас пространственный КП65,КП66 1.089.1-1.2-2-68 Каркас пространственный КП67,КП68 1.089.1-1.2-2-69 Каркас пространственный КП69,КП70 1.089.1-1.2-2-70 Каркас пространственный КП71,КП72 1.089.1-1.2-2-71 Каркас пространственный КП73 1.089.1-1.2-2-72 Каркас пространственный КП74...КП76 1.089.1-1.2-2-73 Сетка С169,С170 1.089.1-1.2-2-74 Сетка С171,С172 1.089.1-1.2-2-75 Сетка С173,С174 1.089.1-1.2-2-76 Сетка С175,С176 1.089.1-1.2-2-77 Сетка С177,С178 1.089.1-1.2-2-78 Сетка С179,С180 1.089.1-1.2-2-79 Сетка С181,С182 1.089.1-1.2-2-80 Сетка С183,С184 1.089.1-1.2-2-81 Сетка С185,С186 1.089.1-1.2-2-82 Сетка С187,С188 1.089.1-1.2-2-83 Сетка С189,С190 1.089.1-1.2-2-84 Сетка С191,С192 1.089.1-1.2-2-85 Сетка С193,С194 1.089.1-1.2-2-86 Сетка С195,С196 1.089.1-1.2-2-87 Сетка С197,С198 1.089.1-1.2-2-88 Сетка С199,С200 1.089.1-1.2-2-89 Сетка С201...С203 1.089.1-1.2-2-90 Сетка С204...С206 1.089.1-1.2-2-91 Сетка С207...С209 1.089.1-1.2-2-92 Сетка С210...С212 1.089.1-1.2-2-93 Сетка С213,С214 1.089.1-1.2-2-94 Сетка С215,С216 1.089.1-1.2-2-95 Сетка С217,С218 1.089.1-1.2-2-96 Сетка С219,С220 1.089.1-1.2-2-97 Сетка С221,С222 1.089.1-1.2-2-98 Сетка С223,С224 1.089.1-1.2-2-99 Сетка С225,С226 1.089.1-1.2-2-100 Сетка С227,С228 1.089.1-1.2-2-101 Сетка С229,С230 1.089.1-1.2-2-102 Сетка С231,С232 1.089.1-1.2-2-103 Сетка С233,С234 1.089.1-1.2-2-104 Сетка С235,С236 1.089.1-1.2-2-105 Сетка С237,С238 1.089.1-1.2-2-106 Сетка С239,С240 1.089.1-1.2-2-107 Сетка С241 1.089.1-1.2-2-108 Сетка С242...С244 1.089.1-1.2-2-109 Сетка С245...С247 1.089.1-1.2-2-110 Сетка С248...С250 1.089.1-1.2-2-111 Сетка С251,С252 1.089.1-1.2-2-112 Сетка С253,С254 1.089.1-1.2-2-113 Сетка С255,С256 1.089.1-1.2-2-114 Сетка С257,С258 1.089.1-1.2-2-115 Сетка С259,С260 1.089.1-1.2-2-116 Сетка С261,С262 1.089.1-1.2-2-117 Сетка С263,С264 1.089.1-1.2-2-118 Сетка С265,С266 1.089.1-1.2-2-119 Сетка С267,С268 1.089.1-1.2-2-120 Сетка С269,С270 1.089.1-1.2-2-121 Сетка С271,С272 1.089.1-1.2-2-122 Сетка С273,С274 1.089.1-1.2-2-123 Сетка С275,С276 1.089.1-1.2-2-124 Сетка С277,С278 1.089.1-1.2-2-125 Сетка С279,С280 1.089.1-1.2-2-126 Сетка С281...С283 1.089.1-1.2-2-127 Сетка С284,С285,С319 1.089.1-1.2-2-128 Сетка С286...С288 1.089.1-1.2-2-129 Сетка С289,С295 1.089.1-1.2-2-130 Сетка С290...С292 1.089.1-1.2-2-131 Сетка С293,С294 1.089.1-1.2-2-132 Сетка С296...С298 1.089.1-1.2-2-133 Сетка С299 1.089.1-1.2-2-134 Сетка С300...С302 1.089.1-1.2-2-135 Сетка С303,С304 1.089.1-1.2-2-136 Сетка С305...С307 1.089.1-1.2-2-137 Сетка С308...С307 1.089.1-1.2-2-138 Сетка С308...С310 1.089.1-1.2-2-139 Сетка С311,С312 1.089.1-1.2-2-140 Сетка С313,С314 1.089.1-1.2-2-141 Сетка С315,С316 1.089.1-1.2-2-142 Сетка С317,С318 1.089.1-1.2-2-143 Сетка С320...С322 1.089.1-1.2-2-144 Сетка С323 1.089.1-1.2-2-145 Петля П13 1.089.1-1.2-2-146 Петля П14,П15 1.089.1-1.2-2-147 Изделие закладное МН18 1.089.1-1.2-2-148 Изделие закладное МН19 1.089.1-1.2-2-149 Изделие закладное МН20 1.089.1-1.2-2-150 Изделие закладное МН21,МН23 1.089.1-1.2-2-151 Изделие закладное МН22 1.089.1-1.2-2-Д Узел1…7,9,15 |
| Разработан: | ГипроНИИздрав Минздрава СССР |
| Утверждён: | 15.04.1991 Главпроект Госстроя СССР |
| Издан: | АПП ЦИТП (1991 г. ) |












































































































