Скачать Серия 1.494-2 Выпуск 14. Электротехническая часть для агрегата типа А5 для технологических проемов. Рабочие чертежиДата актуализации: 01.01.2021
|
| Обозначение: | Серия 1.494-2 |
| Обозначение англ: | Series 1.494-2 |
| Статус: | не определен законодательством |
| Название рус.: | Выпуск 14. Электротехническая часть для агрегата типа А5 для технологических проемов. Рабочие чертежи |
| Дата добавления в базу: | 01.09.2013 |
| Дата актуализации: | 01.01.2021 |
| Дата введения: | 10.07.1979 |
| Дата окончания срока действия: | 30.06.2003 |
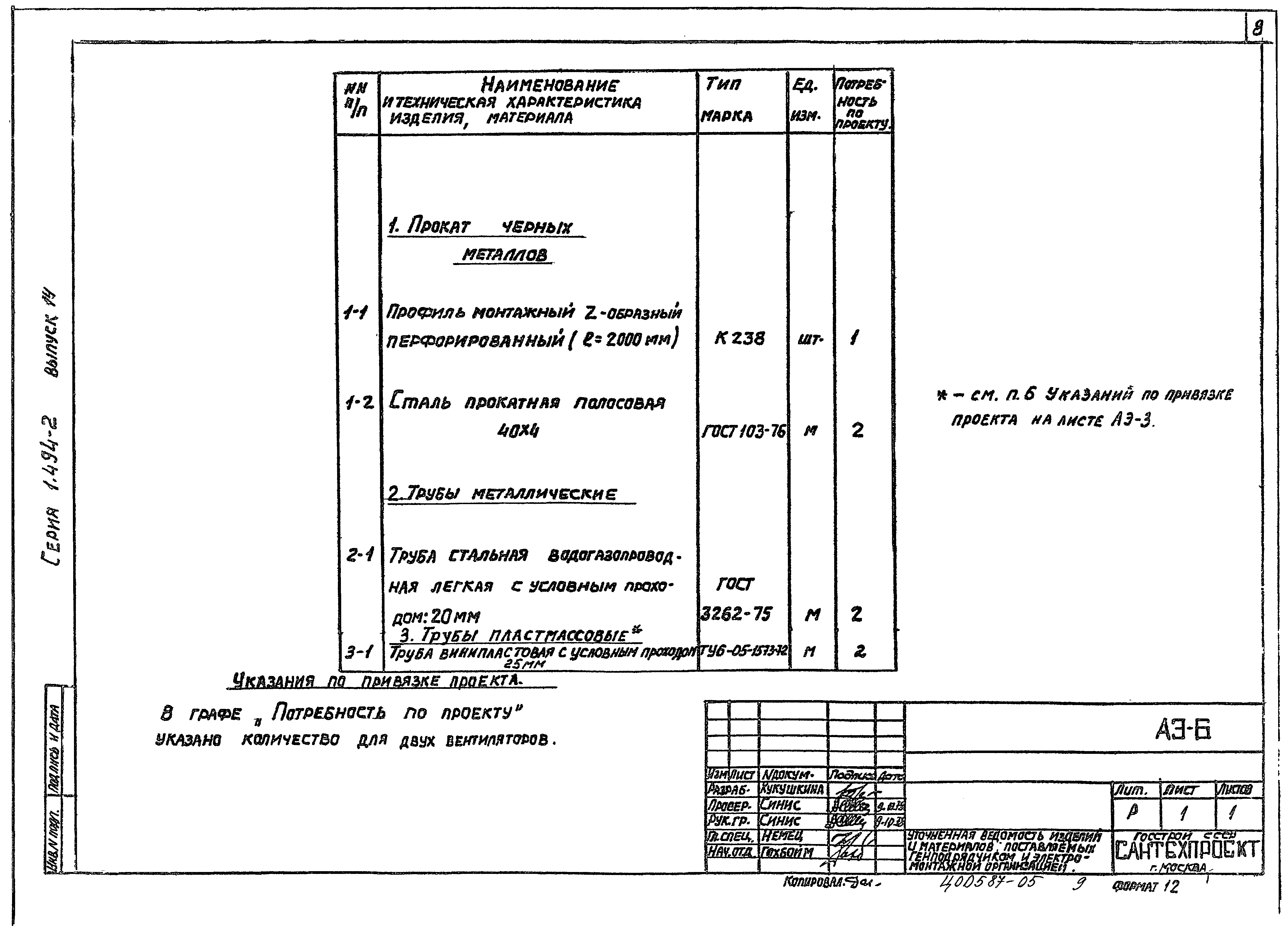
| Оглавление: | АЭ-1 Общие данные (начало) АЭ-1 Общие данные (окончание) АЭ-2 Схема функциональная АЭ-3 Схема принципиальная управления электродвигателем вентилятора. Схема принципиальная однолинейная АЭ-4 Расположение электрооборудования и прокладка кабелей АЭ-5 Ведомость электрооборудования кабельных изделий и материалов, поставляемых заказчиком АЭ-6 Уточненная ведомость изделий и материалов, поставляемых Генподрядчиком и электромонтажной организацией АЭ-7 Ведомость изделий МЭЗ. Ведомость изделий и материалов для изготовления изделий МЭЗ |
| Разработан: | ГПИ Сантехпроект Госстроя СССР |
| Утверждён: | 02.07.1979 Главпромстройпроект Госстроя СССР (35) |
| Заменяет собой: |









