Скачать Серия 2.419-4.93 Выпуск 2. Устройства въездной (выездной) и оповестительной сигнализации. Технические решенияДата актуализации: 01.01.2021
|
| Обозначение: | Серия 2.419-4.93 |
| Обозначение англ: | Series 2.419-4.93 |
| Статус: | не определен законодательством |
| Название рус.: | Выпуск 2. Устройства въездной (выездной) и оповестительной сигнализации. Технические решения |
| Дата добавления в базу: | 01.09.2013 |
| Дата актуализации: | 01.01.2021 |
| Дата введения: | 02.07.1993 |
| Дата окончания срока действия: | 30.06.2003 |
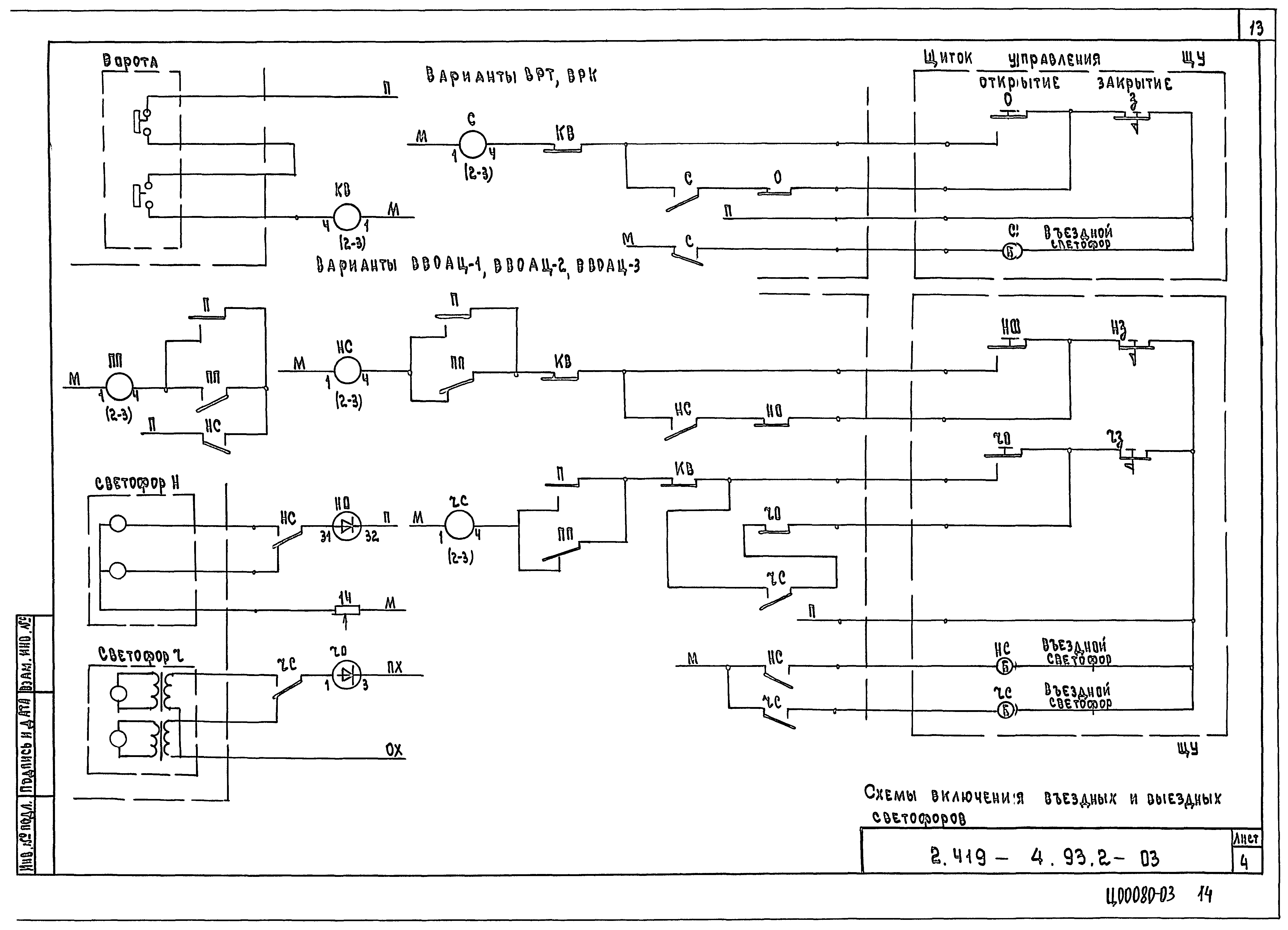
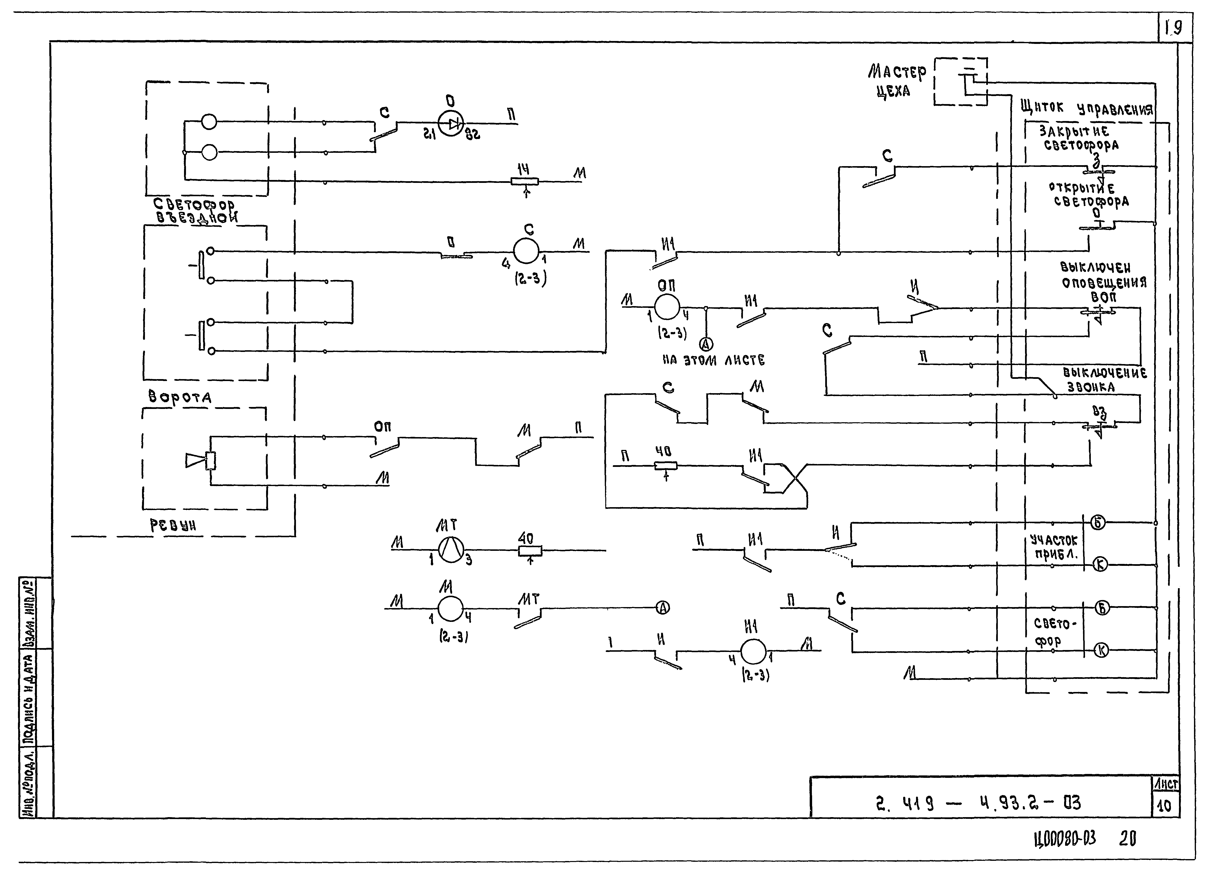
| Оглавление: | 2.419-4.93.2-ТТ Технические требования 2.419-4.93.2-01 Варианты оборудования вводов сигнализаций 2.419-4.93.2-02 Расположение оборудования сигнализации 2.419-4.93.2-03 Принципиальные электрические схемы включения сигнализации 2.419-4.93.2-04 Схема включения путевых датчиков 2.419-4.93.2-05 Схема включения приборов выдержки времени и датчиков импульсов 2.419-4.93.2-06 Схема включения радиооповещения 2.419-4.93.2-07 Схема включения переездной сигнализации 2.419-4.93.2-08 Схема включения питания релейного шкафа 2.419-4.93.2-09 Комплектация релейного шкафа 2.419-4.93.2-10 Щиток управления сигнализацией |
| Разработан: | Промтрансниипроект |
| Утверждён: | 31.12.1992 Минстрой России (Russian Federation Minstroy 9-1/426) |
| Издан: | ГУП ЦПП (CPP GUP 1998 г. ) |





























