Скачать Серия 1.279.2-7 Выпуск 1. Внутренние разделительные перегородки. Указания по применению и рабочие чертежиДата актуализации: 01.01.2021
|
| Обозначение: | Серия 1.279.2-7 |
| Обозначение англ: | Series 1.279.2-7 |
| Статус: | не определен законодательством |
| Название рус.: | Выпуск 1. Внутренние разделительные перегородки. Указания по применению и рабочие чертежи |
| Дата добавления в базу: | 01.09.2013 |
| Дата актуализации: | 01.01.2021 |
| Дата введения: | 01.04.1992 |
| Дата окончания срока действия: | 30.06.2003 |
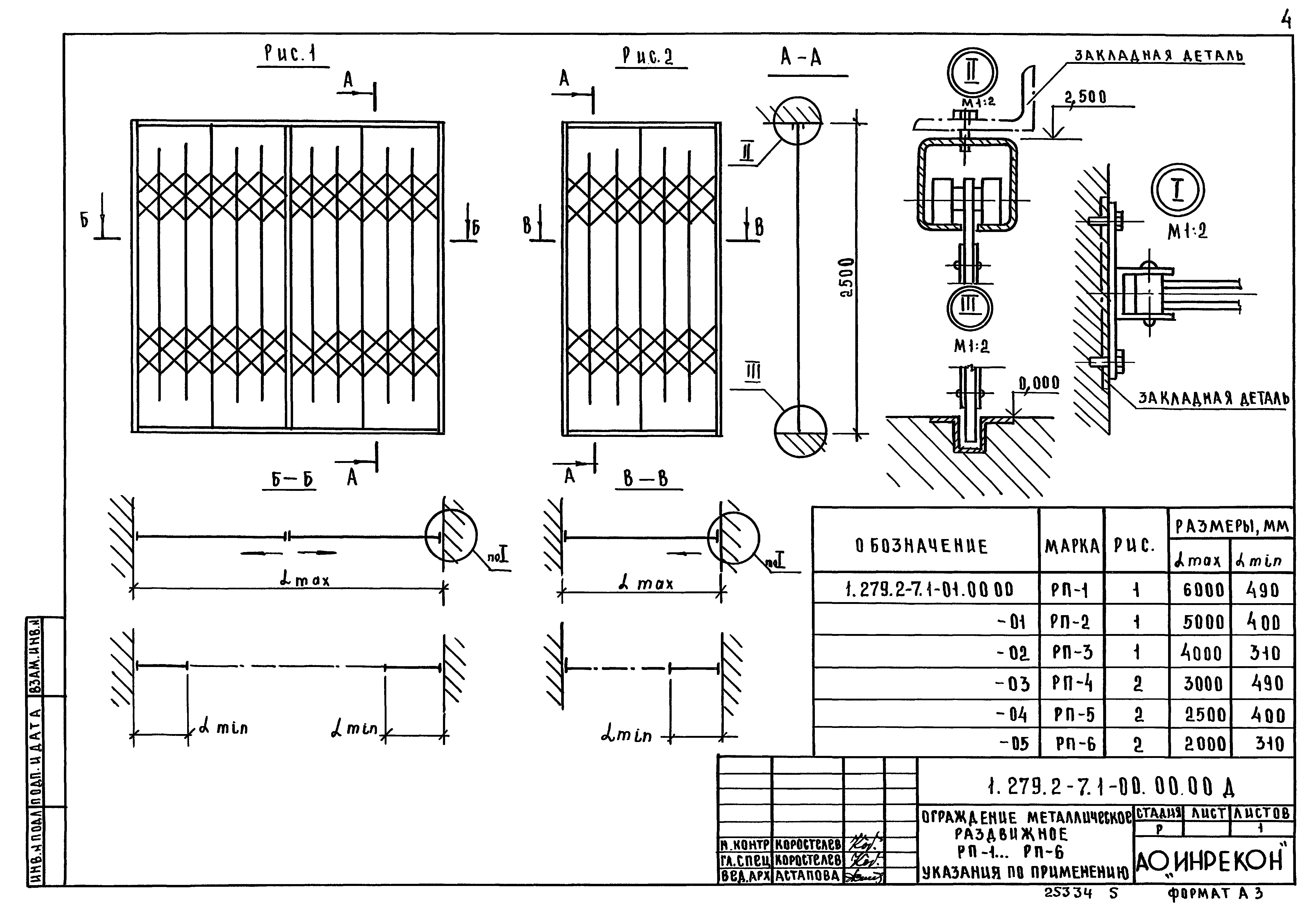
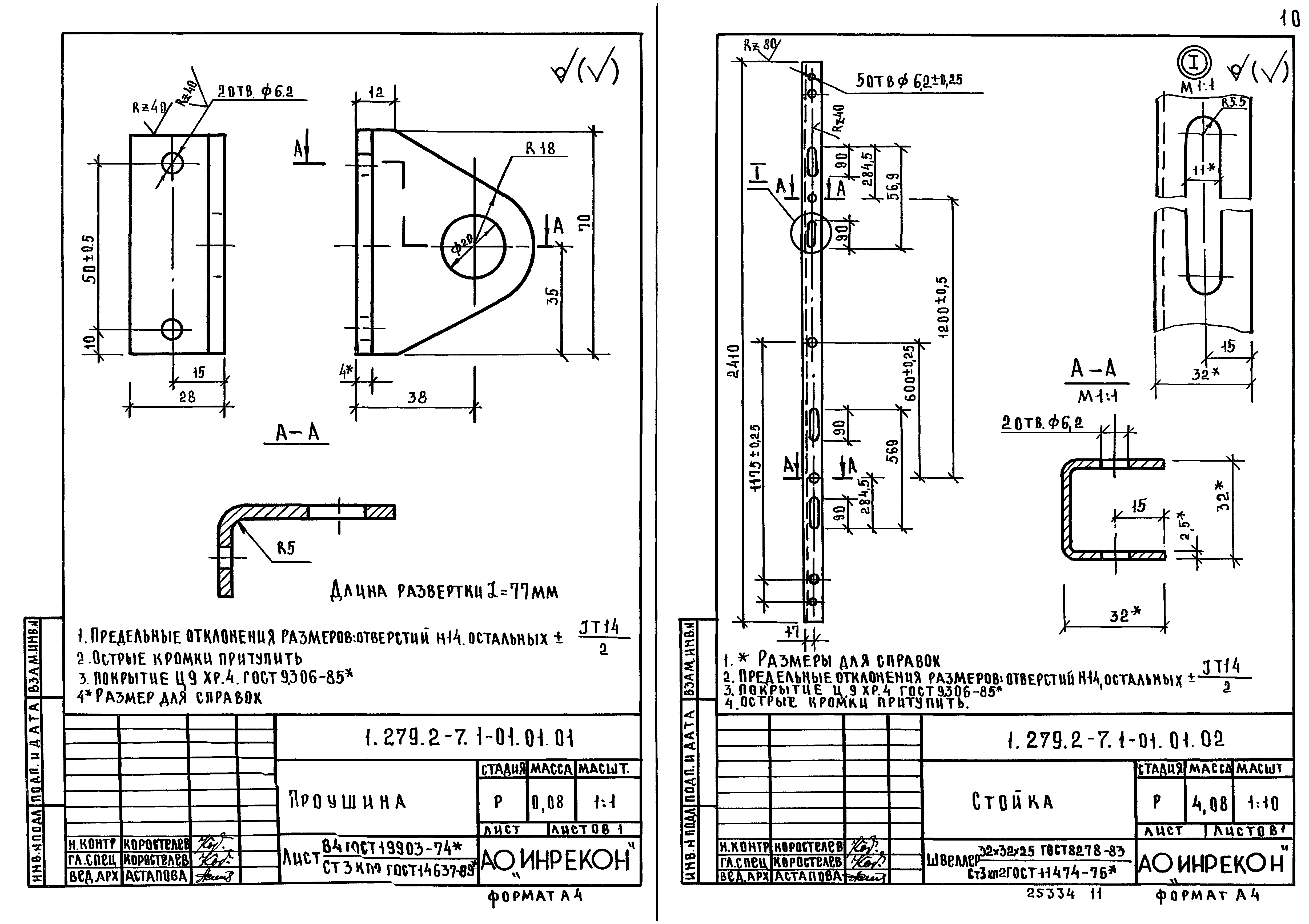
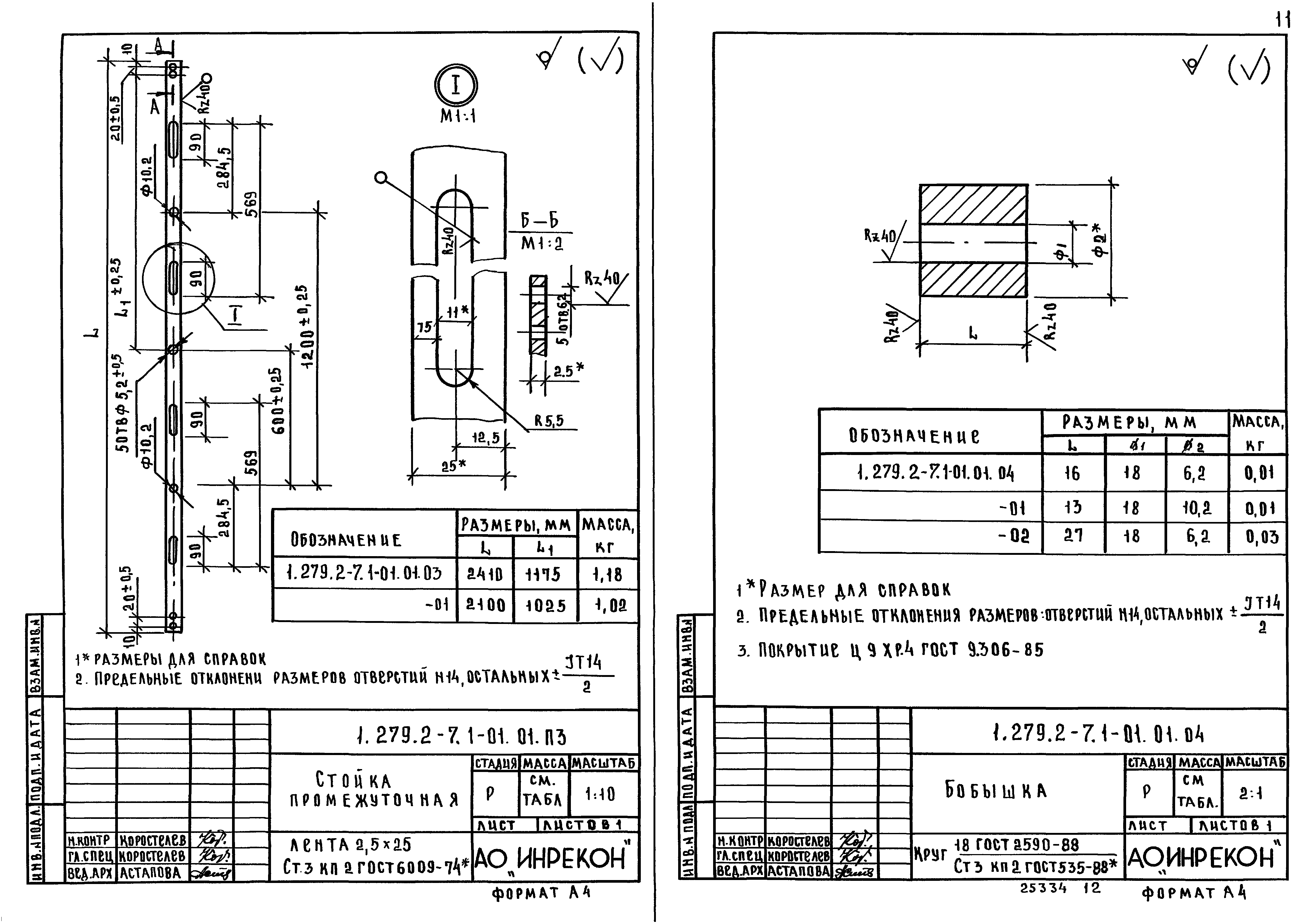
| Оглавление: | 1.279.2-7.1-00.00.00 ПЗ Пояснительная записка 1.279.2-7.1-00.00.00 НИ Номенклатура изделий 1.279.2-7.1-00.00.00 Д Ограждение металлическое раздвижное РП-1…РП-6. Указание по применению 1.279.2-7.1-01.00.00 Ограждение металлическое раздвижное РП-1…РП-6 1.279.2-7.1-01.00.00 СБ Ограждение металлическое раздвижное РП-1…РП-6. Сборочный чертеж 1.279.2-7.1-01.01.00 Створка 1.279.2-7.1-01.01.00 СБ Створка. Сборочный чертеж 1.279.2-7.1-01.01.01 Проушина 1.279.2-7.1-01.01.02 Стойка 1.279.2-7.1-01.01.03 Стойка промежуточная 1.279.2-7.1-01.01.04 Бобышка 1.279.2-7.1-01.01.05 Рычаг 1.279.2-7.1-01.01.06 Планка 1.279.2-7.1-01.01.07 Ограничитель 1.279.2-7.1-01.02.00 Каретка 1.279.2-7.1-01.02.00 СБ Каретка. Сборочный чертеж 1.279.2-7.1-01.02.01 Серьга 1.279.2-7.1-01.02.02 Кольцо 1.279.2-7.1-01.02.03 Ось 1.279.2-7.1-01.03.00 Направляющая 1.279.2-7.1-01.03.00 СБ Направляющая. Сборочный чертеж 1.279.2-7.1-01.00.01 Путь |
| Разработан: | АО ИНРЕКОН |
| Утверждён: | 10.12.1991 Госкомархитектура (23) |
| Заменяет собой: |

















