Скачать Серия 1.481.3-2 Выпуск 2. Изделия. Чертежи КМДата актуализации: 01.01.2021
|
| Обозначение: | Серия 1.481.3-2 |
| Обозначение англ: | Series 1.481.3-2 |
| Статус: | не определен законодательством |
| Название рус.: | Выпуск 2. Изделия. Чертежи КМ |
| Дата добавления в базу: | 01.09.2013 |
| Дата актуализации: | 01.01.2021 |
| Дата введения: | 15.06.1989 |
| Дата окончания срока действия: | 30.06.2003 |
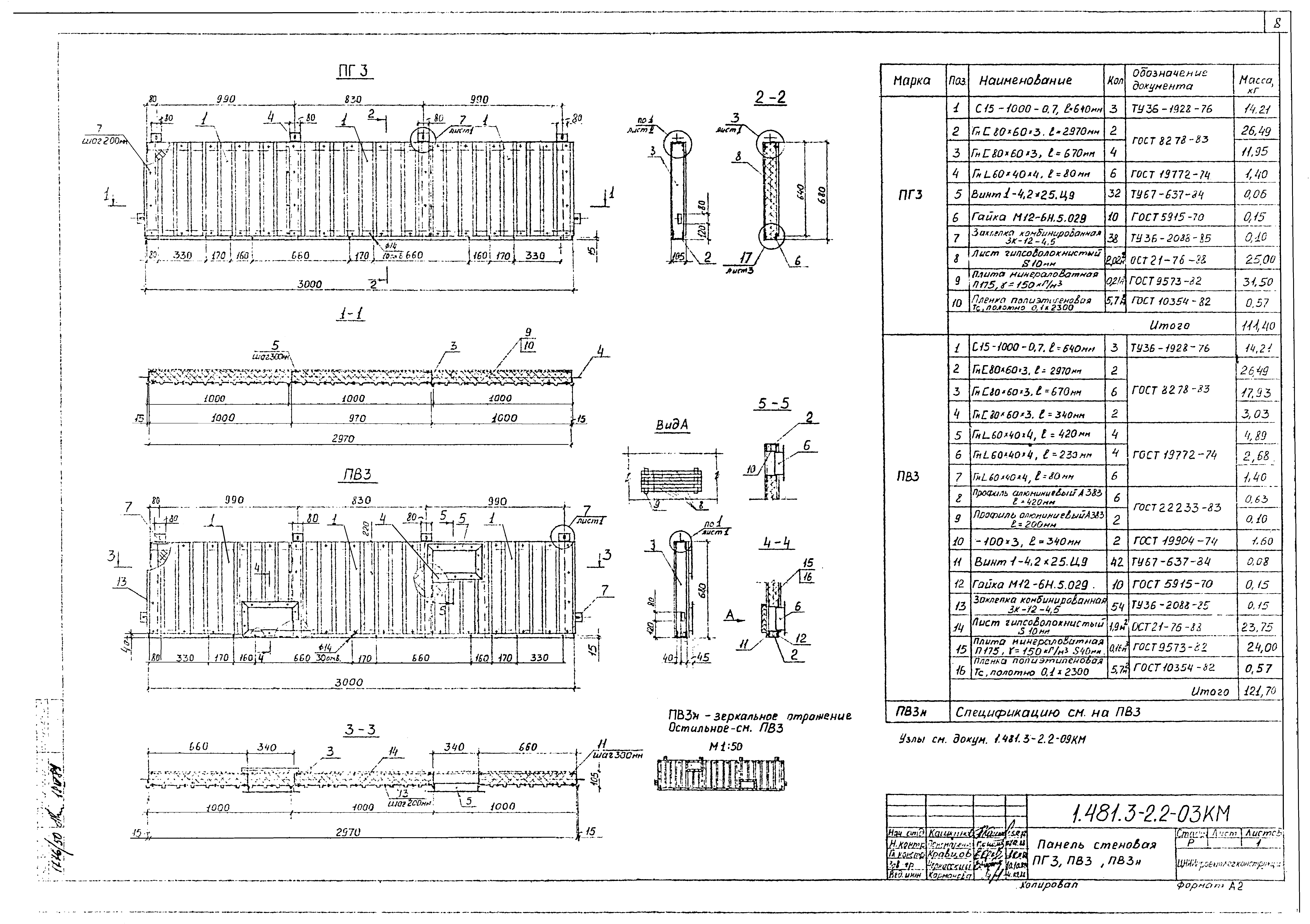
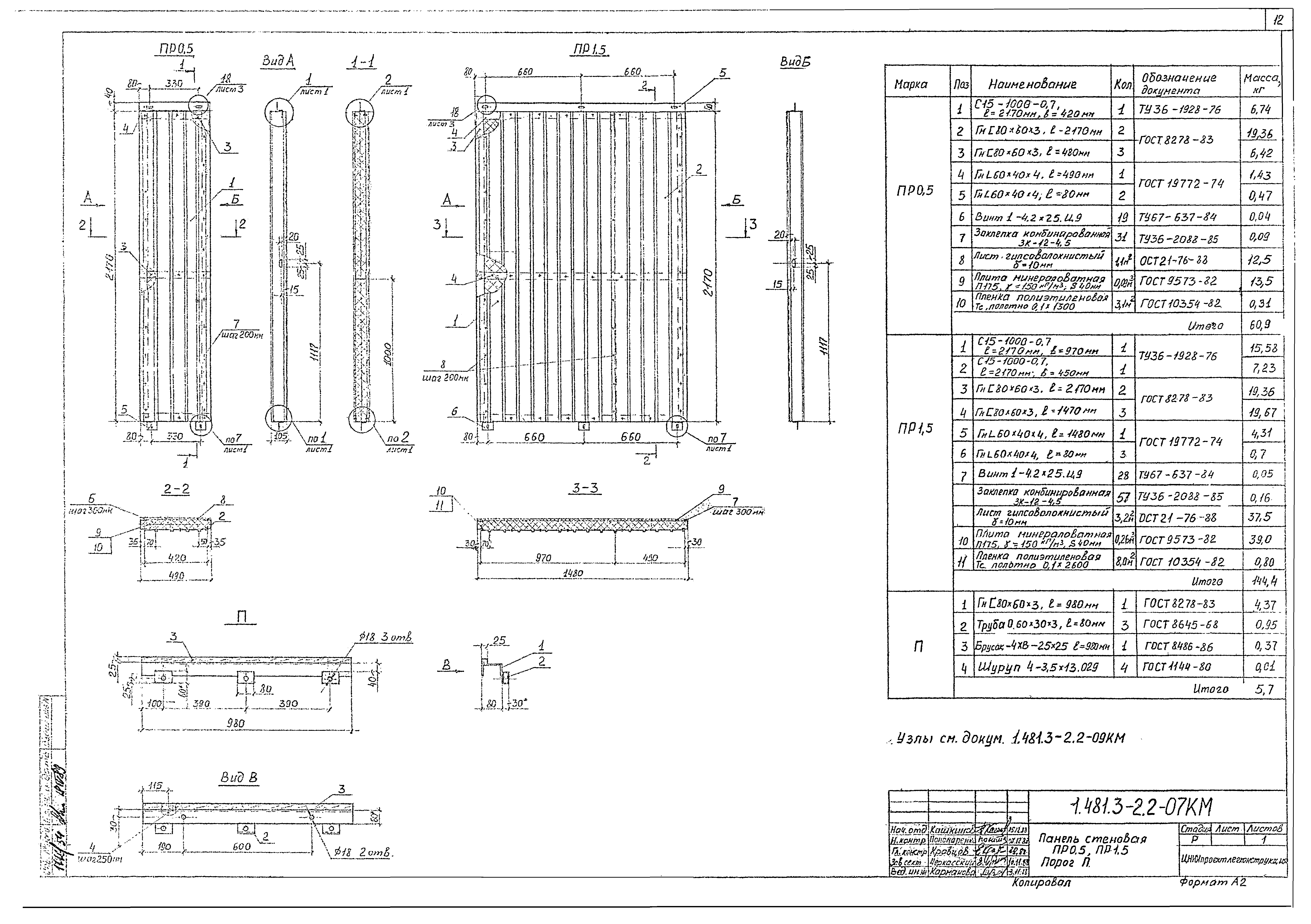
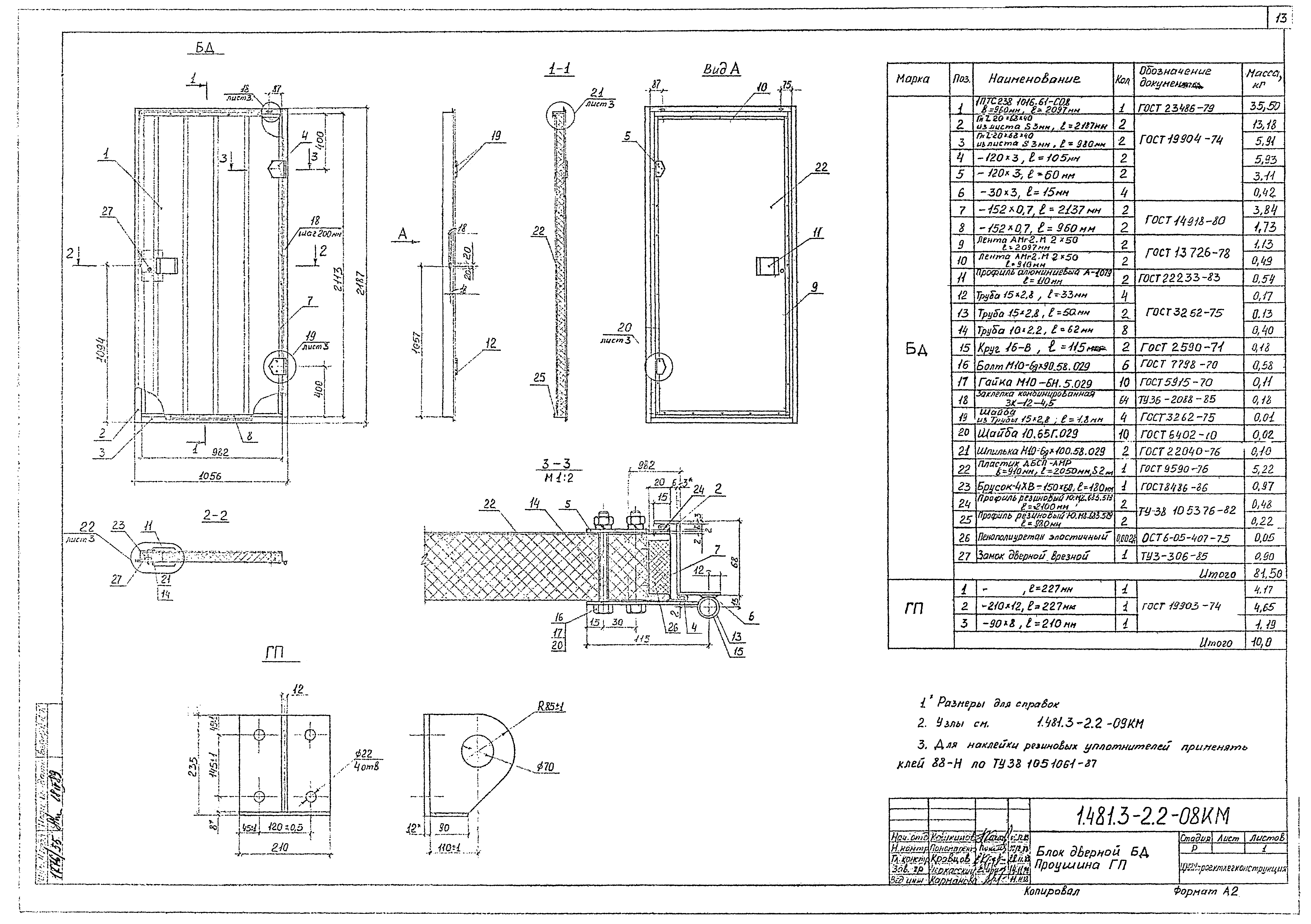
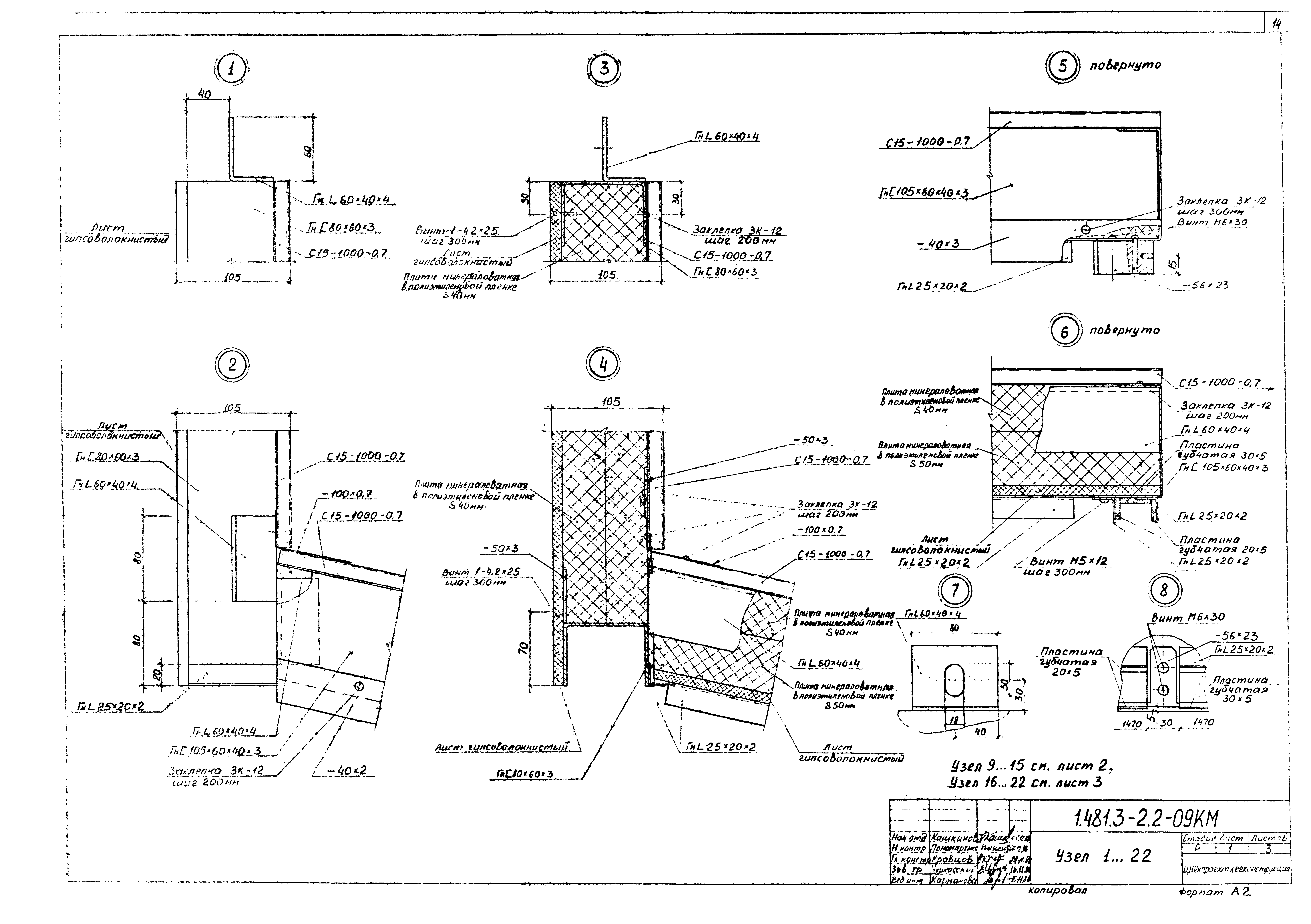
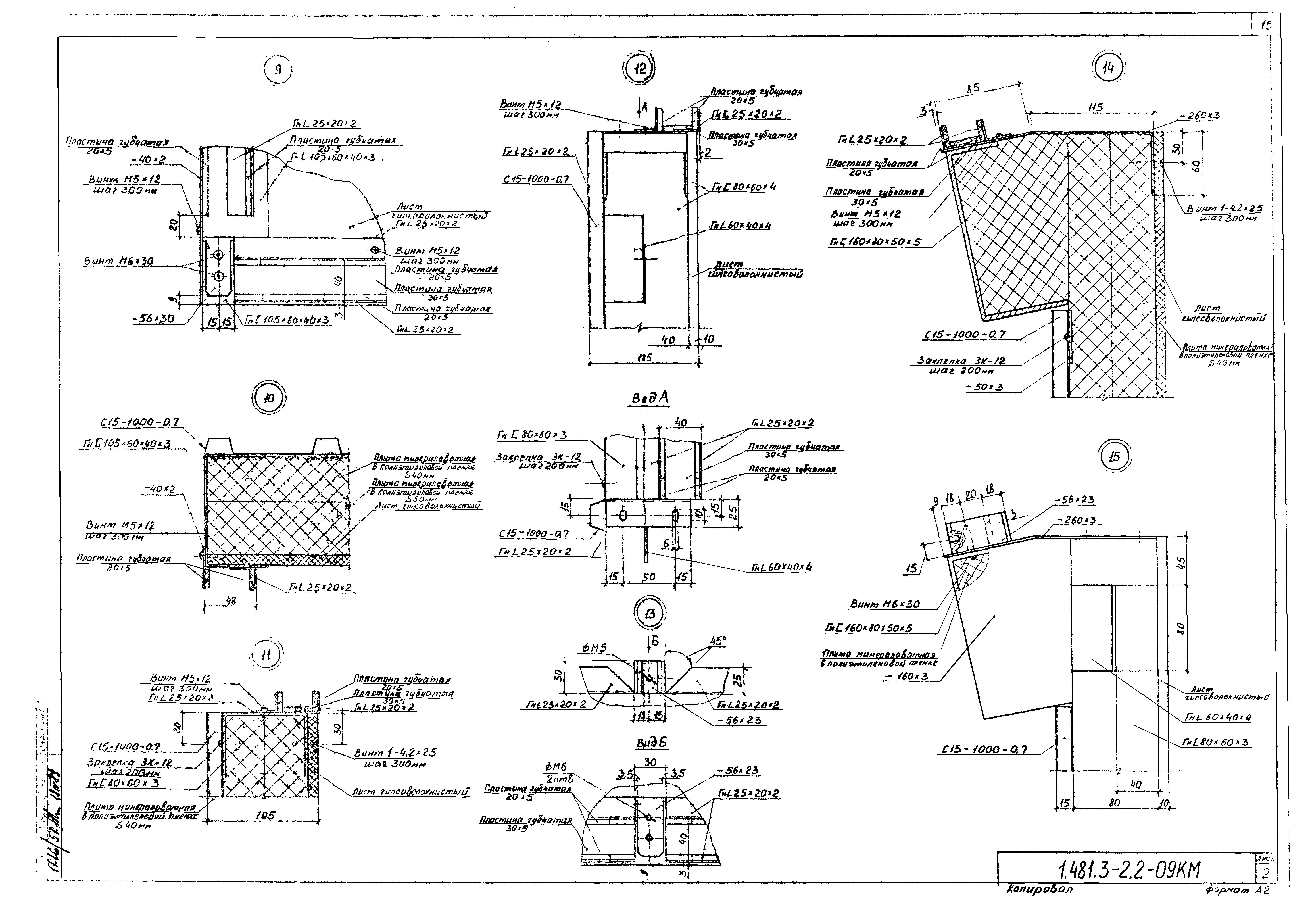
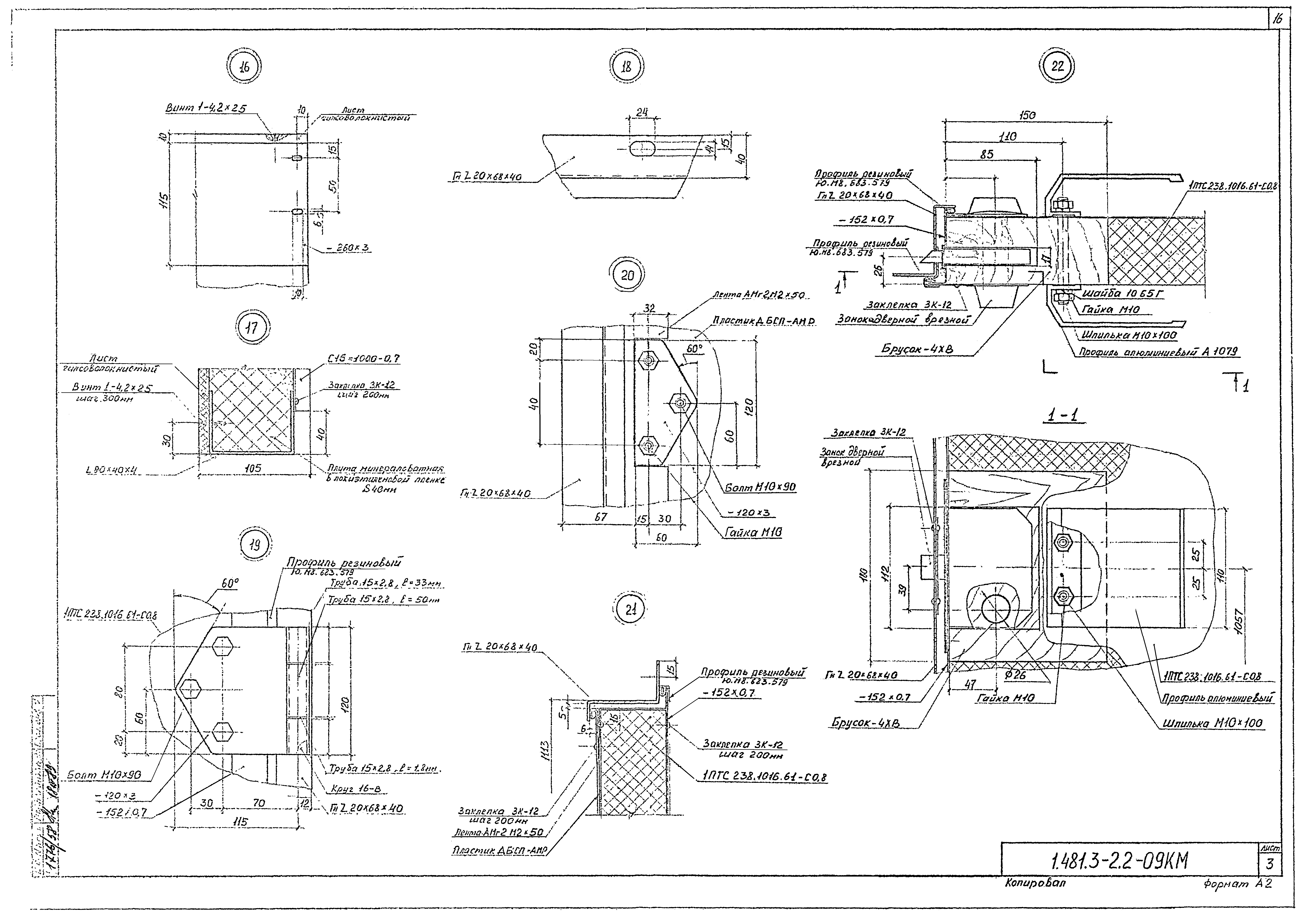
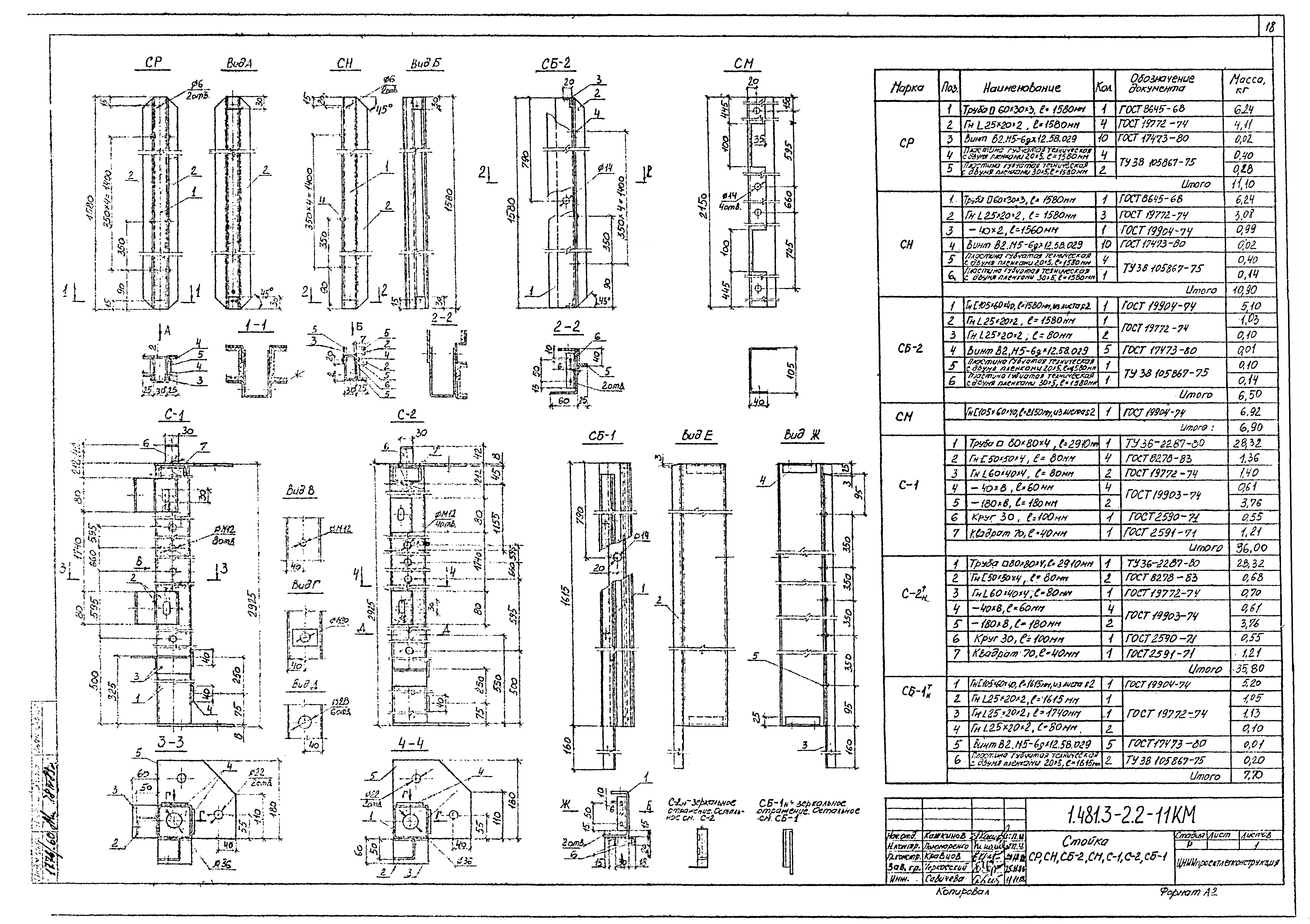
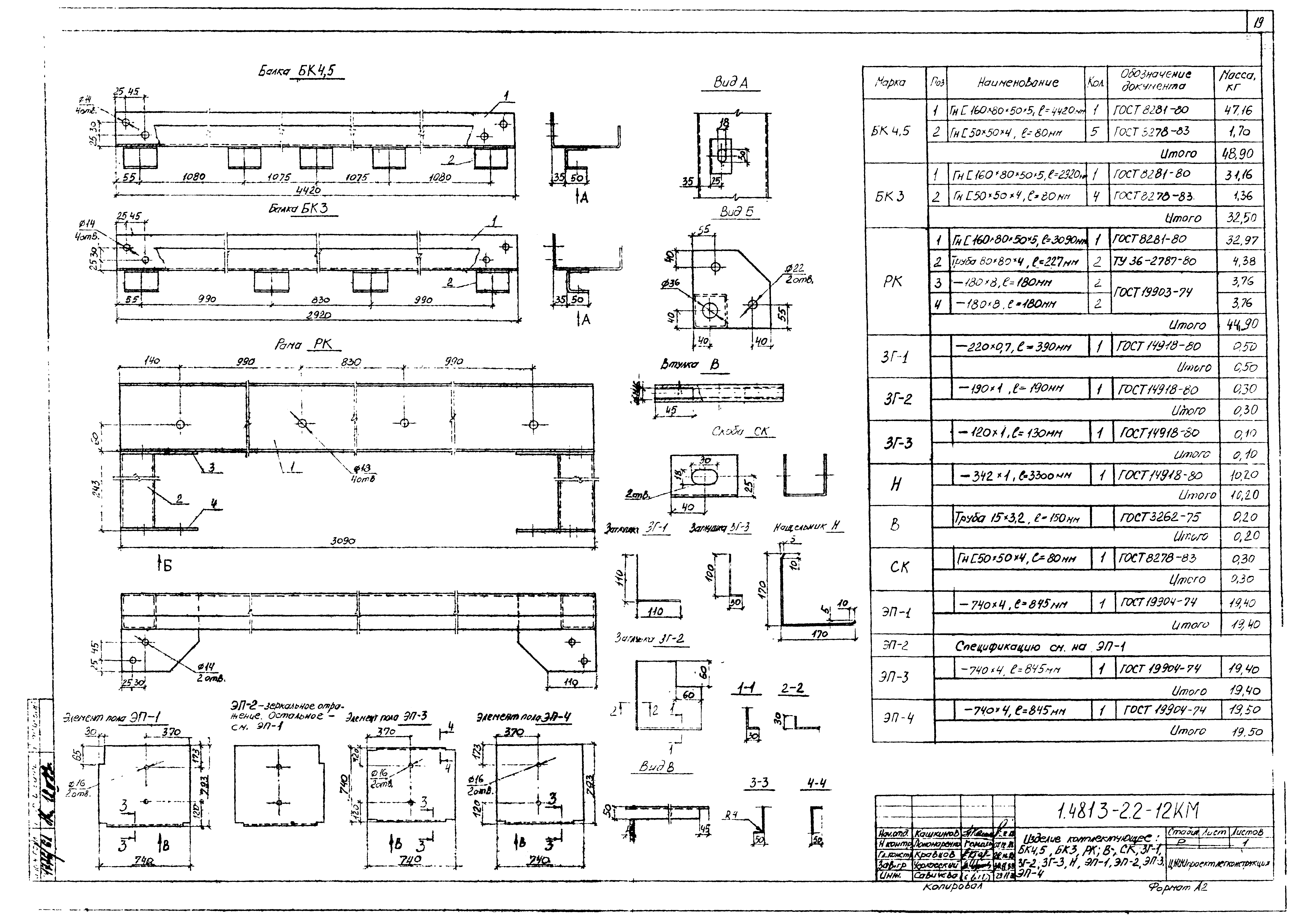
| Оглавление: | 1.481.3-2.2-ПЗ Пояснительная записка 1.481.3-2.2-ТУ Конструкции унифицированные комплектной поставки встроенных постов управления. Технические условия 1.481.3-2.2-01 КМ Панель стеновая ПК3 1.481.3-2.2-02 КМ Панель стеновая ПО3, ПЦ3 1.481.3-2.2-03 КМ Панель стеновая ПГ3, ПВ3, ПВ3н 1.481.3-2.2-04 КМ Панель стеновая ПК4,5 1.481.3-2.2-05 КМ Панель стеновая ПО4,5, ПЦ4,5 1.481.3-2.2-06 КМ Панель стеновая ПГ4,5; ПВ4,5; ПВ4,5н 1.481.3-2.2-07 КМ Панель стеновая ПР0,5, ПР1,5, Порог П 1.481.3-2.2-08 КМ Блок дверной БД. Проушина ГЦ 1.481.3-2.2-09 КМ Узел 1 - 22 1.481.3-2.2-10 КМ Балка БО3-1, БО4,5, БО3-2, ВС, БП 1.481.3-2.2-11 КМ Стойка СР, СН, СБ-2, СМ, С-1, С-2, СБ-1 1.481.3-2.2-12 КМ Изделие комплектующее БК4,5, БК3, РК, В, СК, ЗГ-1, ЗГ-2, ЗГ-3, Н, ЭП-1, ЭП-2, ЭП-3, ЭП-4 1.481.3-2.2-13 КМ Площадка ПМ 1.481.3-2.2-14 КМ Потолок подвесной. Детали |
| Разработан: | ВНИПИ Тяжпромэлектропроект ЦНИИПроектлегконструкция |
| Утверждён: | 05.05.1988 Союзлегконструкция |






















