Скачать Серия 3.501.1-149 Выпуск 1-1. Фундаменты трехлучевые стаканные. Железобетонные элементы заводского изготовления. Рабочие чертежиДата актуализации: 01.01.2021
|
| Обозначение: | Серия 3.501.1-149 |
| Обозначение англ: | Series 3.501.1-149 |
| Статус: | не определен законодательством |
| Название рус.: | Выпуск 1-1. Фундаменты трехлучевые стаканные. Железобетонные элементы заводского изготовления. Рабочие чертежи |
| Дата добавления в базу: | 01.09.2013 |
| Дата актуализации: | 01.01.2021 |
| Дата введения: | 01.01.1989 |
| Дата окончания срока действия: | 30.06.2003 |
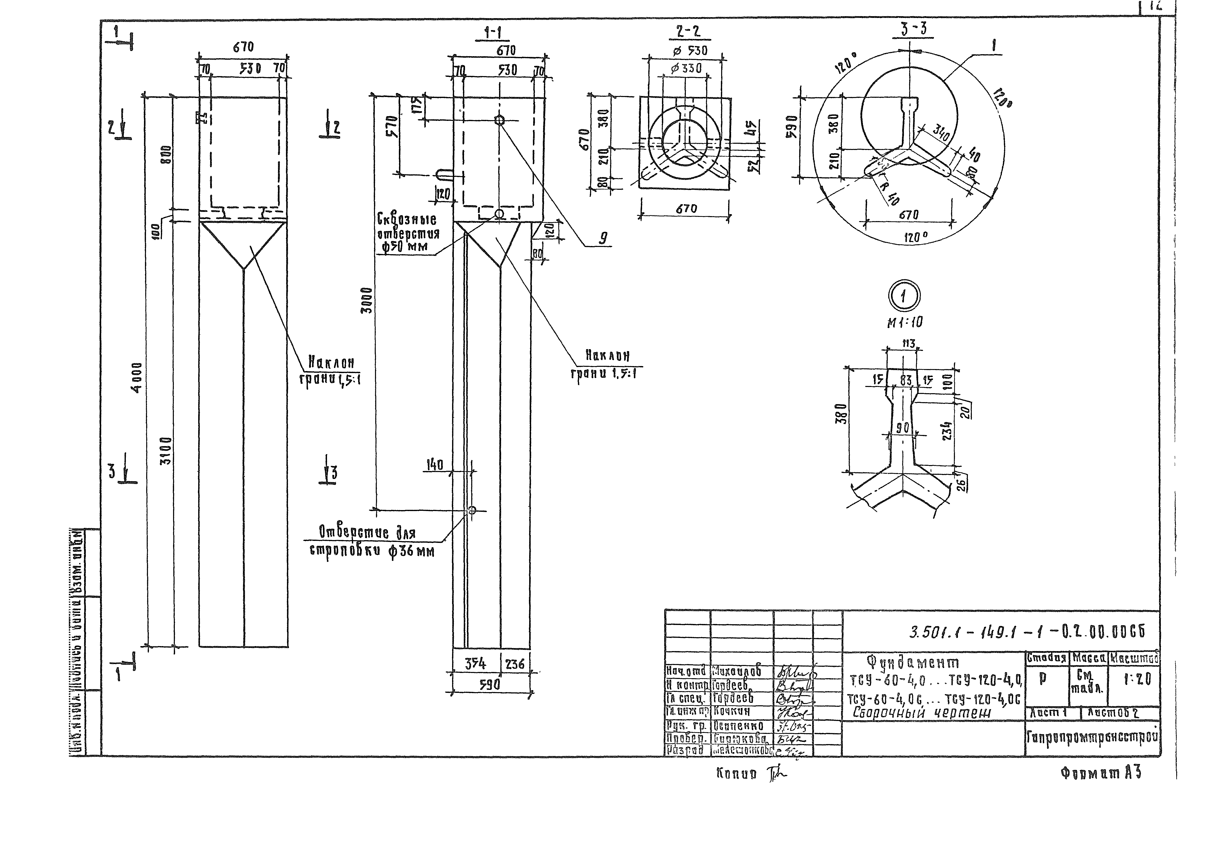
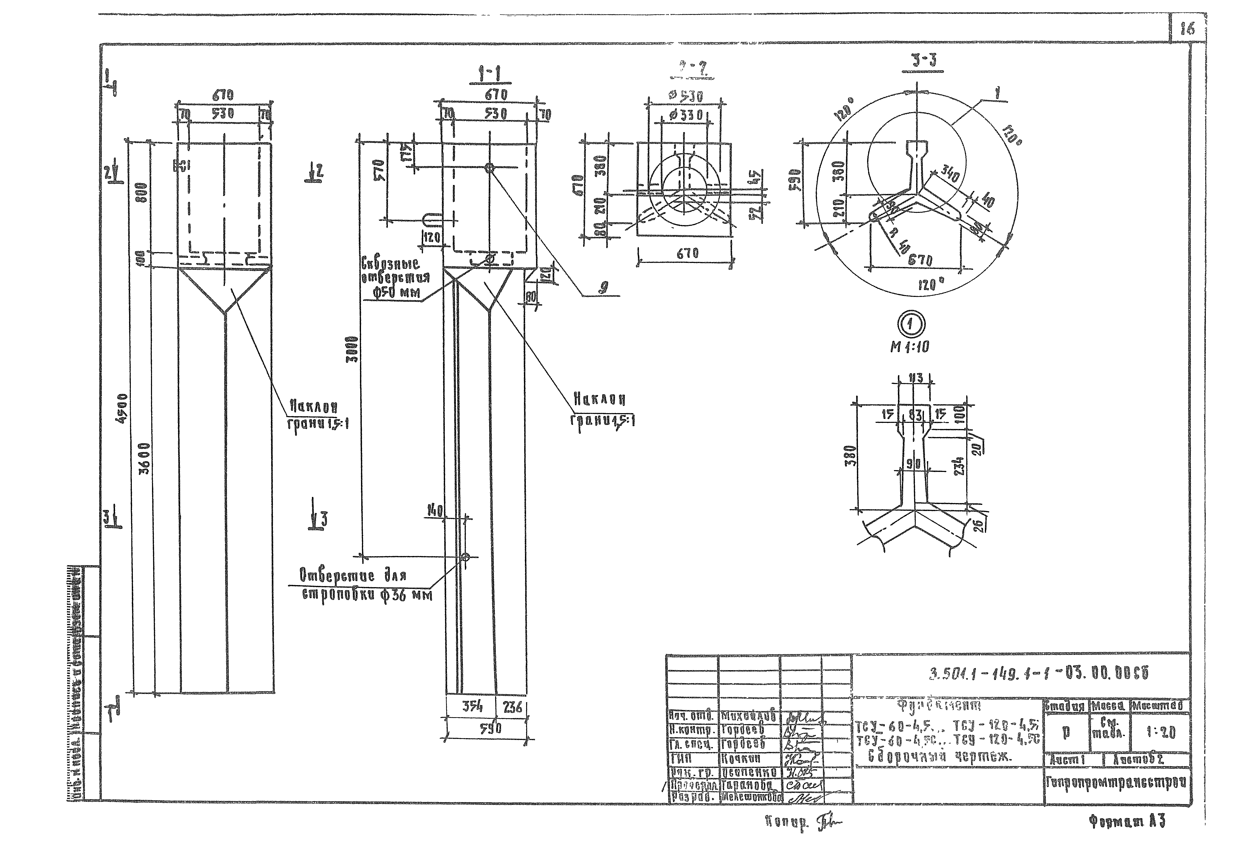
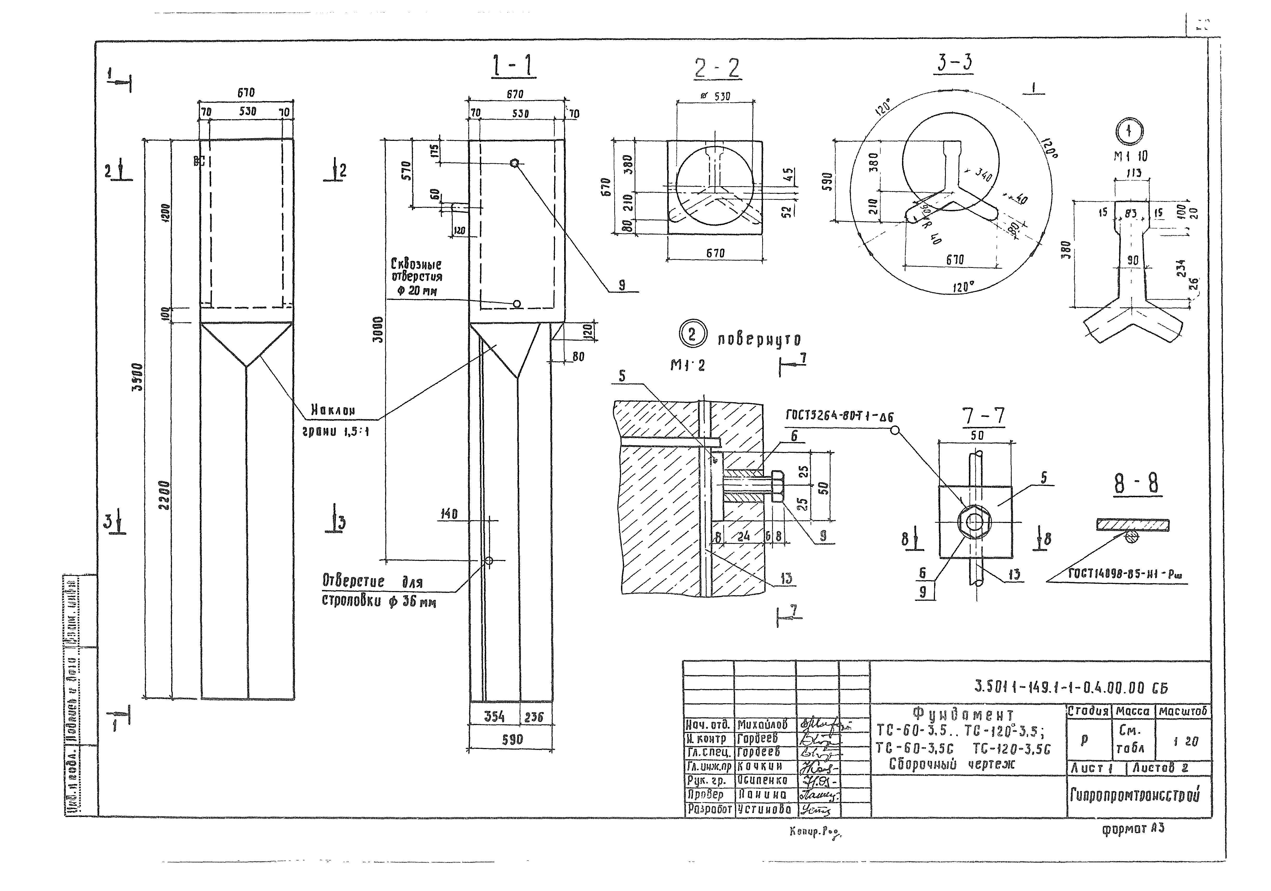
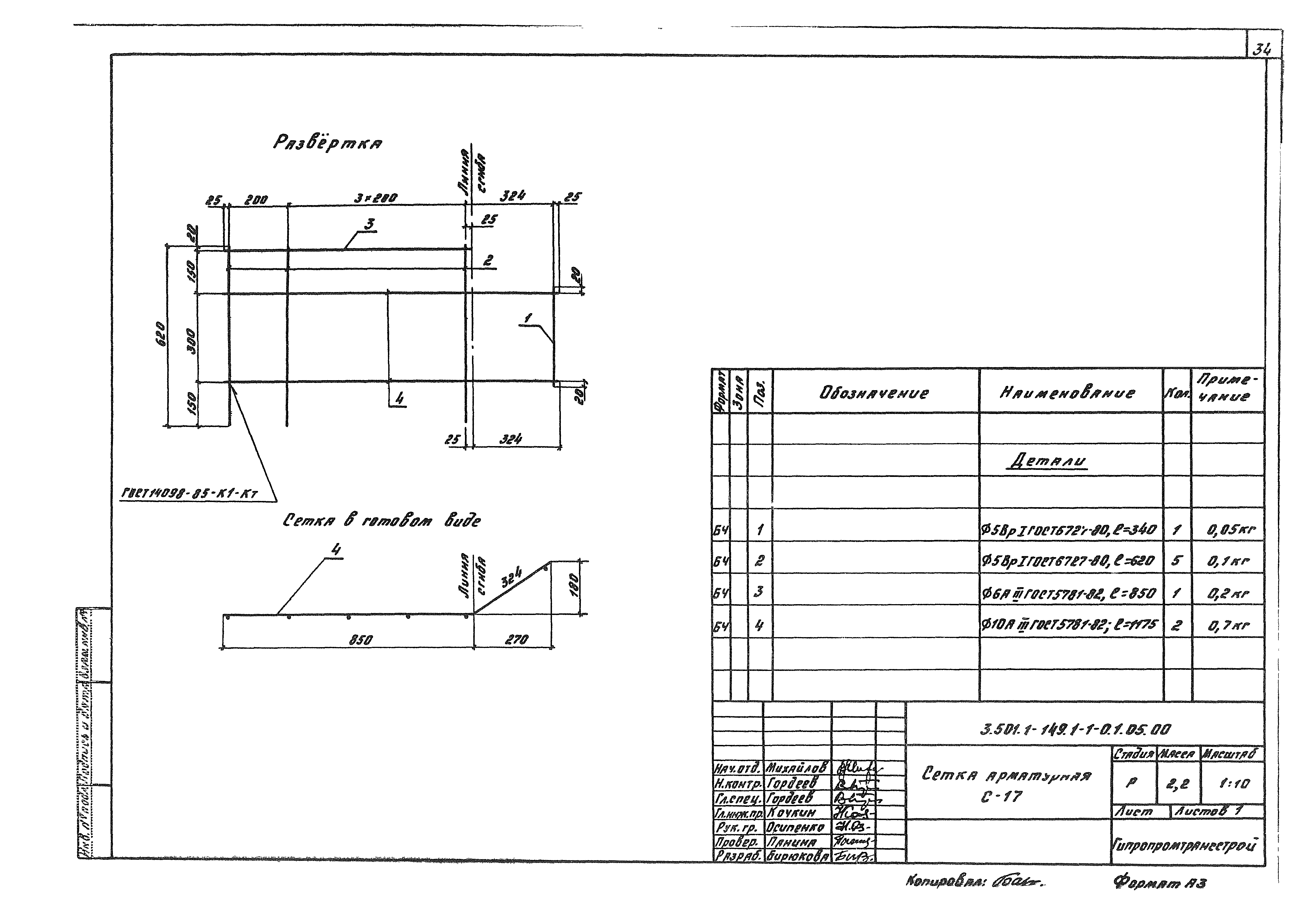
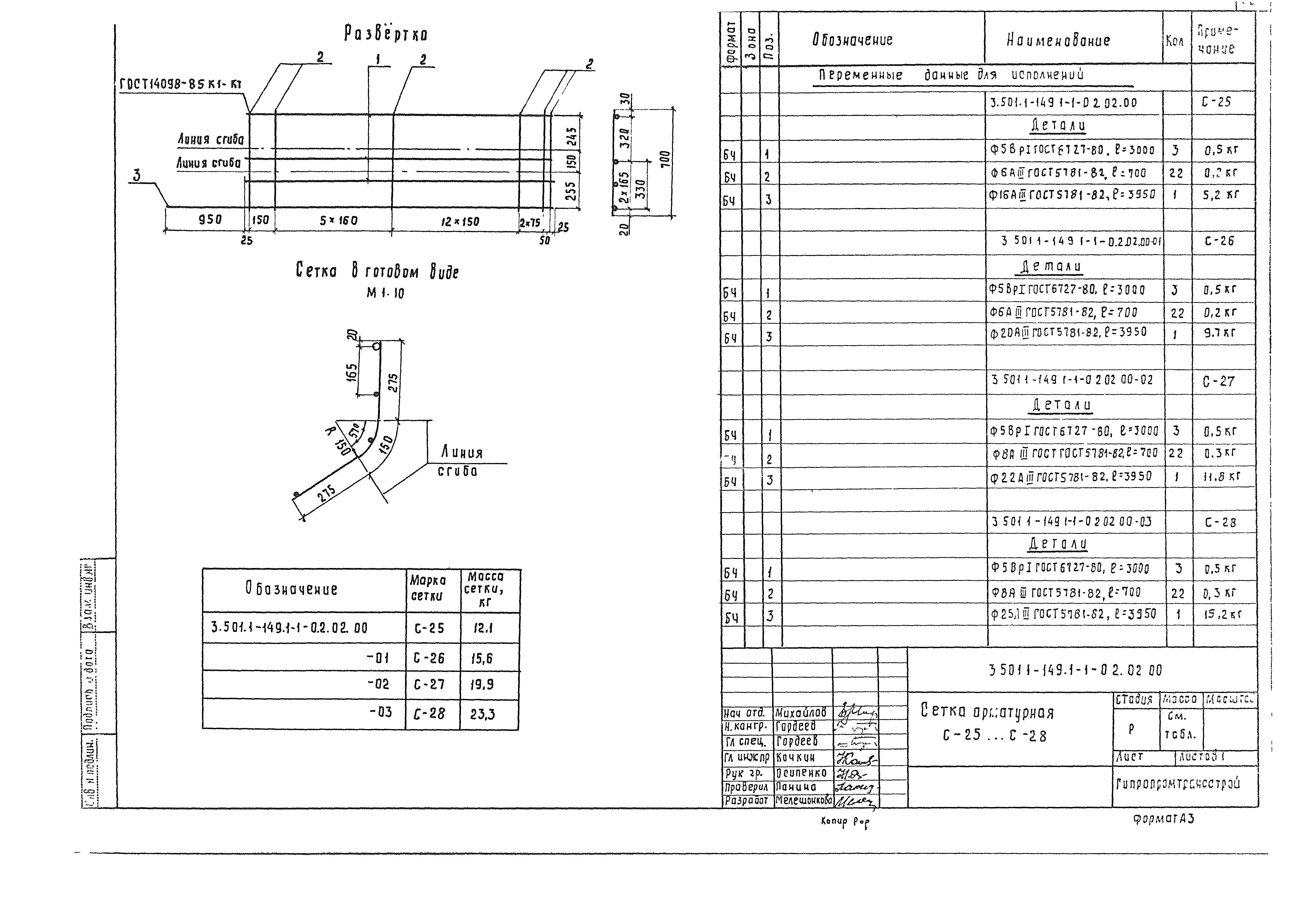
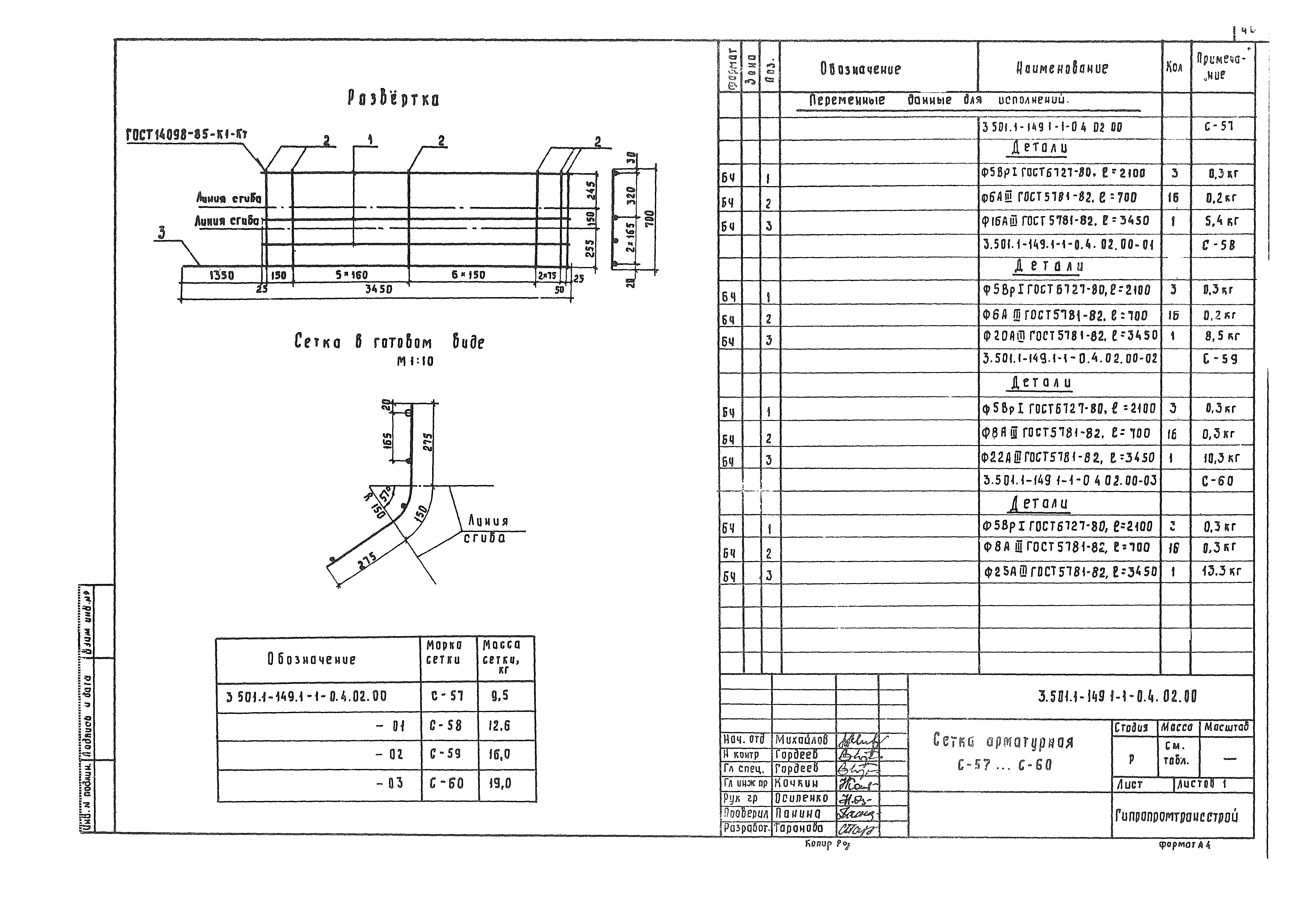
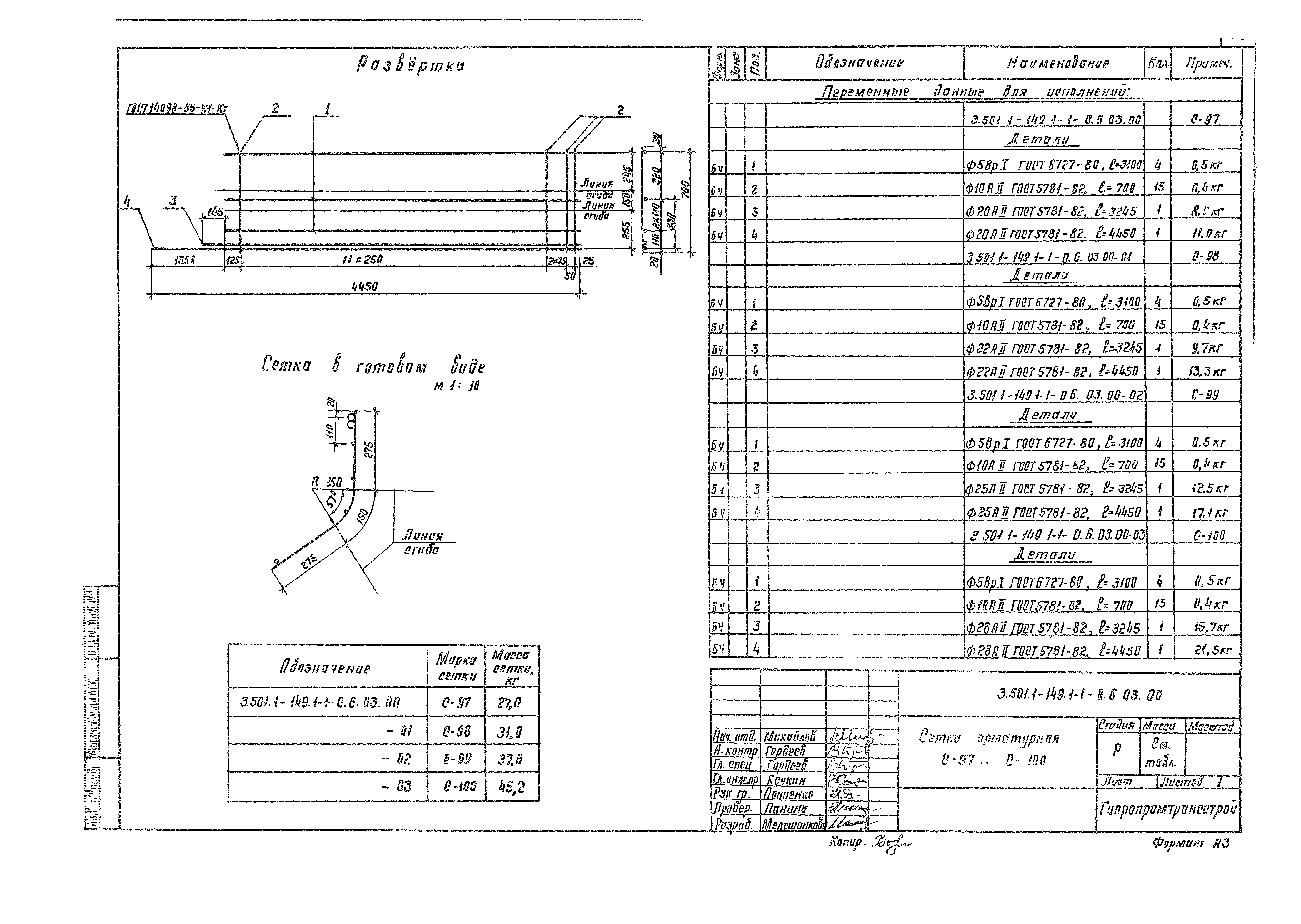
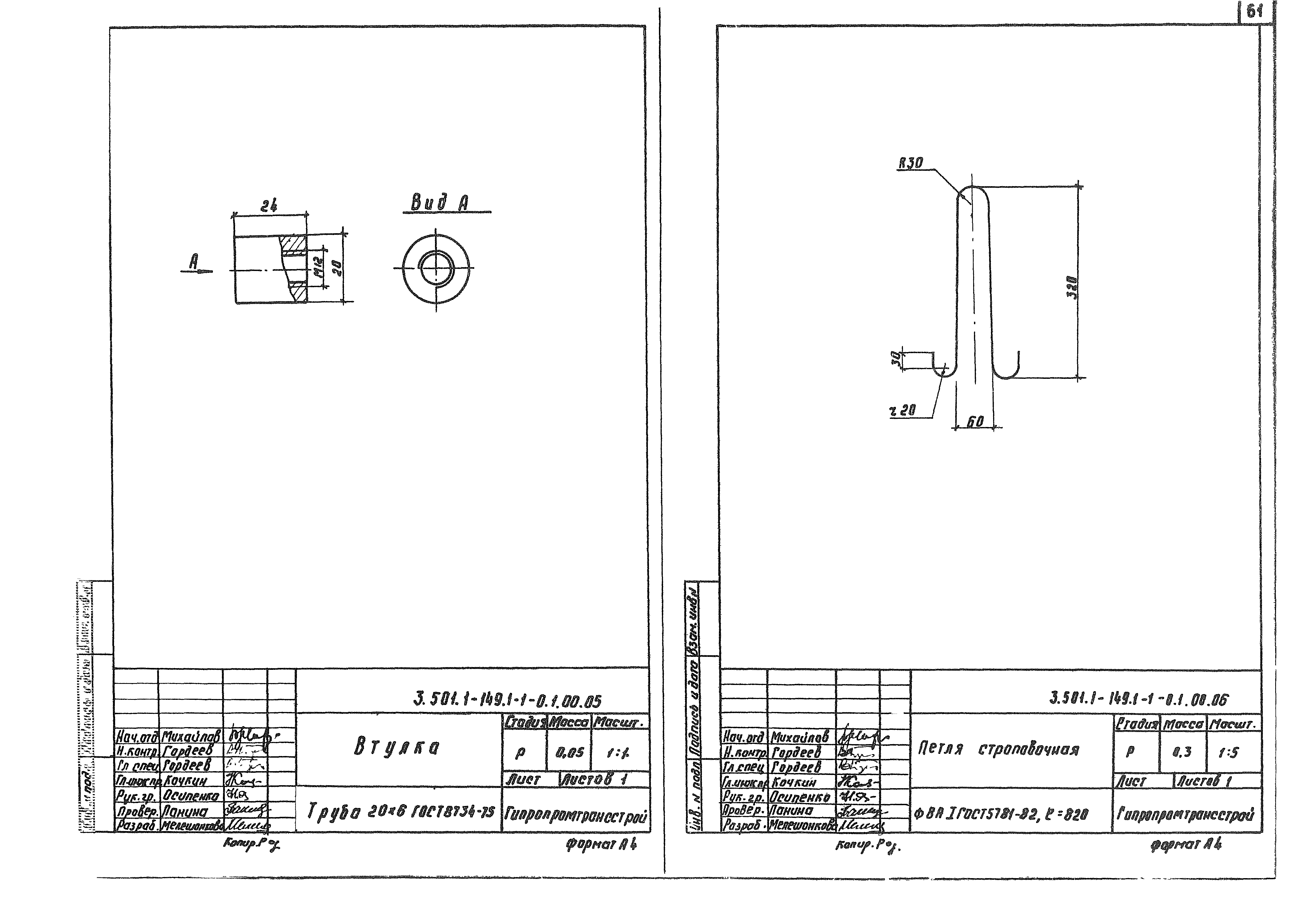
| Оглавление: | 3.5011-149.1-1-0.0.00.00ТО Техническое описание 3.5011-149.1-1-0.1.00.00 Фундамент ТСУ-60-3,5…ТСУ-120-3,5; ТСУ-60-3,5С…ТСУ-120-3,5С 3.5011-149.1-1-0.1.00.00СБ Фундамент ТСУ-60-3,5…ТСУ-120-3,5; ТСУ-60-3,5С…ТСУ-120-3,5С. Сборочный чертеж 3.5011-149.1-1-0.2.00.00 Фундамент ТСУ-60-4,0…ТСУ-120-4,0; ТСУ-60-4,0С…ТСУ-120-4,0С 3.5011-149.1-1-0.2.00.00СБ Фундамент ТСУ-60-4,0…ТСУ-120-4,0; ТСУ-60-4,0С…ТСУ-120-4,0С. Сборочный чертеж 3.5011-149.1-1-0.3.00.00 Фундамент ТСУ-60-4,5…ТСУ-120-4,5; ТСУ-60-4,5С…ТСУ-120-4,5С 3.5011-149.1-1-0.3.00.00СБ Фундамент ТСУ-60-4,5…ТСУ-120-4,5; ТСУ-60-4,5С…ТСУ-120-4,5С. Сборочный чертеж 3.5011-149.1-1-0.4.00.00 Фундамент ТС-60-3,5…ТС-120-3,5; ТС-60-3,5С…ТС-120-3,5С 3.5011-149.1-1-0.4.00.00СБ Фундамент ТС-60-3,5…ТС-120-3,5; ТС-60-3,5С…ТС-120-3,5С. Сборочный чертеж 3.5011-149.1-1-0.5.00.00 Фундамент ТС-60-4,0…ТС-120-4,0; ТС-60-4,0С…ТС-120-4,0С 3.5011-149.1-1-0.5.00.00СБ Фундамент ТС-60-4,0…ТС-120-4,0; ТС-60-4,0С…ТС-120-4,0С. Сборочный чертеж 3.5011-149.1-1-0.6.00.00 Фундамент ТС-60-4,5…ТС-120-4,5; ТС-60-4,5С…ТС-120-4,5С 3.5011-149.1-1-0.6.00.00СБ Фундамент ТС-60-4,5…ТС-120-4,5; ТС-60-4,5С…ТС-120-4,5С. Сборочный чертеж 3.5011-149.1-1-0.1.01.00 Сетка арматурная С-1…С-4 3.5011-149.1-1-0.1.02.00 Сетка арматурная С-5…С-8 3.5011-149.1-1-0.1.03.00 Сетка арматурная С-9…С-12 3.5011-149.1-1-0.1.04.00 Сетка арматурная С-13…С-16 3.5011-149.1-1-0.1.05.00 Сетка арматурная С-17 3.5011-149.1-1-0.1.06.00 Сетка арматурная С-18 3.5011-149.1-1-0.1.09.00 Каркас арматурный К-1 3.5011-149.1-1-0.1.07.00 Сетка арматурная С-19 3.5011-149.1-1-0.1.08.00 Сетка арматурная С-20 3.5011-149.1-1-0.2.01.00 Сетка арматурная С-21…С-24 3.5011-149.1-1-0.2.02.00 Сетка арматурная С-25…С-28 3.5011-149.1-1-0.2.03.00 Сетка арматурная С-29…С-32 3.5011-149.1-1-0.2.04.00 Сетка арматурная С-33…С-36 3.5011-149.1-1-0.3.01.00 Сетка арматурная С-37…С-40 3.5011-149.1-1-0.3.02.00 Сетка арматурная С-41…С-44 3.5011-149.1-1-0.3.03.00 Сетка арматурная С-45…С-48 3.5011-149.1-1-0.3.04.00 Сетка арматурная С-49…С-52 3.5011-149.1-1-0.4.01.00 Сетка арматурная С-53…С-56 3.5011-149.1-1-0.4.02.00 Сетка арматурная С-57…С-60 3.5011-149.1-1-0.4.03.00 Сетка арматурная С-61…С-64 3.5011-149.1-1-0.4.04.00 Сетка арматурная С-65…С-68 3.5011-149.1-1-0.4.05.00 Сетка арматурная С-69 3.5011-149.1-1-0.4.06.00 Сетка арматурная С-70 3.5011-149.1-1-0.4.09.00 Каркас арматурный К-2 3.5011-149.1-1-0.4.07.00 Сетка арматурная С-71 3.5011-149.1-1-0.4.08.00 Сетка арматурная С-72 3.5011-149.1-1-0.5.01.00 Сетка арматурная С-73…С-76 3.5011-149.1-1-0.5.02.00 Сетка арматурная С-77…С-80 3.5011-149.1-1-0.5.03.00 Сетка арматурная С-81…С-84 3.5011-149.1-1-0.5.04.00 Сетка арматурная С-85…С-88 3.5011-149.1-1-0.6.01.00 Сетка арматурная С-89…С-92 3.5011-149.1-1-0.6.02.00 Сетка арматурная С-93…С-96 3.5011-149.1-1-0.6.03.00 Сетка арматурная С-97…С-100 3.5011-149.1-1-0.6.04.00 Сетка арматурная С-101…С-104 3.5011-149.1-1-0.1.00.02 Спираль 3.5011-149.1-1-0.1.00.03 Хомут 3.5011-149.1-1-0.1.00.05 Втулка 3.5011-149.1-1-0.1.00.06 Петля строповочная 3.5011-149.1-1-0.1.00.00РС Ведомость расхода стали на элемент, кг |
| Разработан: | Гипропромтрансстрой |
| Утверждён: | 16.09.1988 МПС СССР (USSR Ministry of Railroads А3080у) |
































































