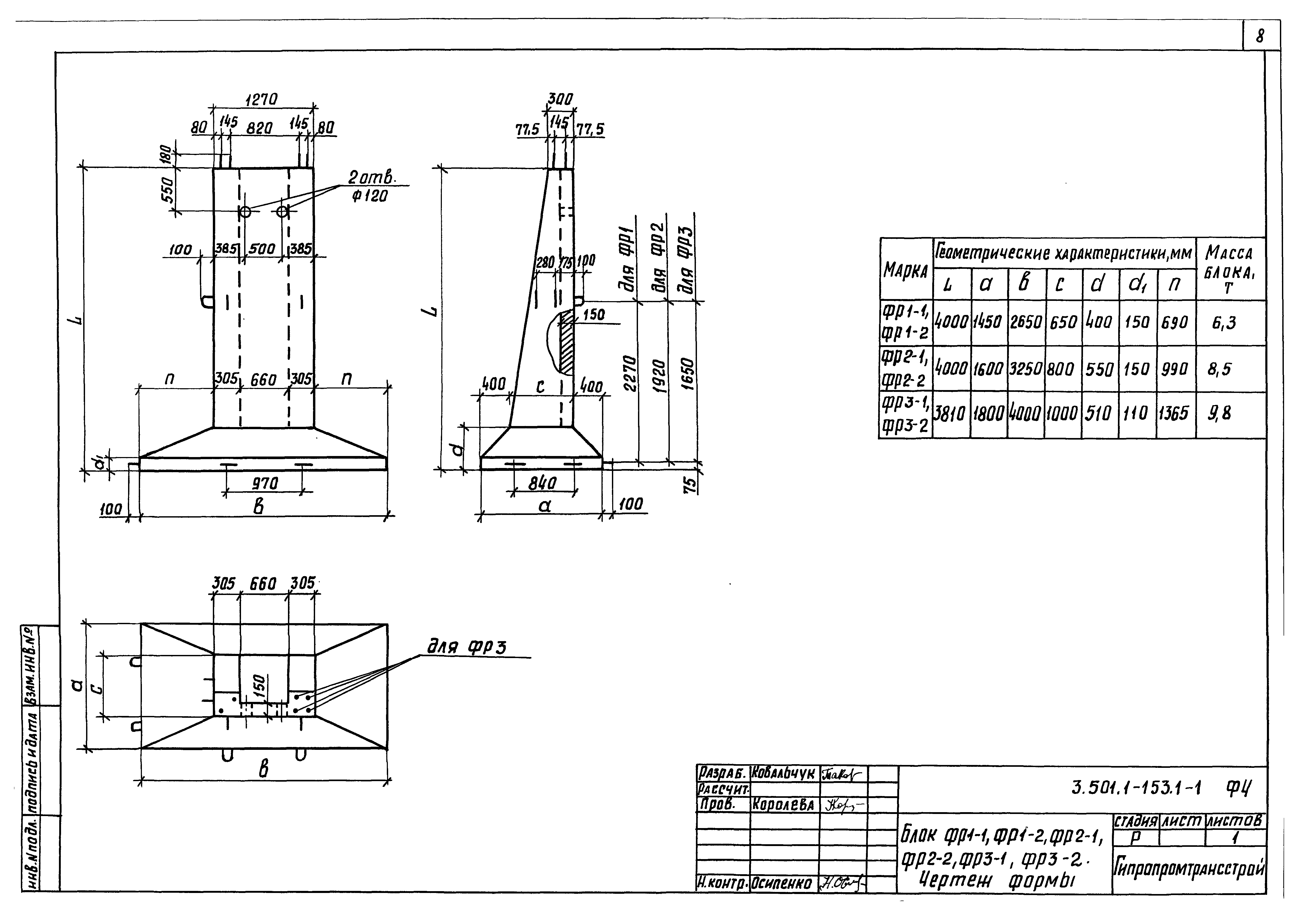
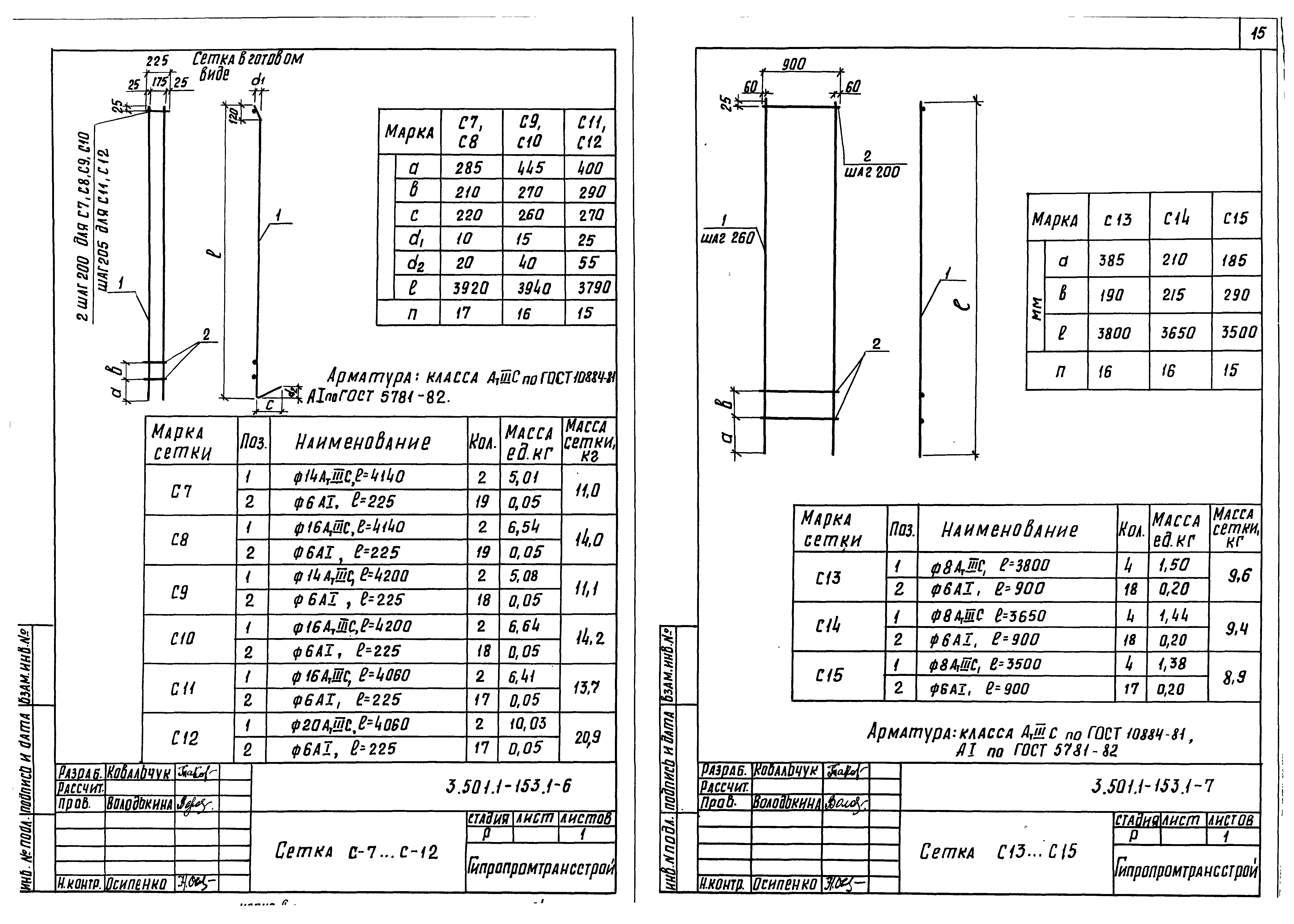
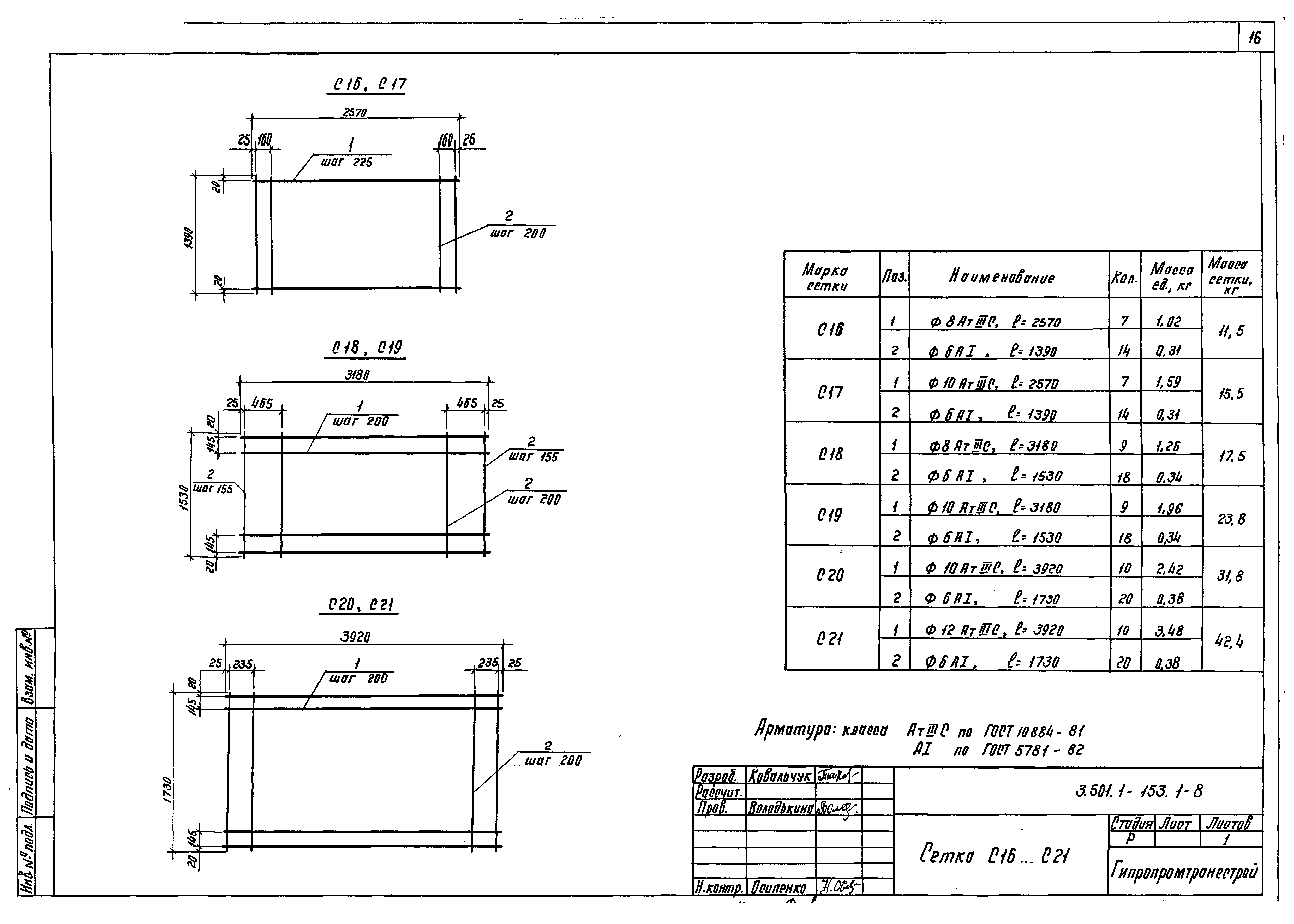
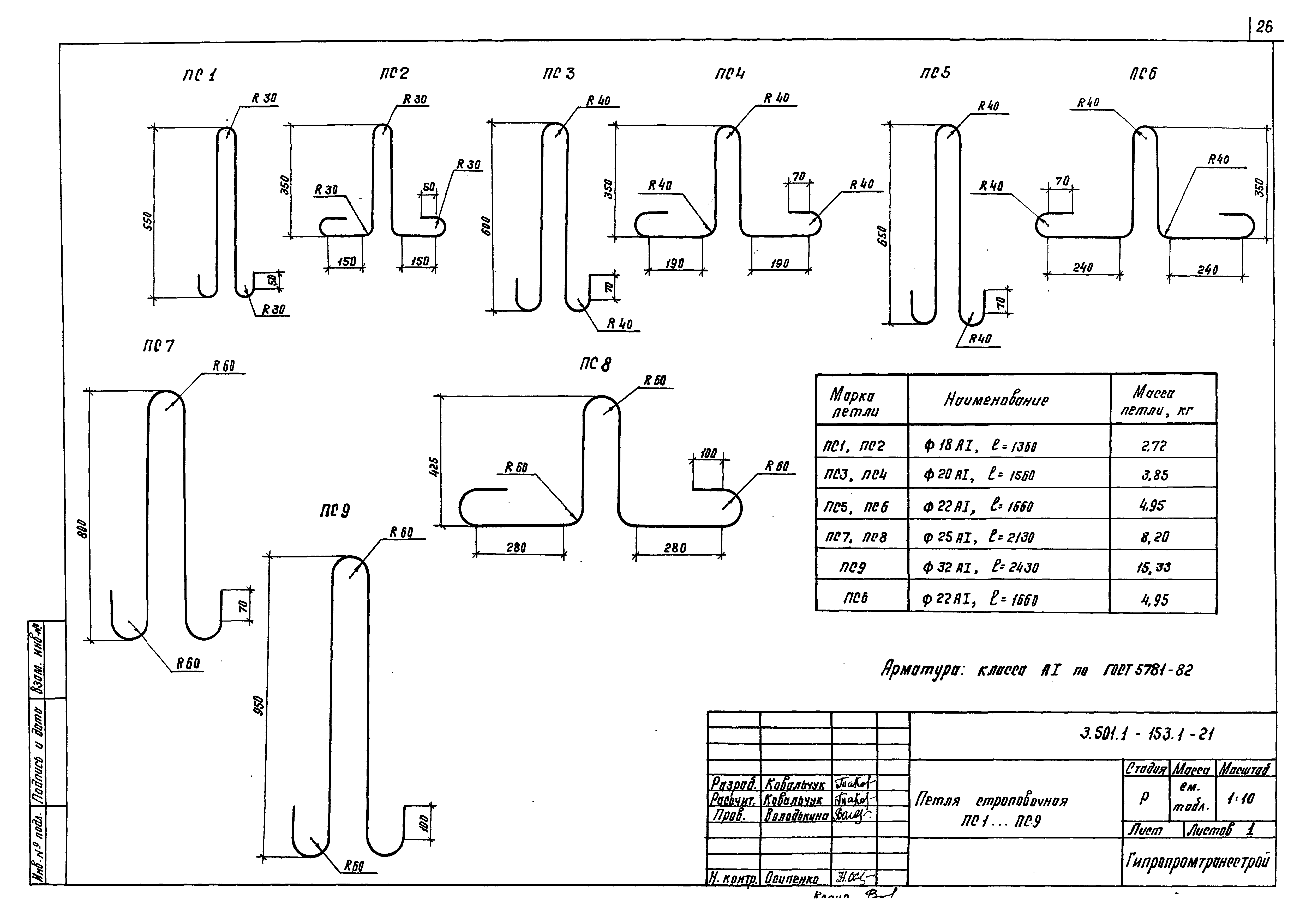
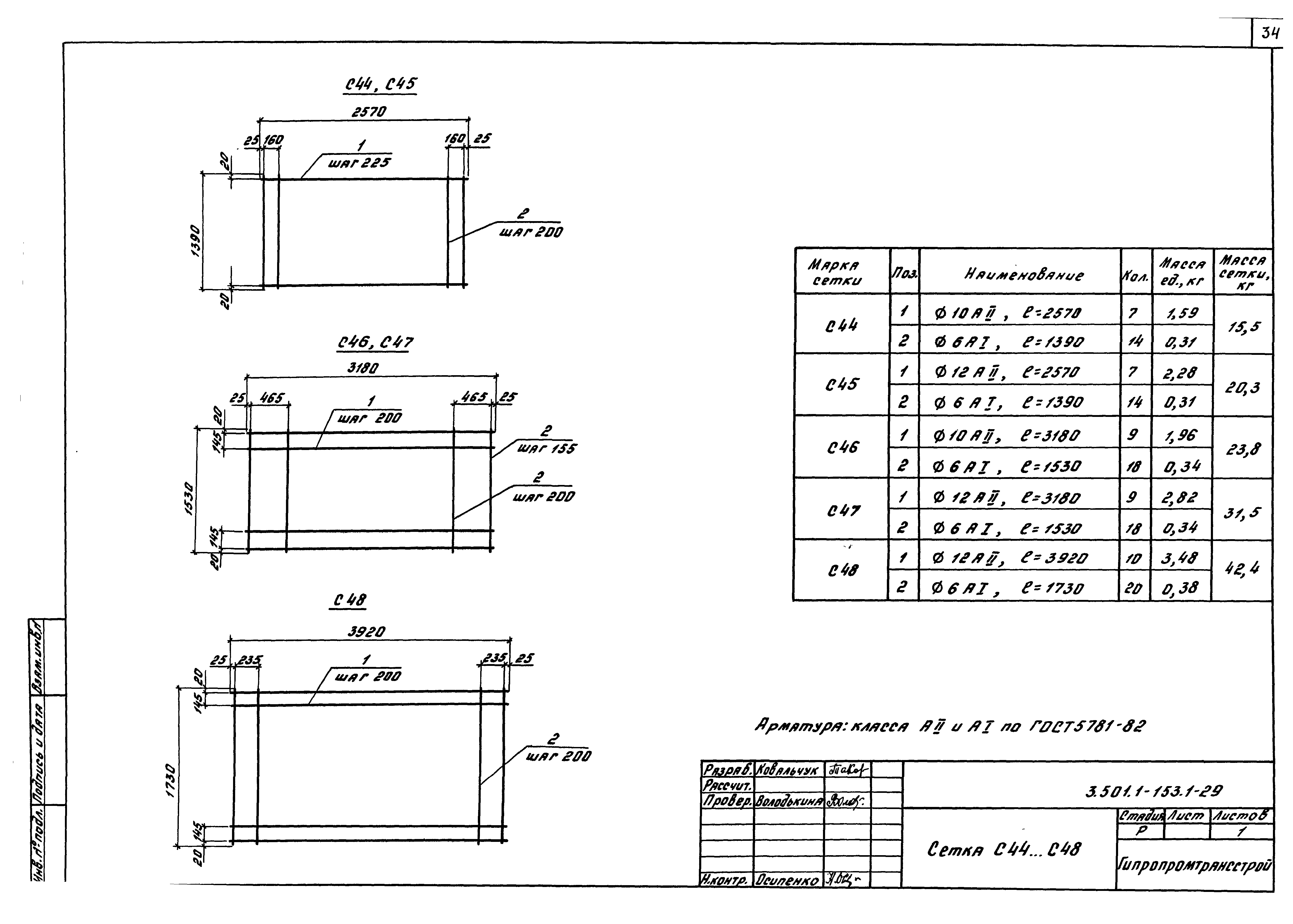
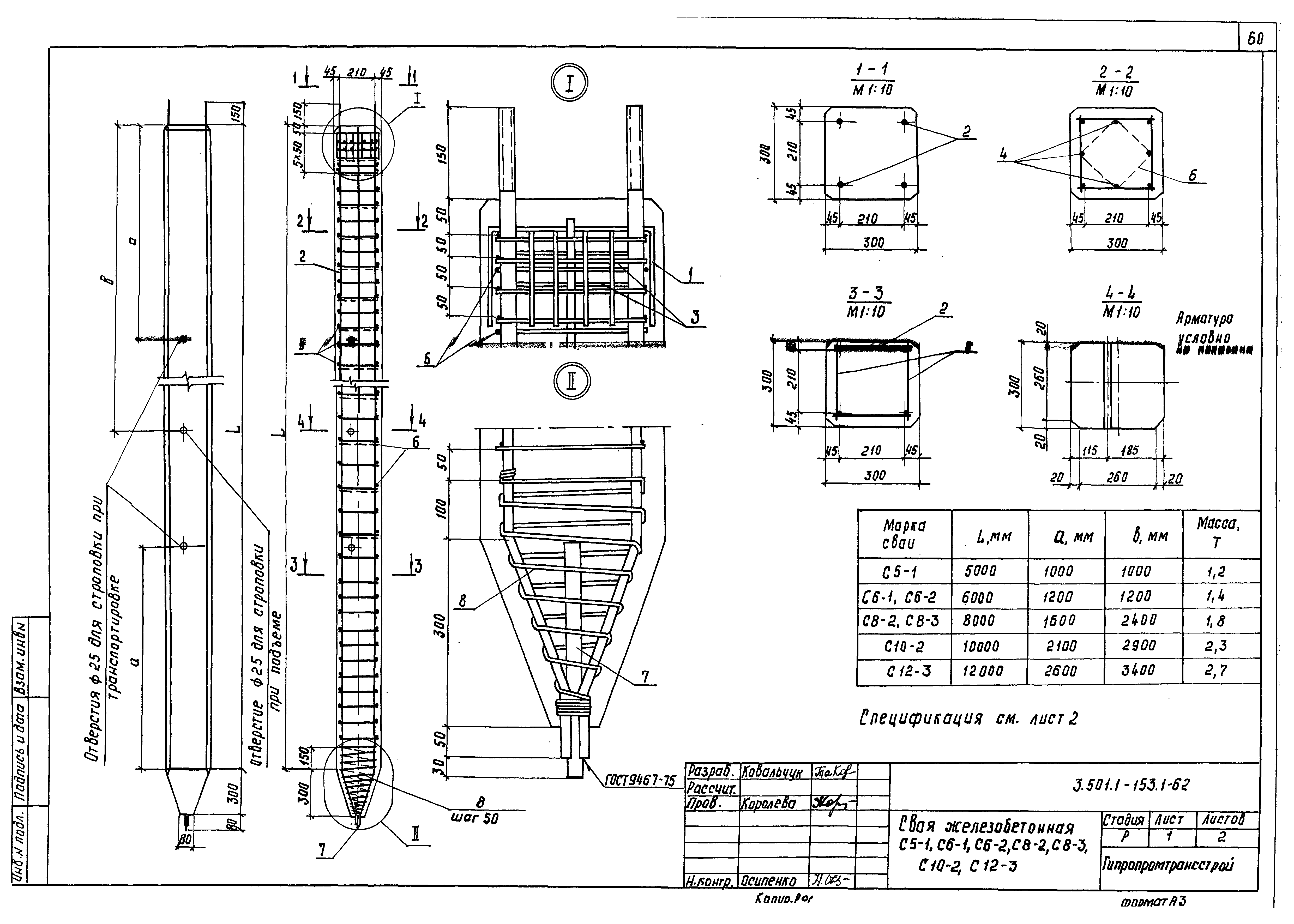
Скачать Серия 3.501.1-153 Выпуск 1. Раздельные и свайные сборные железобетонные фундаменты под металлические опоры контактной сети. Рабочие чертежиДата актуализации: 01.01.2021
|
| Обозначение: | Серия 3.501.1-153 |
| Обозначение англ: | Series 3.501.1-153 |
| Статус: | не определен законодательством |
| Название рус.: | Выпуск 1. Раздельные и свайные сборные железобетонные фундаменты под металлические опоры контактной сети. Рабочие чертежи |
| Дата добавления в базу: | 01.09.2013 |
| Дата актуализации: | 01.01.2021 |
| Дата введения: | 01.04.1989 |
| Дата окончания срока действия: | 30.06.2003 |
| Разработан: | Гипропромтрансстрой |
| Утверждён: | 16.09.1988 МПС СССР (USSR Ministry of Railroads А 3081у) |
| Заменяет собой: |







































































