Скачать Серия 3.407.1-144 Выпуск 0. Материалы для проектированияДата актуализации: 01.01.2021
|
| Обозначение: | Серия 3.407.1-144 |
| Обозначение англ: | Series 3.407.1-144 |
| Статус: | действует |
| Название рус.: | Выпуск 0. Материалы для проектирования |
| Дата добавления в базу: | 01.09.2013 |
| Дата актуализации: | 01.01.2021 |
| Дата введения: | 10.04.1987 |
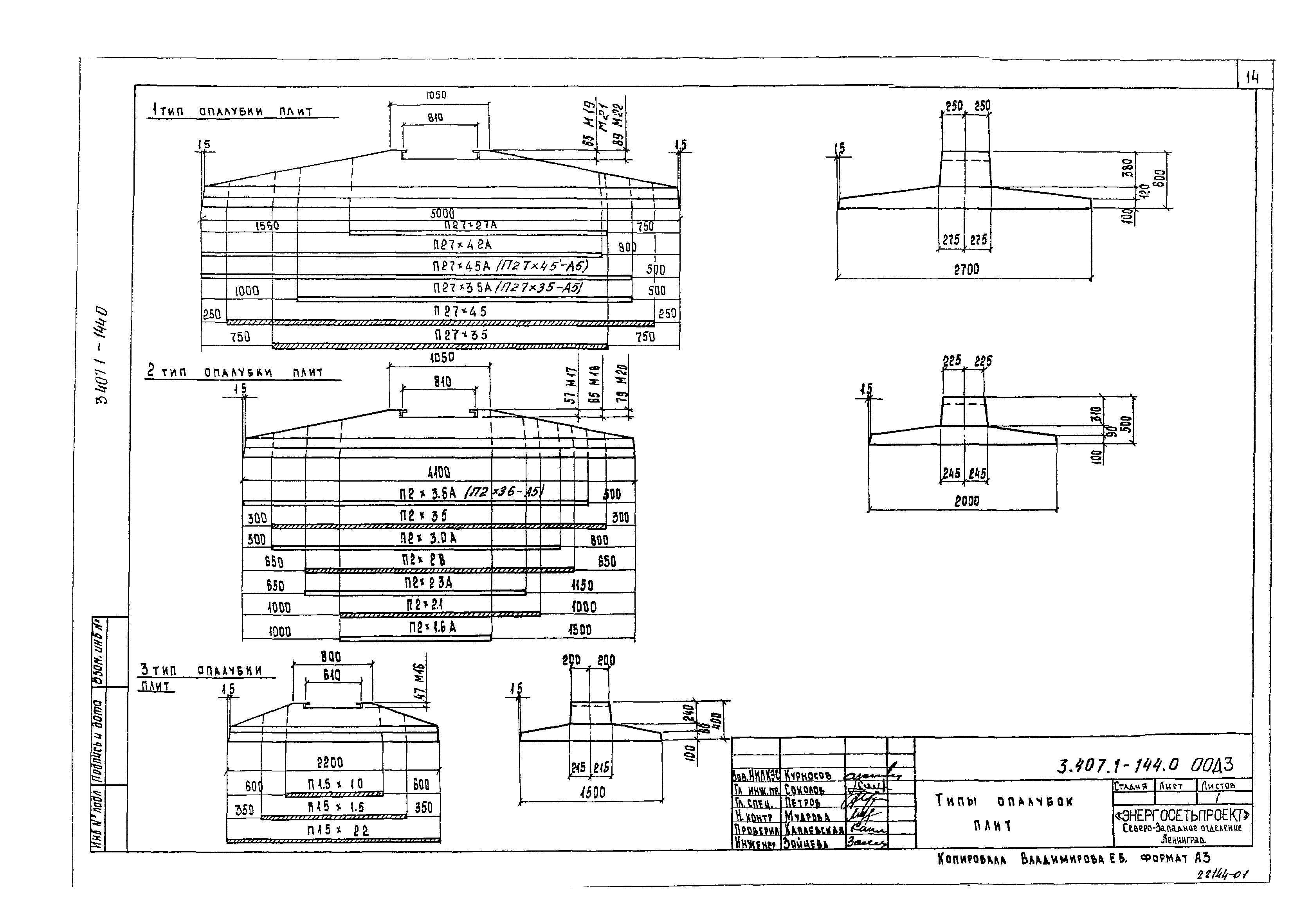
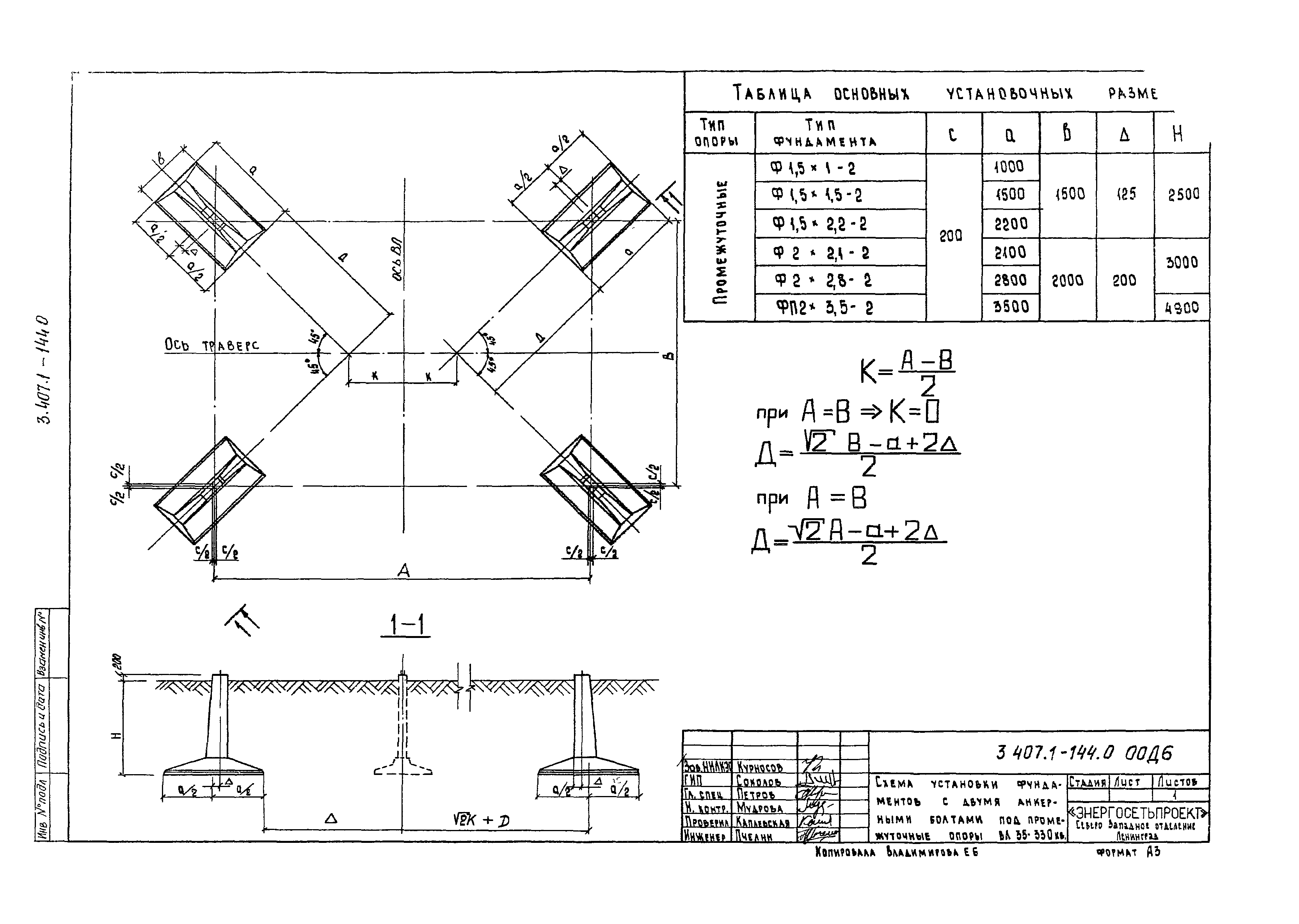
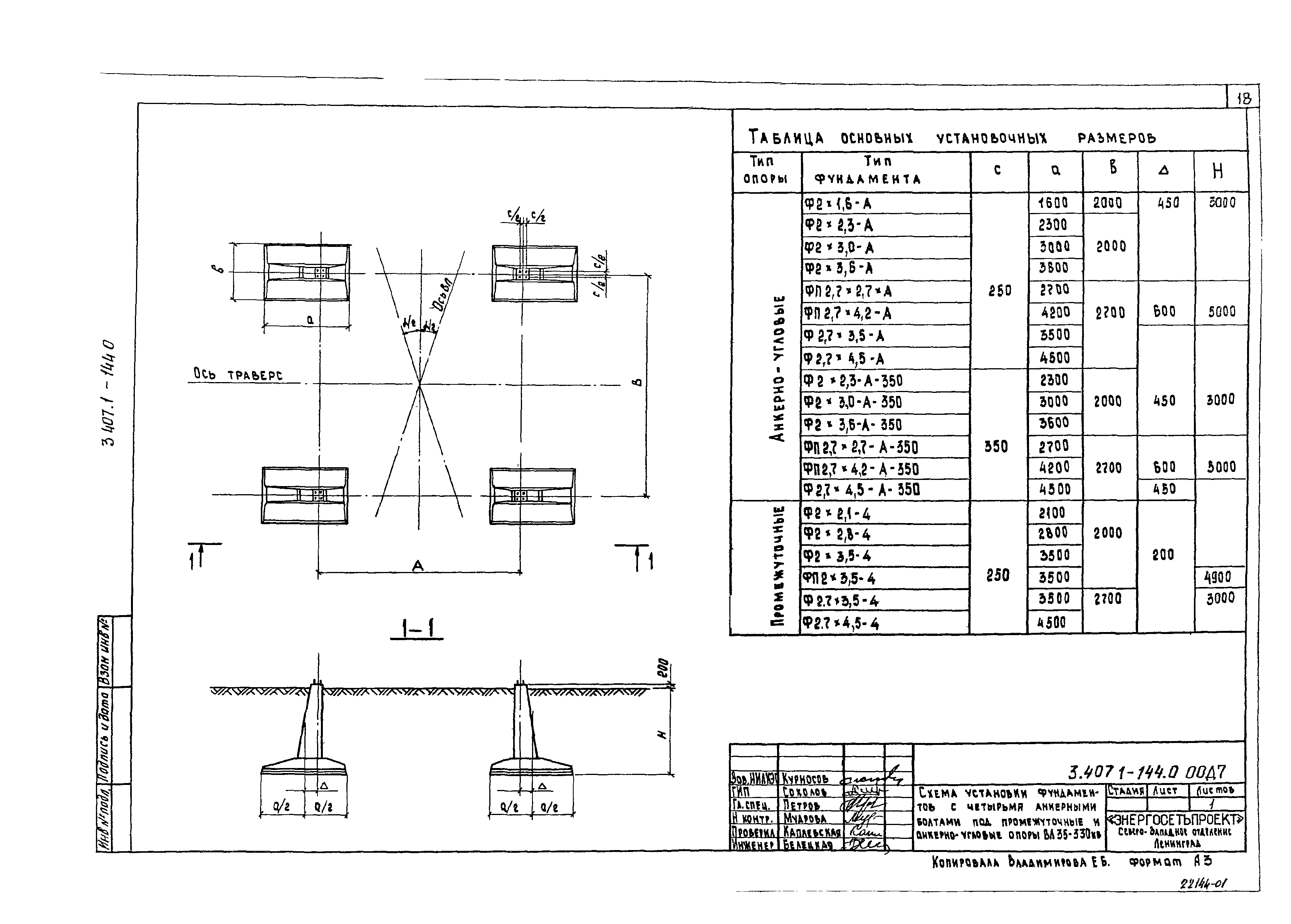
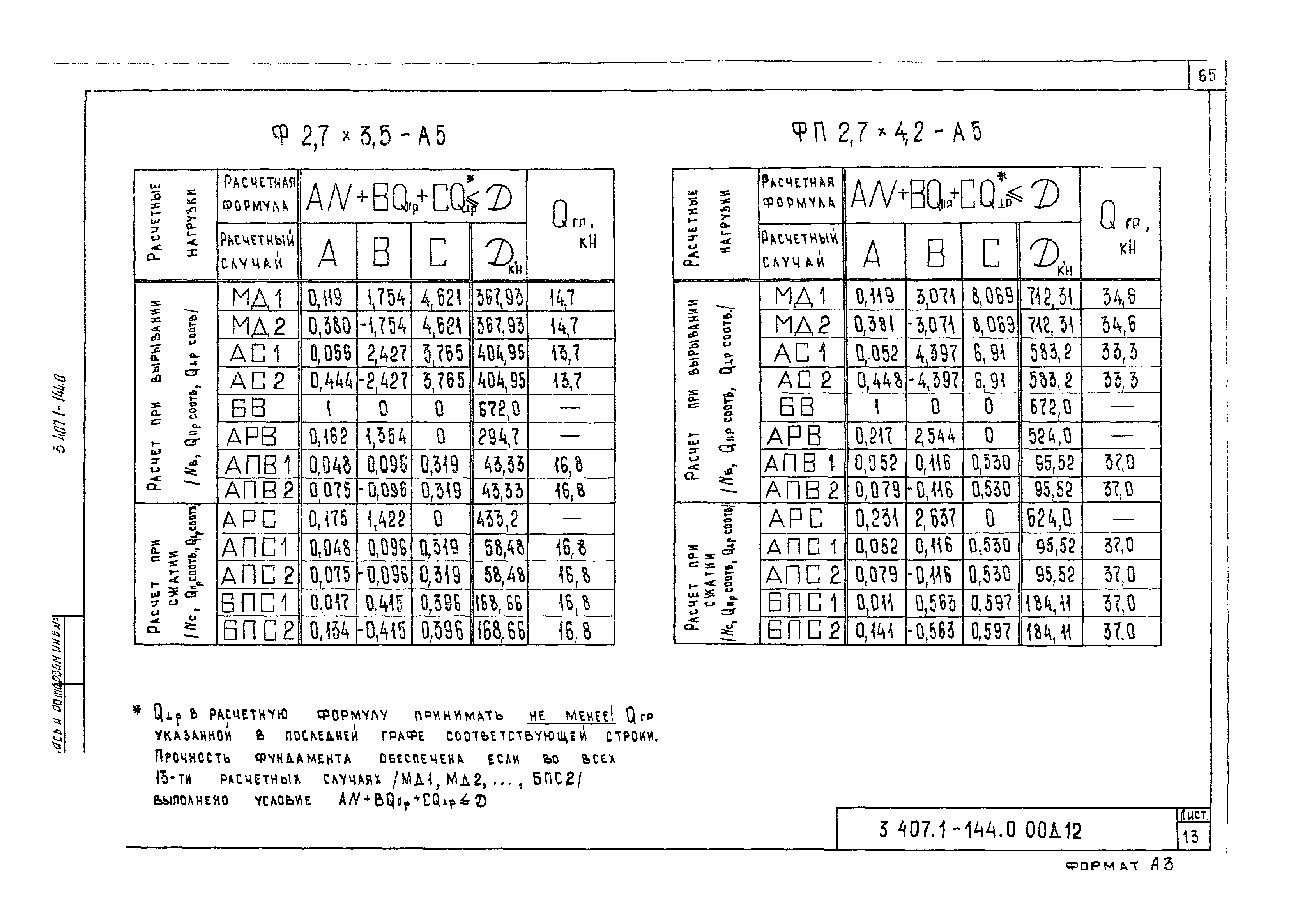
| Оглавление: | 34071-144.0 00ПЗ Пояснительная записка 34071-144.0 00Д1 Номенклатура фундаментов в сборе 34071-144.0 00Д2 Номенклатура плит 34071-144.0 00Д3 Типы опалубок плит 34071-144.0 00Д4 Номенклатура стоек 34071-144.0 00Д5 Типы опалубок стоек 34071-144.0 00Д6 Схема установки фундаментов с двумя анкерными болотами под промежуточные опоры ВЛ35-330кВ 34071-144.0 00Д7 Схема установки фундаментов с четырьмя анкерными болотами под промежуточные и анкерно-угловые опоры ВЛ35-500кВ 34071-144.0 00Д8 Схема установки фундаментов под анкерно-угловые опоры ВЛ500кВ 34071-144.0 00Д9 Таблицы несущей способности основания фундаментов при вырывании 34071-144.0 00Д10 Графики несущей способности фундаментов при сжатии 34071-144.0 00Д11 Графики несущей способности фундаментов при действии горизонтальных нагрузок 34071-144.0 00Д12 Таблицы для проверки прочности конструкций фундаментов |
| Разработан: | Севзапэнергосетьпроект |
| Утверждён: | 10.04.1987 Минэнерго СССР (USSR Minenergo 22) |
| Заменяет собой: |

































































