Скачать Серия 3.407.1-144 Выпуск 1. Рабочие чертежиДата актуализации: 01.01.2021
|
| Обозначение: | Серия 3.407.1-144 |
| Обозначение англ: | Series 3.407.1-144 |
| Статус: | действует |
| Название рус.: | Выпуск 1. Рабочие чертежи |
| Дата добавления в базу: | 01.09.2013 |
| Дата актуализации: | 01.01.2021 |
| Дата введения: | 10.04.1987 |
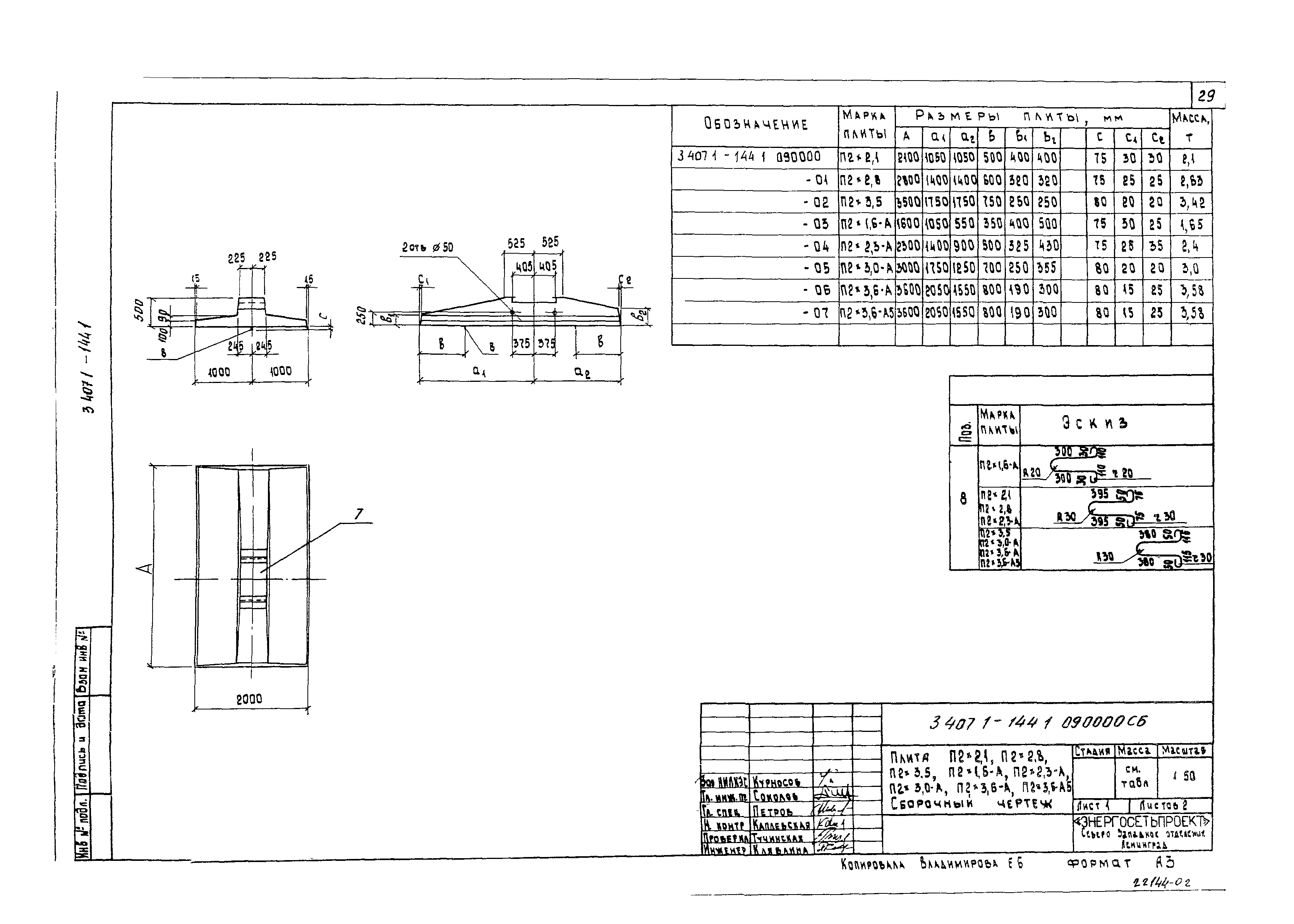
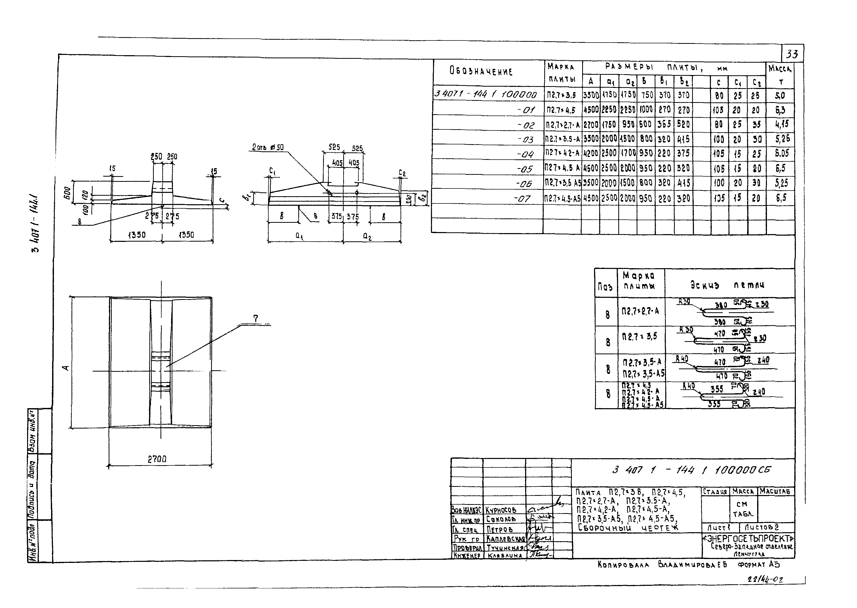
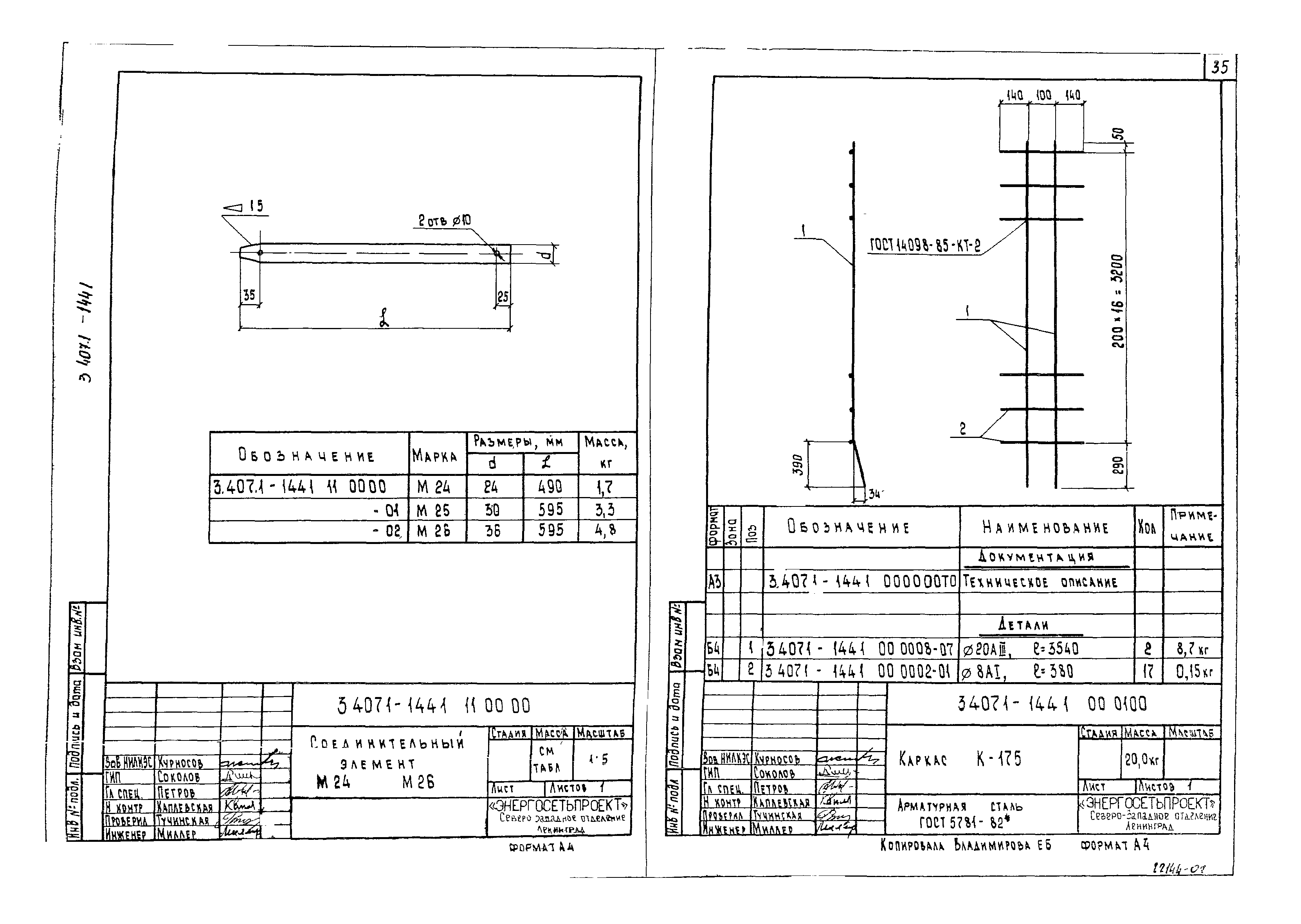
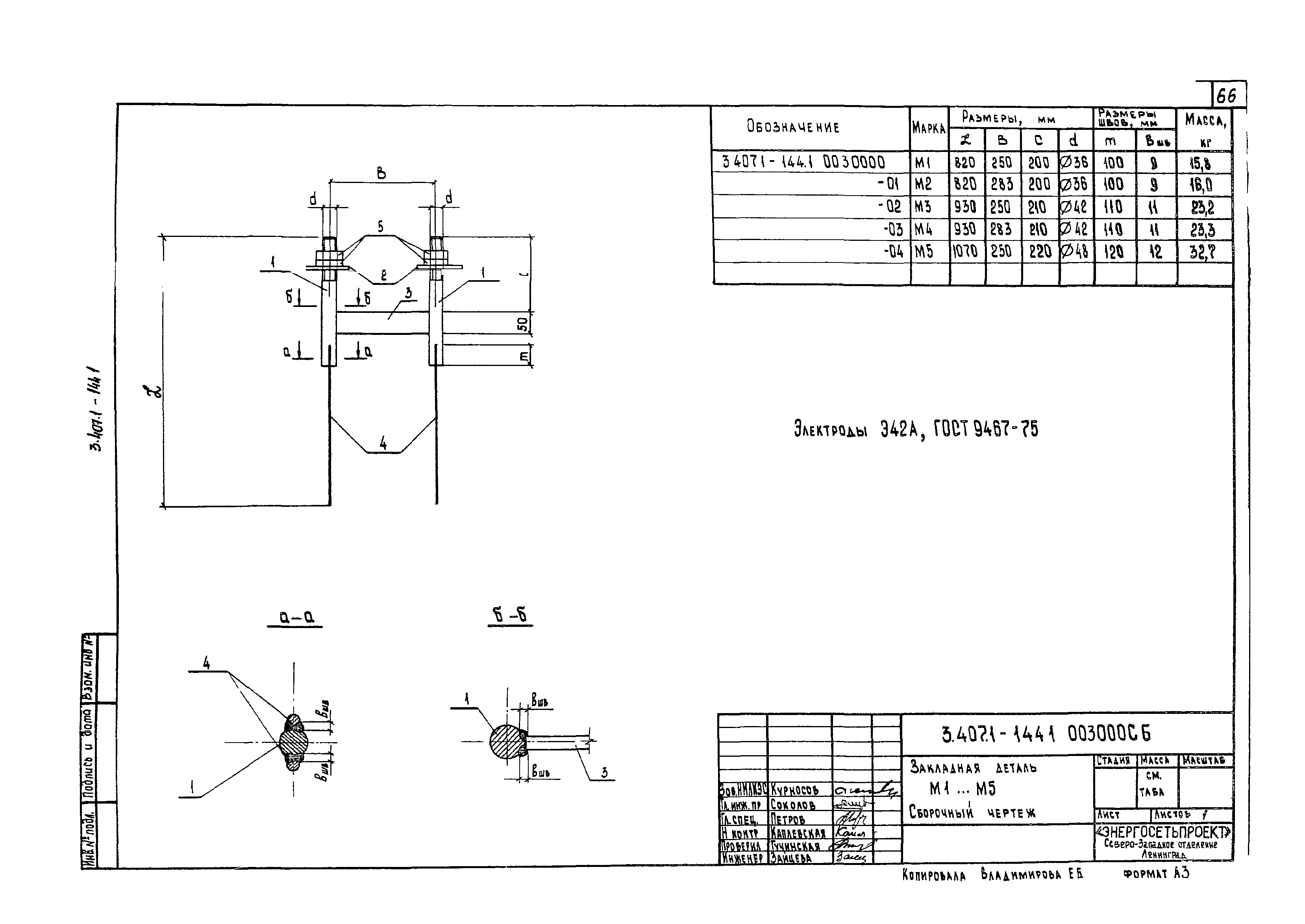
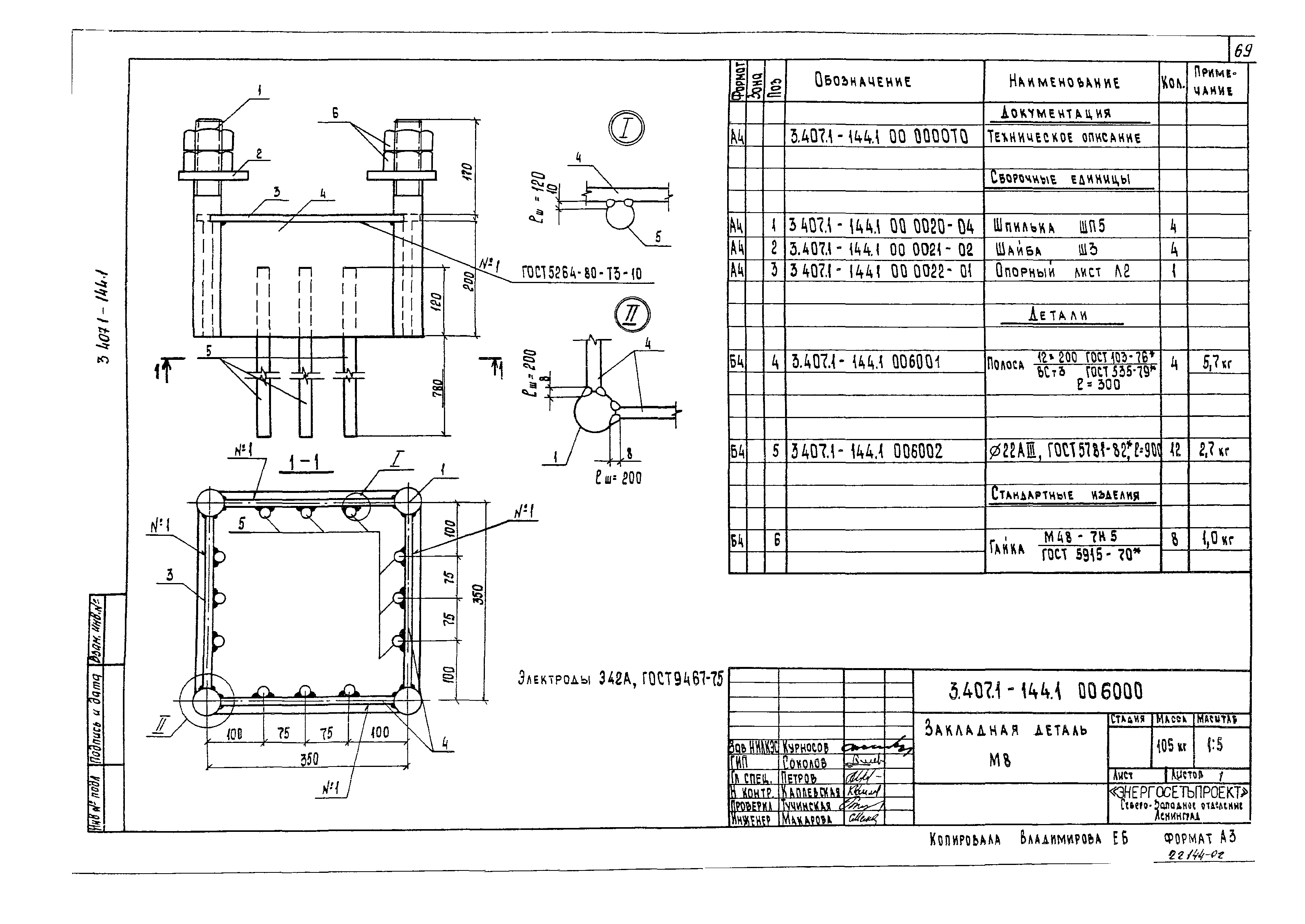
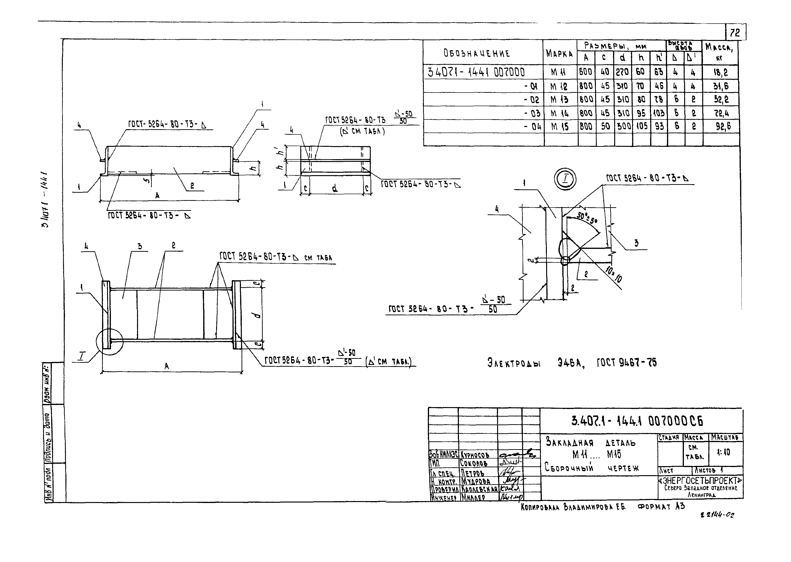
| Оглавление: | 34071-144.1 000000ТО Техническое описание 34071-144.1 010000 Составной фундамент Ф1,5х1-2, Ф1,5х1,5-2, Ф1,5х2,2-2 34071-144.1 010000СБ Составной фундамент Ф1,5х1-2, Ф1,5х1,5-2, Ф1,5х2,2-2. Сборочный чертеж 34071-144.1 020000 Составной фундамент Ф2х2,1-2-Ф2х3,5-4, Ф2х3,5-2, ФП2х3,5-4,Ф2х1,6-А-Ф2х3,6-А-350 34071-144.1 020000СБ Составной фундамент Ф2х2,1-2-Ф2х3,5-4, Ф2х3,5-2, ФП2х3,5-4,Ф2х1,6-А-Ф2х3,6-А-350. Сборочный чертеж 34071-144.1 030000 Составной фундамент Ф2,7х3,5-4-Ф2,7х4,5-А5, ФП2,7х2,7А-ФП2,7х4,2-А-350 34071-144.1 030000СБ Составной фундамент Ф2,7х3,5-4-Ф2,7х4,5-А5, ФП2,7х2,7А-ФП2,7х4,2-А-350. Сборочный чертеж 34071-144.1 040000 Стойка К2,3-2 34071-144.1 050000 Стойка К2,7-2, К2,7-4, К2,7-4А, К2,7-4Б, К2,7-4А-350, К2,7-4Б-350, К2,7-45 34071-144.1 050000СБ Стойка К2,7-2, К2,7-4, К2,7-4А, К2,7-4Б, К2,7-4А-350, К2,7-4Б-350, К2,7-45. Сборочный чертеж 34071-144.1 060000 Стойка К2,6-4, К2,6-4А, К2,6-4А, К2,6-4А-350, К2,6-45 34071-144.1 060000СБ Стойка К2,6-4, К2,6-4А, К2,6-4А, К2,6-4А-350, К2,6-45. Сборочный чертеж 34071-144.1 070000 Стойка К4,6-2, К4,6-4А, К4,6-4А, К4,6-4А-350, К4,6-45 34071-144.1 070000СБ Стойка К4,6-2, К4,6-4А, К4,6-4А, К4,6-4А-350, К4,6-45. Сборочный чертеж 34071-144.1 080000 Плита П1,5х1, П1,5х1,5; П1,5х2,2 34071-144.1 080000СБ Плита П1,5х1, П1,5х1,5; П1,5х2,2. Сборочный чертеж 34071-144.1 090000 Плита П2х2,1, П2х2,8; П2х3,5, П2х1,6-А, П2х2,3-А, П2х3,0-А, П2х3,6-А, П2х3,6-А5 34071-144.1 090000СБ Плита П2х2,1, П2х2,8; П2х3,5, П2х1,6-А, П2х2,3-А, П2х3,0-А, П2х3,6-А, П2х3,6-А5. Сборочный чертеж 34071-144.1 100000 Плита П2,7х3,6, П2,7х4,5; П2,7х2,7-А, П2,7х3,5-А, П2,7х4,2-А, П2,7х4,5-А, П2,7х3,5-А5, П2,7х4,5-А5 34071-144.1 100000СБ Плита П2,7х3,6, П2,7х4,5; П2,7х2,7-А, П2,7х3,5-А, П2,7х4,2-А, П2,7х4,5-А, П2,7х3,5-А5, П2,7х4,5-А5. Сборочный чертеж 34071-144.1 110000 Соединительный элемент 34071-144.1 000100 Каркас К-175 34071-144.1 000200 Каркас К-141, К-142 34071-144.1 000200СБ Каркас К-141, К-142.Сборочный чертеж 34071-144.1 000300 Каркас К-144, К-145, К-171, К-172, К-180, К-181 34071-144.1 000300СБ Каркас К-144, К-145, К-171, К-172, К-180, К-181. Сборочный чертеж 34071-144.1 000400 Каркас К-153, К-154, К-159, К-160, К-182, К-183, К-184, К-185 34071-144.1 000400СБ Каркас К-153, К-154, К-159, К-160, К-182, К-183, К-184, К-185. Сборочный чертеж 34071-144.1 000500 Каркас К-156, К-157, К-162, К-163, К-173, К-174, К-176, К-177, К-178, К-179 34071-144.1 000500СБ Каркас К-156, К-157, К-162, К-163, К-173, К-174, К-176, К-177, К-178, К-179. Сборочный чертеж 34071-144.1 000600 Каркас К-168, К-169, К-186, К-187 34071-144.1 000600СБ Каркас К-168, К-169, К-186, К-187. Сборочный чертеж 34071-144.1 000700 Сетка С-252, С-253 34071-144.1 000800 Сетка С-252а 34071-144.1 000900 Нижняя сетка плит С-254, С-258, С-262 34071-144.1 000900СБ Нижняя сетка плит С-254, С-258, С-262. Сборочный чертеж 34071-144.1 001000 Нижняя сетка плит С-266, С-270, С-274, С-286, С-290, С-294, С-298, С-328 34071-144.1 001000СБ Нижняя сетка плит С-266, С-270, С-274, С-286, С-290, С-294, С-298, С-328. Сборочный чертеж 34071-144.1 001100 Нижняя сетка плит С-278, С-282, С-302, С-306, С-310, С-325, С-331 34071-144.1 001100СБ Нижняя сетка плит С-278, С-282, С-302, С-306, С-310, С-325, С-331. Сборочный чертеж 34071-144.1 001200 Верхняя сетка плит С-255; С-259; С-263 34071-144.1 001200СБ Верхняя сетка плит С-255; С-259; С-263. Сборочный чертеж 34071-144.1 001300 Верхняя сетка плит С-267; С-271; С-275, С-287, С-291, С-295, С-299, С-329 34071-144.1 001300СБ Верхняя сетка плит С-267; С-271; С-275, С-287, С-291, С-295, С-299, С-329. Сборочный чертеж 34071-144.1 001400 Верхняя сетка плит С-279; С-283; С-303, С-307, С-311, С-326, С-332, С-333 34071-144.1 001400СБ Верхняя сетка плит С-279; С-283; С-303, С-307, С-311, С-326, С-332, С-333. Сборочный чертеж 34071-144.1 001500 Сетка ребра С-256, С-260, С-264 34071-144.1 001500СБ Сетка ребра С-256, С-260, С-264. Сборочный чертеж 34071-144.1 001600 Сетка ребра С-268, С-272, С-276, С-288, С-288н, С-292, С-292н, С-296, С-296н, С-300, С-300н, С-330, С-330н 34071-144.1 001600СБ Сетка ребра С-268, С-272, С-276, С-288, С-288н, С-292, С-292н, С-296, С-296н, С-300, С-300н, С-330, С-330н. Сборочный чертеж 34071-144.1 001700 Сетка ребра С-280, С-284, С-304, С-304н, С-308, С-308н, С-327, С-327н, С-312, С-312н, С-334, С-334н 34071-144.1 001700СБ Сетка ребра С-280, С-284, С-304, С-304н, С-308, С-308н, С-327, С-327н, С-312, С-312н, С-334, С-334н. Сборочный чертеж 34071-144.1 001800 Верхняя сетка ребра С-269, С-273, С-277, С-289, С-293, С-297, С-301, С-336 34071-144.1 001800СБ Верхняя сетка ребра С-269, С-273, С-277, С-289, С-293, С-297, С-301, С-336. Сборочный чертеж 34071-144.1 001900 Верхняя сетка ребра С-281, С-285, С-305, С-309, С-313, С-335 34071-144.1 001900СБ Верхняя сетка ребра С-281, С-285, С-305, С-309, С-313, С-335. Сборочный чертеж 34071-144.1 002000 Верхняя сетка ребра С-293А, С-297А, С-301А, С-336А 34071-144.1 002000СБ Верхняя сетка ребра С-293А, С-297А, С-301А, С-336А. Сборочный чертеж 34071-144.1 002100 Верхняя сетка ребра С-305А, С-309А, С-313А, С-313Б, С-335А 34071-144.1 002100СБ Верхняя сетка ребра С-305А, С-309А, С-313А, С-313Б, С-335А. Сборочный чертеж 34071-144.1 003000 Закладная деталь М1, М5 34071-144.1 003000СБ Закладная деталь М1, М5. Сборочный чертеж 34071-144.1 004000 Закладная деталь М6 34071-144.1 005000 Закладная деталь М7 34071-144.1 006000 Закладная деталь М8 34071-144.1 007000 Закладная деталь М11…М15 34071-144.1 007000СБ Закладная деталь М11…М15. Сборочный чертеж 34071-144.1 008000 Закладная деталь М16, М17 34071-144.1 008000СБ Закладная деталь М16, М17. Сборочный чертеж 34071-144.1 009000 Закладная деталь М18…М22 34071-144.1 009000СБ Закладная деталь М18…М22. Сборочный чертеж 34071-144.1 000020 Шпилька ШП1…ШП6 34071-144.1 000021 Шайба Ш1…Ш3 34071-144.1 000022 Опорный лист Л1, Л2 34071-144.1 000023 Опорный лист Л3 34071-144.1 000024 Упор У1…У12 34071-144.1 000025 Ребро Р-1…Р-4 34071-144.1 000026 Узел соединения стойки и плиты в составных фундаментах 34071-144.1 0000РС Ведомость расхода стали 34071-144.1 0000РМ Ведомость расхода материалов на фундаменты |
| Разработан: | Севзапэнергосетьпроект |
| Утверждён: | 10.04.1987 Минэнерго СССР (USSR Minenergo 22) |
| Заменяет собой: |




















































































