Скачать Серия 3.407.9-146 Выпуск 3. Металлические элементы. Чертежи КМДата актуализации: 01.01.2021
|
| Обозначение: | Серия 3.407.9-146 |
| Обозначение англ: | Series 3.407.9-146 |
| Статус: | действует |
| Название рус.: | Выпуск 3. Металлические элементы. Чертежи КМ |
| Дата добавления в базу: | 01.09.2013 |
| Дата актуализации: | 01.01.2021 |
| Дата введения: | 28.03.1988 |
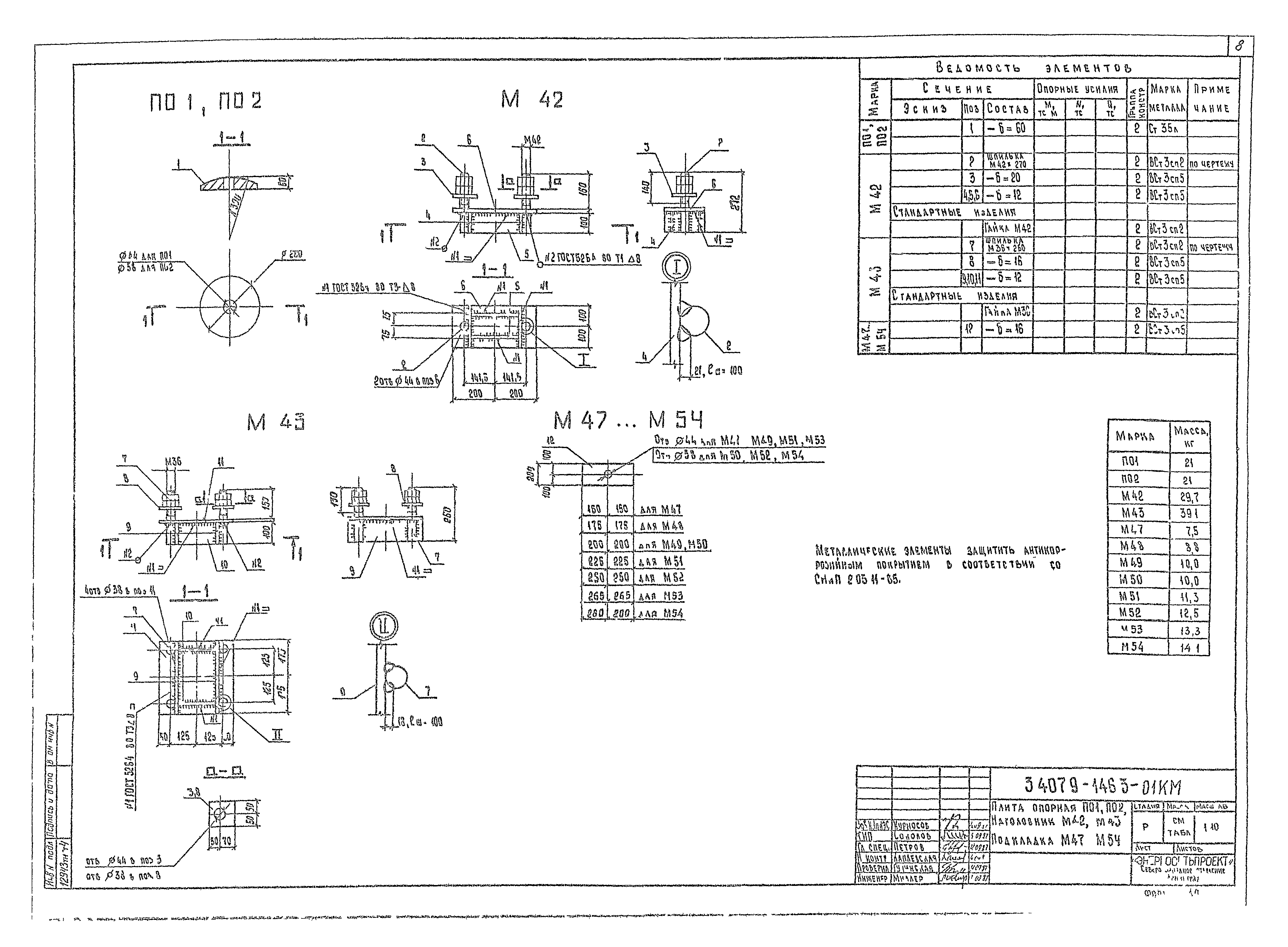
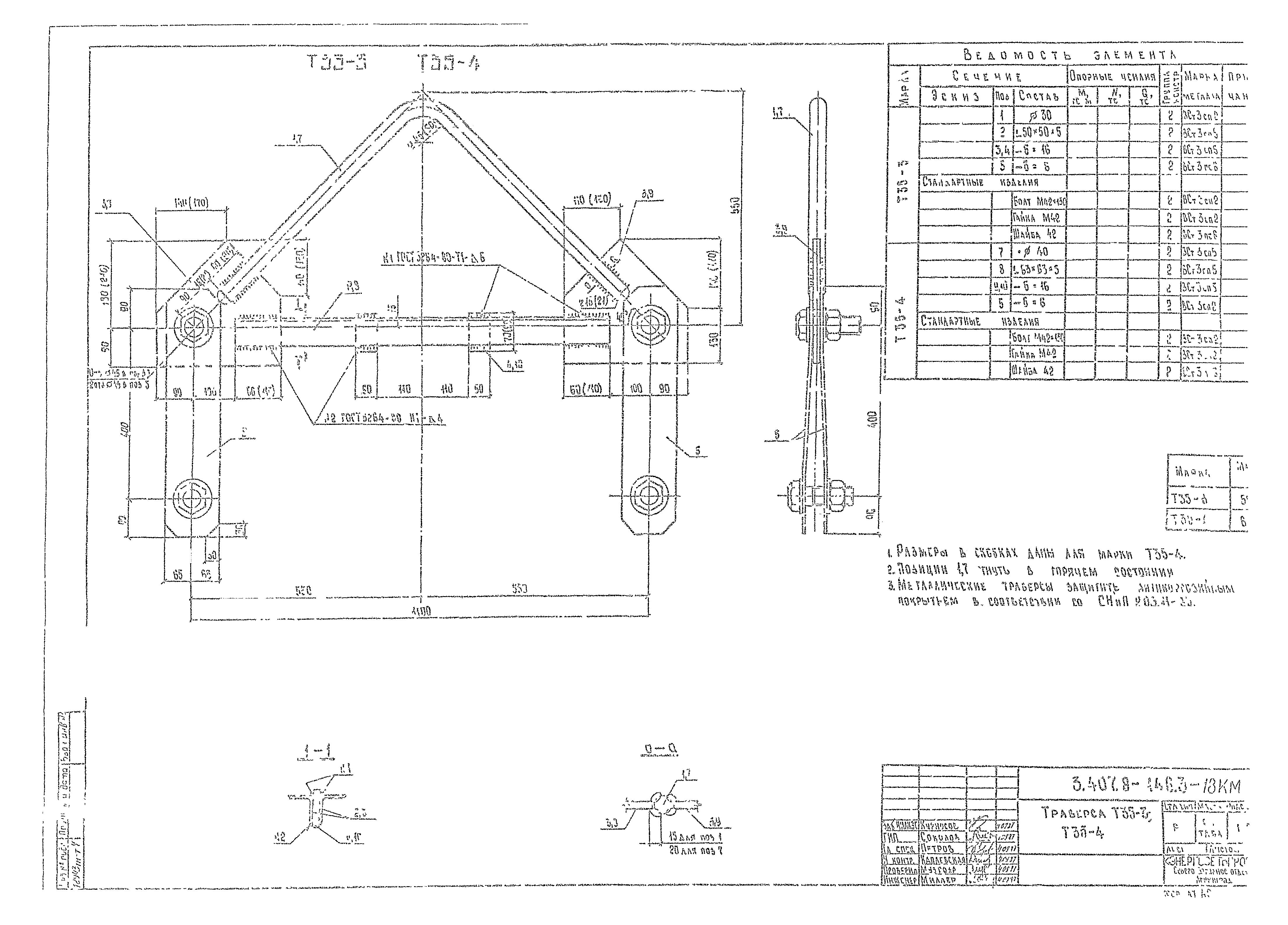
| Оглавление: | 34079-1463-00ТО Техническое описание 34079-1463-00Д1 Ведомость расхода стали 34079-1463-00Д2 Ведомость металлоконструкций по видам профилей 34079-1463-01КМ Плита опорная ПО1,По2. Наголовник М42,М43. Прокладка М41,м54 34079-1463-02КМ Скоба М44,М45,М46 34079-1463-03КМ Балка Б35 2 16, Б35 2 20, Б35 2 24 34079-1463-04КМ Балка Б56 2 24, Б56 2 30 34079-1463-05КМ Балка Б35 4 20, Б35 4 24, Б35 4 30 34079-1463-06КМ Балка Б35 4 20с, Б35 4 30с 34079-1463-07КМ Балка Б35 4т 30, Б35 4т 40 34079-1463-08КМ Балка Б56-4 20, Б56 4-24, Б56 4 30 34079-1463-09КМ Балка Б56-4т 40, Б56-4т 40У 34079-1463-10КМ Балка Б35 1 24, Б35 1/10 24, Б35 1/5 24 34079-1463-11КМ Балка Б35 1 30, Б35 1/1 30, Б35 1/5-30 34079-1463-12КМ Балка Б56 1 30, Б56-1/10 30, Б56 1/6 30 34079-1463-13КМ Балка Б56 1-40, Б56-1/10 40, Б56-1/5 40 34079-1463-14КМ Балка Б35 0 20, Б56 0 30 34079-1463-15КМ Балка Б35 0 30, Б56 0 40 34079-1463-16КМ Балка Б35 1Б, Б35-20, Б35-24 34079-1463-17КМ Балка Б56-20,Б56-24,Б56-30 34079-1463-18КМ Траверса Т35-3,Т35-4 34079-1463-19КМ Траверса Т35-3с,Т35-4с 34079-1463-20КМ Траверса Т36-4 |
| Разработан: | Севзапэнергосетьпроект |
| Утверждён: | 28.03.1988 Минэнерго СССР (USSR Minenergo 27) |
| Издан: | ЦИТП Госстроя СССР (CITP, Gosstroy (USSR) 1988 г. ) |
| Заменяет собой: |


























