Скачать Серия 3.407.1-159 Выпуск 1. Малозаглубленные фундаменты. Рабочие чертежиДата актуализации: 01.01.2021
|
| Обозначение: | Серия 3.407.1-159 |
| Обозначение англ: | Series 3.407.1-159 |
| Статус: | действует |
| Название рус.: | Выпуск 1. Малозаглубленные фундаменты. Рабочие чертежи |
| Дата добавления в базу: | 01.09.2013 |
| Дата актуализации: | 01.01.2021 |
| Дата введения: | 18.08.1988 |
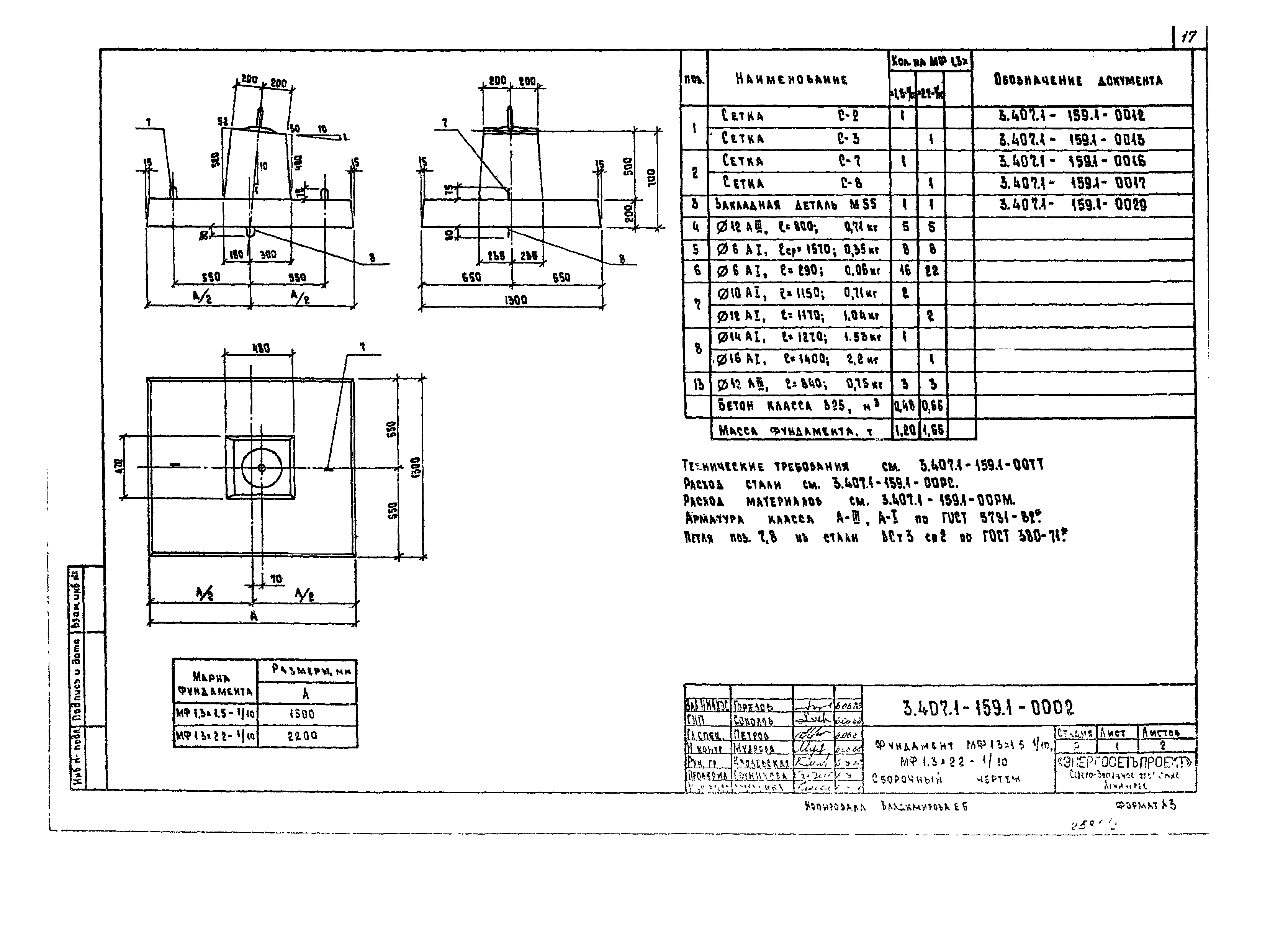
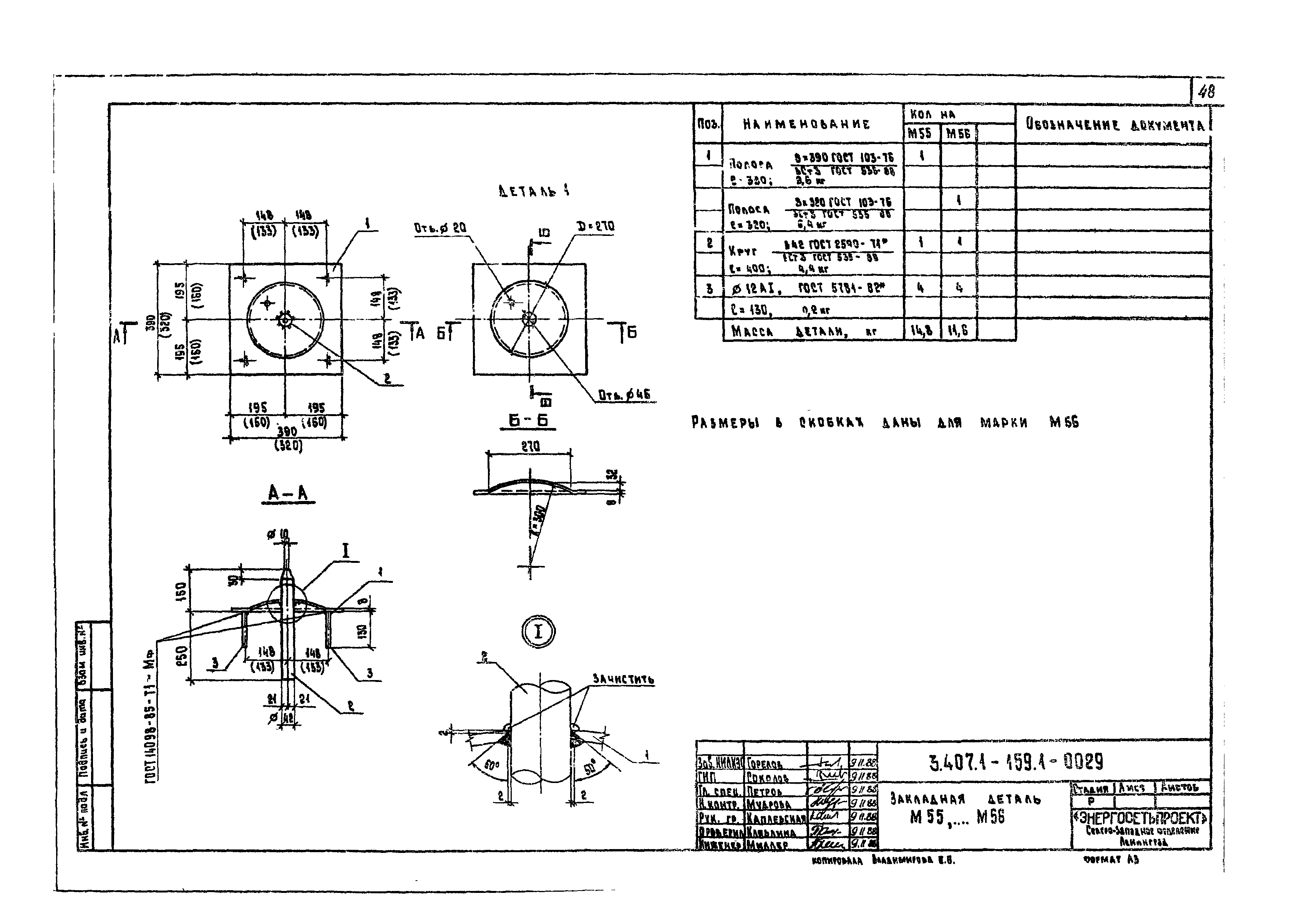
| Оглавление: | 34071-1591-00ТУ Проект технических условий 34071-1591-00ТТ Технические требования 34071-1591-00НИ Номенклатура изделий 34071-1591-0001 Фундамент МФ13-1-0;МФ13х15-0;МФ13х22 0. Сборочный чертеж 34071-1591-0002 Фундамент МФ13х15-1/10;МФ13х22-1/10. Сборочный чертеж 34071-1591-0003 Фундамент МФ13х15-1/6;МФ13х22-1/5. Сборочный чертеж 34071-1591-0004 Фундамент МФ2х2-0;МФ2х27-0. Сборочный чертеж 34071-1591-0005 Фундамент МФ2х2-1/10;МФ2х27-1/10. Сборочный чертеж 34071-1591-0006 Фундамент МФ2х2-1/5;МФ2х27-1/5. Сборочный чертеж 34071-1591-0007 Фундамент ФК1-0; Ф2-0; Ф3-0; Ф4-0. Сборочный чертеж 34071-1591-0008 Фундамент Ф1-1/0; Ф2-1/10; Ф3-1/10; Ф4-1/10. Сборочный чертеж 34071-1591-0009 Фундамент Ф1-1/0; Ф2-1/10; Ф3-1/10; Ф4-1/10. Сборочный чертеж 34071-1591-0010 Фундамент Ф2-1/5; Ф3-1/5; Ф4-1/5. Сборочный чертеж 34071-1591-0011 Фундамент ФК2-1/5; ФК3-1/5; ФК4-1/5. Сборочный чертеж 34071-1591-0012 Сетка С-1, С-2 34071-1591-0013 Сетка С-3 34071-1591-0014 Сетка С-4 34071-1591-0015 Сетка С-5 34071-1591-0016 Сетка С-6, С-7 34071-1591-0017 Сетка С-8 34071-1591-0018 Сетка С-9 34071-1591-0019 Сетка С-10 34071-1591-0020 Сетка С-11, С-12 34071-1591-0021 Каркас К-1, К-1-01, К-2, К2-02 34071-1591-0022 Сетка С-13…С-17 34071-1591-0023 Сетка С-27, С-28 34071-1591-0024 Сетка С-18 34071-1591-0025 Сетка С-19 34071-1591-0026 Сетка С-20, С-21 34071-1591-0027 Сетка С-22, С-23 34071-1591-0028 Сетка С-24…С-26 34071-1591-0029 Закладная деталь М55, М56 34071-1591-0030 Закладная деталь М57 34071-1591-0031 Закладная деталь М58 34071-1591-00РС Ведомость расхода стали на фундамент 34071-1591-00РМ Ведомость расхода материалов на фундамент |
| Разработан: | Севзапэнергосетьпроект |
| Утверждён: | 18.08.1988 Минэнерго СССР (USSR Minenergo 22) |
| Издан: | ЦИТП Госстроя СССР (CITP, Gosstroy (USSR) 1988 г. ) |
| Заменяет собой: |




















































