Скачать Серия 3.901.2-16 Выпуск 1. Стальные переходные элементы. Рабочие чертежиДата актуализации: 01.01.2021
|
| Обозначение: | Серия 3.901.2-16 |
| Обозначение англ: | Series 3.901.2-16 |
| Статус: | не определен законодательством |
| Название рус.: | Выпуск 1. Стальные переходные элементы. Рабочие чертежи |
| Дата добавления в базу: | 01.09.2013 |
| Дата актуализации: | 01.01.2021 |
| Дата введения: | 01.01.1991 |
| Дата окончания срока действия: | 30.06.2003 |
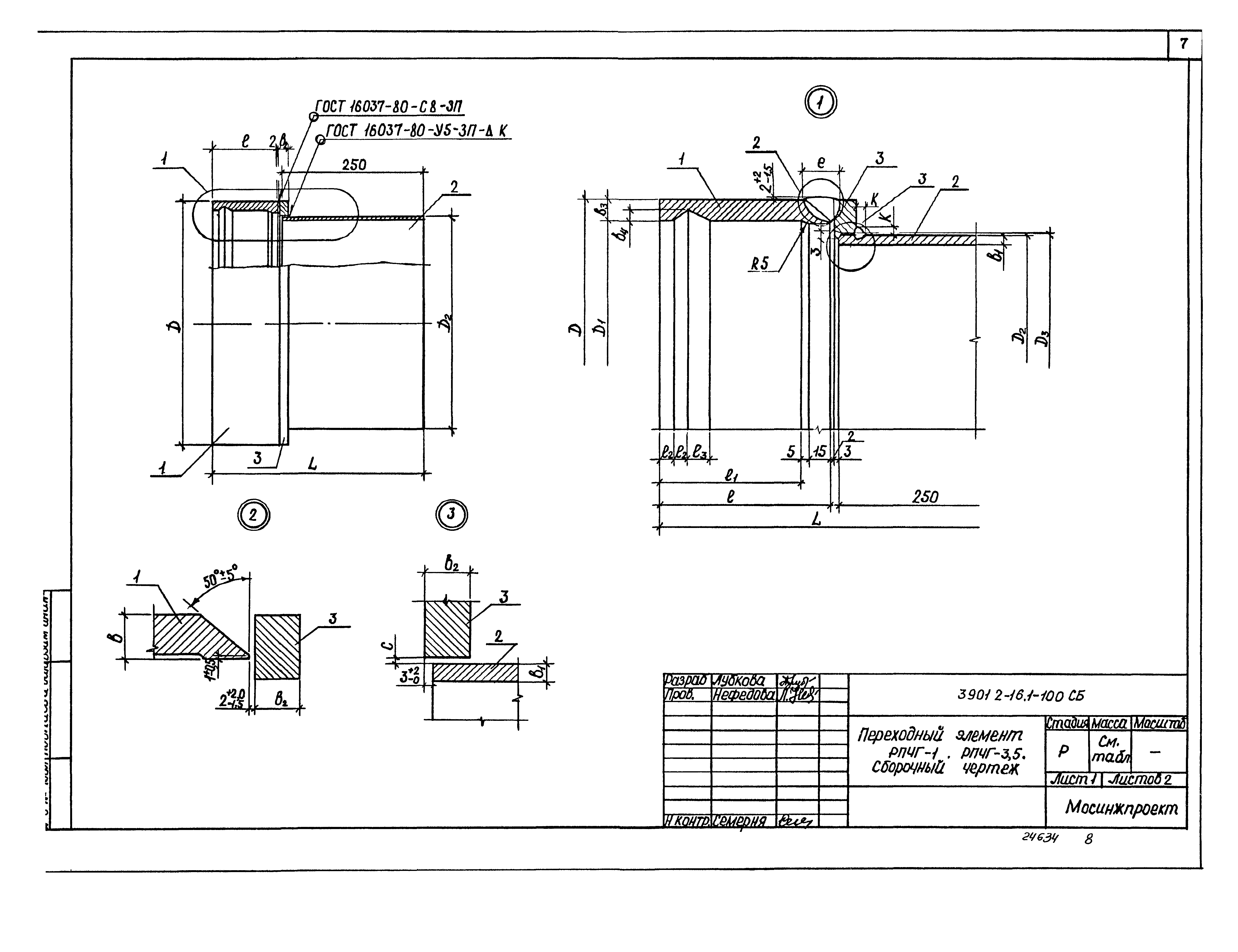
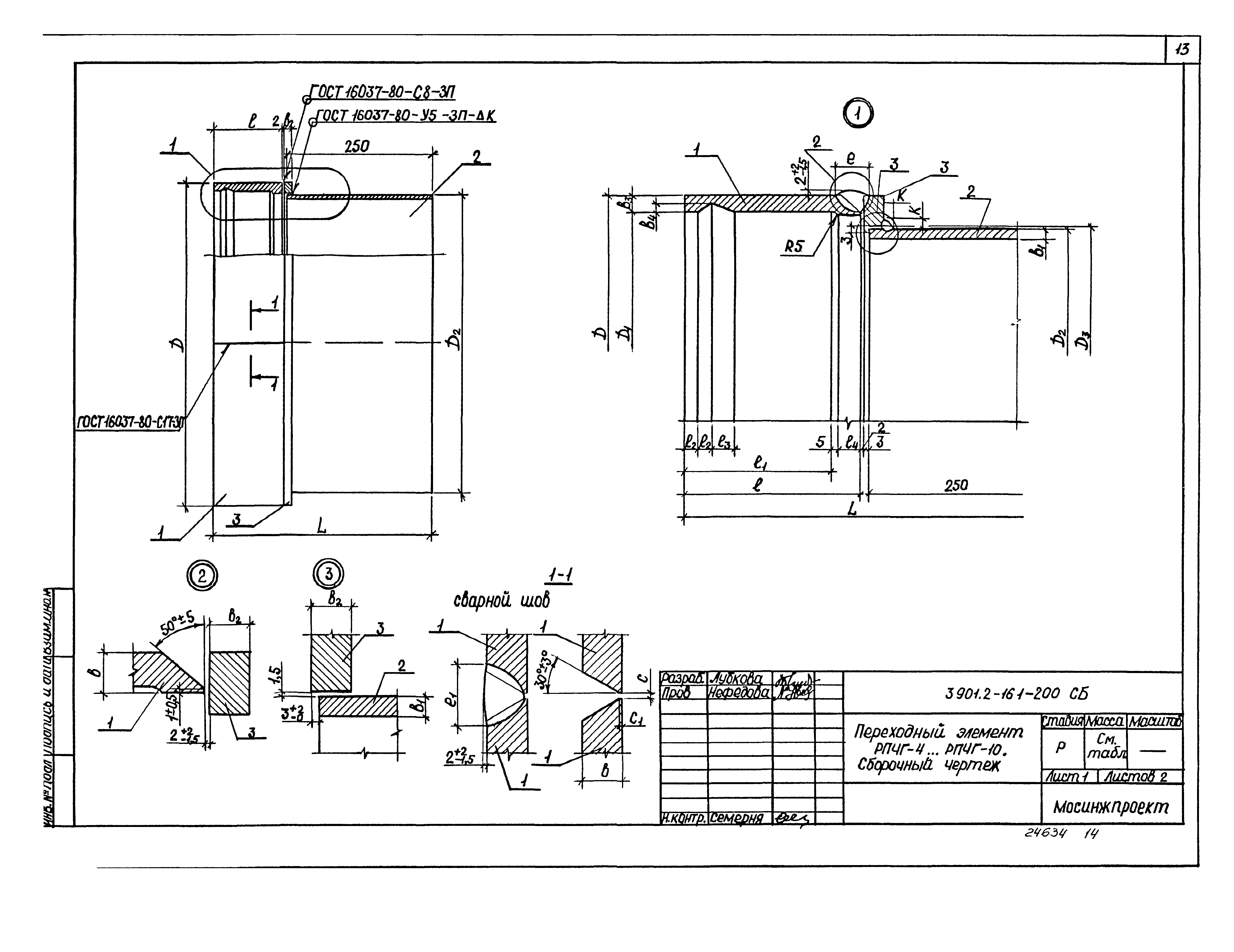
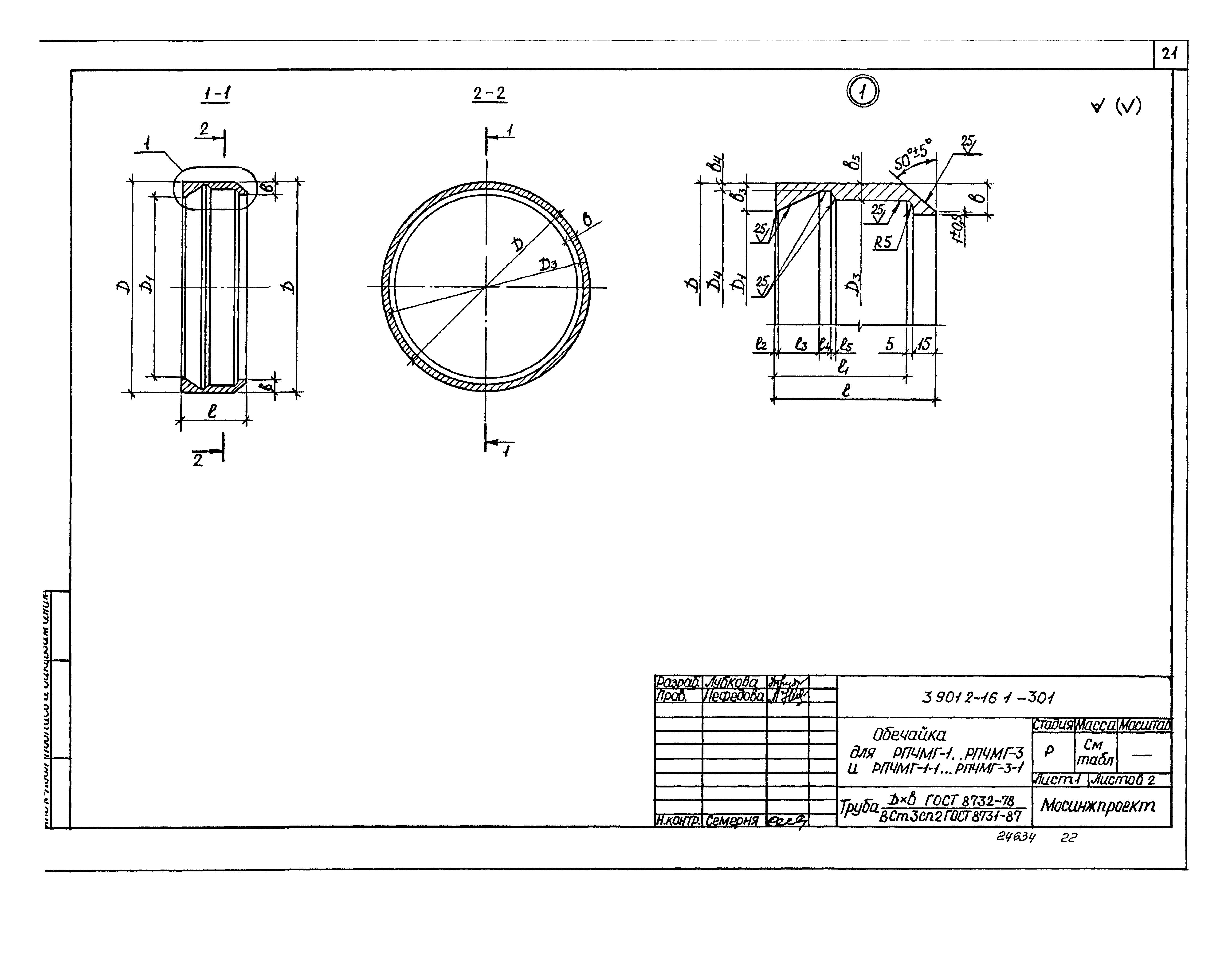
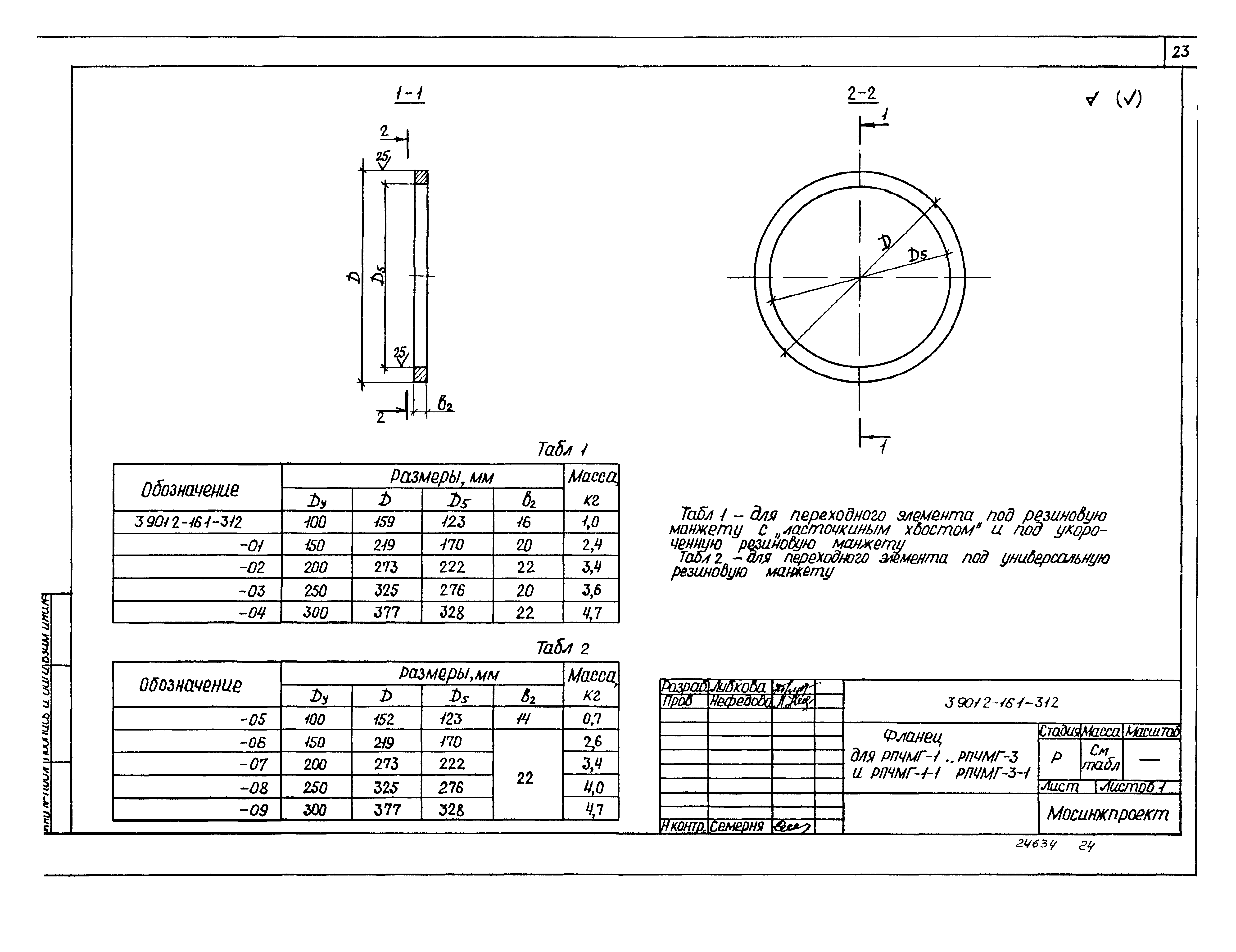
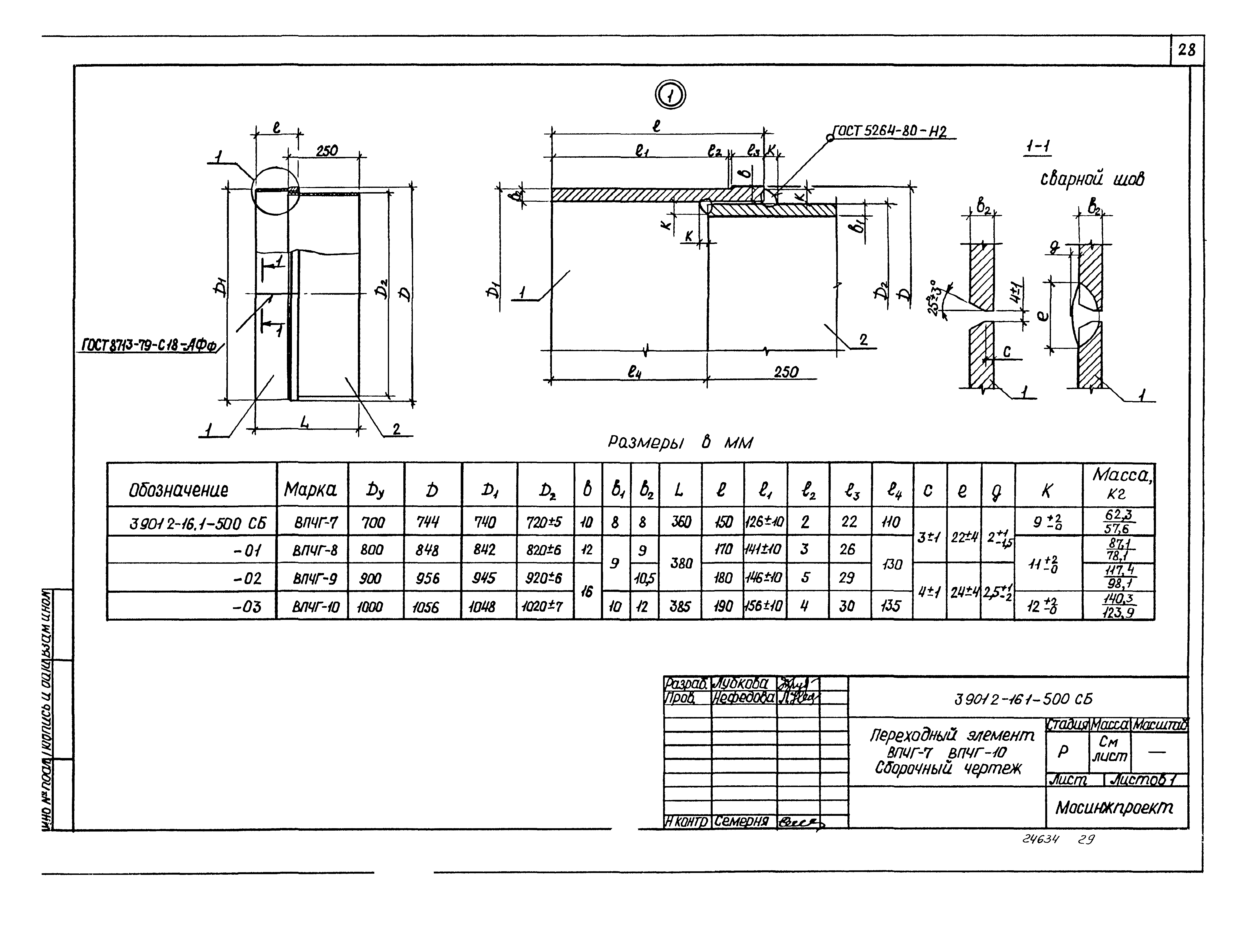
| Оглавление: | 3.901.2-16.1-00ТУ Технические условия 3.901.2-16.1-100 Переходный элемент РПЧГ-1…РПЧГ-3,5 3.901.2-16.1-100СБ Переходный элемент РПЧГ-1…РПЧГ-3,5. Сборочный чертеж 3.901.2-16.1-101 Обечайка для РПЧГ-1.. .РПЧГ-3,5 3.901.2-16.1-108 Фланец для РПЧГ-1.. .РПЧГ-3,5 3.901.2-16.1-200 Переходный элемент РПЧГ-4…РПЧГ-10 3.901.2-16.1-200СБ Переходный элемент РПЧГ-4…РПЧГ-10. Сборочный чертеж 3.901.2-16.1-201 Обечайка для РПЧГ-4…РПЧГ-10 3.901.2-16.1-209 Фланец для РПЧГ-4.. .РПЧГ-10 3.901.2-16.1-300 Переходный элемент РПЧМГ-1...РПЧМГ-3 и РПЧМГ-1-1...РПЧМГ-3-1 3.901.2-16.1-300СБ Переходный элемент РПЧМГ-1...РПЧМГ-3 и РПЧМГ-1-1...РПЧМГ-3-2. Сборочный чертеж 3.901.2-16.1-301 Обечайка для РПЧМГ-1.. .РПЧМГ-3 и РПЧМГ-1-1.. .РПЧМГ-3-1 3.901.2-16.1-312 Фланец для РПЧМГ-1.. .РПЧМГ-3 и РПЧМГ-1-1.. .РПЧМГ-3-1 3.901.2-16.1-400 Переходный элемент РПЧМГ-4-1 3.901.2-16.1-400СБ Переходный элемент РПЧМГ-4-1. Сборочный чертеж 3.901.2-16.1-401 Обечайка для РПЧМГ-4-1 3.901.2-16.1-403 Фланец для РПЧМГ-4-1 3.901.2-16.1-500 Переходный элемент ВПЧГ-7...ВПЧГ-10 3.901.2-16.1-500СБ Переходный элемент ВПЧГ-7...ВПЧГ-10. Сборочный чертеж 3.901.2-16.1-501 Обечайка для ВПЧГ-7…ВПЧГ-10 |
| Разработан: | Мосинжпроект |
| Утверждён: | 27.06.1990 Главпроект Госстроя СССР (5/6-603) |





























