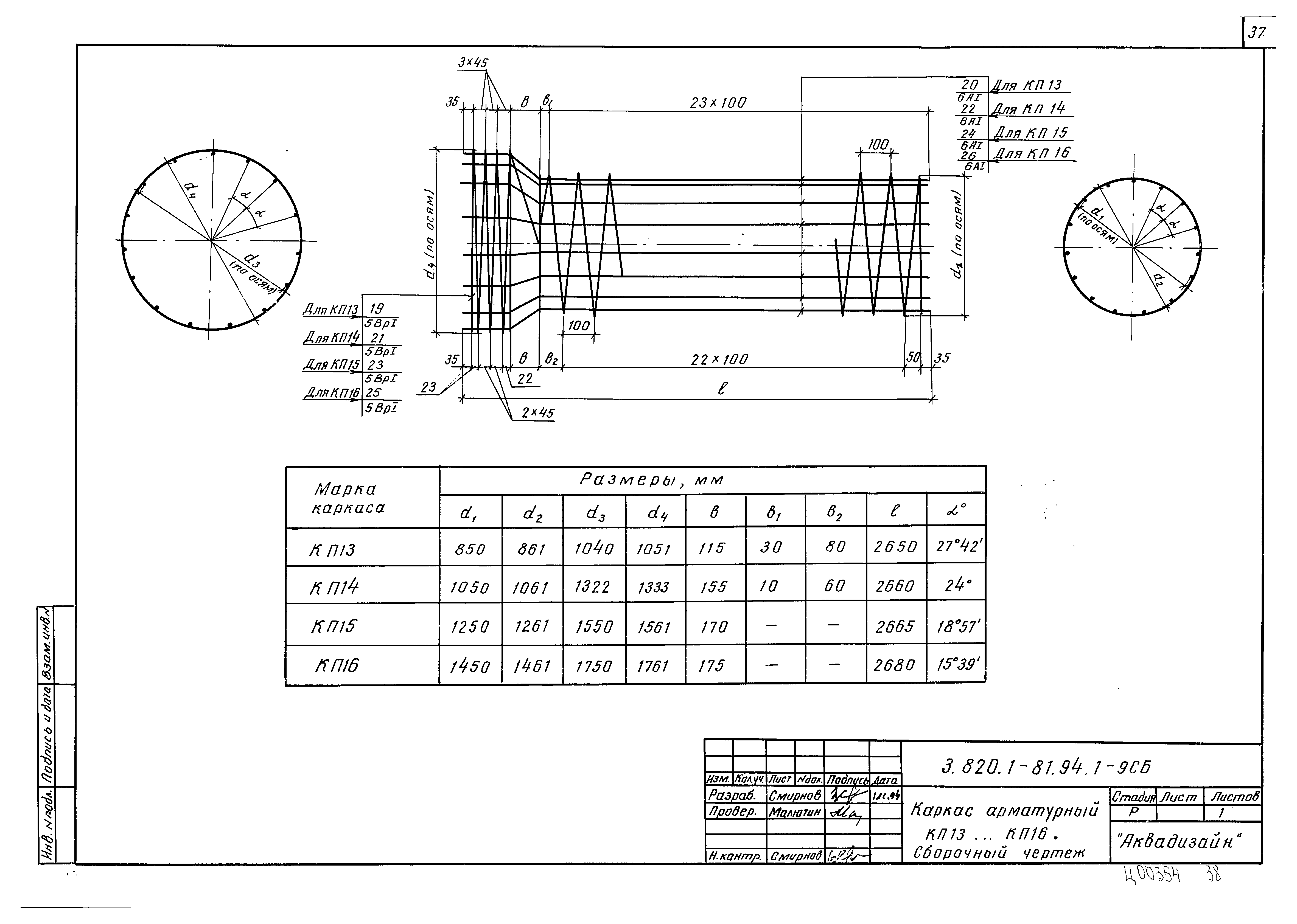
Скачать Серия 3.820.1-81.94 Выпуск 1. Трубы. Рабочие чертежиДата актуализации: 01.01.2021
|
| Обозначение: | Серия 3.820.1-81.94 |
| Обозначение англ: | Series 3.820.1-81.94 |
| Статус: | не определен законодательством |
| Название рус.: | Выпуск 1. Трубы. Рабочие чертежи |
| Дата добавления в базу: | 01.09.2013 |
| Дата актуализации: | 01.01.2021 |
| Дата введения: | 06.12.1994 |
| Дата окончания срока действия: | 30.06.2003 |
| Разработан: | ТОО Аквадизайн |
| Утверждён: | 05.12.1994 Мосстрой (Mosstroy 9-3-1/170) |






































