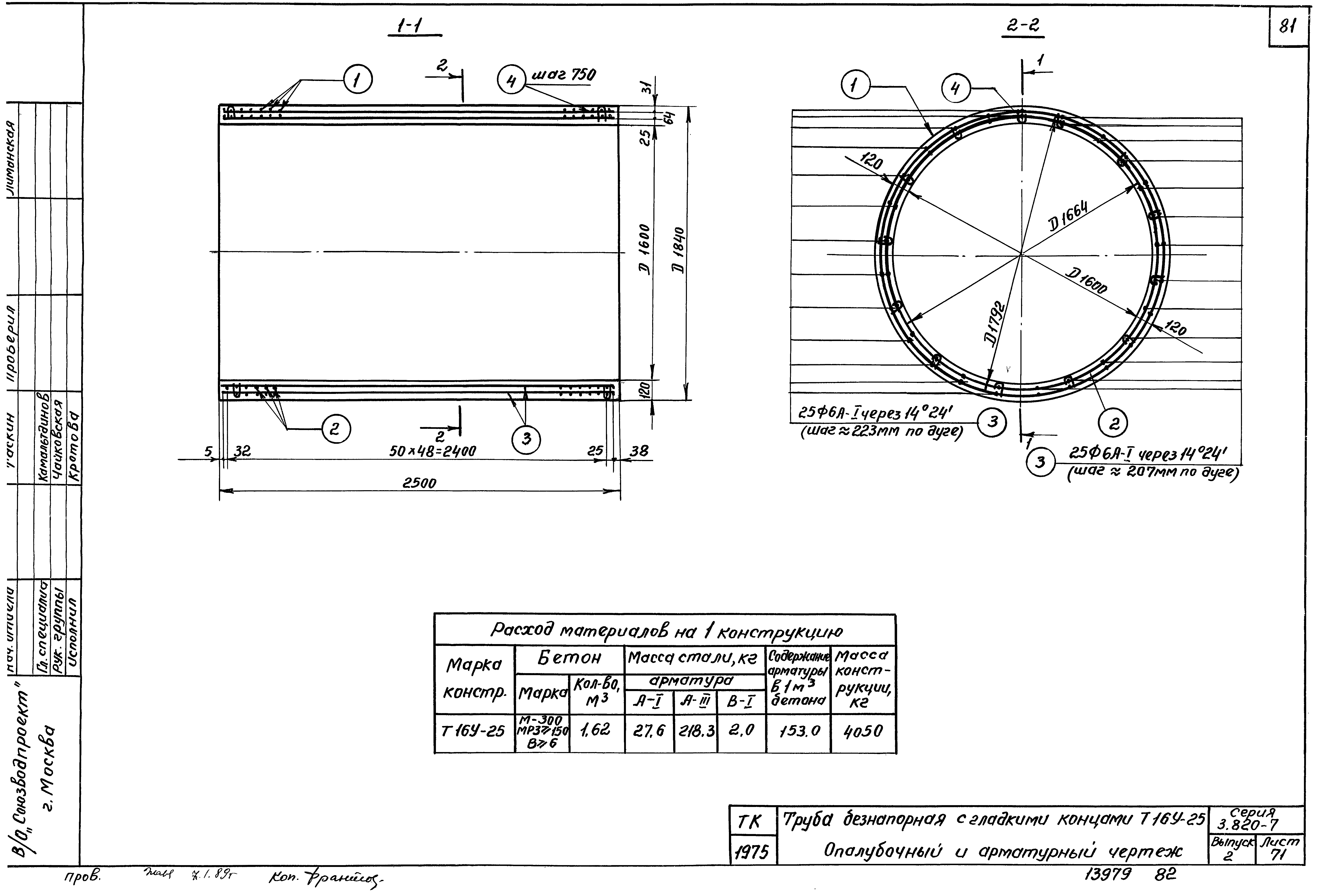
Скачать Серия 3.820-7 Выпуск 2. Трубы диаметром 400-1600 мм, длиной 2,5 м (раструбные и с гладкими концами)Дата актуализации: 01.01.2021 Серия 3.820-7
Выпуск 2. Трубы диаметром 400-1600 мм, длиной 2,5 м (раструбные и с гладкими концами)| Обозначение: | Серия 3.820-7 | | Обозначение англ: | Series 3.820-7 | | Статус: | действует | | Название рус.: | Выпуск 2. Трубы диаметром 400-1600 мм, длиной 2,5 м (раструбные и с гладкими концами) | | Дата добавления в базу: | 01.09.2013 | | Дата актуализации: | 01.01.2021 | | Дата введения: | 01.03.1976 | | Разработан: | В/О Союзводпроект Минводхоза СССР
| | Утверждён: | 04.05.1975 Минводхоз СССР (USSR Minvodkhoz 122)
|
                                                                                  
|