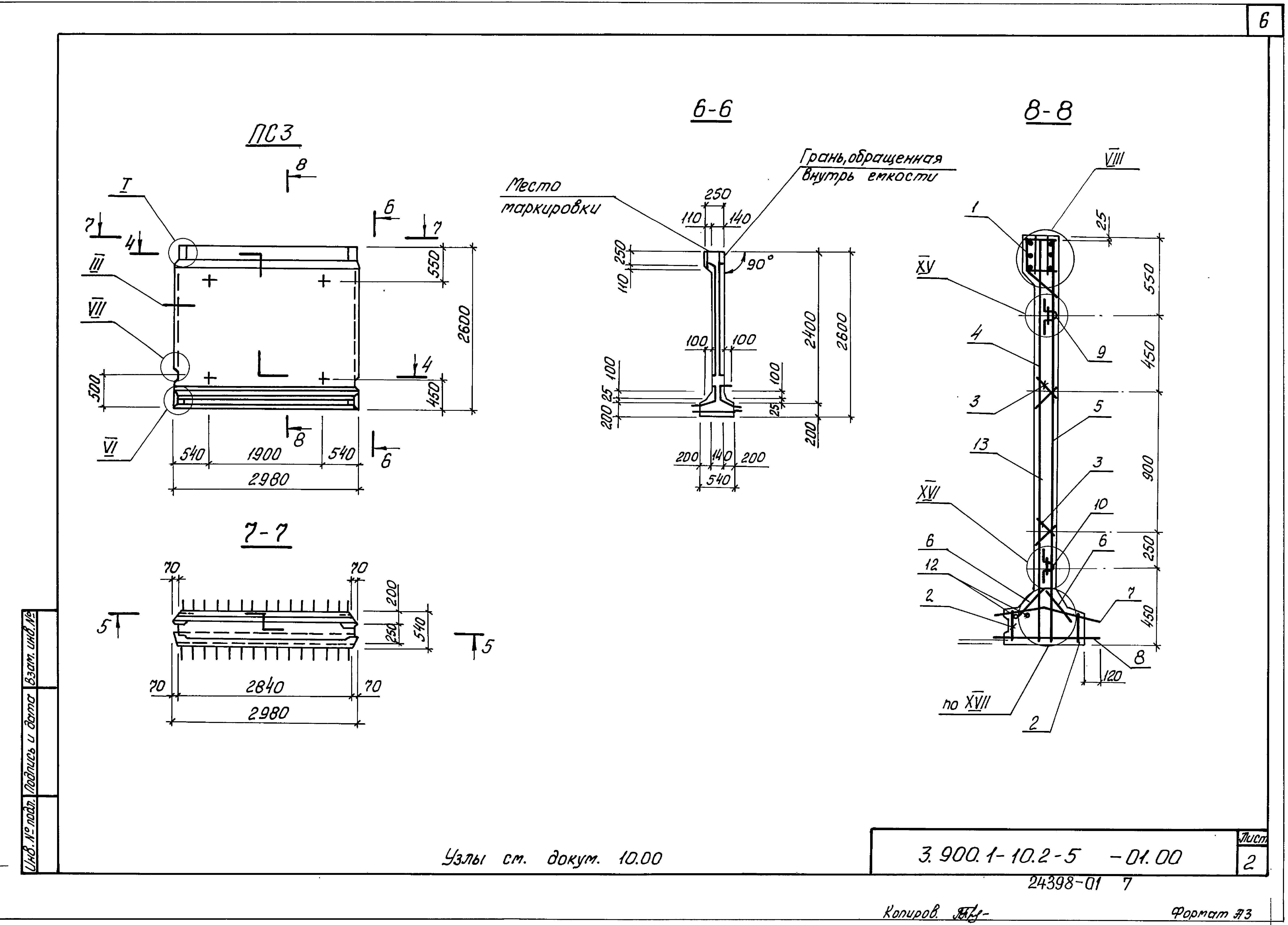
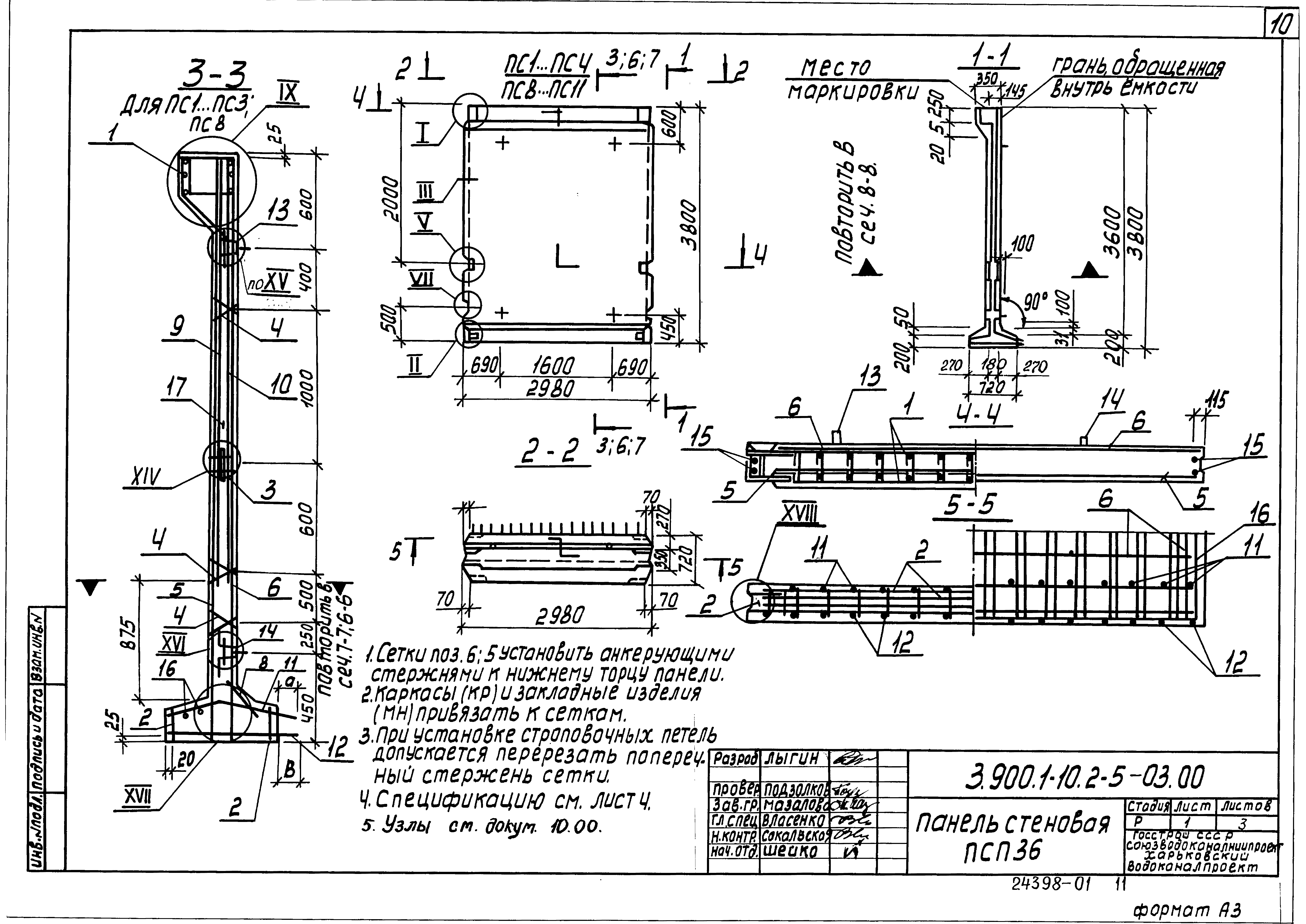
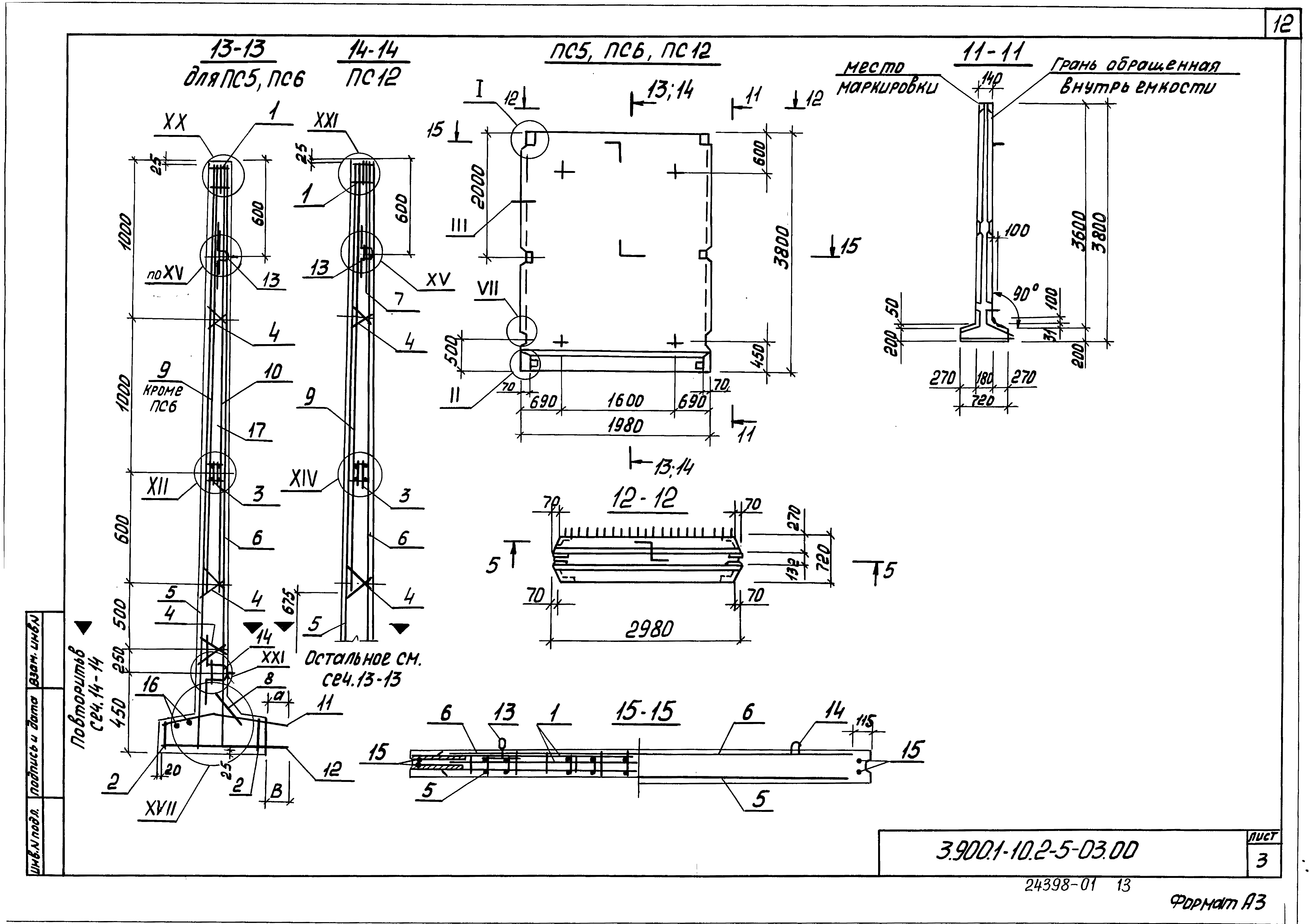
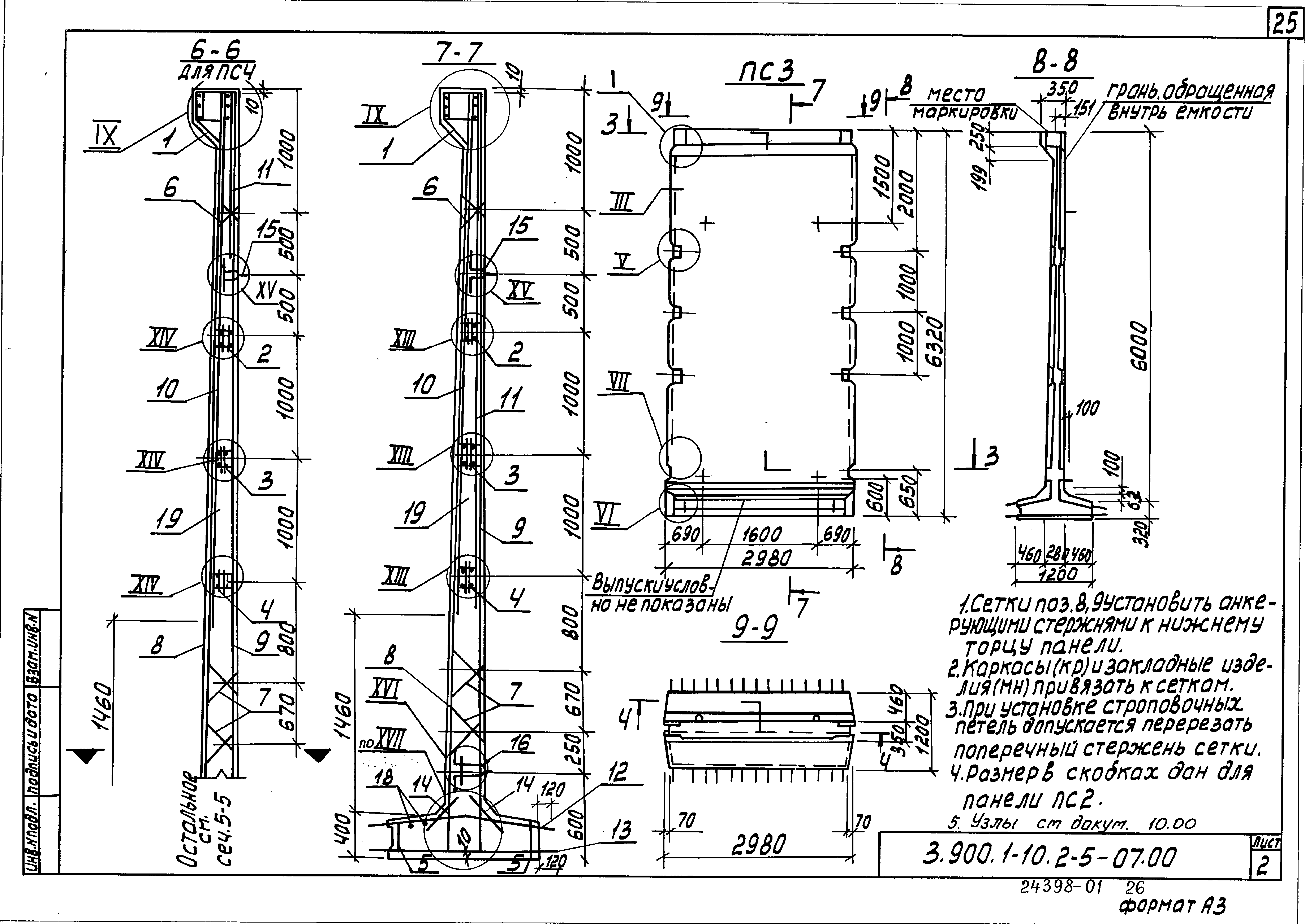
Скачать Серия 3.900.1-10 Выпуск 2-5. Панели стеновые балочные с опорной пятой со шпоночным стыком. Рабочие чертежиДата актуализации: 01.01.2021
|
| Обозначение: | Серия 3.900.1-10 |
| Обозначение англ: | Series 3.900.1-10 |
| Статус: | не определен законодательством |
| Название рус.: | Выпуск 2-5. Панели стеновые балочные с опорной пятой со шпоночным стыком. Рабочие чертежи |
| Дата добавления в базу: | 01.09.2013 |
| Дата актуализации: | 01.01.2021 |
| Дата введения: | 01.10.1990 |
| Дата окончания срока действия: | 30.06.2003 |
| Разработан: | ЦНИИпромзданий НИИЖБ Союзводоканалниипроект Харьковский водоканалпроект |
| Утверждён: | 29.03.1990 Госстрой СССР (Государственный комитет Совета Министров СССР по делам строительства) (USSR Gosstroy 5/5-289) |
| Заменяет собой: |
|






















































