Скачать Серия 3.900.1-10 Выпуск 3-1. Плиты покрытий, колонны, фундаменты резервуаров. Рабочие чертежиДата актуализации: 01.01.2021
|
| Обозначение: | Серия 3.900.1-10 |
| Обозначение англ: | Series 3.900.1-10 |
| Статус: | не определен законодательством |
| Название рус.: | Выпуск 3-1. Плиты покрытий, колонны, фундаменты резервуаров. Рабочие чертежи |
| Дата добавления в базу: | 01.09.2013 |
| Дата актуализации: | 01.01.2021 |
| Дата введения: | 01.10.1990 |
| Дата окончания срока действия: | 30.06.2003 |
| Область применения: | Выпуск 3-1 серии 3.900.1-10 содержит рабочие чертежи железобетонных плит покрытий, колонн и фундаментов для прямоугольных резервуаров высотой 3,6 и 4,8 м обсыпанных грунтом, при сетке колонн 3х6 м, а также колонн и фундаментов для резервуаров при сетке колонн 6х6 м |
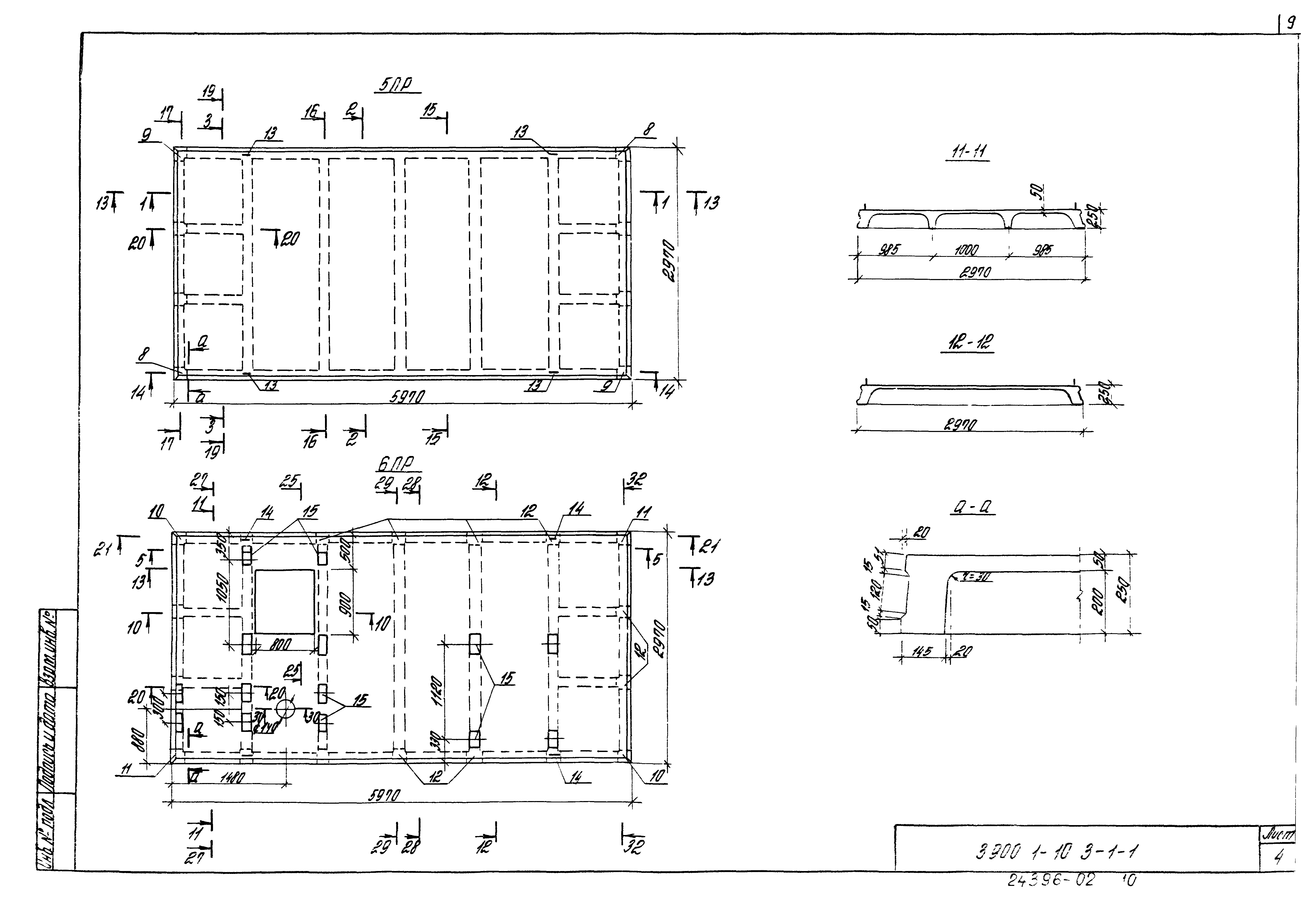
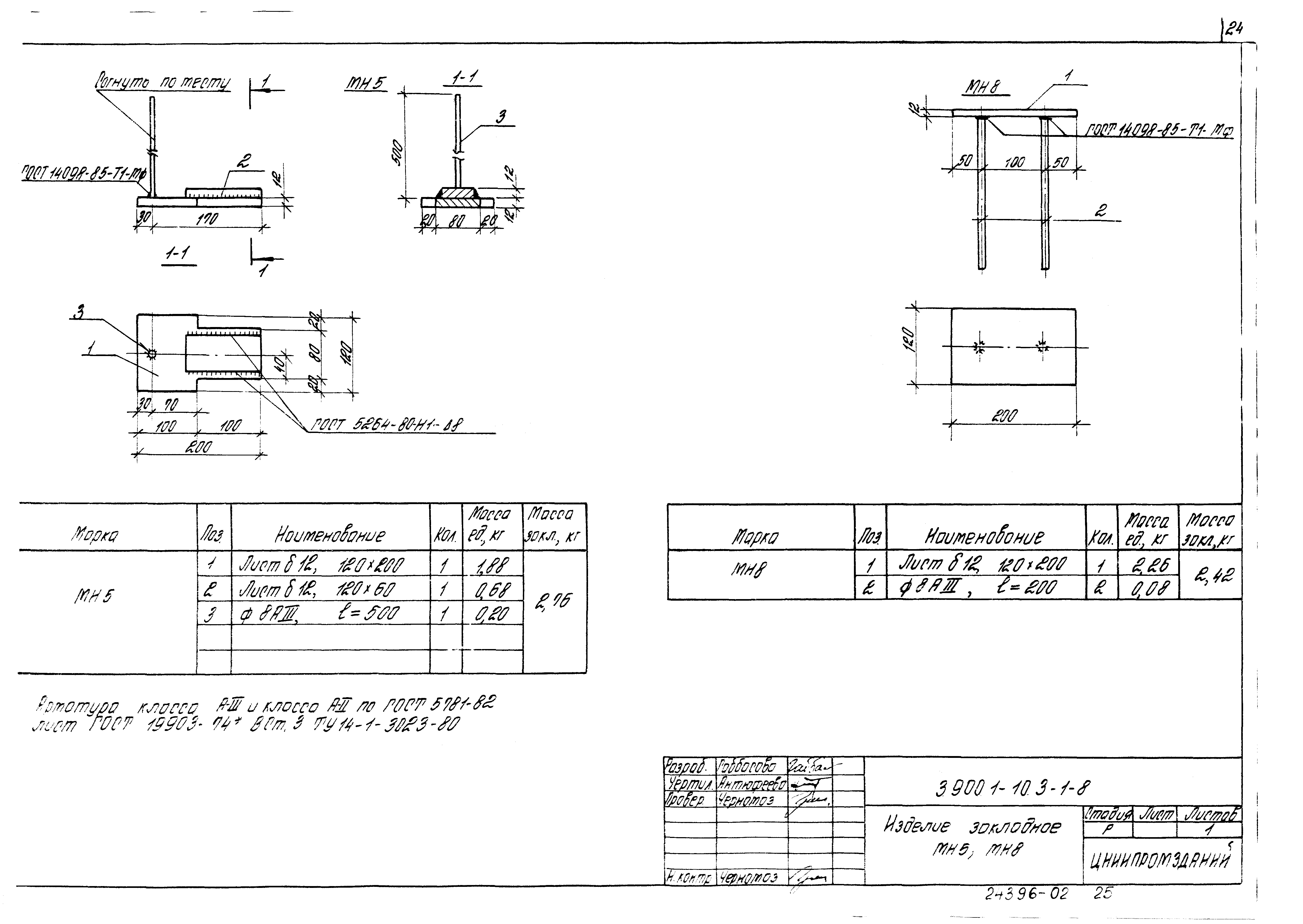
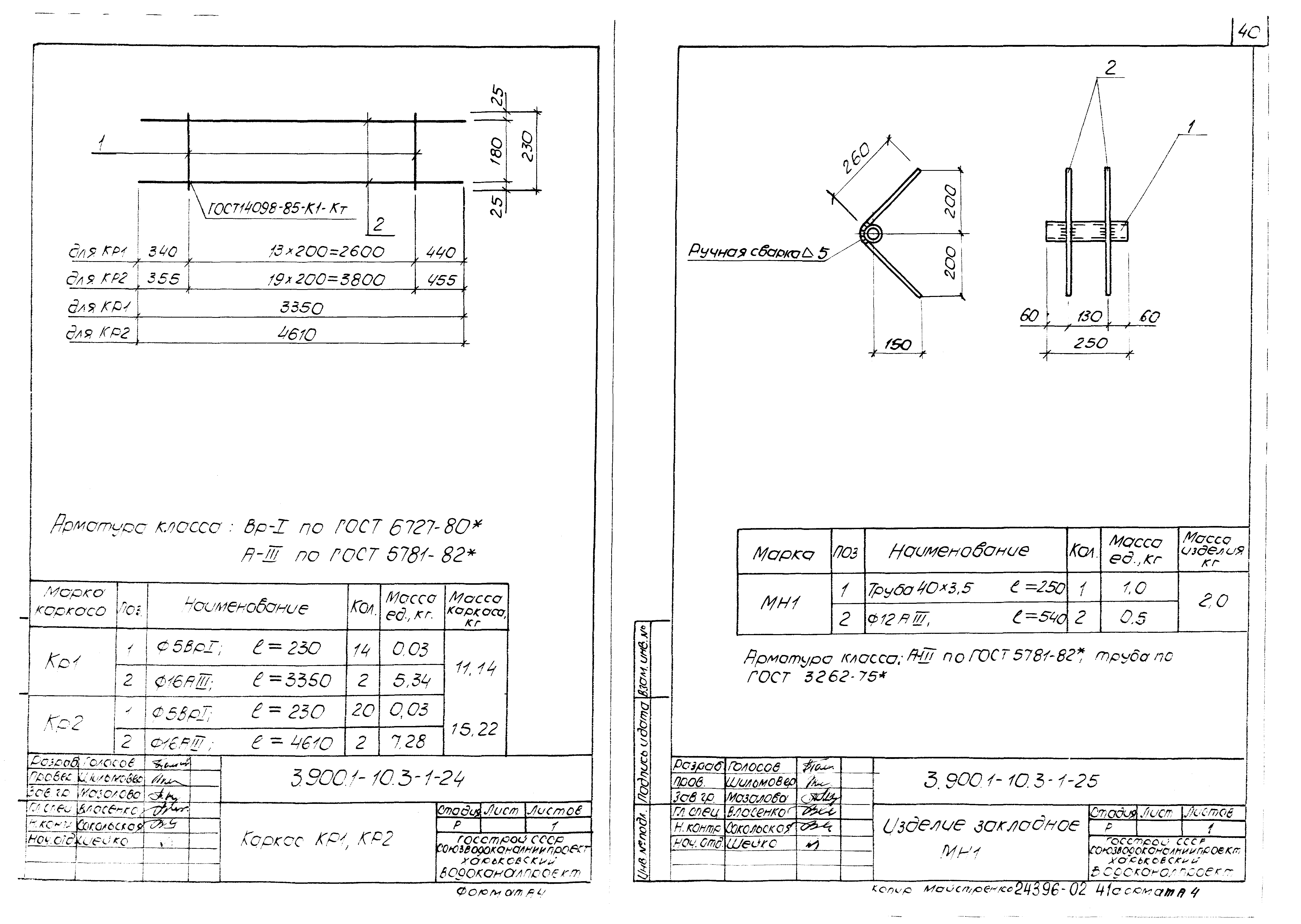
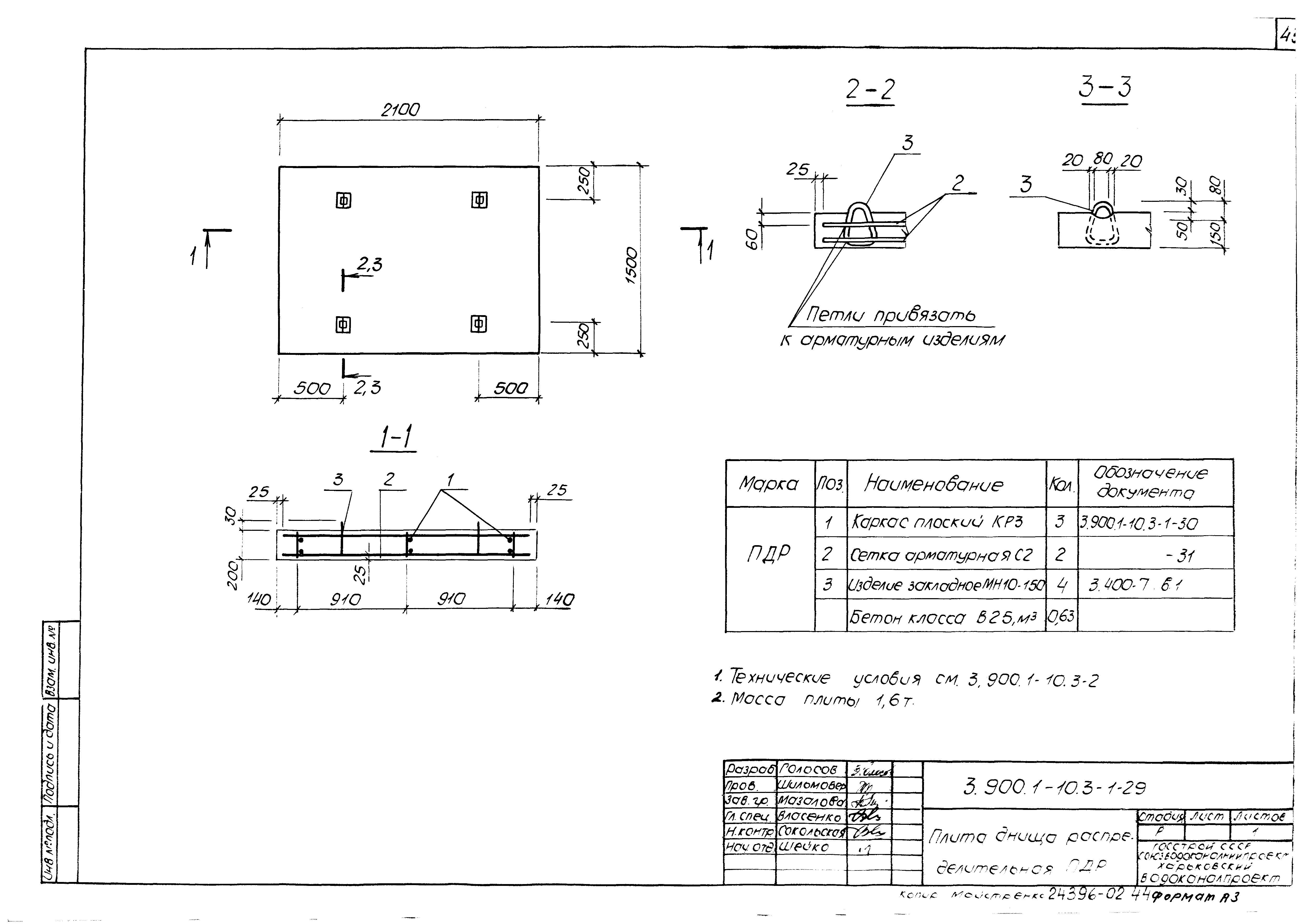
| Оглавление: | 3.900.1-10.3-1-ПЗ Пояснительная записка 3.900.1-10.3-1-1 Плита покрытия ПР 3.900.1-10.3-1-2 Каркас КР1,КР2 3.900.1-10.3-1-3 Каркас КР3...КР5 3.900.1-10.3-1-4 Каркас КР6,КР7 3.900.1-10.3-1-5 Сетка С1,С2 3.900.1-10.3-1-6 Изделие закладное МН1,МН2 3.900.1-10.3-1-7 Изделие закладное МН3,МН4 3.900.1-10.3-1-8 Изделие закладное МН5,МН8 3.900.1-10.3-1-9 Изделие закладное МН6,МН7 3.900.1-10.3-1-10 Колонна 1КР 3.900.1-10.3-1-11 Каркас КП1,КП2,КР1,КР2 3.900.1-10.3-1-12 Сетка С1,С2. Изделие закладное МН1,МН2 3.900.1-10.3-1-13 Колонна 3КР 3.900.1-10.3-1-14 Каркас КП3,КП4,КР3,КР4 3.900.1-10.3-1-15 Сетка С3. Изделие закладное МН3,МН4 3.900.1-10.3-1-16 Фундамент 1ФР1 3.900.1-10.3-1-17 Фундамент 1ФР2 3.900.1-10.3-1-18 Каркас КР1. Сетка С1,С2. Изделие закладное МН1,МН2 3.900.1-10.3-1-19 Фундамент 2ФР1 3.900.1-10.3-1-20 Фундамент 2ФР2 3.900.1-10.3-1-21 Каркас КР2. Сетка С3,С4. Изделие закладное МН3,МН4,МН5 3.900.1-10.3-1-22 Колонна 2КР36,2КР48 3.900.1-10.3-1-23 Каркас КП1,КП2 3.900.1-10.3-1-24 Каркас КР1,КР2 3.900.1-10.3-1-25 Изделие закладное МН1 3.900.1-10.3-1-26 Сетка С1 3.900.1-10.3-1-27 Изделие закладное МН2 3.900.1-10.3-1-28 Стержень арматурный 3.900.1-10.3-1-29 Плита днища распределительная ПДР 3.900.1-10.3-1-30 Каркас КР3 3.900.1-10.3-1-31 Сетка С2 3.900.1-10.3-1-РС Ведомость расхода стали |
| Разработан: | ЦНИИпромзданий НИИЖБА Харьковский Водоканалпроект |
| Утверждён: | 29.03.1990 Госстрой СССР (Государственный комитет Совета Министров СССР по делам строительства) (USSR Gosstroy 5/5-289) |
| Издан: | ЦИТП Госстроя СССР (CITP, Gosstroy (USSR) 1990 г. ) |
| Заменяет собой: |














































