Скачать Серия 3.902.1-12 Выпуск 1. Панели стеновые для опускных колодцев. Рабочие чертежиДата актуализации: 01.01.2021
|
| Обозначение: | Серия 3.902.1-12 |
| Обозначение англ: | Series 3.902.1-12 |
| Статус: | не определен законодательством |
| Название рус.: | Выпуск 1. Панели стеновые для опускных колодцев. Рабочие чертежи |
| Дата добавления в базу: | 01.09.2013 |
| Дата актуализации: | 01.01.2021 |
| Дата введения: | 15.12.1989 |
| Дата окончания срока действия: | 30.06.2003 |
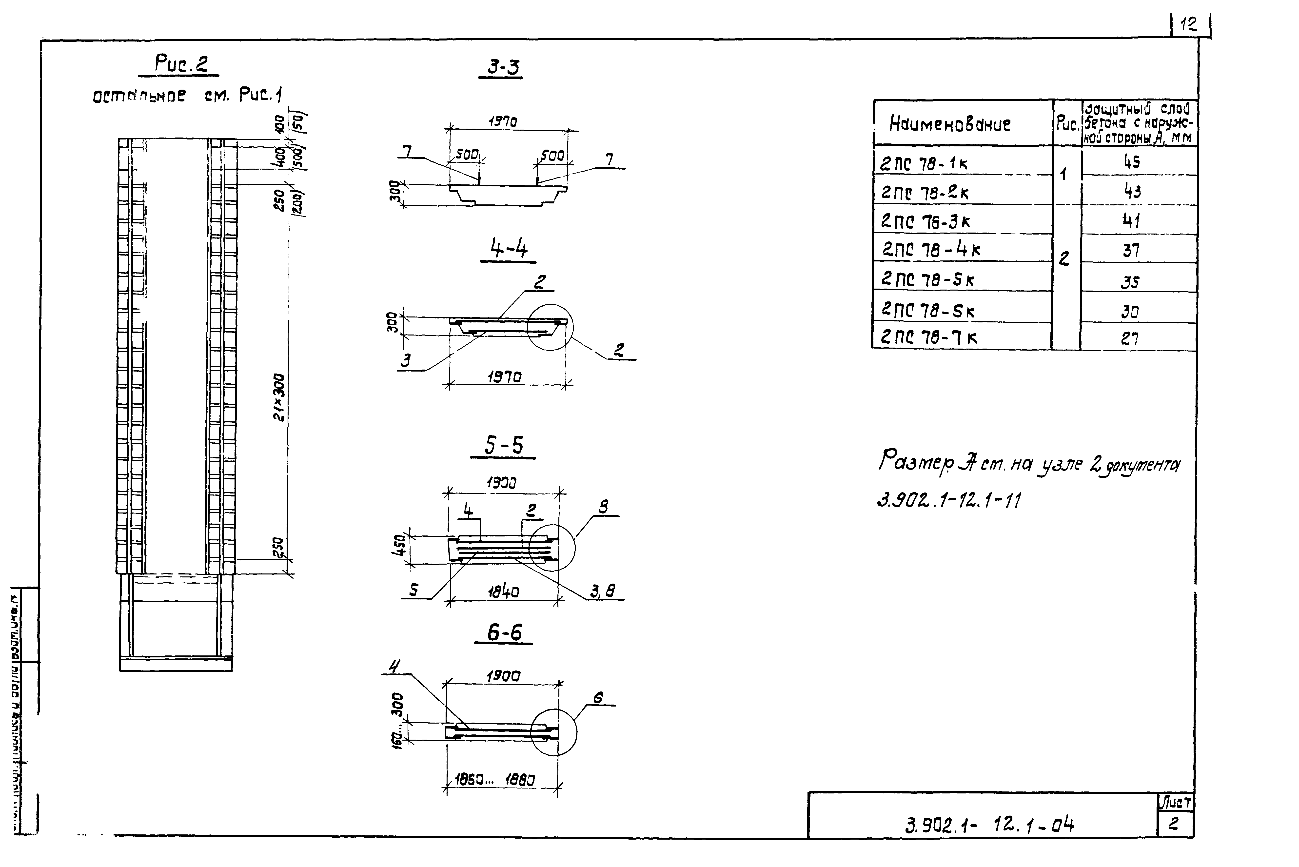
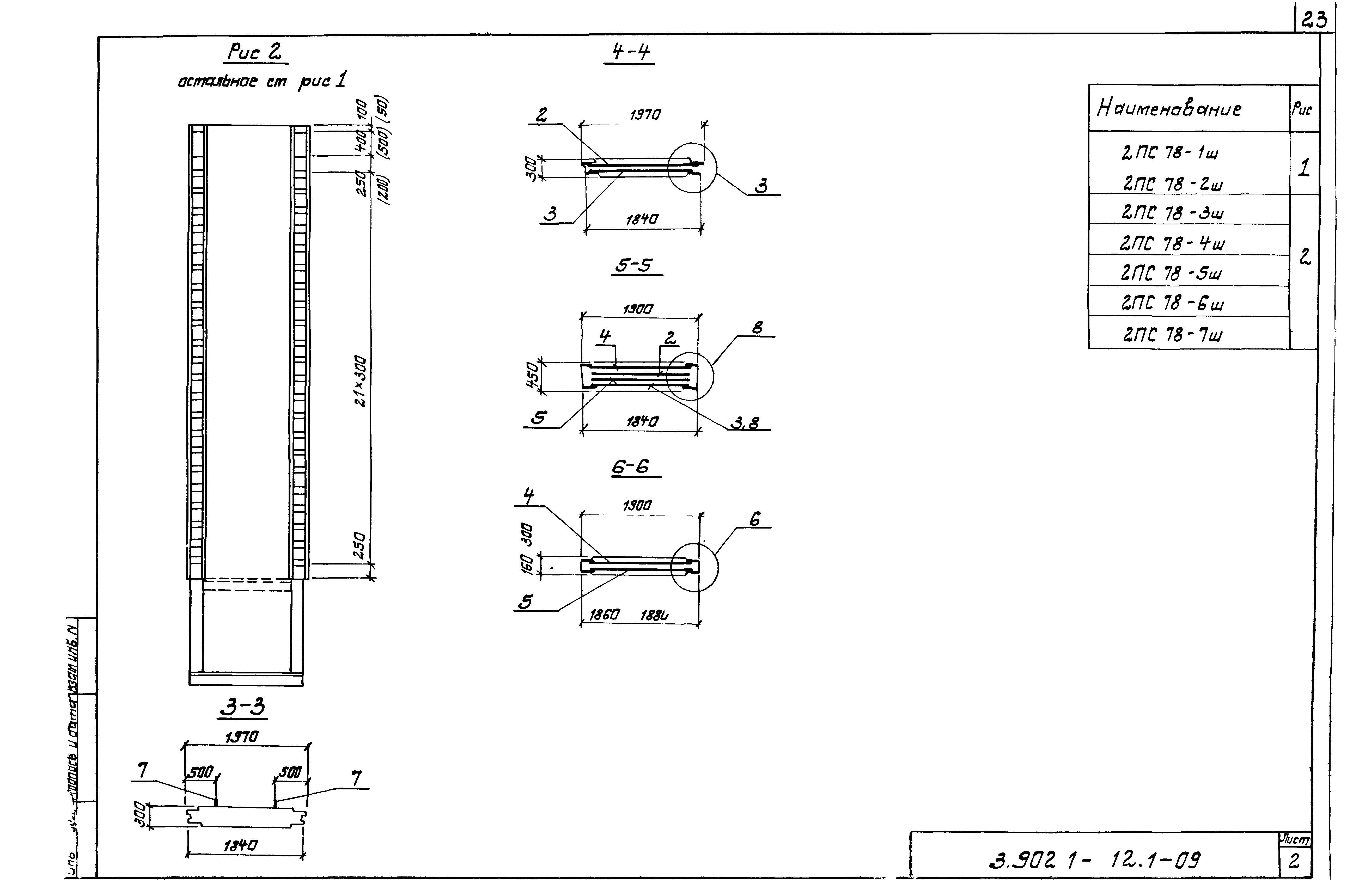
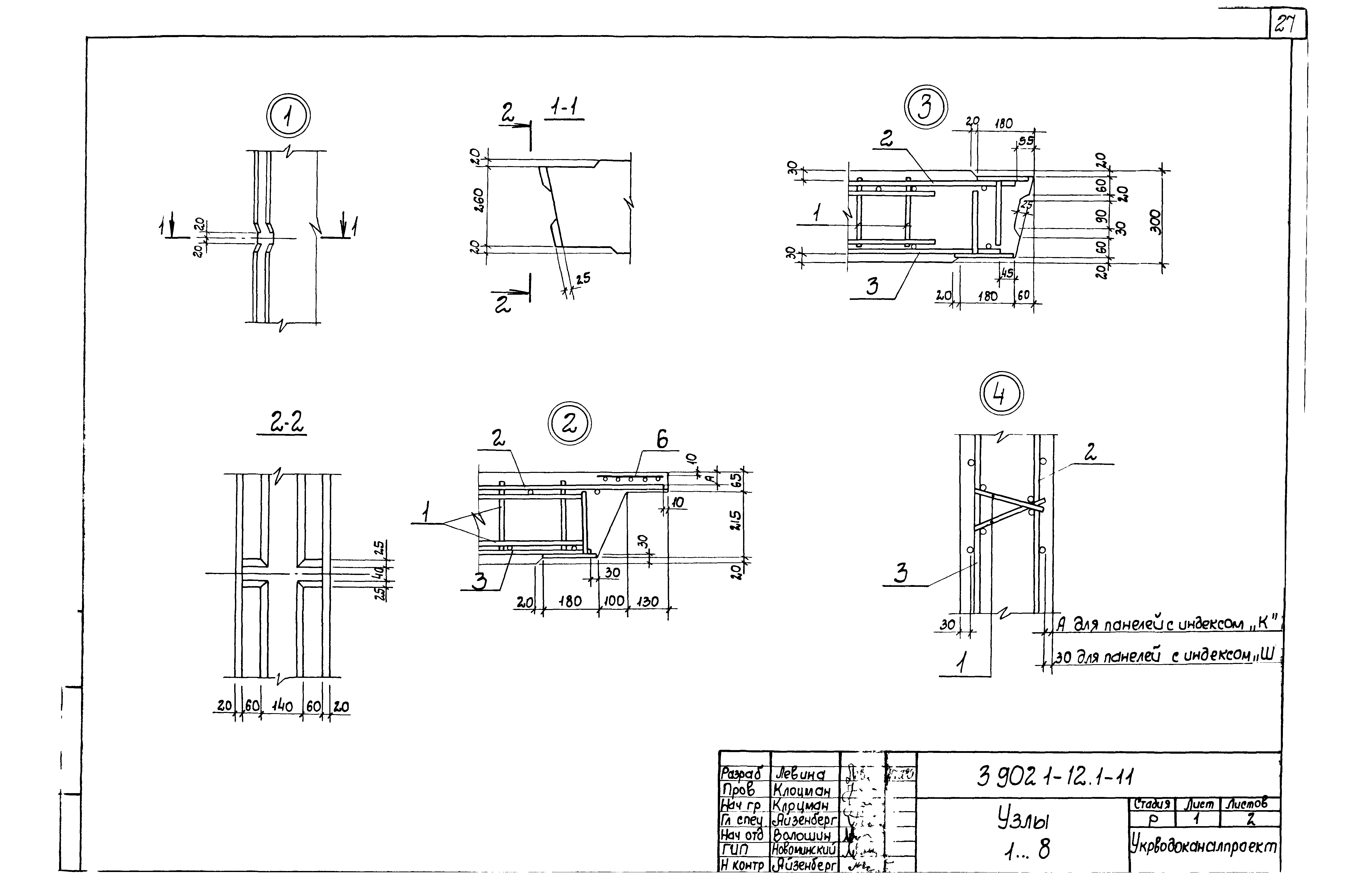
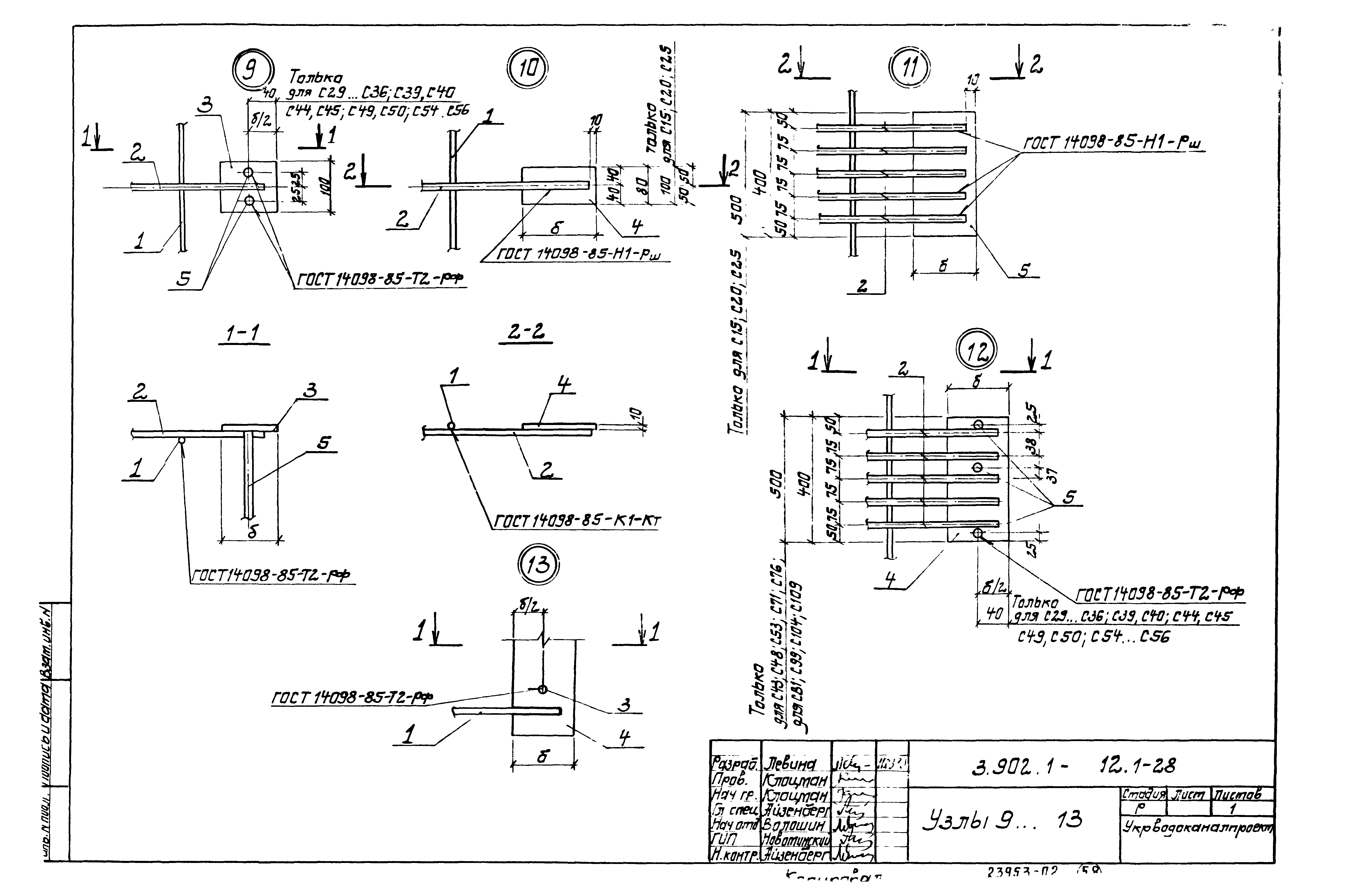
| Оглавление: | 3.902.1-12.1-ТТ Технические требования 3.902.1-12.1-01 Панель стеновая 2ПС54-1К…2ПС54-5К 3.902.1-12.1-02 Панель стеновая 2ПС66-1К…2ПС66-6К 3.902.1-12.1-03 Панель стеновая 2ПС72-1К…2ПС72-5К 3.902.1-12.1-04 Панель стеновая 2ПС78-1К…2ПС78-7К 3.902.1-12.1-05 Панель стеновая 2ПС84-1К…2ПС84-5К 3.902.1-12.1-06 Панель стеновая 2ПС54-1ш…2ПС54-5ш 3.902.1-12.1-07 Панель стеновая 2ПС66-1ш…2ПС66-6ш 3.902.1-12.1-08 Панель стеновая 2ПС72-1ш…2ПС72-5ш 3.902.1-12.1-09 Панель стеновая 2ПС78-1ш…2ПС78-7ш 3.902.1-12.1-10 Панель стеновая 2ПС84-1ш…2ПС84-5ш 3.902.1-12.1-11 Узлы 1…8 3.902.1-12.1-РС Ведомость расхода стали 3.902.1-12.1-12 Сетка С1…С25 3.902.1-12.1-13 Сетка С26…С28 3.902.1-12.1-14 Сетка С29…С53 3.902.1-12.1-15 Сетка С54…С56 3.902.1-12.1-16 Сетка С57…С81 3.902.1-12.1-17 Сетка С82…С84 3.902.1-12.1-18 Сетка С85…С109 3.902.1-12.1-19 Сетка С110…С112 3.902.1-12.1-20 Сетка С113…С118 3.902.1-12.1-21 Сетка С119…С124 3.902.1-12.1-22 Сетка С125…С129 3.902.1-12.1-23 Каркас КР1 3.902.1-12.1-24 Изделие закладное МН13 3.902.1-12.1-25 Изделие закладное МН1…МН3 3.902.1-12.1-26 Изделие закладное МН4…МН6 3.902.1-12.1-27 Изделие закладное МН7…МН12 3.902.1-12.1-28 Узлы 9…13 |
| Разработан: | НИИЖБ Госстроя СССР ЦНИИпромзданий ГПИ Укрводоканалпроект |
| Утверждён: | 22.06.1989 Главоргпроект Госстроя СССР (4/5-954) |
| Издан: | ЦИТП Госстроя СССР (CITP, Gosstroy (USSR) 1989 г. ) |
| Заменяет собой: |

























































