Скачать Серия 3.902.1-12 Выпуск 3. Панели перегородочные. Рабочие чертежиДата актуализации: 01.01.2021
|
| Обозначение: | Серия 3.902.1-12 |
| Обозначение англ: | Series 3.902.1-12 |
| Статус: | не определен законодательством |
| Название рус.: | Выпуск 3. Панели перегородочные. Рабочие чертежи |
| Дата добавления в базу: | 01.09.2013 |
| Дата актуализации: | 01.01.2021 |
| Дата введения: | 15.12.1989 |
| Дата окончания срока действия: | 30.06.2003 |
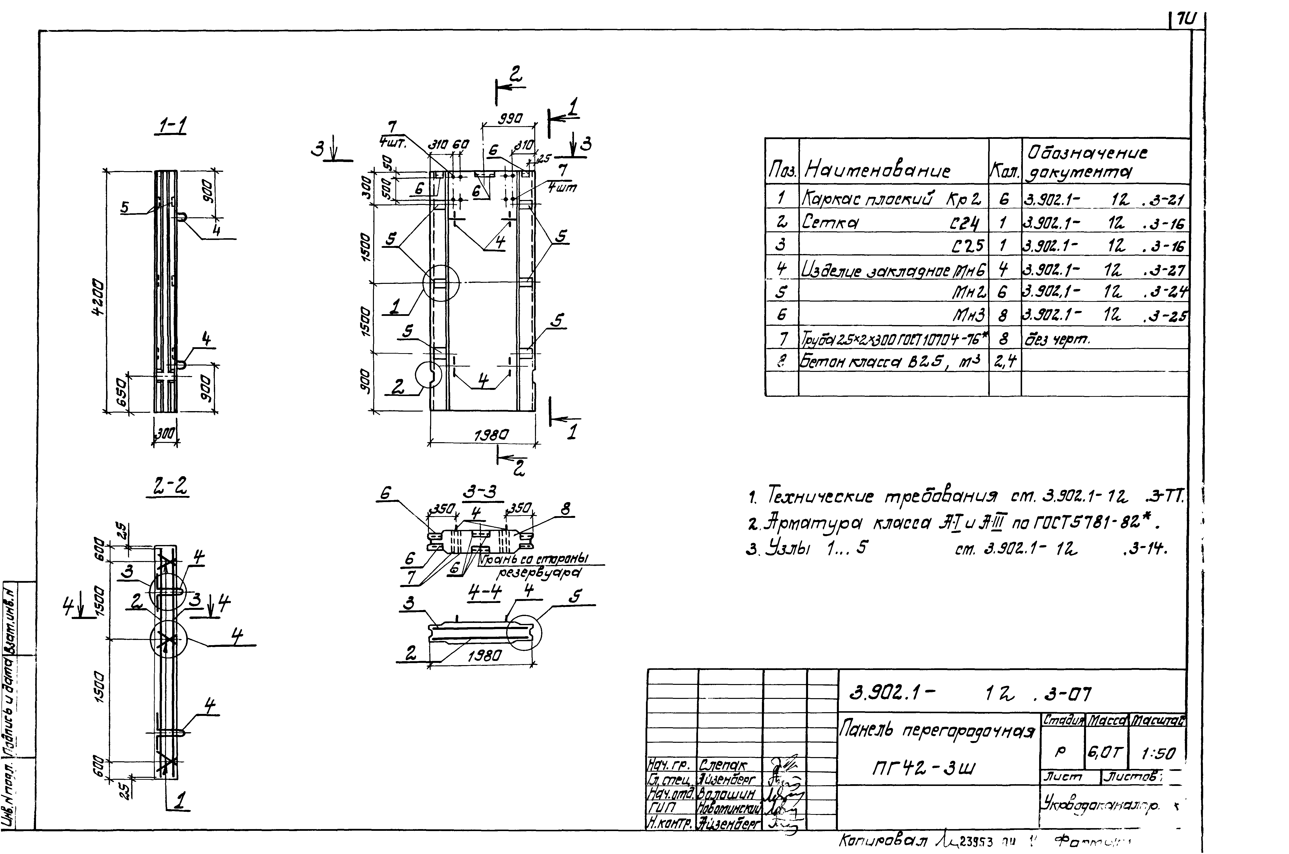
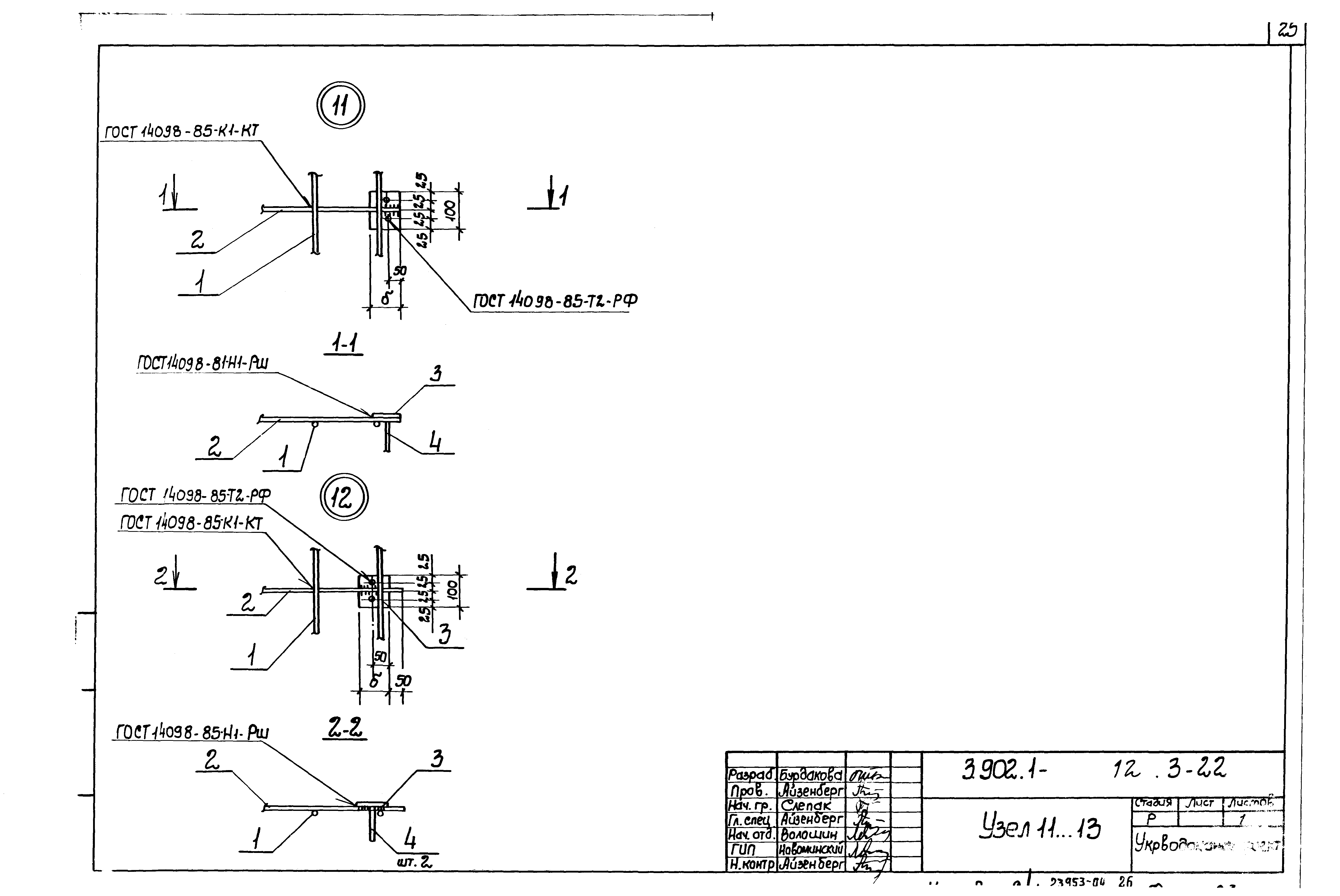
| Оглавление: | 3.902.1-12.3-ТТ Технические требования 3.902.1-12.3-01 Панель перегородочная ПГ18-1ш 3.902.1-12.3-02 Панель перегородочная ПГ30-1ш 3.902.1-12.3-03 Панель перегородочная ПГ36-1ш 3.902.1-12.3-04 Панель перегородочная ПГ36-2ш 3.902.1-12.3-05 Панель перегородочная ПГ42-1ш,ПГ42-1ш-1 3.902.1-12.3-06 Панель перегородочная ПГ42-2ш 3.902.1-12.3-07 Панель перегородочная ПГ42-3ш 3.902.1-12.3-08 Панель перегородочная ПГ54-1ш 3.902.1-12.3-09 Панель перегородочная ПГ66-1ш 3.902.1-12.3-10 Панель перегородочная ПГ66-2ш 3.902.1-12.3-11 Панель перегородочная ПГ72-1ш 3.902.1-12.3-12 Панель перегородочная ПГ78-1ш 3.902.1-12.3-13 Панель перегородочная ПГ78-2ш 3.902.1-12.3-14 Узел 1…10 3.902.1-12.3-РС Ведомость расхода стали 3.902.1-12.3-15 Сетка С1…С4 3.902.1-12.3-16 Сетка С5…С10;С23 3.902.1-12.3-17 Сетка С11…С15 3.902.1-12.3-18 Сетка С16…С18;С24,С25 3.902.1-12.3-19 Сетка С19,С20 3.902.1-12.3-20 Сетка С21,С22 3.902.1-12.3-21 Каркас плоский КР 3.902.1-12.3-22 Узел 11…13 3.902.1-12.3-23 Изделие закладное МН1 3.902.1-12.3-24 Изделие закладное МН2 3.902.1-12.3-25 Изделие закладное МН3 3.902.1-12.3-26 Изделие закладное МН4 3.902.1-12.3-27 Изделие закладное МН5…МН8 3.902.1-12.3-28 Изделие закладное МН9…МН12 |
| Разработан: | НИИЖБ Госстроя СССР ЦНИИпромзданий ГПИ Укрводоканалпроект |
| Утверждён: | 22.06.1989 Главоргпроект Госстроя СССР (4/5-954) |
| Издан: | ЦИТП Госстроя СССР (CITP, Gosstroy (USSR) 1989 г. ) |
| Заменяет собой: |





























