Скачать Серия 3.902.1-12 Выпуск 5. Соединительные и крепежные изделия. Рабочие чертежиДата актуализации: 01.01.2021
|
| Обозначение: | Серия 3.902.1-12 |
| Обозначение англ: | Series 3.902.1-12 |
| Статус: | не определен законодательством |
| Название рус.: | Выпуск 5. Соединительные и крепежные изделия. Рабочие чертежи |
| Дата добавления в базу: | 01.09.2013 |
| Дата актуализации: | 01.01.2021 |
| Дата введения: | 15.12.1989 |
| Дата окончания срока действия: | 30.06.2003 |
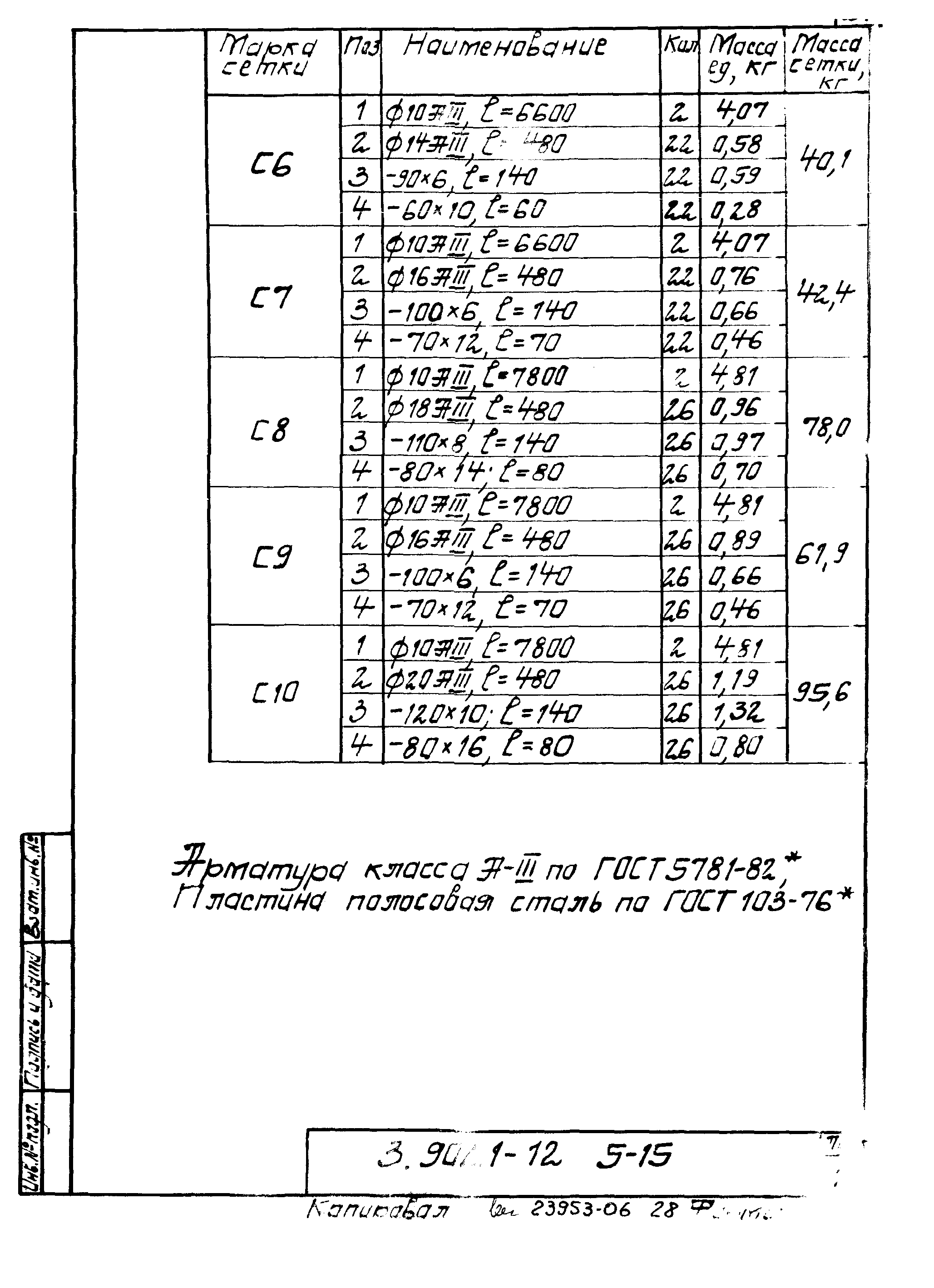
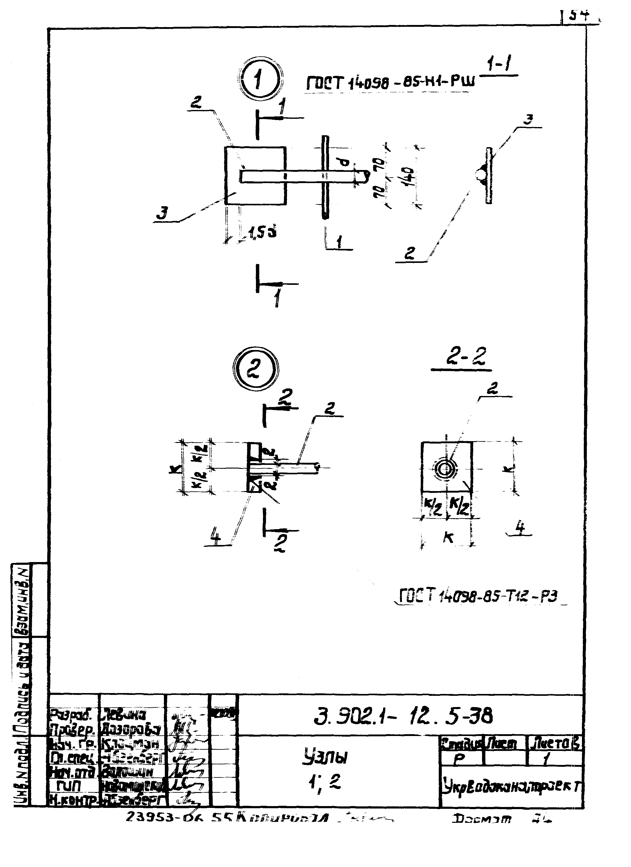
| Оглавление: | 3.902.1-12.5ТТ Технические требования 3.902.1-12.5-01 Изделие соединительное МС1…МС21 3.902.1-12.5-02 Изделие соединительное МС22…МС52 3.902.1-12.5-03 Изделие соединительное МС53…МС86 3.902.1-12.5-04 Изделие соединительное МС87…МС89 3.902.1-12.5-05 Изделие соединительное МС90…МС99 3.902.1-12.5-06 Изделие соединительное МС96…МС103 3.902.1-12.5-07 Изделие соединительное МС104…МС111 3.902.1-12.5-08 Изделие соединительное МС112…МС119 3.902.1-12.5-09 Изделие соединительное МС120…МС127 3.902.1-12.5-10 Изделие соединительное МС128 3.902.1-12.5-11 Изделие соединительное МС129 3.902.1-12.5-12 Изделие соединительное МС130 3.902.1-12.5-13 Изделие соединительное МС131 3.902.1-12.5-14 Сетка С1,С5 3.902.1-12.5-15 Сетка С6,С10 3.902.1-12.5-16 Сетка С11,С12 3.902.1-12.5-17 Сетка С13,С14 3.902.1-12.5-18 Сетка С15 3.902.1-12.5-19 Сетка С16,С17 3.902.1-12.5-20 Сетка С18,С19 3.902.1-12.5-21 Сетка С20,С21 3.902.1-12.5-22 Сетка С22...С24 3.902.1-12.5-23 Сетка С25 3.902.1-12.5-24 Сетка С26;С27 3.902.1-12.5-25 Сетка С28;С29 3.902.1-12.5-26 Сетка С30;С31 3.902.1-12.5-27 Сетка С32;С33 3.902.1-12.5-28 Сетка С34;С35 3.902.1-12.5-29 Сетка С36...С49 3.902.1-12.5-30 Сетка С50...С55 3.902.1-12.5-31 Сетка С56...С63 3.902.1-12.5-32 Сетка С64;С65 3.902.1-12.5-33 Сетка С66;С67 3.902.1-12.5-34 Сетка С68...С73 3.902.1-12.5-35 Сетка С74...С79 3.902.1-12.5-36 Сетка С80...С85 3.902.1-12.5-37 Сетка С86;С87 3.902.1-12.5-38 Узлы 1;2 3.902.1-12.5-39 Узел 3 3.902.1-12.5-40 Изделие соединительное МС132 |
| Разработан: | НИИЖБ Госстроя СССР ЦНИИпромзданий ГПИ Укрводоканалпроект |
| Утверждён: | 22.06.1989 Главоргпроект Госстроя СССР (4/5-954) |
| Издан: | ЦИТП Госстроя СССР (CITP, Gosstroy (USSR) 1989 г. ) |
| Заменяет собой: |























































