Скачать Серия 3.902.1-12 Выпуск 6. Панели стеновые и перегородочные. Технические условияДата актуализации: 01.01.2021
|
| Обозначение: | Серия 3.902.1-12 |
| Обозначение англ: | Series 3.902.1-12 |
| Статус: | не определен законодательством |
| Название рус.: | Выпуск 6. Панели стеновые и перегородочные. Технические условия |
| Дата добавления в базу: | 01.09.2013 |
| Дата актуализации: | 01.01.2021 |
| Дата введения: | 15.12.1989 |
| Дата окончания срока действия: | 30.06.2003 |
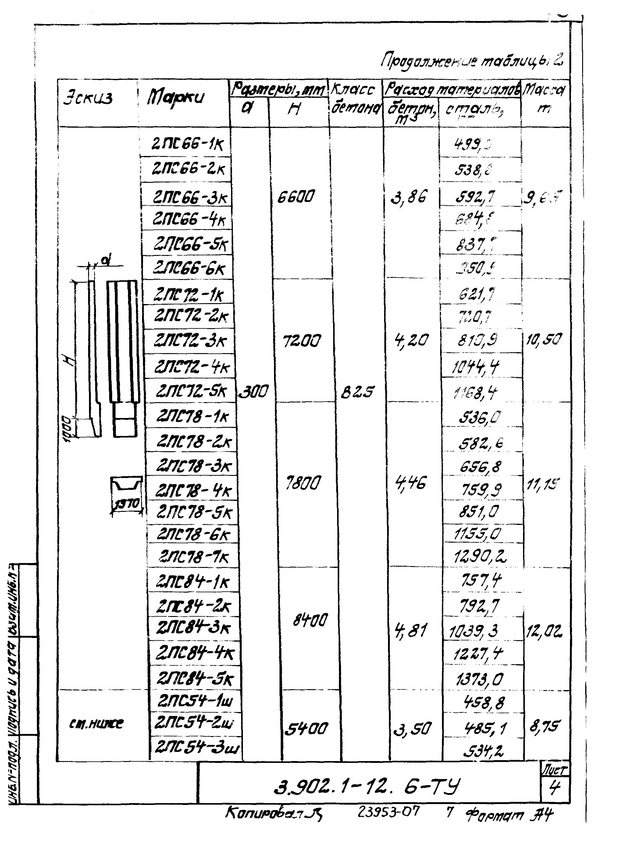
| Оглавление: | 3.902.1-12.6-ТУ Типы, основные параметры и размеры 3.902.1-12.6-ТУ Технические требования 3.902.1-12.6-ТУ Правила приемки 3.902.1-12.6-ТУ Методы контроля 3.902.1-12.6-ТУ Маркировка, хранение и транспортирование |
| Разработан: | НИИЖБ Госстроя СССР ЦНИИпромзданий ГПИ Укрводоканалпроект |
| Утверждён: | 22.06.1989 Главоргпроект Госстроя СССР (4/5-954) |
| Издан: | ЦИТП Госстроя СССР (CITP, Gosstroy (USSR) 1989 г. ) |
| Заменяет собой: |























