Скачать Серия 3.901.1-14 Выпуск 1. Панели стеновые. Рабочие чертежиДата актуализации: 01.01.2021
|
| Обозначение: | Серия 3.901.1-14 |
| Обозначение англ: | Series 3.901.1-14 |
| Статус: | действует |
| Название рус.: | Выпуск 1. Панели стеновые. Рабочие чертежи |
| Дата добавления в базу: | 01.09.2013 |
| Дата актуализации: | 01.01.2021 |
| Дата введения: | 29.03.1990 |
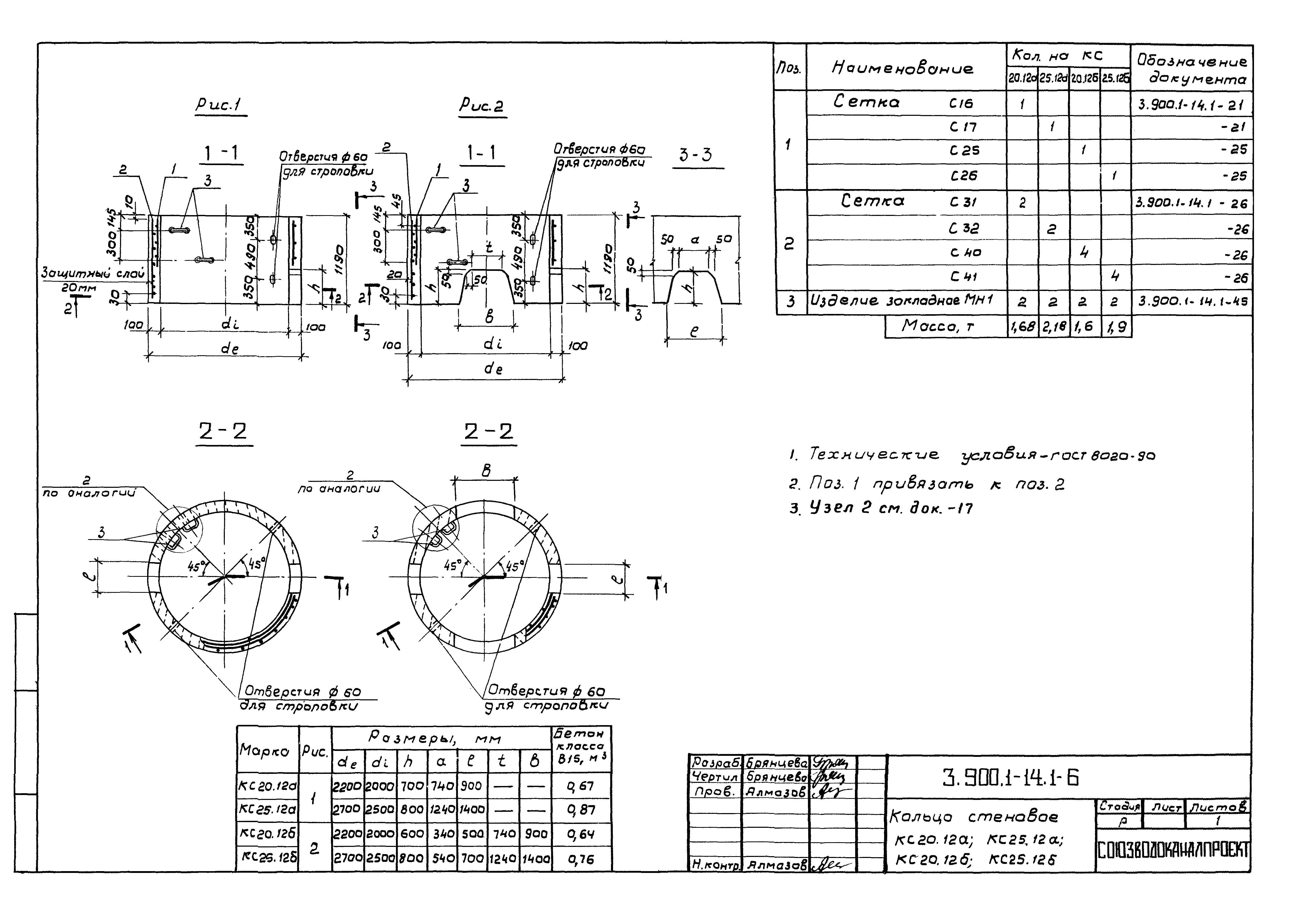
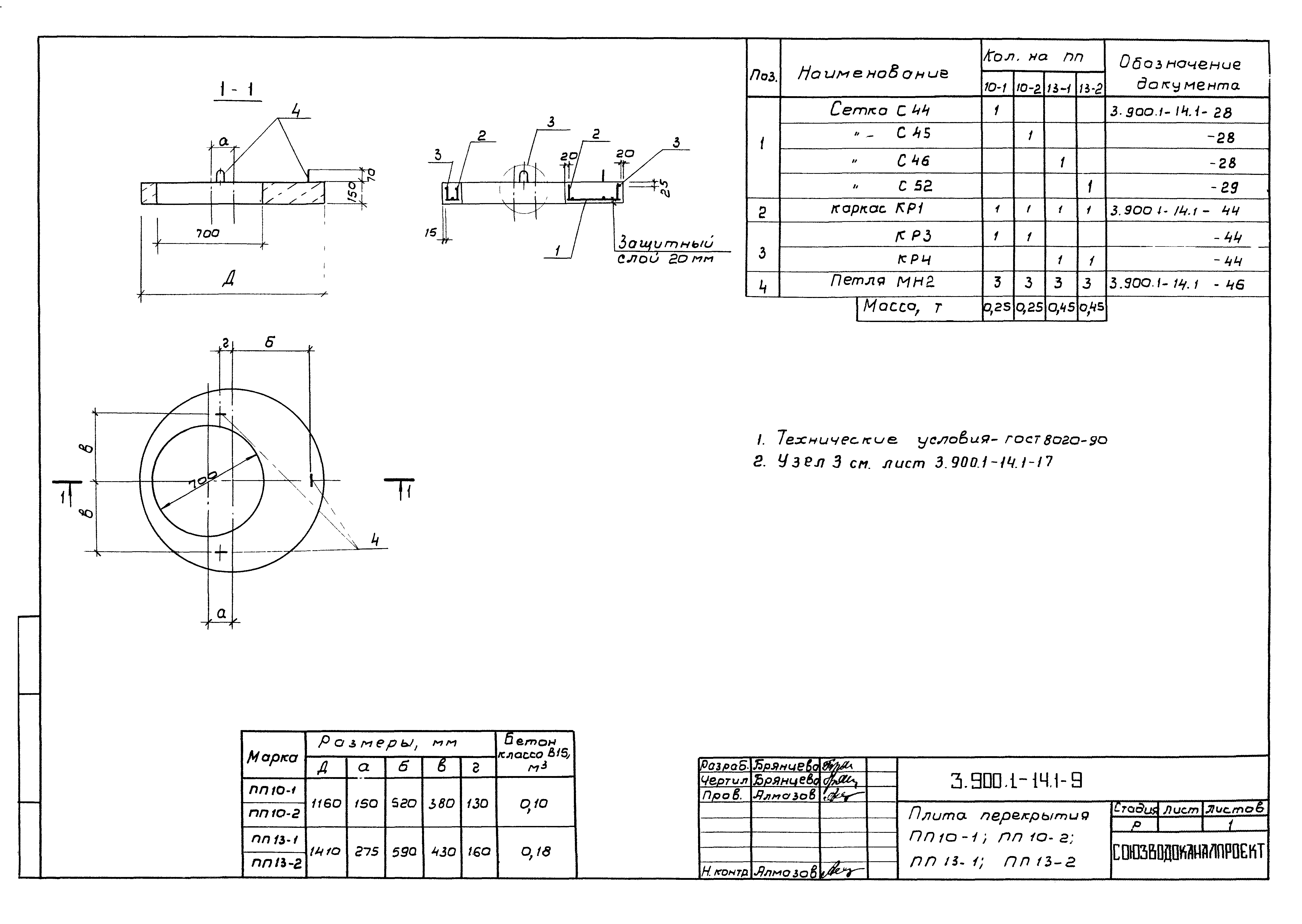
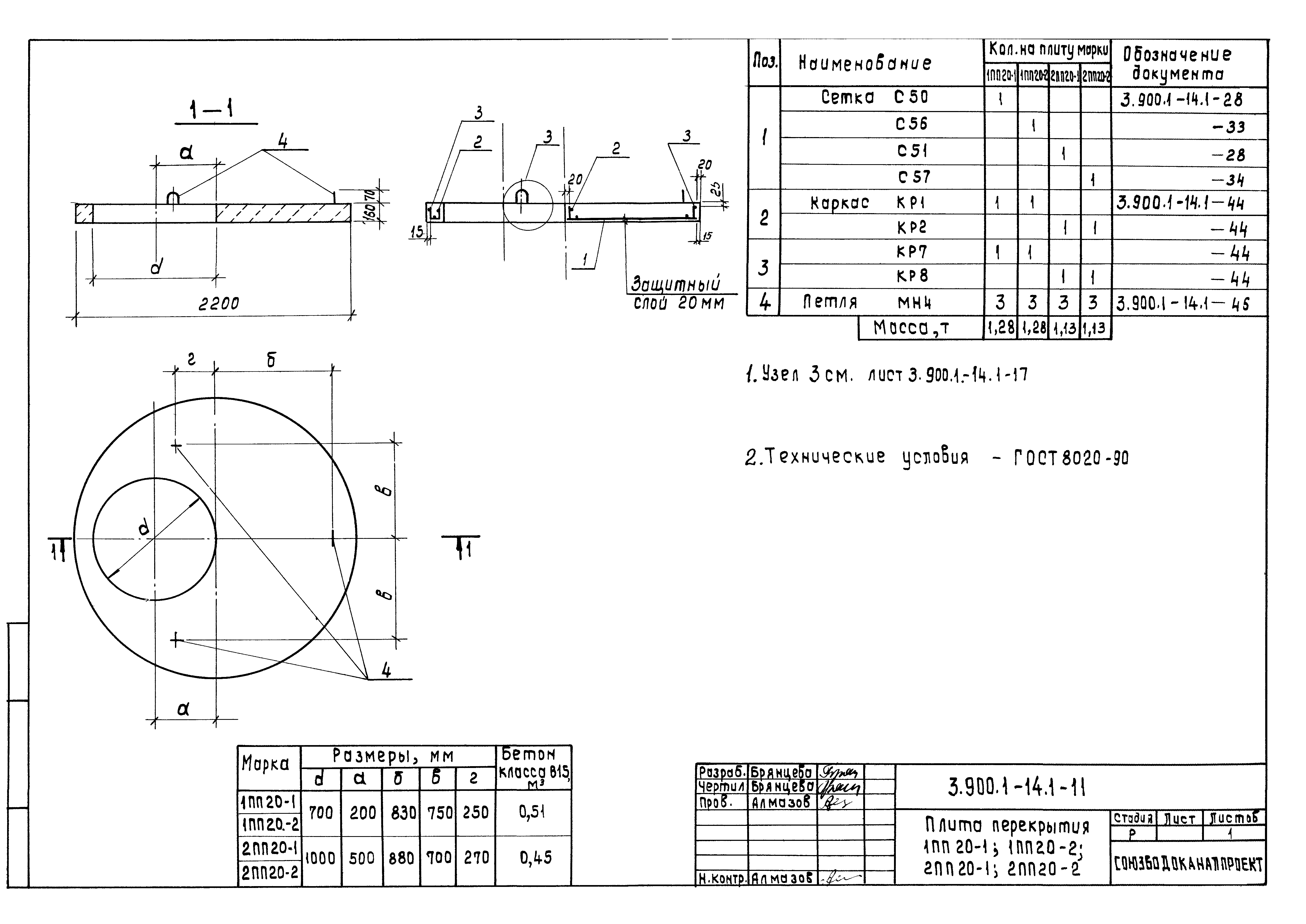
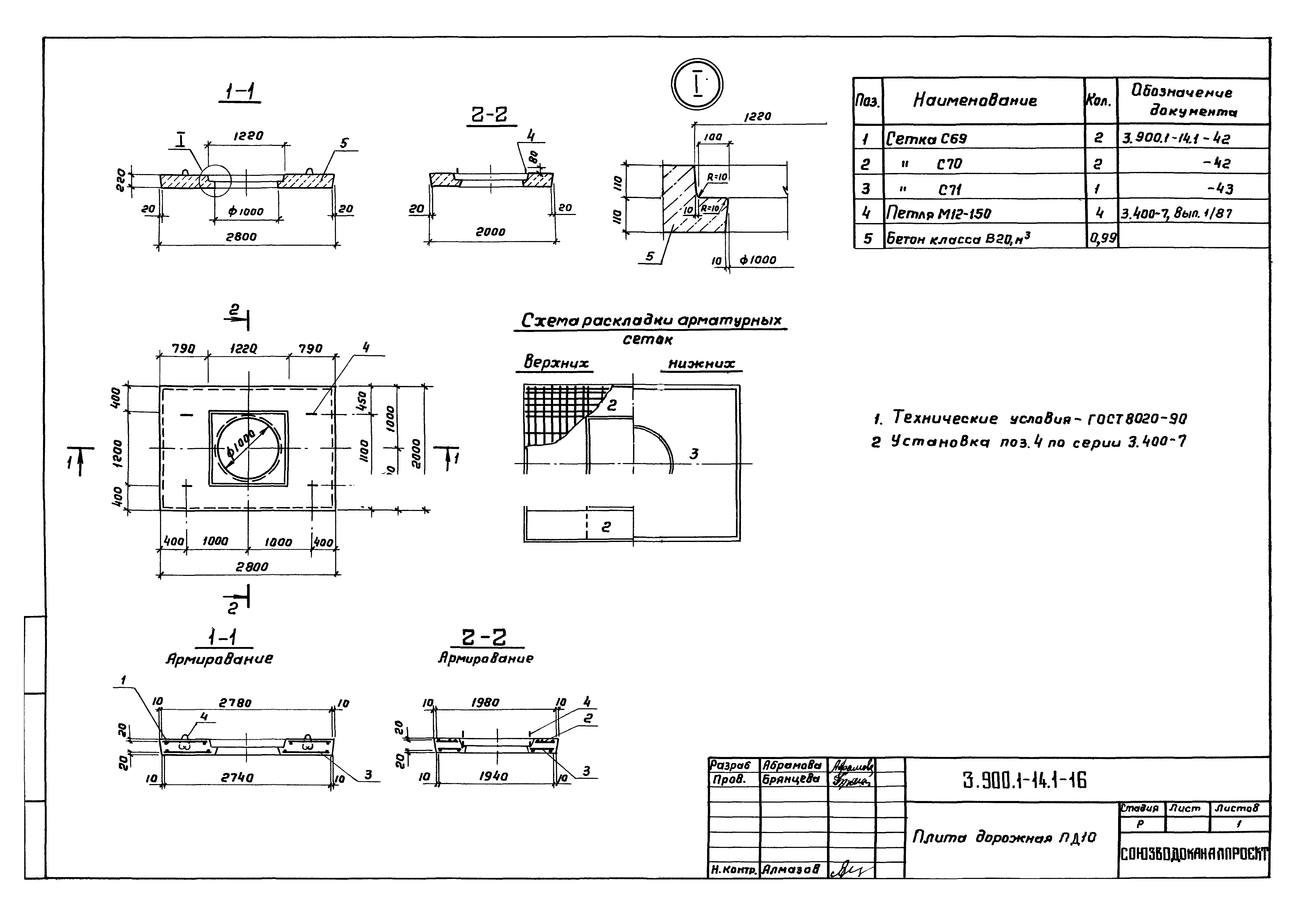
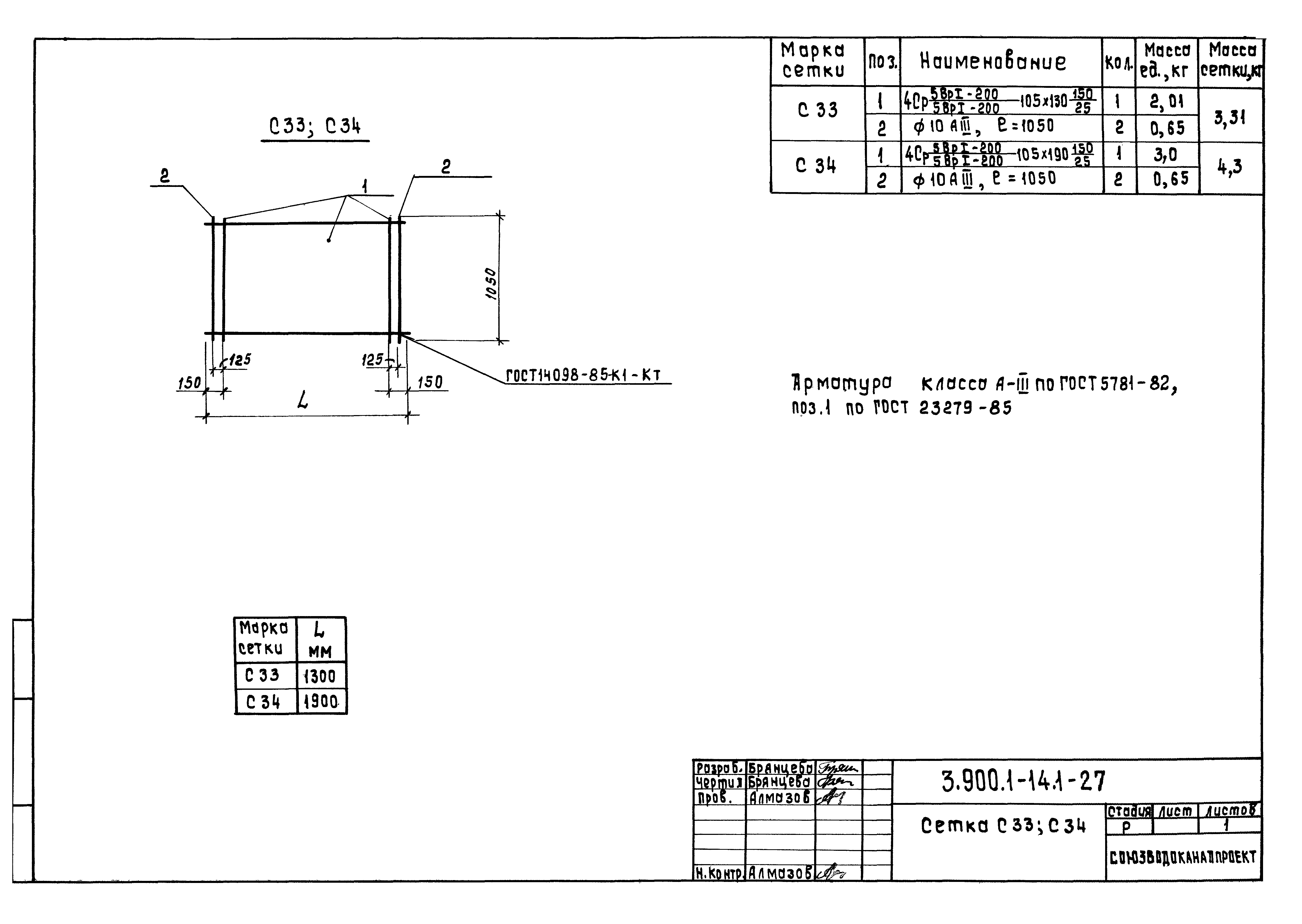
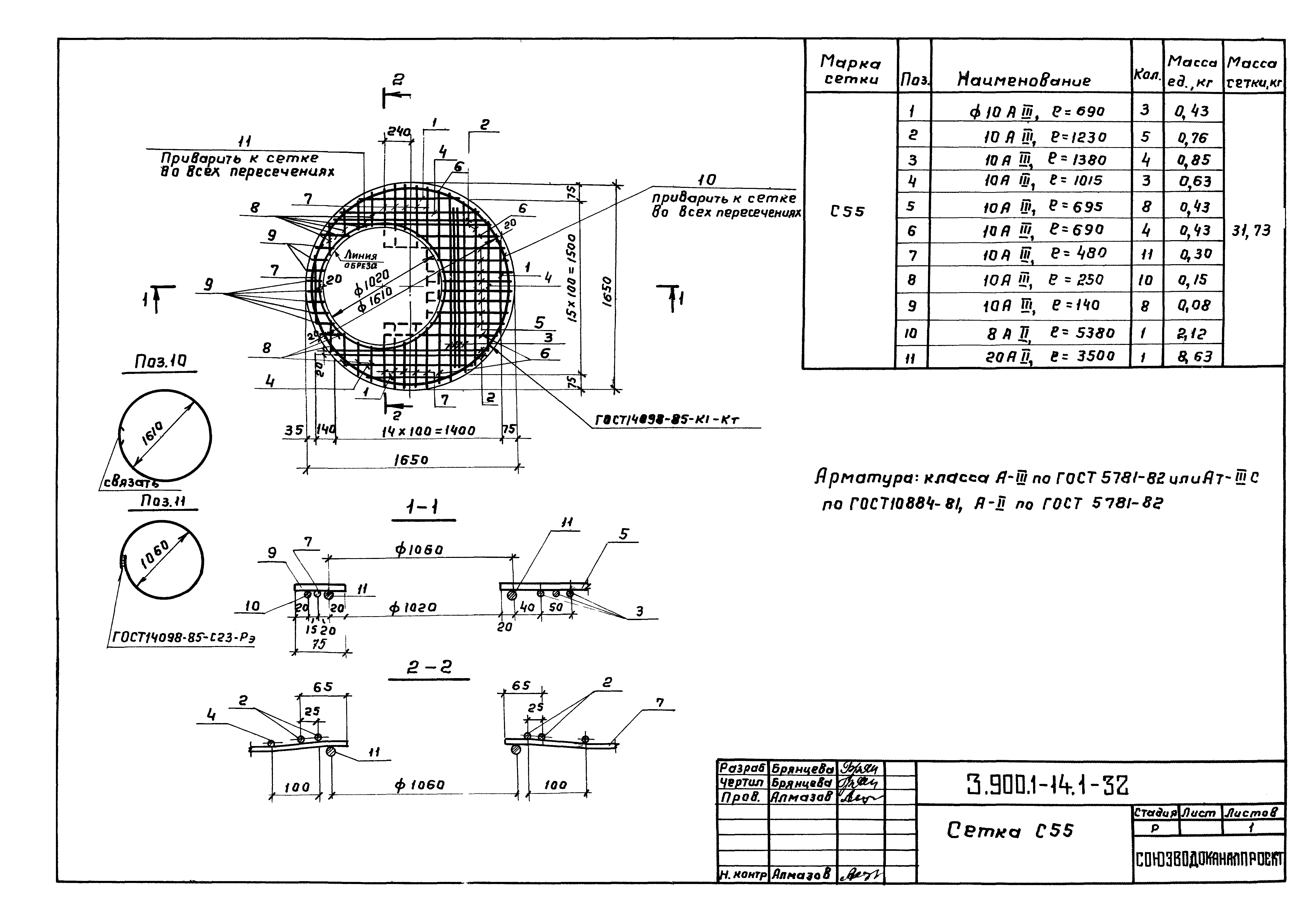
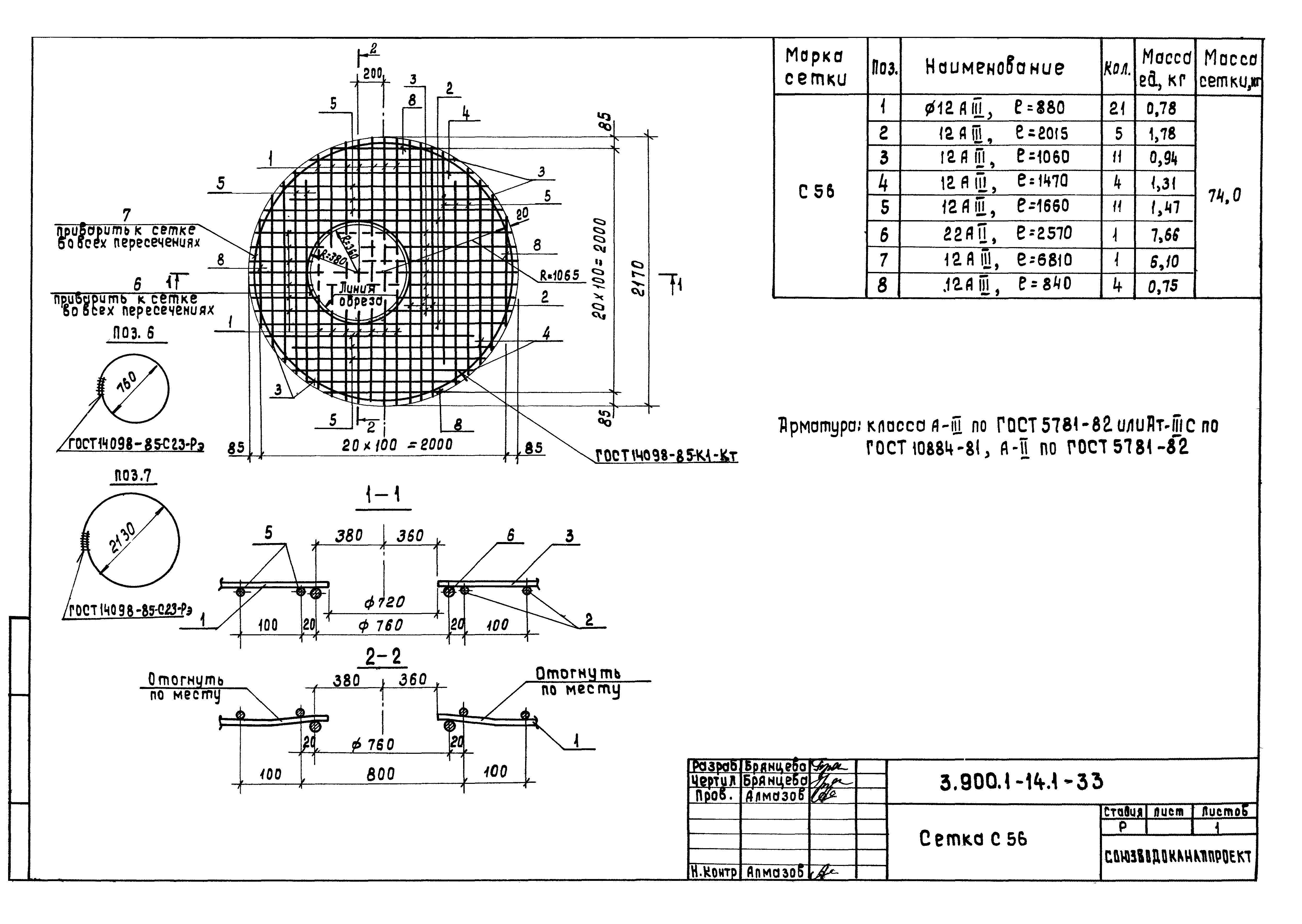
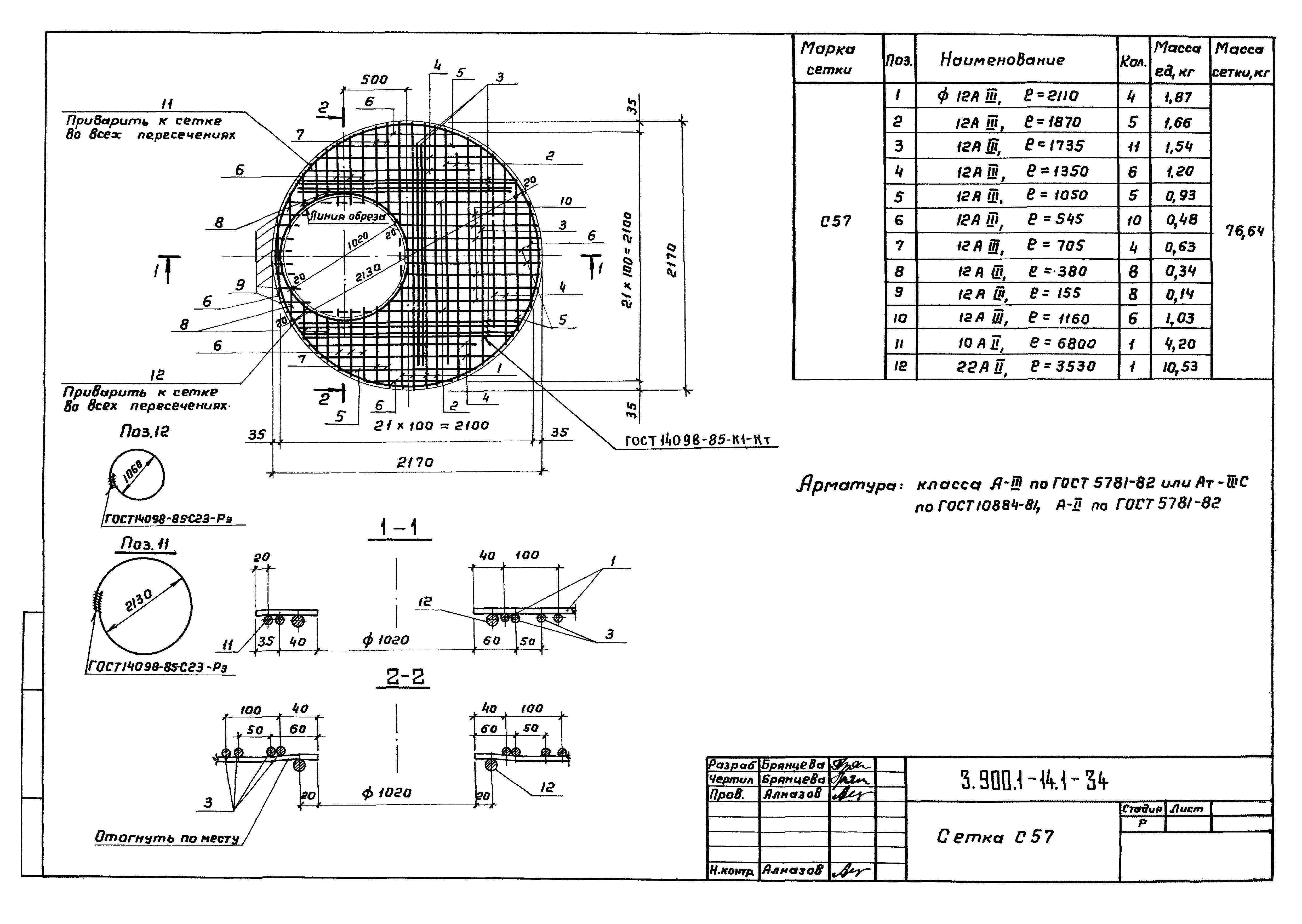
| Оглавление: | 3.900.1-14.1-ПЗ Пояснительная записка 3.900.1-14.1-НИ Номенклатура изделий для круглых колодцев 3.900.1-14.1-1 Кольцо стеновое КС7.3;КС10.3 3.900.1-14.1-2 Кольцо стеновое КС10.6;КС13.6;КС15.6;КС20.6;КС25.6 3.900.1-14.1-3 Кольцо стеновое КС7.9;КС10.9;КС15.9;КС20.9 3.900.1-14.1-4 Кольцо стеновое КС15.8 3.900.1-14.1-5 Кольцо стеновое КС9а;КС13.9а;КС15.9а;КС13.9б;КС15.9б;КС20.9б 3.900.1-14.1-6 Кольцо стеновое КС20.12а;КС25.12а;КС20.12б;КС25.12б 3.900.1-14.1-7 Кольцо стеновое КС10.18а;КС15.18а;КС15.18б;КС20.18б 3.900.1-14.1-8 Кольцо стеновое КС15.6б;КС20.6б 3.900.1-14.1-9 Плита перекрытия ПП10-1;ПП10-2;ПП13-1;ПП13-2 3.900.1-14.1-10 Плита перекрытия 1ПП15-1;1ПП15-2;2ПП15-1;2ПП15-2;3ПП15-1;3ПП15-2 3.900.1-14.1-11 Плита перекрытия 1ПП20-1;1ПП20-2;2ПП20-1;2ПП20-2 3.900.1-14.1-12 Плита днища ПН10;ПН15;ПН20;ПН25 3.900.1-14.1-13 Кольцо опорное КО6 3.900.1-14.1-14 Плита опорная ПО10 3.900.1-14.1-15 Плита дорожная ПД6 3.900.1-14.1-16 Плита дорожная ПД10 3.900.1-14.1-17 Узел 1;2;3 3.900.1-14.1-18 Сетка С1…С7 3.900.1-14.1-19 Сетка С8…С12 3.900.1-14.1-20 Сетка С13;С14;С15 3.900.1-14.1-21 Сетка С16;С17 3.900.1-14.1-22 Сетка С18;С19;С27 3.900.1-14.1-23 Сетка С20;С21 3.900.1-14.1-24 Сетка С22;С23;С24 3.900.1-14.1-25 Сетка С25;С26 3.900.1-14.1-26 Сетка С28...С32;С35…С43 3.900.1-14.1-27 Сетка С33;С34 3.900.1-14.1-28 Сетка С44...С51 3.900.1-14.1-29 Сетка С52 3.900.1-14.1-30 Сетка С53 3.900.1-14.1-31 Сетка С54 3.900.1-14.1-32 Сетка С55 3.900.1-14.1-33 Сетка С56 3.900.1-14.1-34 Сетка С57 3.900.1-14.1-35 Сетка С58…С61 3.900.1-14.1-36 Сетка С62 3.900.1-14.1-37 Сетка С63 3.900.1-14.1-38 Сетка С64 3.900.1-14.1-39 Сетка С65 3.900.1-14.1-40 Сетка С66 3.900.1-14.1-41 Сетка С67;С68 3.900.1-14.1-42 Сетка С69;С70 3.900.1-14.1-43 Сетка С71 3.900.1-14.1-44 Каркас КР1…КР8 3.900.1-14.1-45 Изделие закладное МН1 3.900.1-14.1-46 Петля МН2…МН5 3.900.1-14.1-РС1 Ведомость расхода стали, кг 3.900.1-14.1-РС2 Ведомость расхода стали, кг |
| Разработан: | НИИЖБ Укрводоканалпроект АО ЦНИИпромзданий |
| Утверждён: | 29.03.1990 Госстрой СССР (Государственный комитет Совета Министров СССР по делам строительства) (USSR Gosstroy 5/5-289) 29.03.1990 ГПИ Союзводоканалпроект (27) |























































