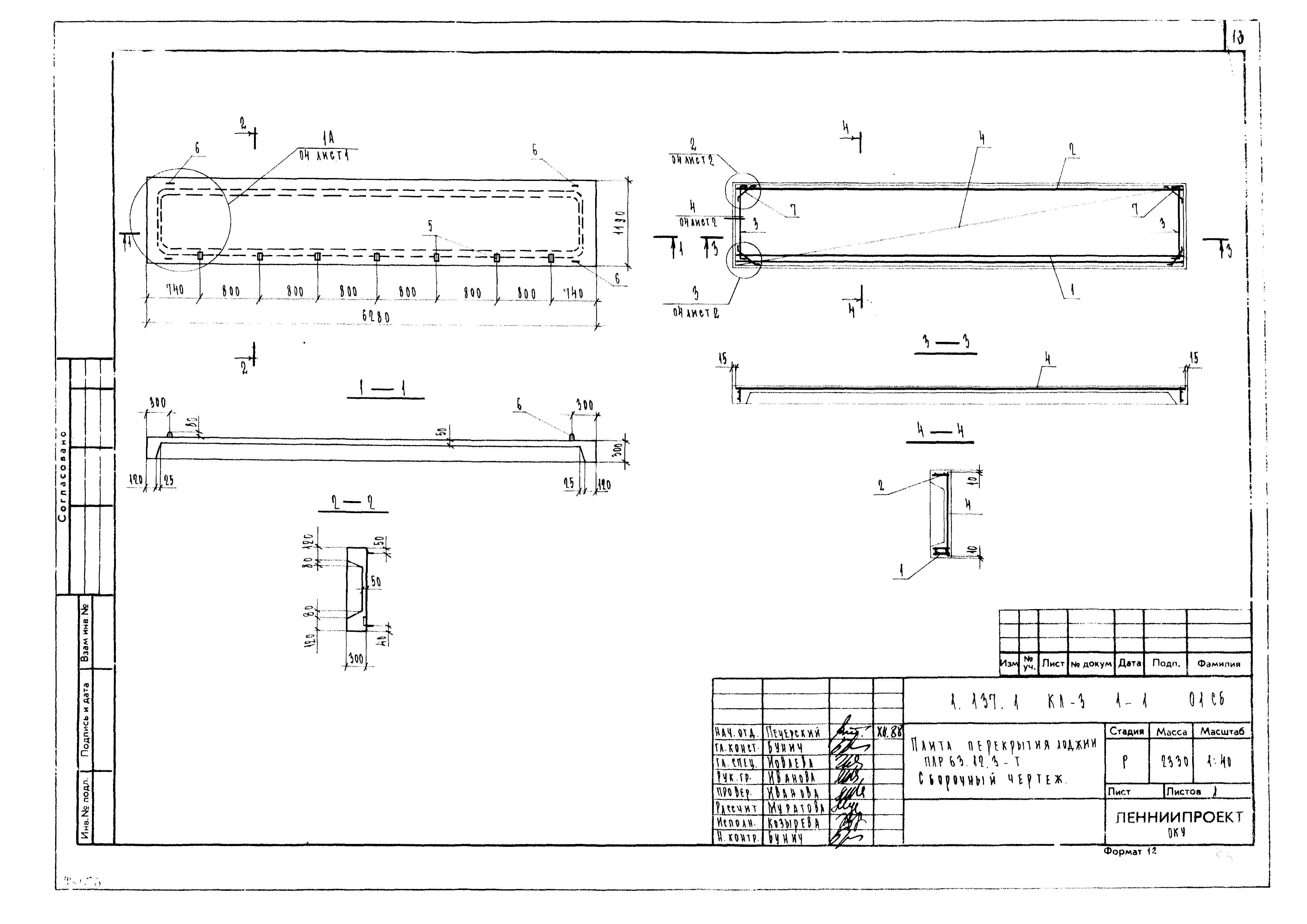
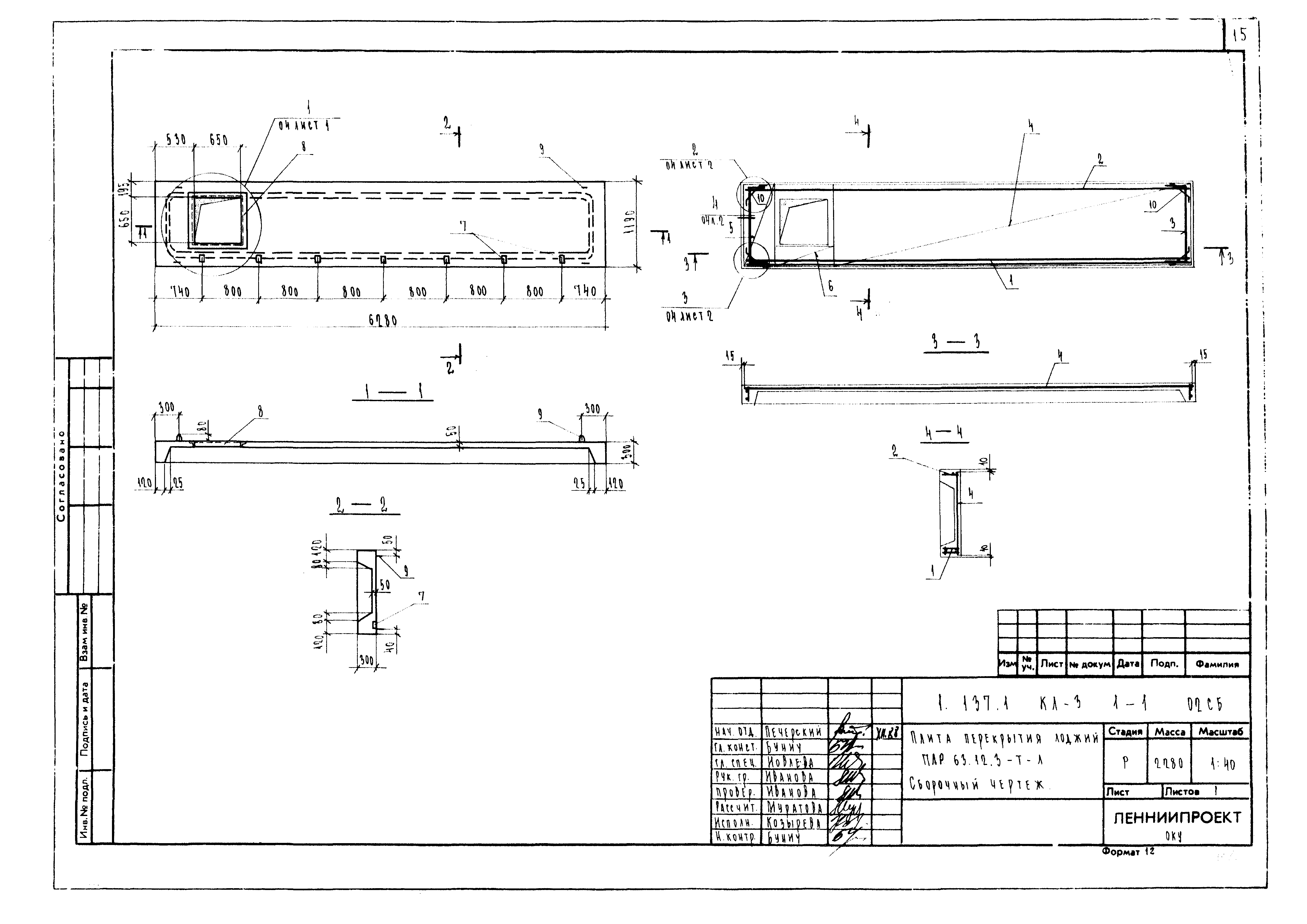
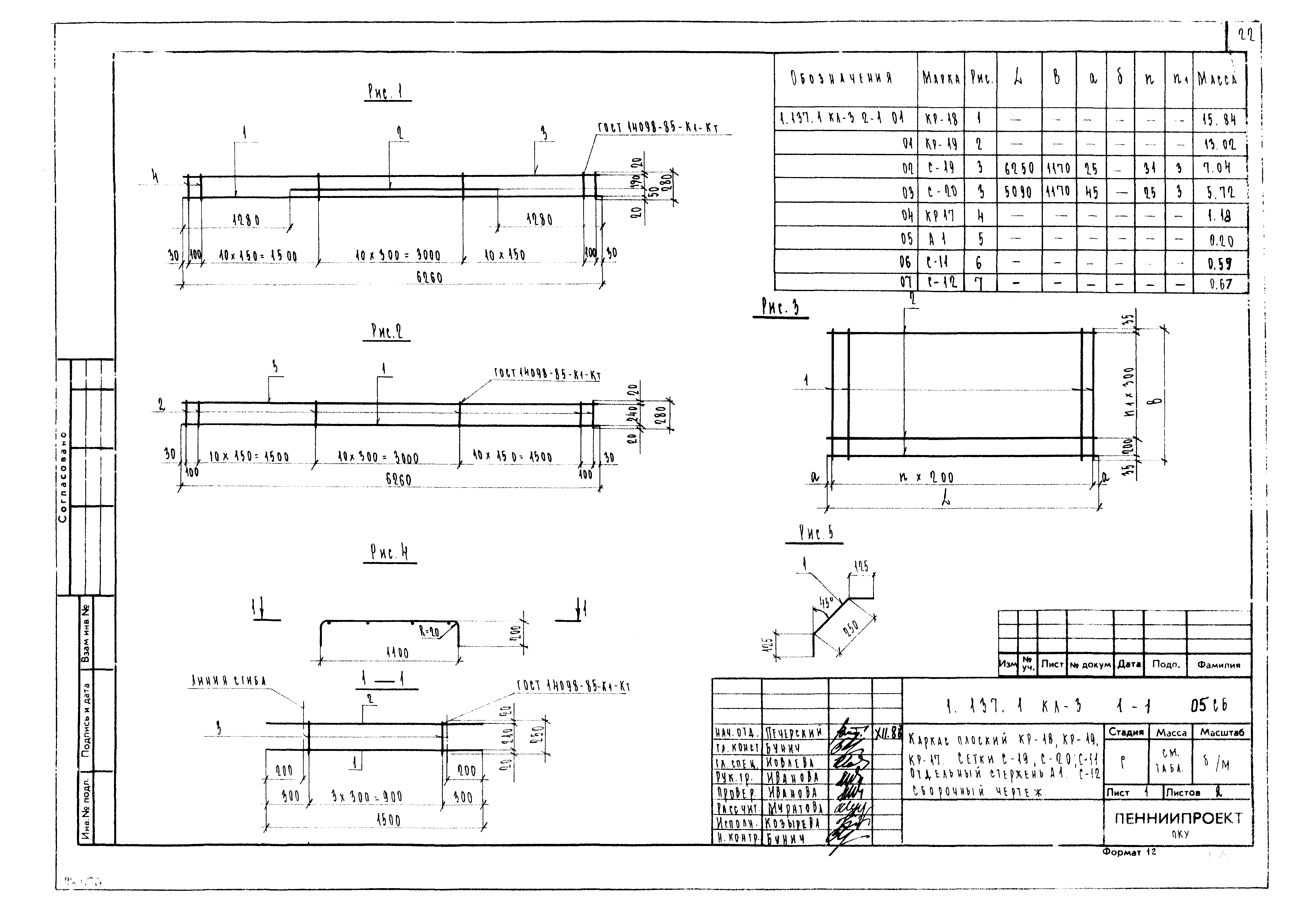
Скачать Серия 1.137.1 КЛ-3 Выпуск 1-1. Панели лоджий длиной 6280 мм, шириной 1490 мм с арматурой из стали АIII; BpIДата актуализации: 01.01.2021 Серия 1.137.1 КЛ-3
Выпуск 1-1. Панели лоджий длиной 6280 мм, шириной 1490 мм с арматурой из стали АIII; BpI| Обозначение: | Серия 1.137.1 КЛ-3 | | Обозначение англ: | Series 1.137.1 КЛ-3 | | Статус: | не действует | | Название рус.: | Выпуск 1-1. Панели лоджий длиной 6280 мм, шириной 1490 мм с арматурой из стали АIII; BpI | | Дата добавления в базу: | 01.09.2013 | | Дата актуализации: | 01.01.2021 | | Разработан: | Ленниипроект
| | Утверждён: | 26.12.1988 Ленниипроект (147-у)
|
                        
|