Скачать Серия 3.702-2/84 Выпуск 3. Металлические конструкции. Чертежи КМДата актуализации: 01.01.2021
|
| Обозначение: | Серия 3.702-2/84 |
| Обозначение англ: | Series 3.702-2/84 |
| Статус: | не определен законодательством |
| Название рус.: | Выпуск 3. Металлические конструкции. Чертежи КМ |
| Дата добавления в базу: | 01.09.2013 |
| Дата актуализации: | 01.01.2021 |
| Дата введения: | 01.06.1986 |
| Дата окончания срока действия: | 30.06.2003 |
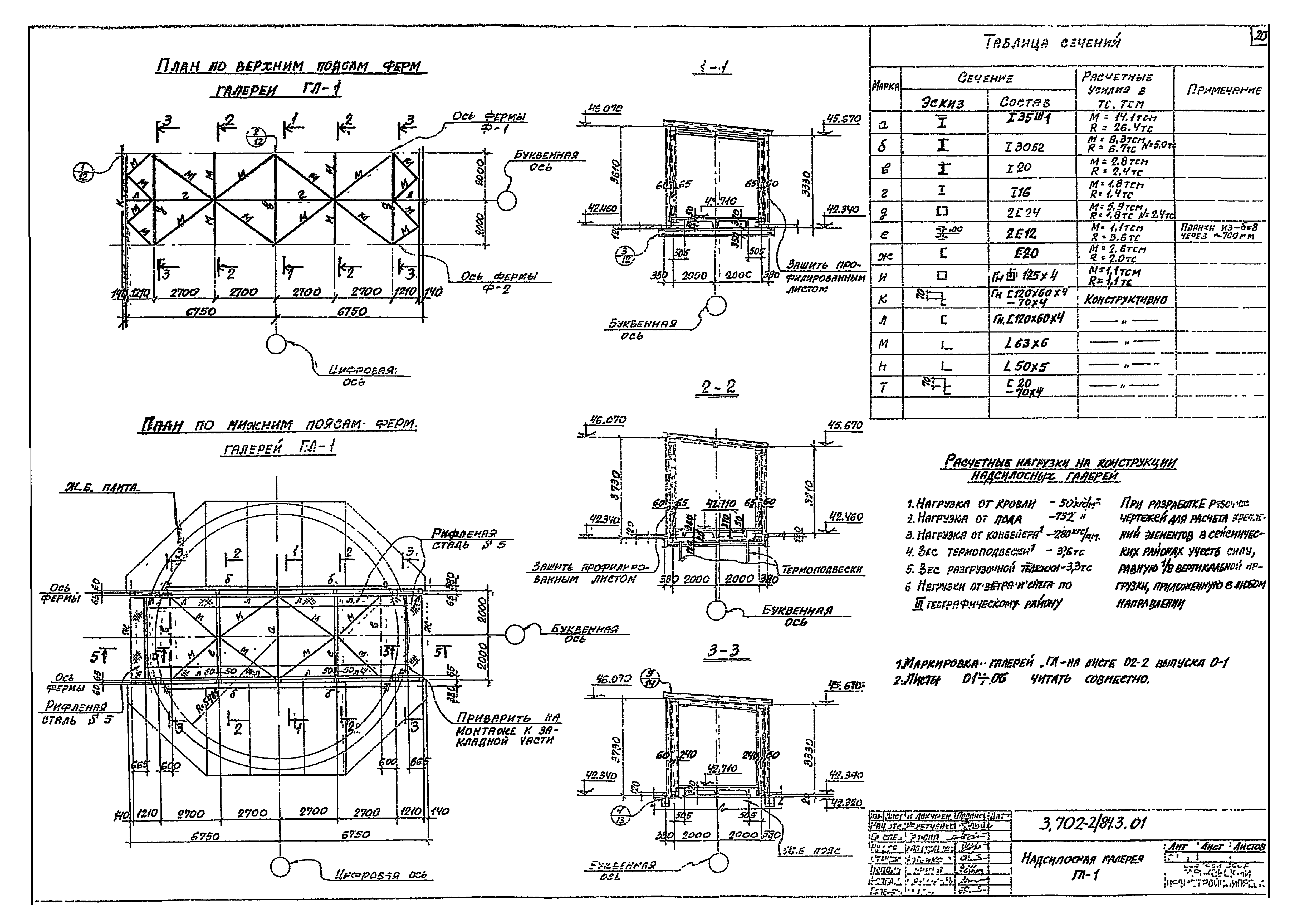
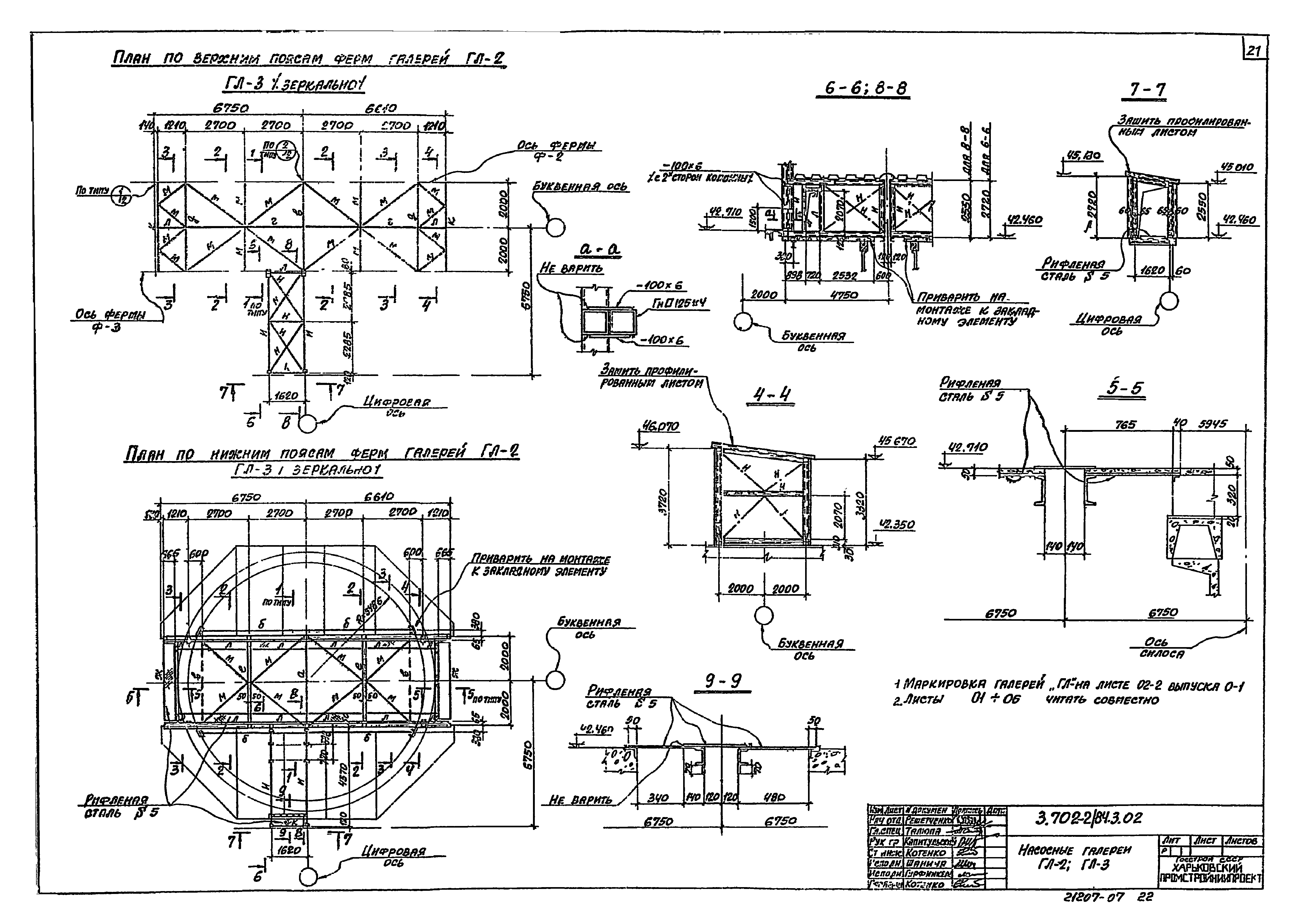
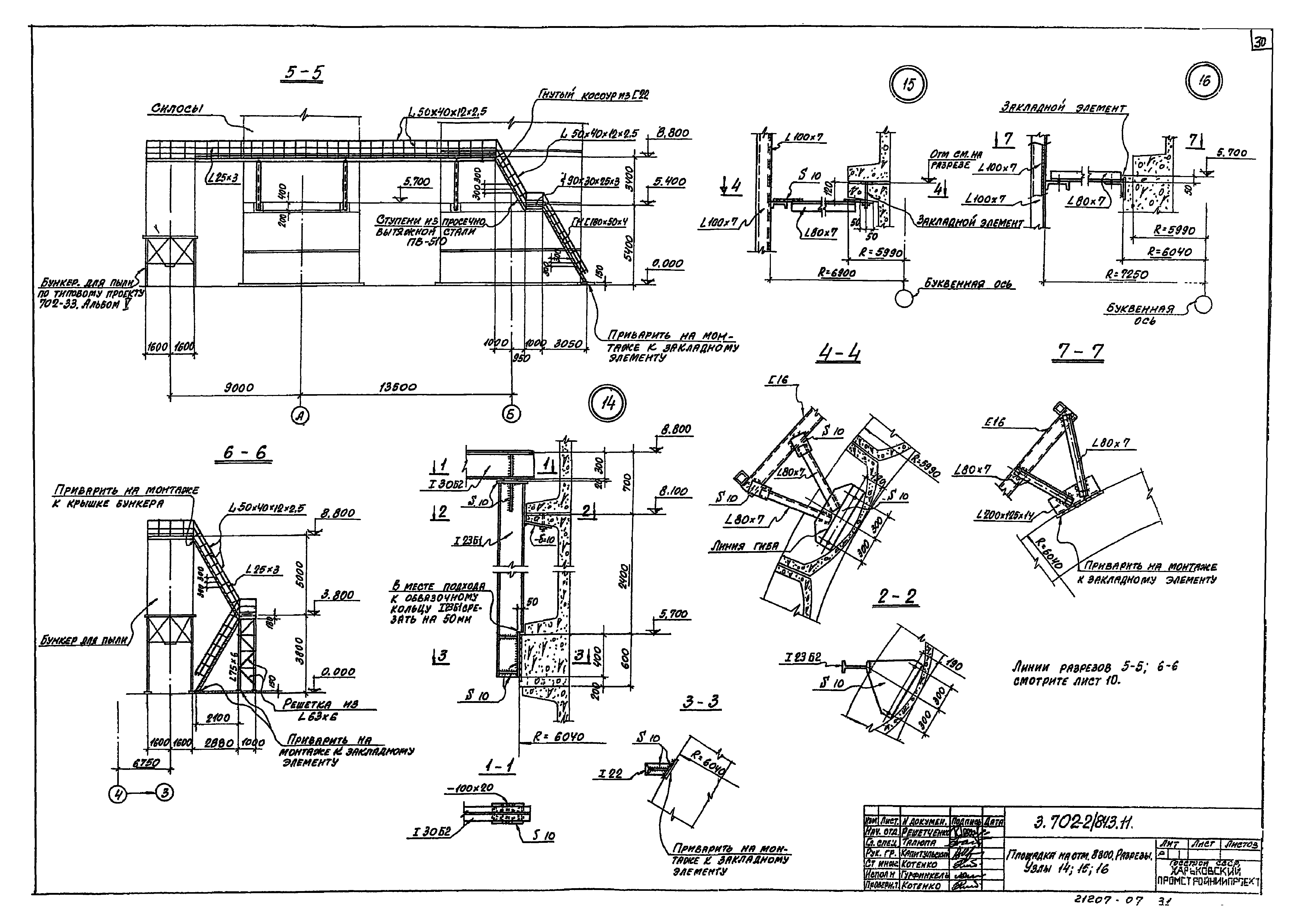
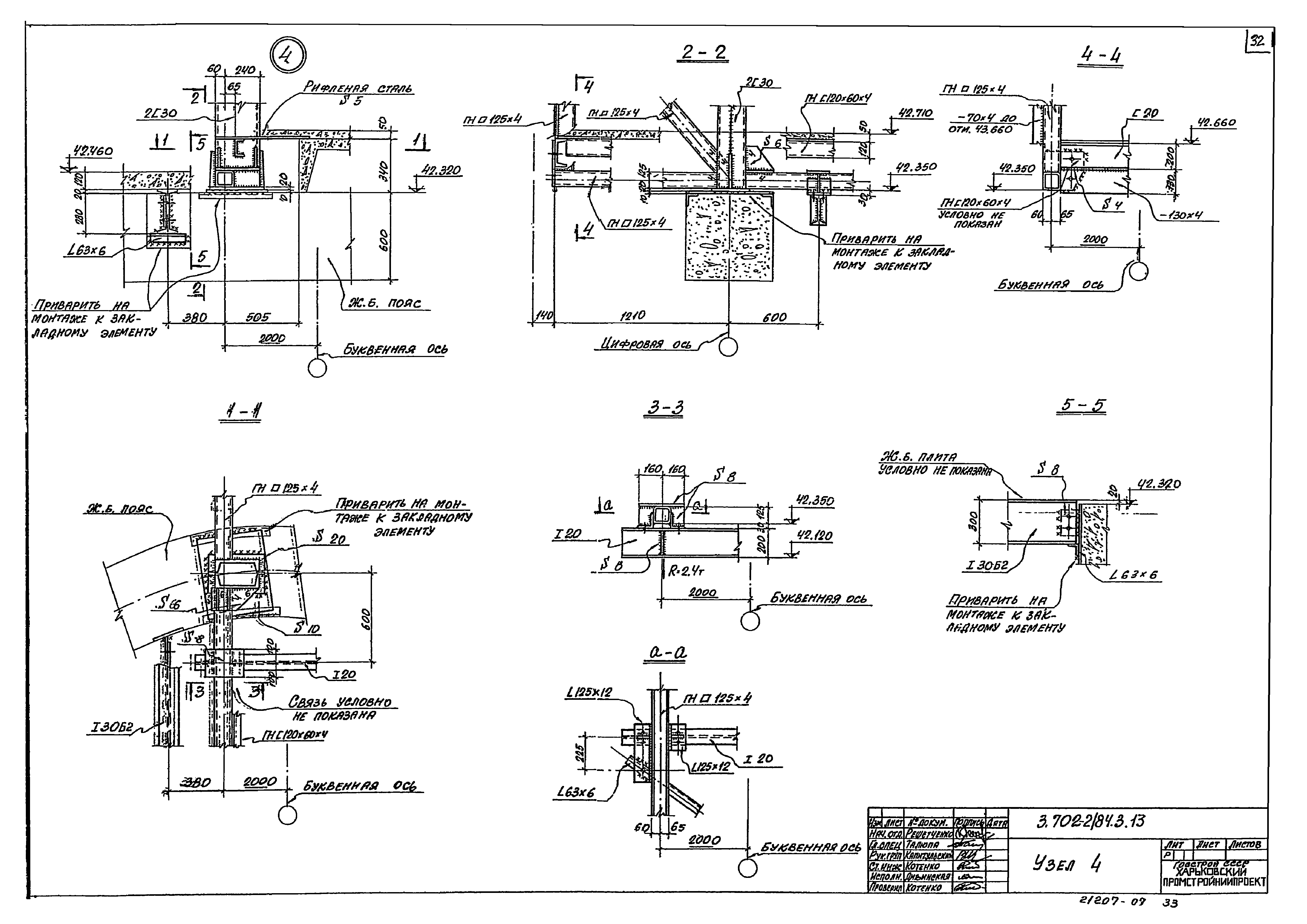
| Оглавление: | 3.702-2/84.3.00 Содержание 3.702-2/84.3.00 ПЗ Пояснительная записка 3.702-2/84.3.00 ВМС Техническая спецификация металла 3.702-2/84.3.01 Надсилосная галерея ГП-1 3.702-2/84.3.02 Надсилосные галереи ГП-2;ГП-3 3.702-2/84.3.03 Надсилосная галерея ГП-4. Схемы ферм 3.702-2/84.3.04 Надсилосные галереи ГП-5;ГП-6 3.702-2/84.3.05 Надсилосная галерея ГП-7 3.702-2/84.3.06 Надсилосные галереи ГП-8;ГП-9. Переходной мостик М-1 3.702-2/84.3.07 Схема воронки и разгрузочной трубы 3.702-2/84.3.08 Монорельс и стремянка 3.702-2/84.3.09 Наружная лестница 3.702-2/84.3.10 Площадка на отт. 8.800 3.702-2/84.3.11 Площадка на отт. 8.800. Разрезы. Узлы 14,15,16 3.702-2/84.3.12 Узлы 1;2;3 3.702-2/84.3.13 Узел 4 3.702-2/84.3.14 Узлы 5;6;7;8 3.702-2/84.3.15 Узлы 9;10;11;12;13 3.702-2/84.3.16 Обвязочное кольцо воронки |
| Разработан: | ЦНИИСК им. В.А. Кучеренко Харьковский Промстройниипроект НИИЖБ Харьковский Промзернопроект |
| Утверждён: | 05.03.1986 Госстрой СССР (Государственный комитет Совета Министров СССР по делам строительства) (USSR Gosstroy 25) |


































