Скачать Серия 3.900.9-13 Выпуск 0. Материалы для проектированияДата актуализации: 01.01.2021
|
| Обозначение: | Серия 3.900.9-13 |
| Обозначение англ: | Series 3.900.9-13 |
| Статус: | не определен законодательством |
| Название рус.: | Выпуск 0. Материалы для проектирования |
| Дата добавления в базу: | 01.09.2013 |
| Дата актуализации: | 01.01.2021 |
| Дата введения: | 01.01.1990 |
| Дата окончания срока действия: | 30.06.2003 |
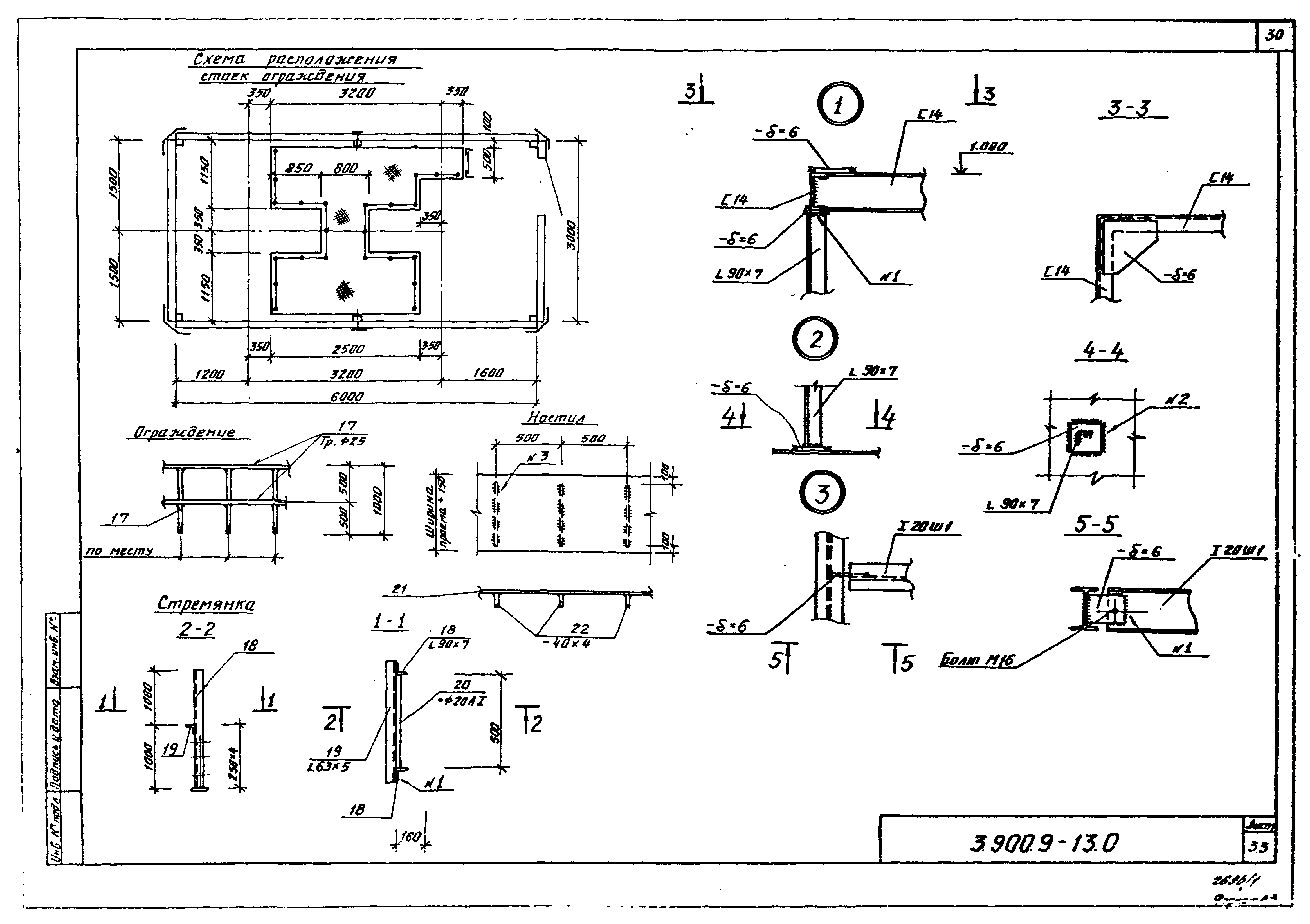
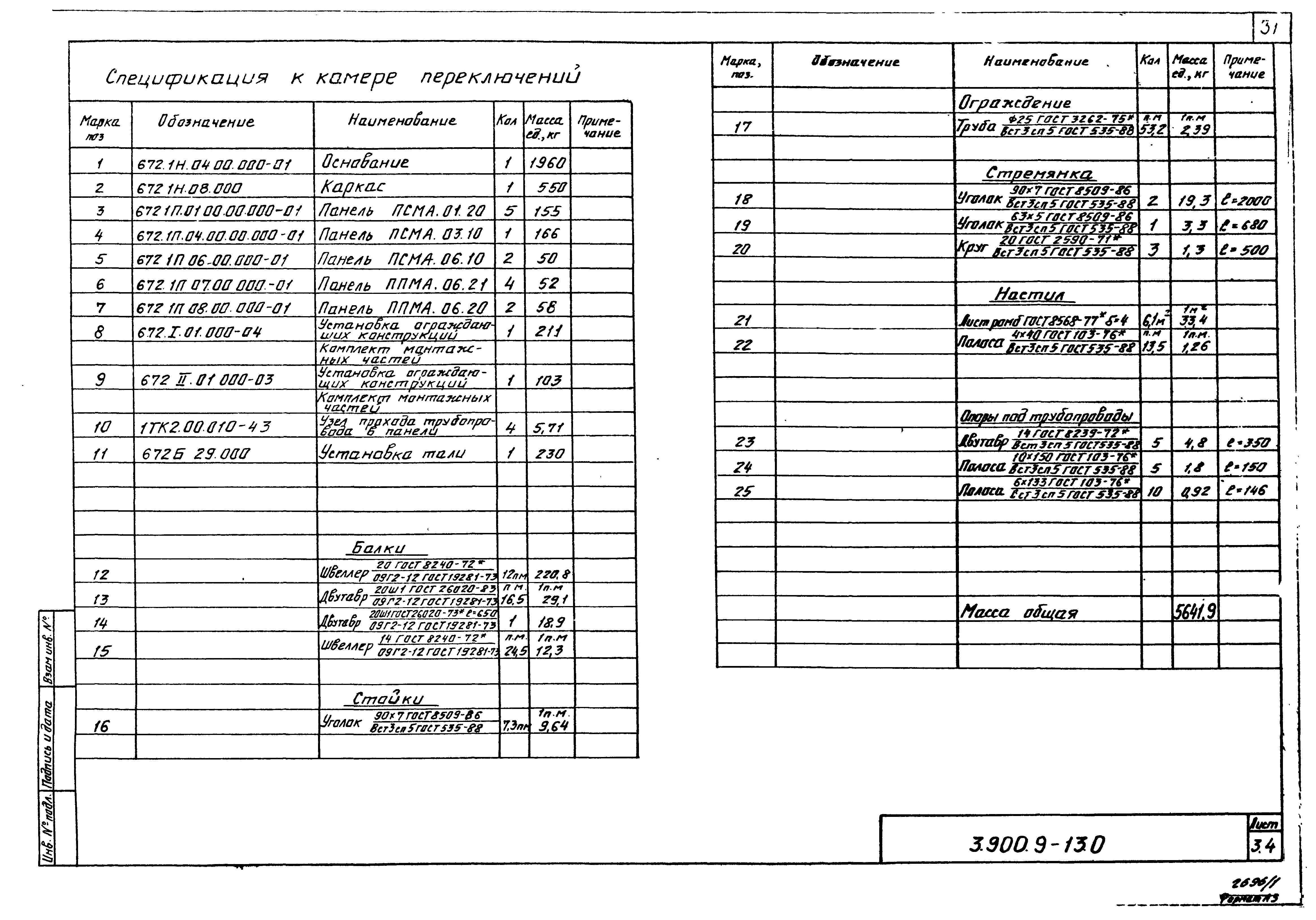
| Оглавление: | 3.900.9-13.0 Содержание 3.900.9-13.0-ПЗ Пояснительная записка 3.900.9-13.0-1 Таблицы для подбора опор 3.900.9-13.0-2 Пример компоновки технологического оборудования камеры переключения 3.900.9-13.0-3 Пример строительного решения камеры переключения 3.900.9-13.0-4 Пример компоновки технологического оборудования камер опорожнения и выпуска воздуха 3.900.9-13.0-5 Пример строительного решения камеры выпуска воздуха 3.900.9-13.0-5 Пример строительного решения камеры опорожнения |
| Разработан: | ЛенЗНИИЭП Госгражданстроя Ленинградский Водоканалпроект |
| Утверждён: | 04.12.1989 СоюзводоканалНИИпроект (SoyuzvodokanalNIIproject 108) |
| Издан: | ЦИТП Госстроя СССР (CITP, Gosstroy (USSR) 1990 г. ) |


































