Скачать Серия 1.125 КЛ-3 Выпуск 2-1. Арматурные изделияДата актуализации: 01.01.2021
|
| Обозначение: | Серия 1.125 КЛ-3 |
| Обозначение англ: | Series 1.125 КЛ-3 |
| Статус: | действует |
| Название рус.: | Выпуск 2-1. Арматурные изделия |
| Дата добавления в базу: | 01.09.2013 |
| Дата актуализации: | 01.01.2021 |
| Дата введения: | 27.12.1982 |
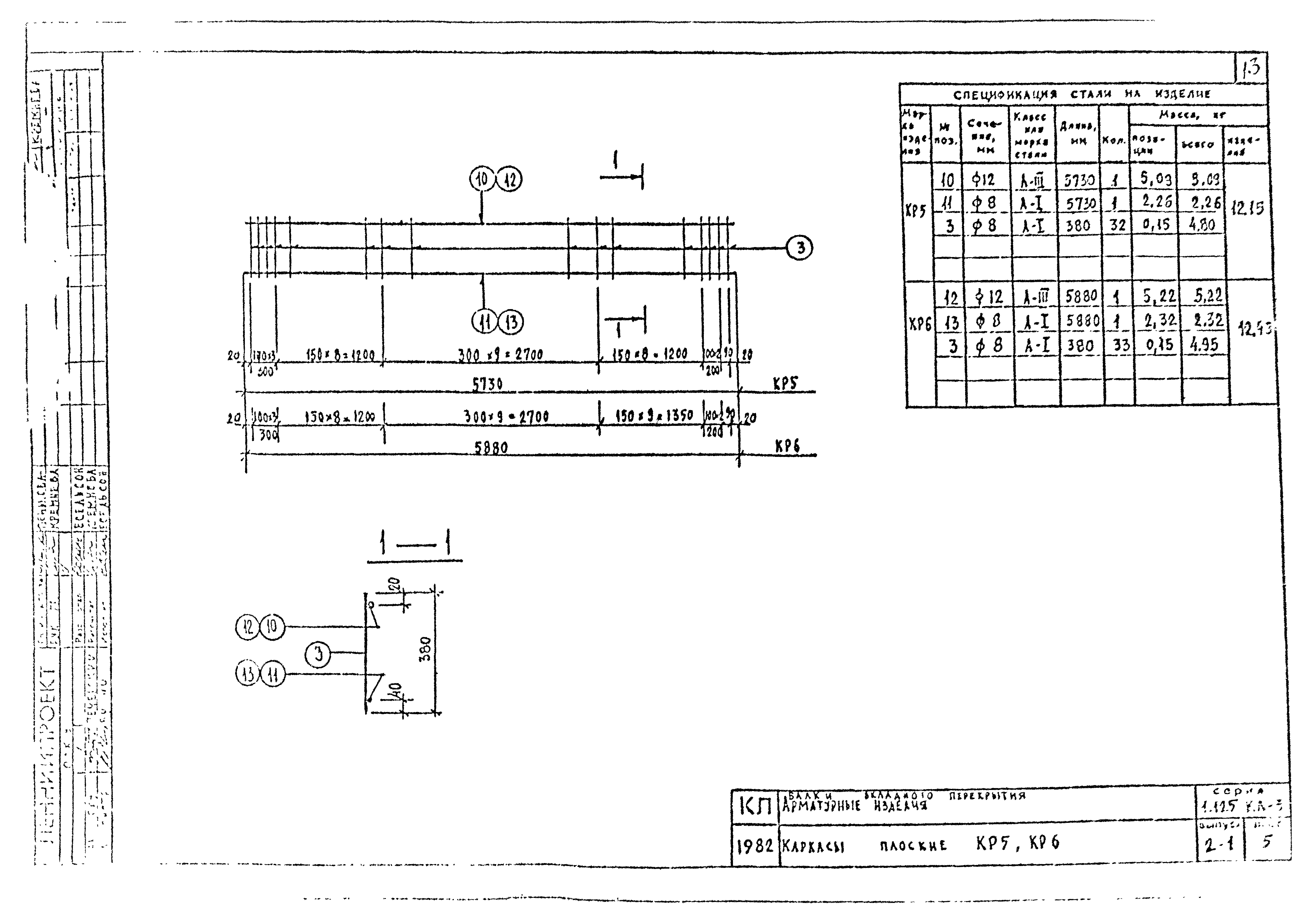
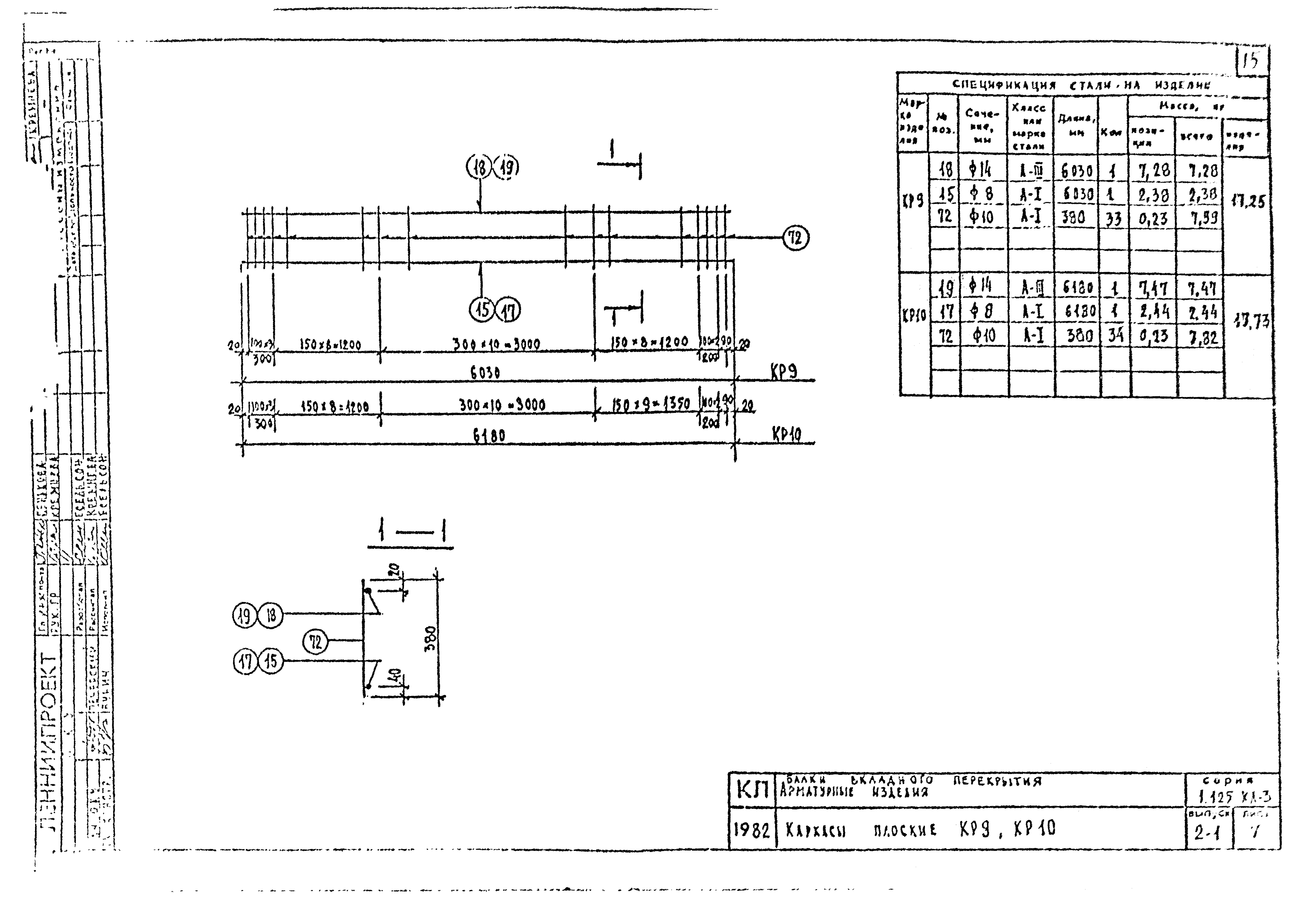
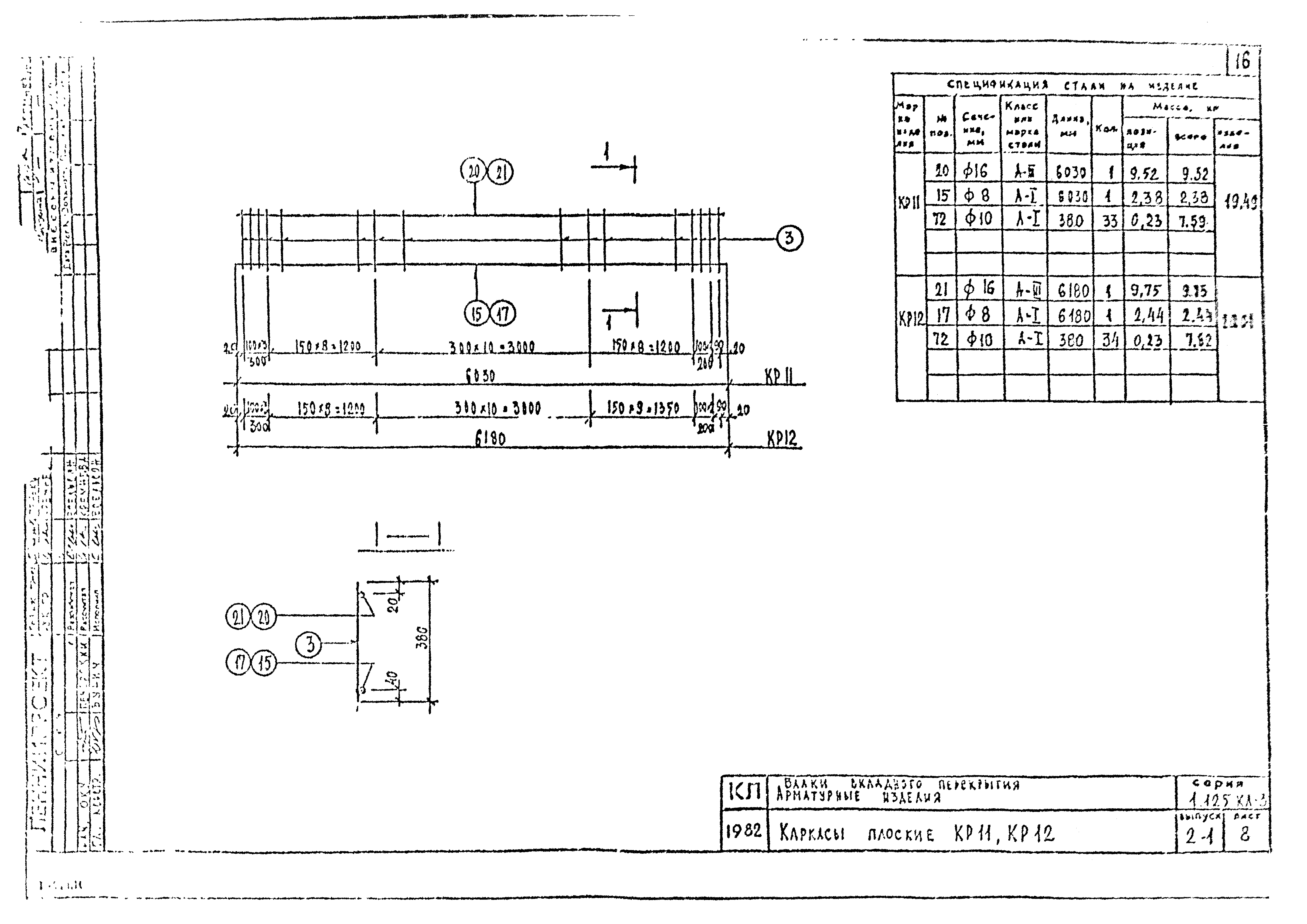
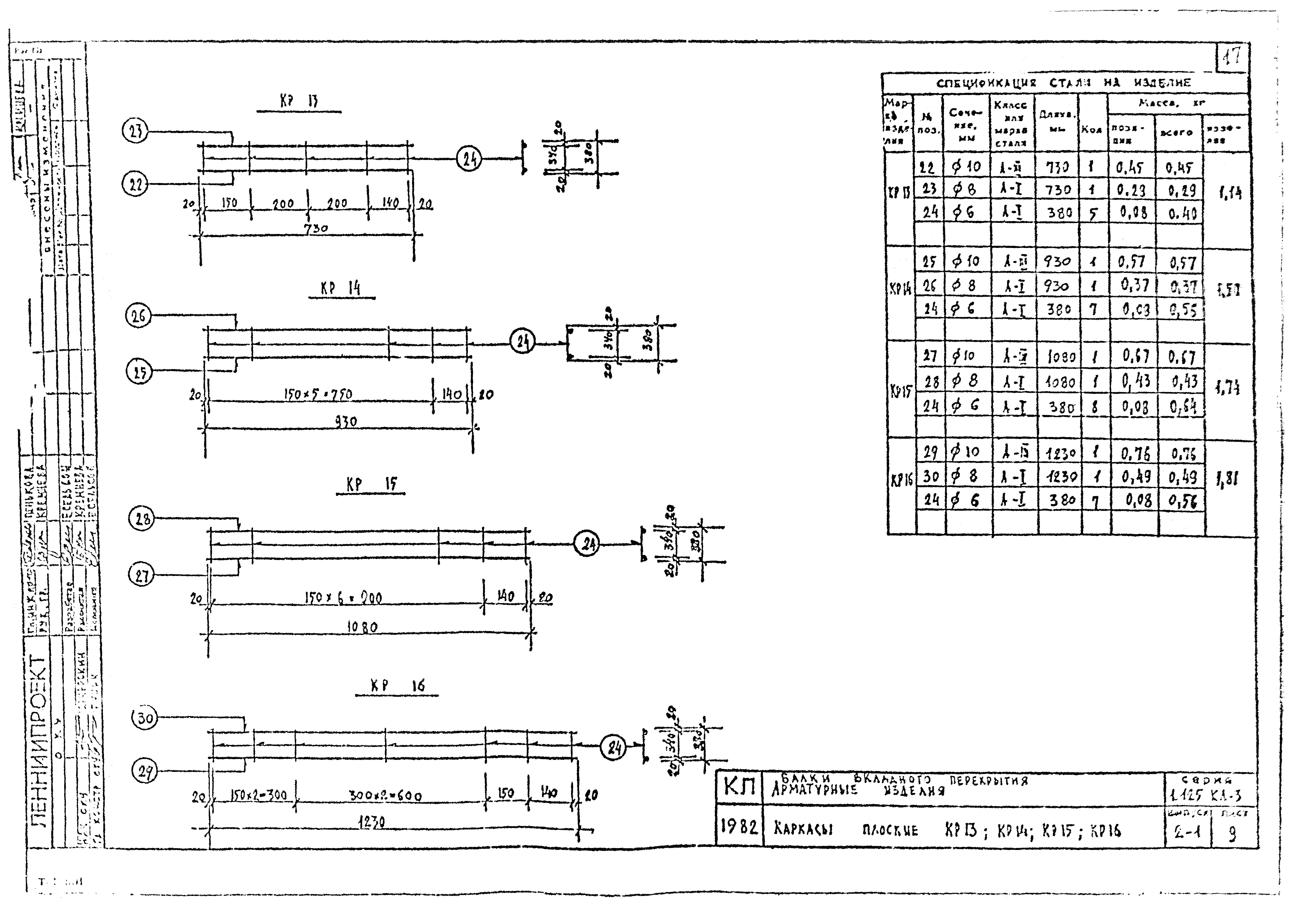
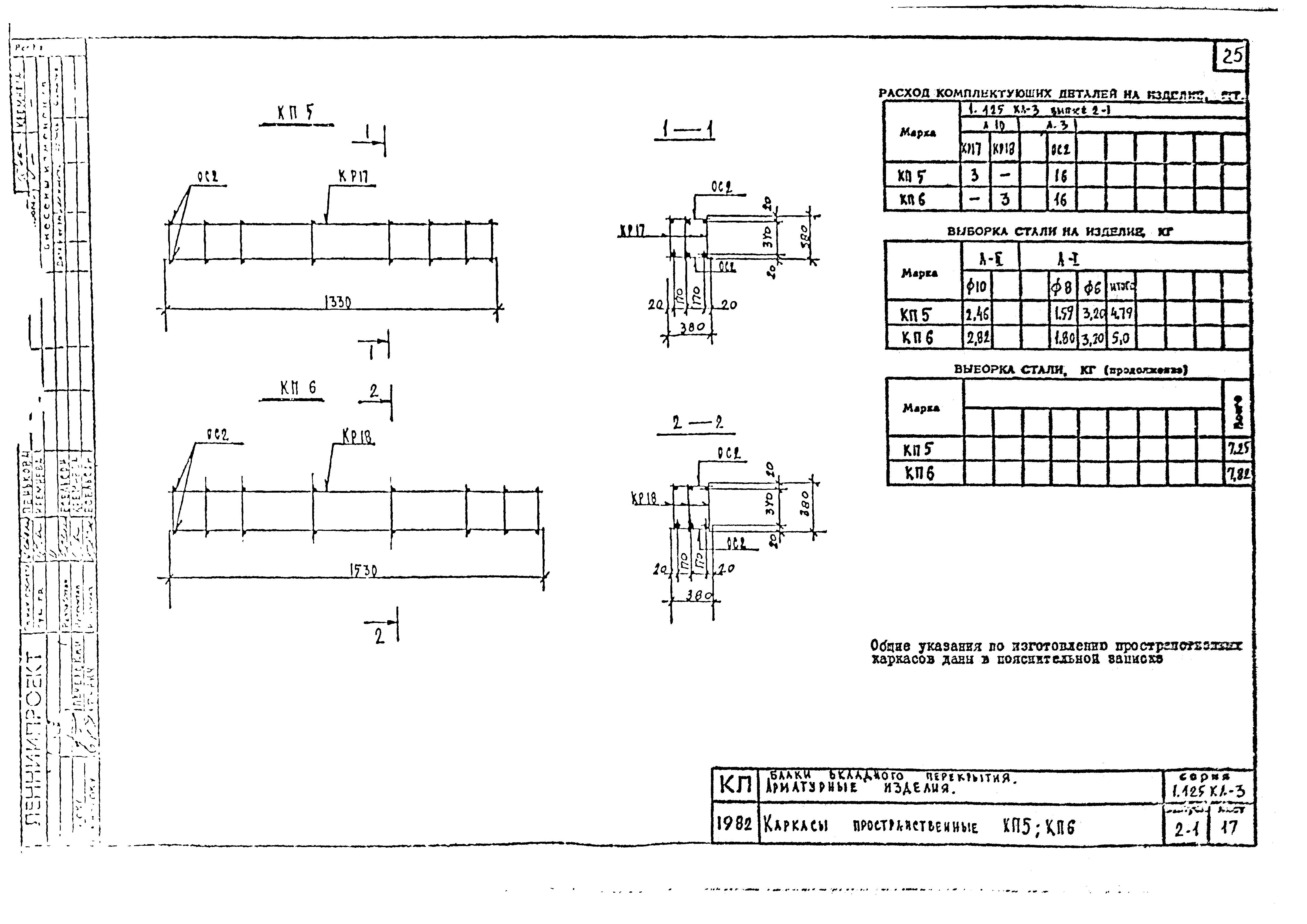
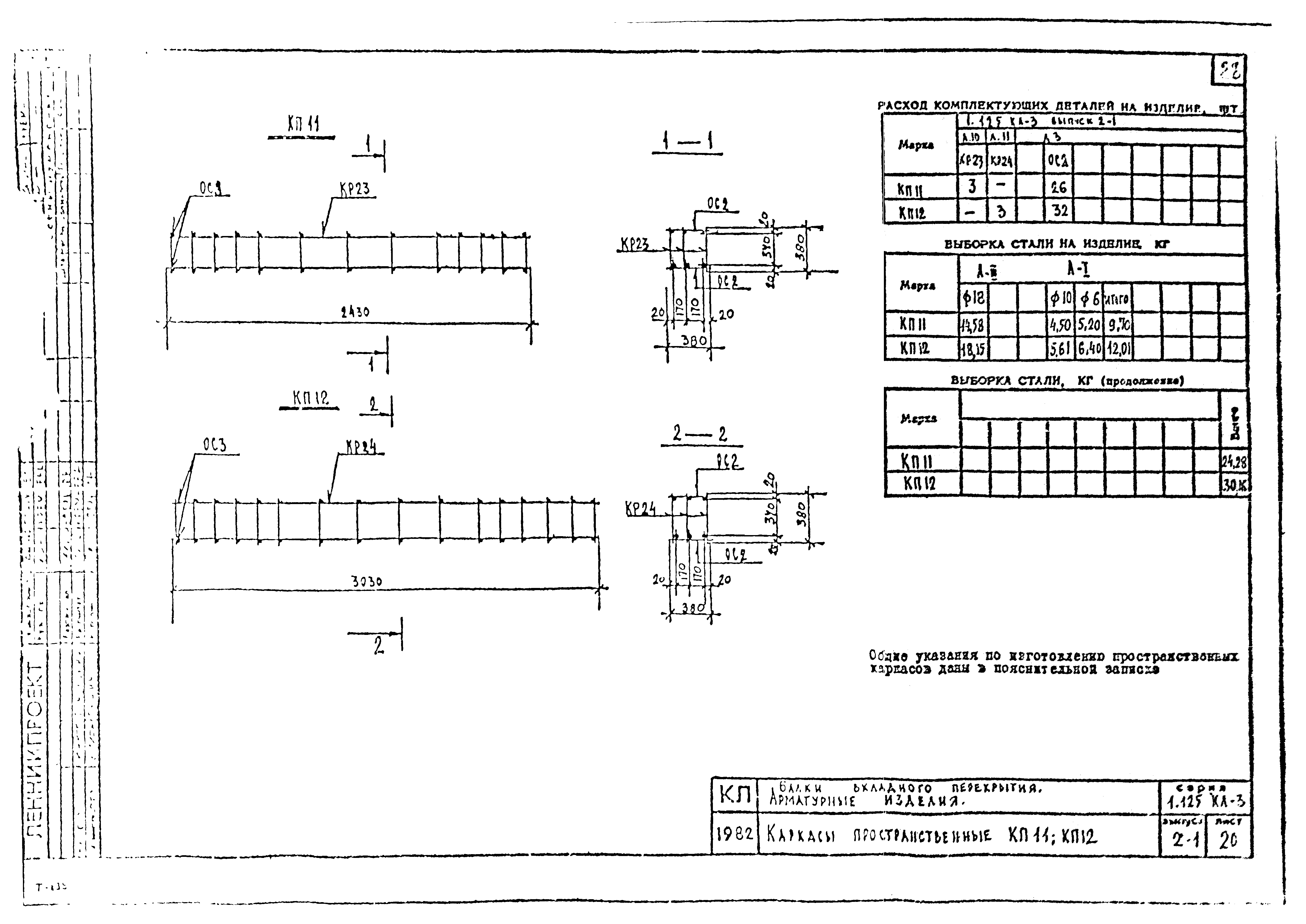
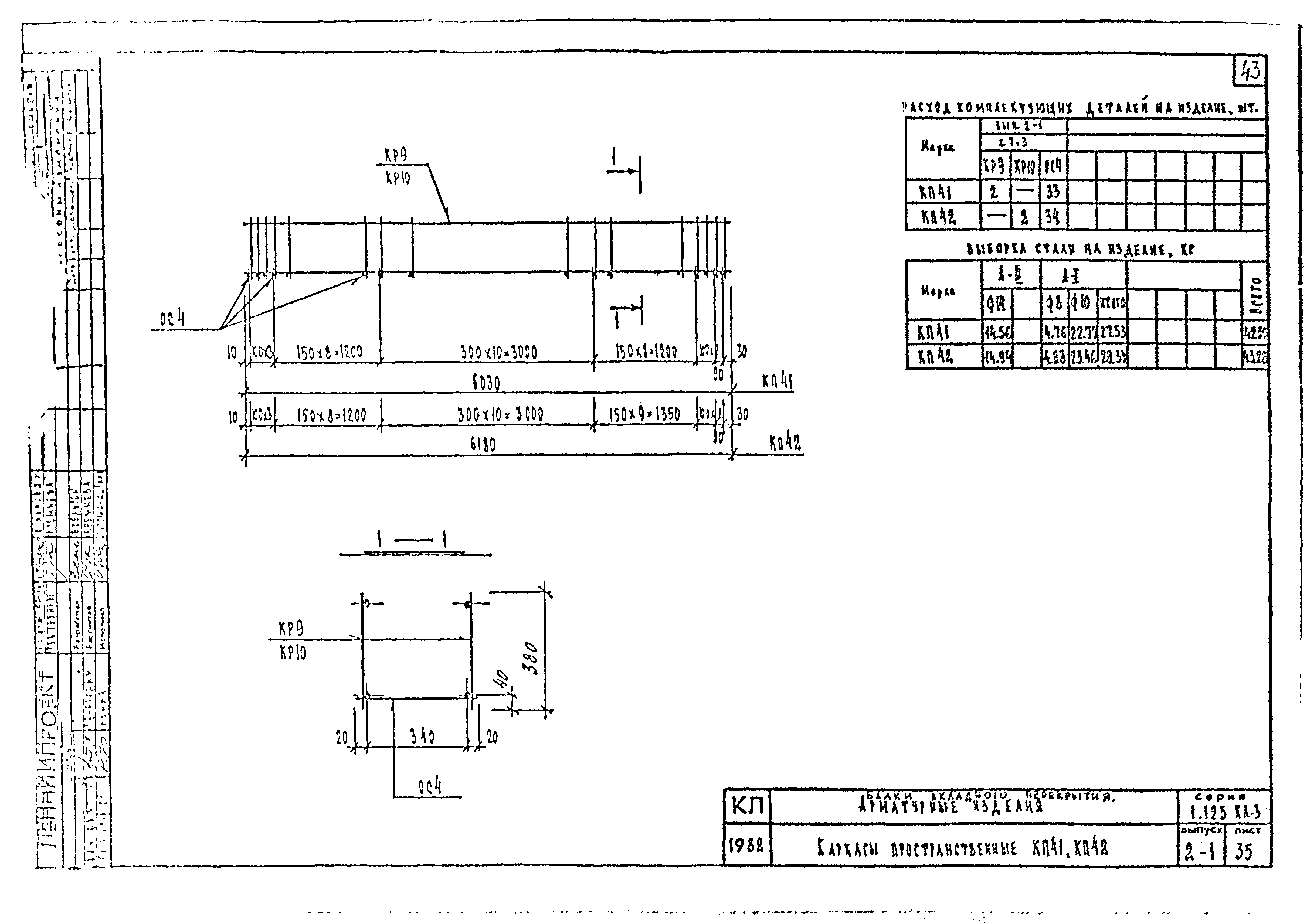
| Оглавление: | Титульный лист Информационная карта Состав серии Содержание Пояснительная записка Стержни напрягаемые из стали класса А-IV Стержни напрягаемые из стали класса Ат-V Каркасы плоские КР1, КР2. Отдельные стержни ОС1 - ОС5 Каркасы плоские КР3, КР4 Каркасы плоские КР5, КР6 Каркасы плоские КР7, КР8 Каркасы плоские КР9, КР10 Каркасы плоские КР11, КР12 Каркасы плоские КР13, КР14, КР15, КР16 Каркасы плоские КР17, КР18, КР19, КР20, КР21, КР22, КР23 Каркасы плоские КР24, КР25, КР26, КР27, КР28, КР29, КР30 Каркасы плоские КР31, КР32, КР33, КР34, КР35 Каркасы плоские КР36, КР37, КР38 Каркасы плоские КР39, КР40, КР41, КР42, КР43, КР44 Каркасы пространственные КП1, КП2 Каркасы пространственные КП3, КП4 Каркасы пространственные КП5, КП6 Каркасы пространственные КП7, КП8 Каркасы пространственные КП9, КП10 Каркасы пространственные КП11, КП12 Каркасы пространственные КП13, КП14 Каркасы пространственные КП15, КП16 Каркасы пространственные КП17, КП18 Каркасы пространственные КП19, КП20 Каркасы пространственные КП21, КП22 Каркасы пространственные КП23, КП24 Каркасы пространственные КП25, КП26 Каркасы пространственные КП27, КП28 Каркасы пространственные КП29, КП30 Каркасы пространственные КП31, КП32 Каркасы пространственные КП33, КП34 Каркасы пространственные КП35, КП36 Каркасы пространственные КП37, КП38 Каркасы пространственные КП39, КП40 Каркасы пространственные КП41, КП42 Каркасы пространственные КП43, КП44 |
| Разработан: | Ленниипроект |
| Утверждён: | 27.12.1982 Ленниипроект (364) |










































