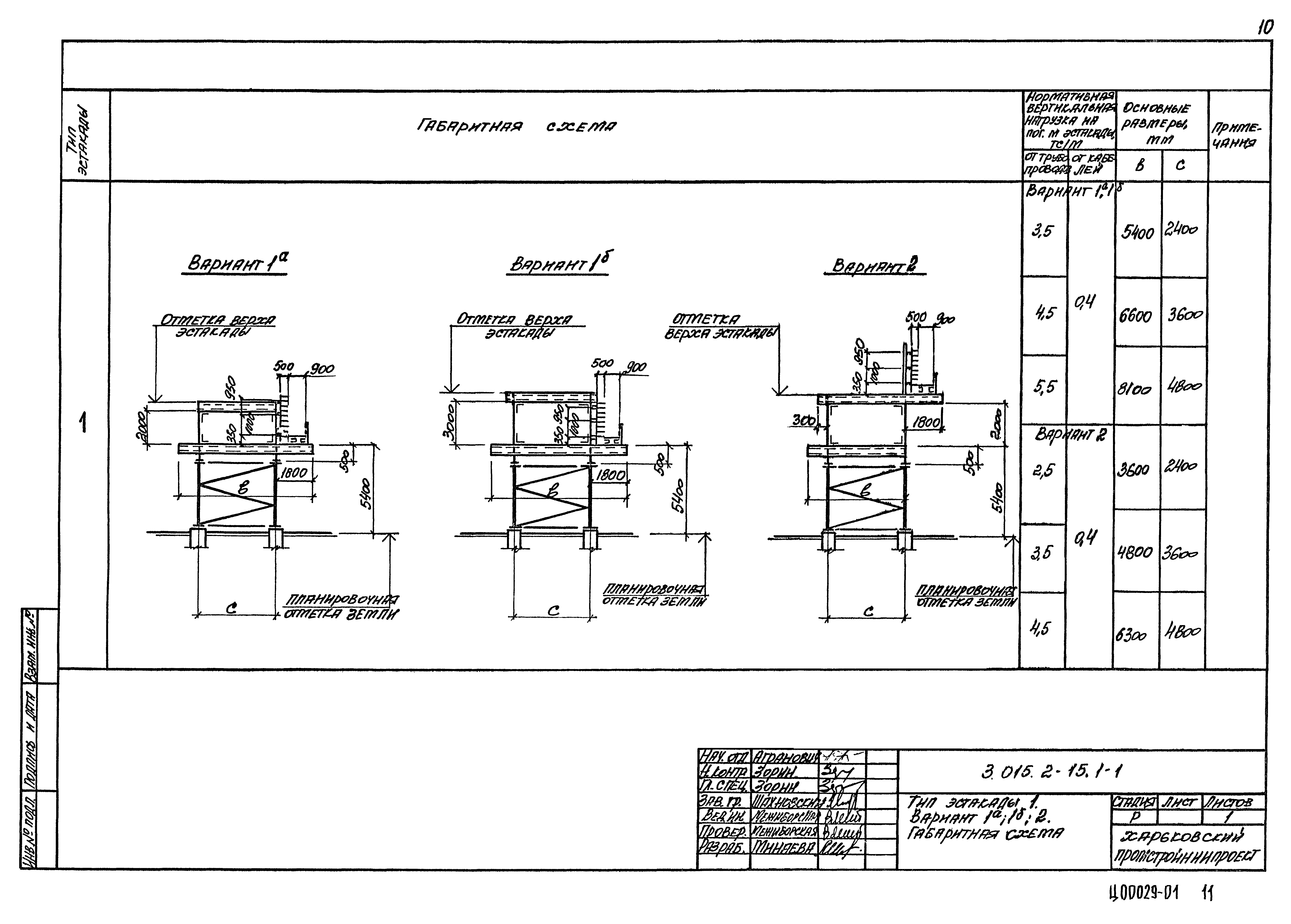
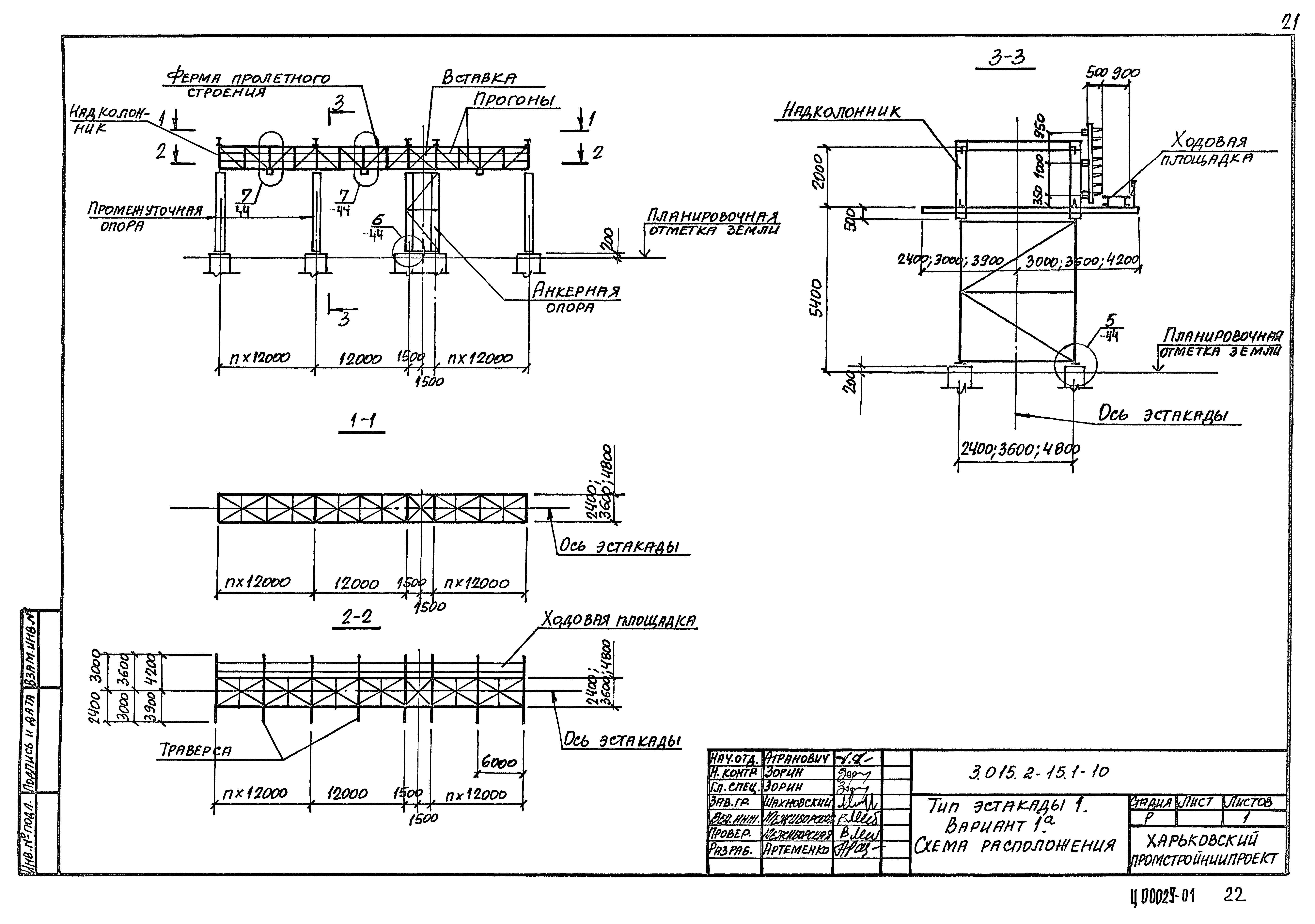
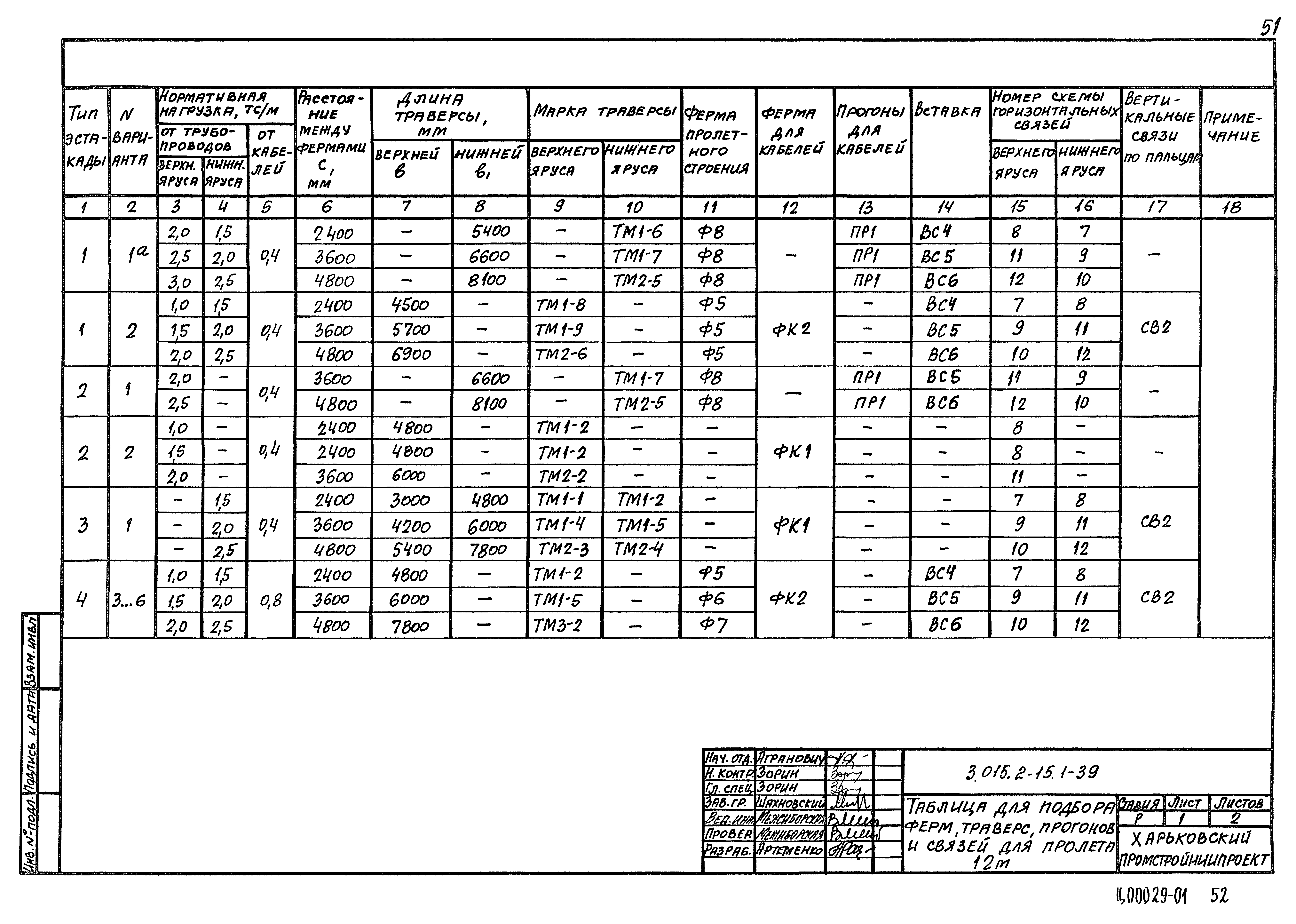
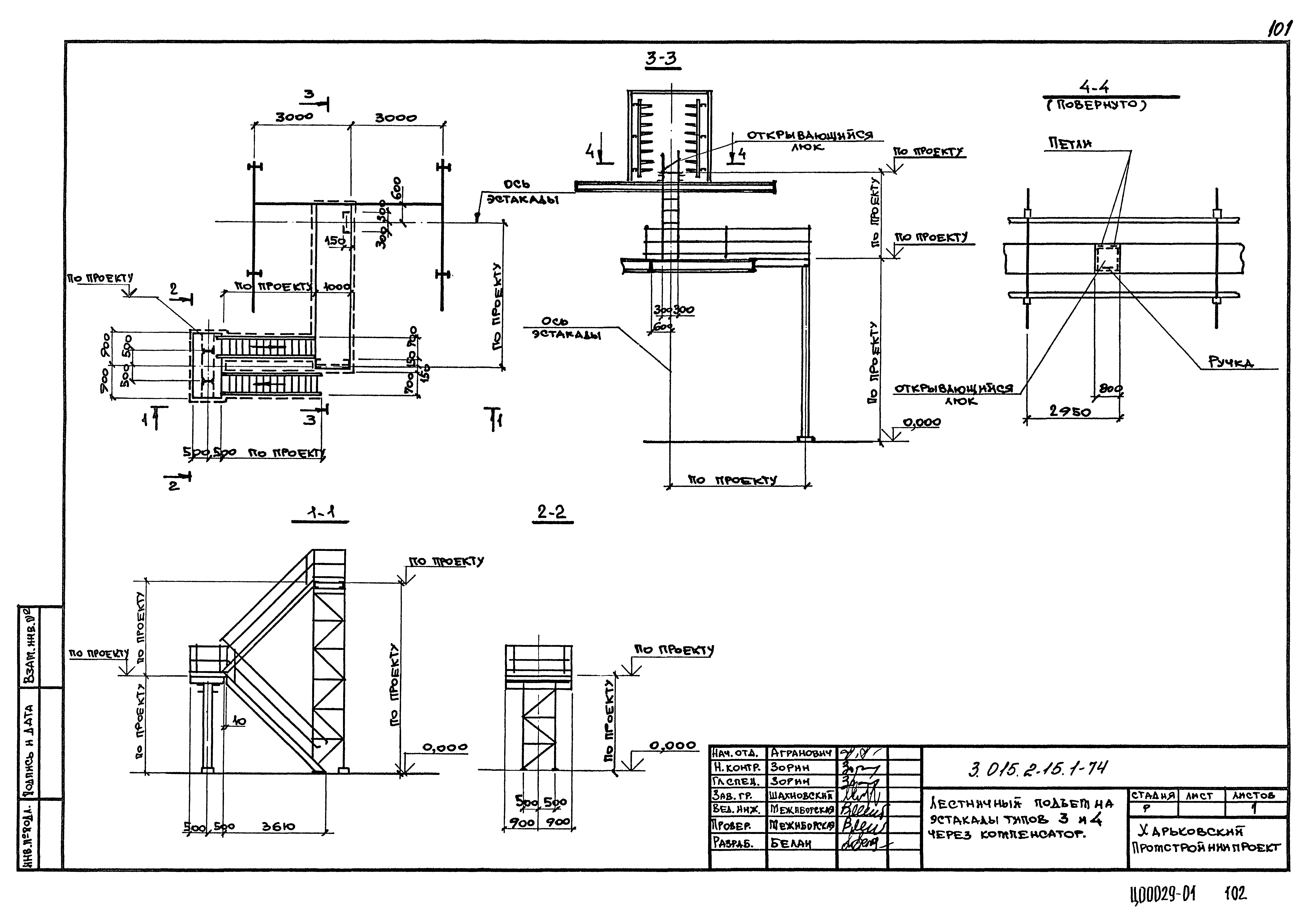
Скачать Серия 3.015.2-15 Выпуск 1. Общие материалы для проектированияДата актуализации: 01.01.2021
|
| Обозначение: | Серия 3.015.2-15 |
| Обозначение англ: | Series 3.015.2-15 |
| Статус: | не определен законодательством |
| Название рус.: | Выпуск 1. Общие материалы для проектирования |
| Дата добавления в базу: | 01.09.2013 |
| Дата актуализации: | 01.01.2021 |
| Дата введения: | 01.01.1993 |
| Дата окончания срока действия: | 30.06.2003 |
| Разработан: | Харьковский Промстройниипроект ВНИИПроектэлектромонтаж |
| Утверждён: | 12.11.1992 Минстрой России (Russian Federation Minstroy 9-1/350) |















































































































