Скачать Серия 3.015.2-15 Выпуск 3. Изделия металлические. Рабочие чертежиДата актуализации: 01.01.2021
|
| Обозначение: | Серия 3.015.2-15 |
| Обозначение англ: | Series 3.015.2-15 |
| Статус: | не определен законодательством |
| Название рус.: | Выпуск 3. Изделия металлические. Рабочие чертежи |
| Дата добавления в базу: | 01.09.2013 |
| Дата актуализации: | 01.01.2021 |
| Дата введения: | 01.01.1993 |
| Дата окончания срока действия: | 30.06.2003 |
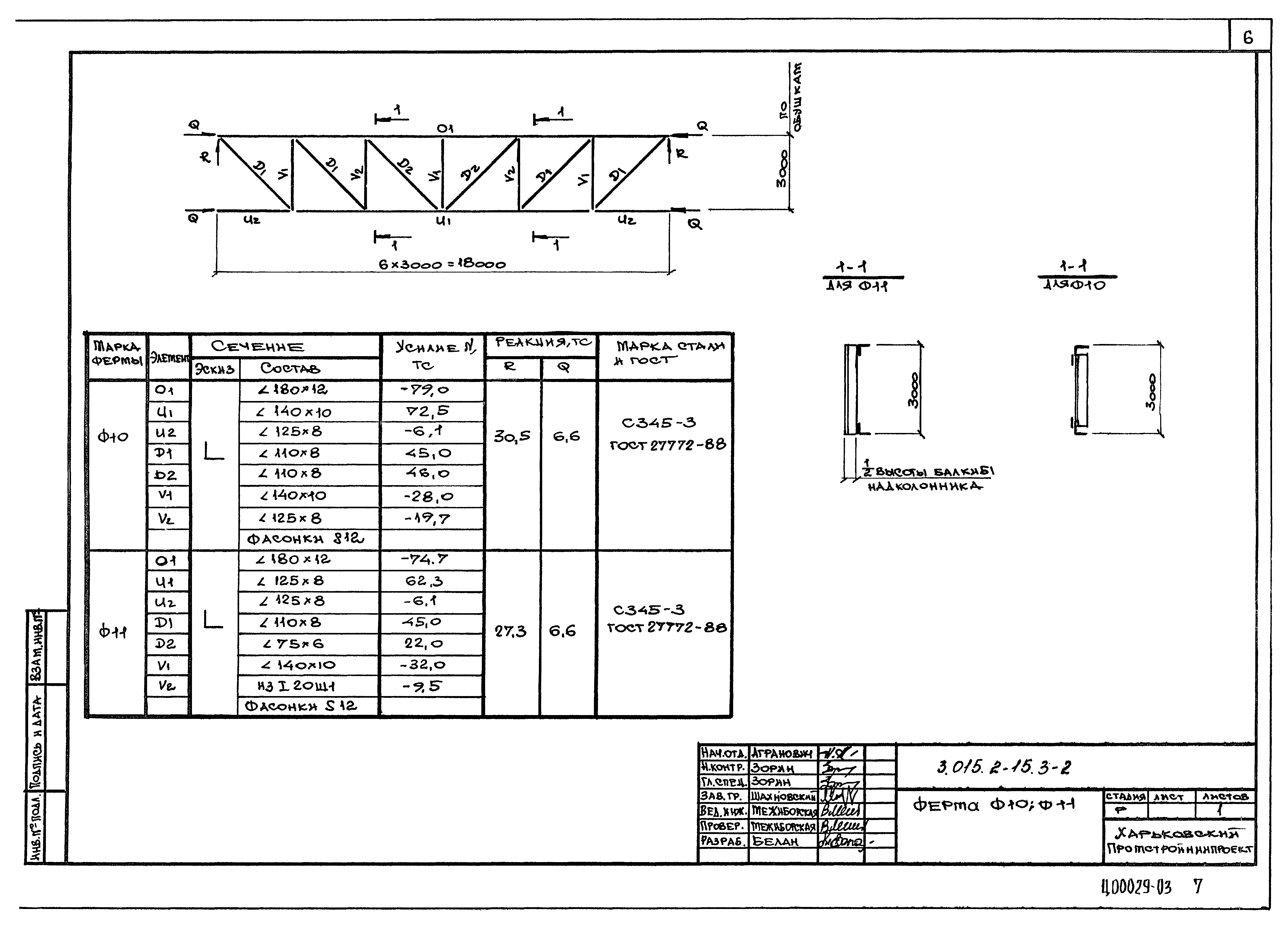
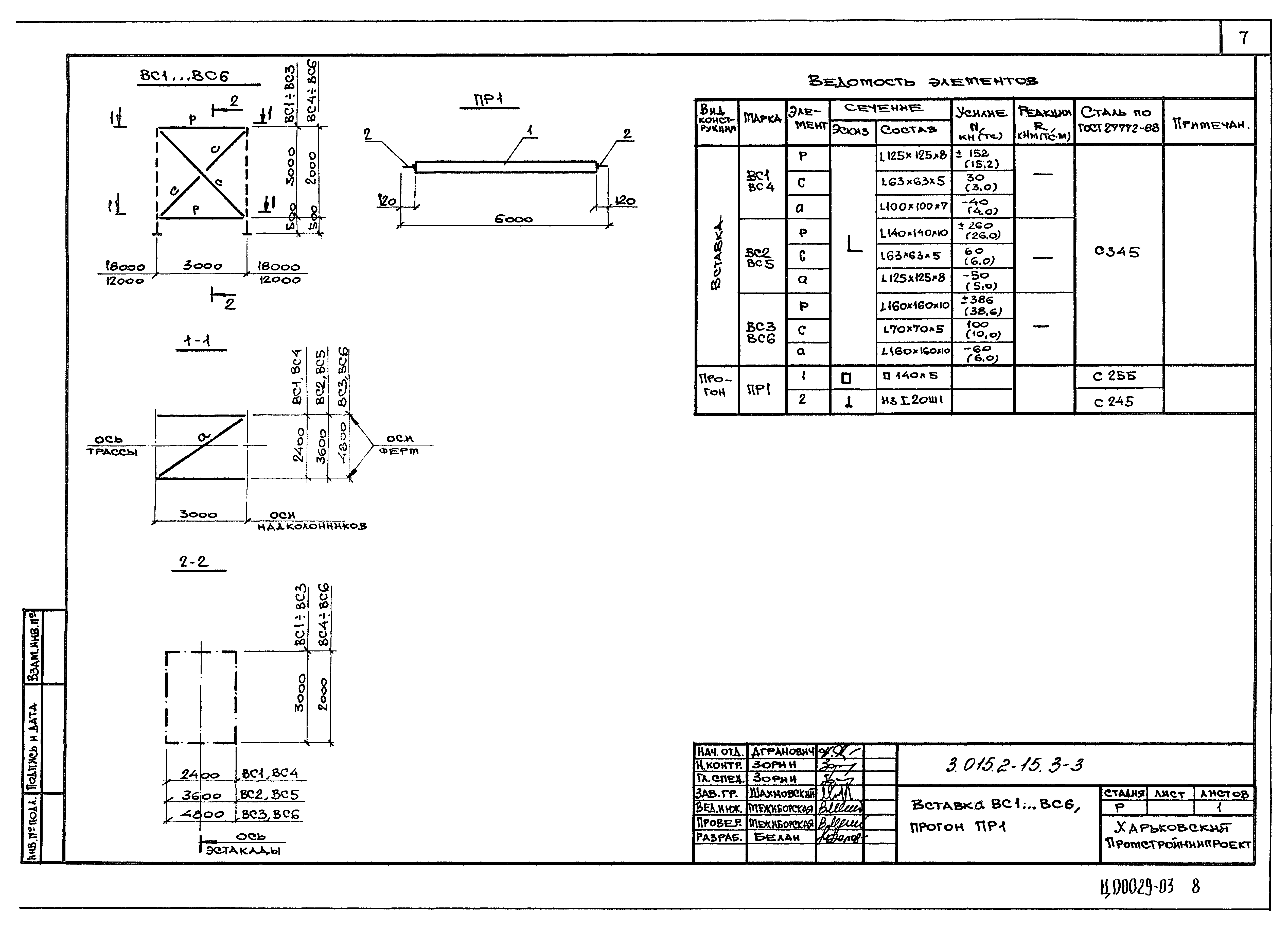
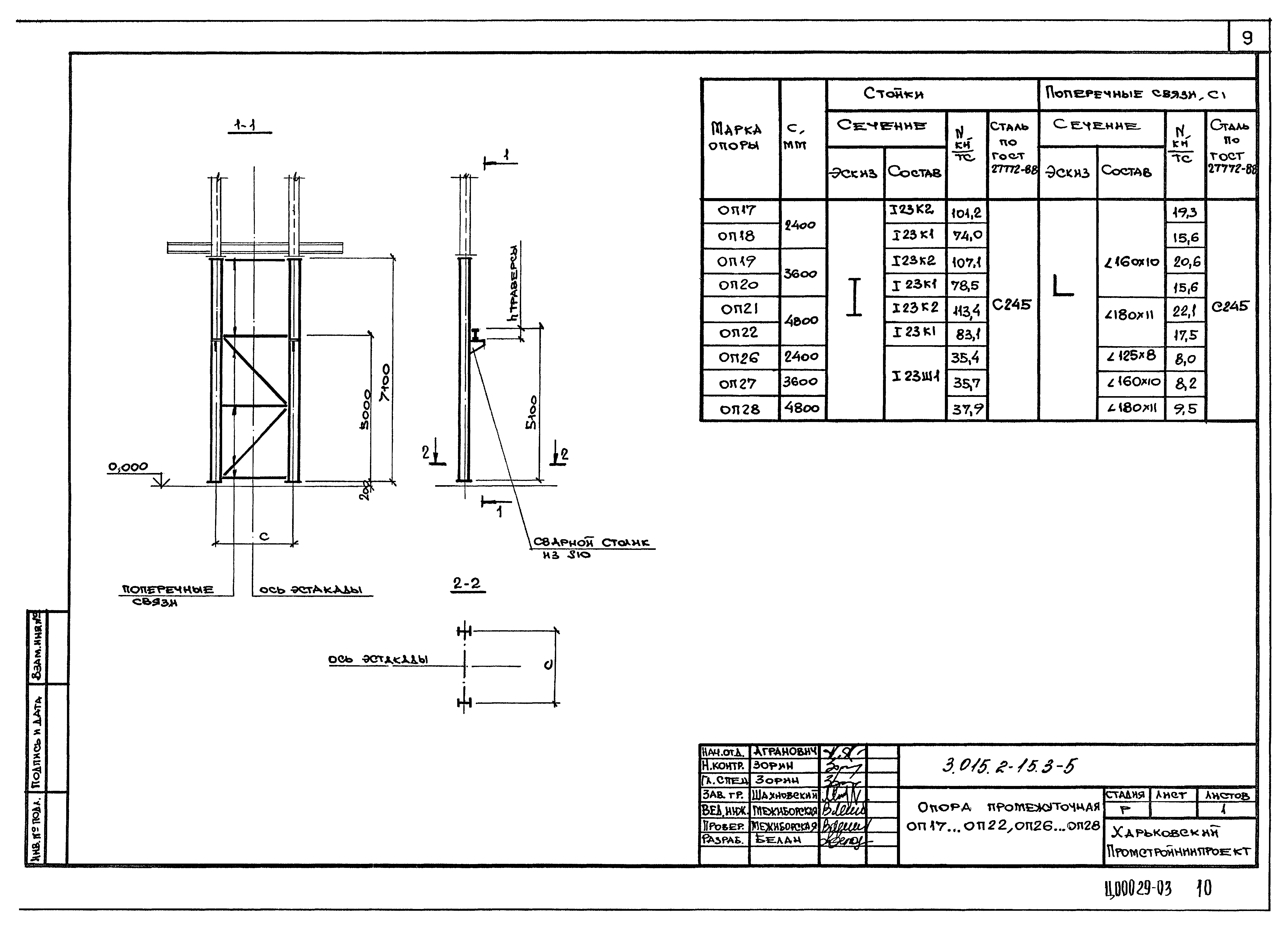
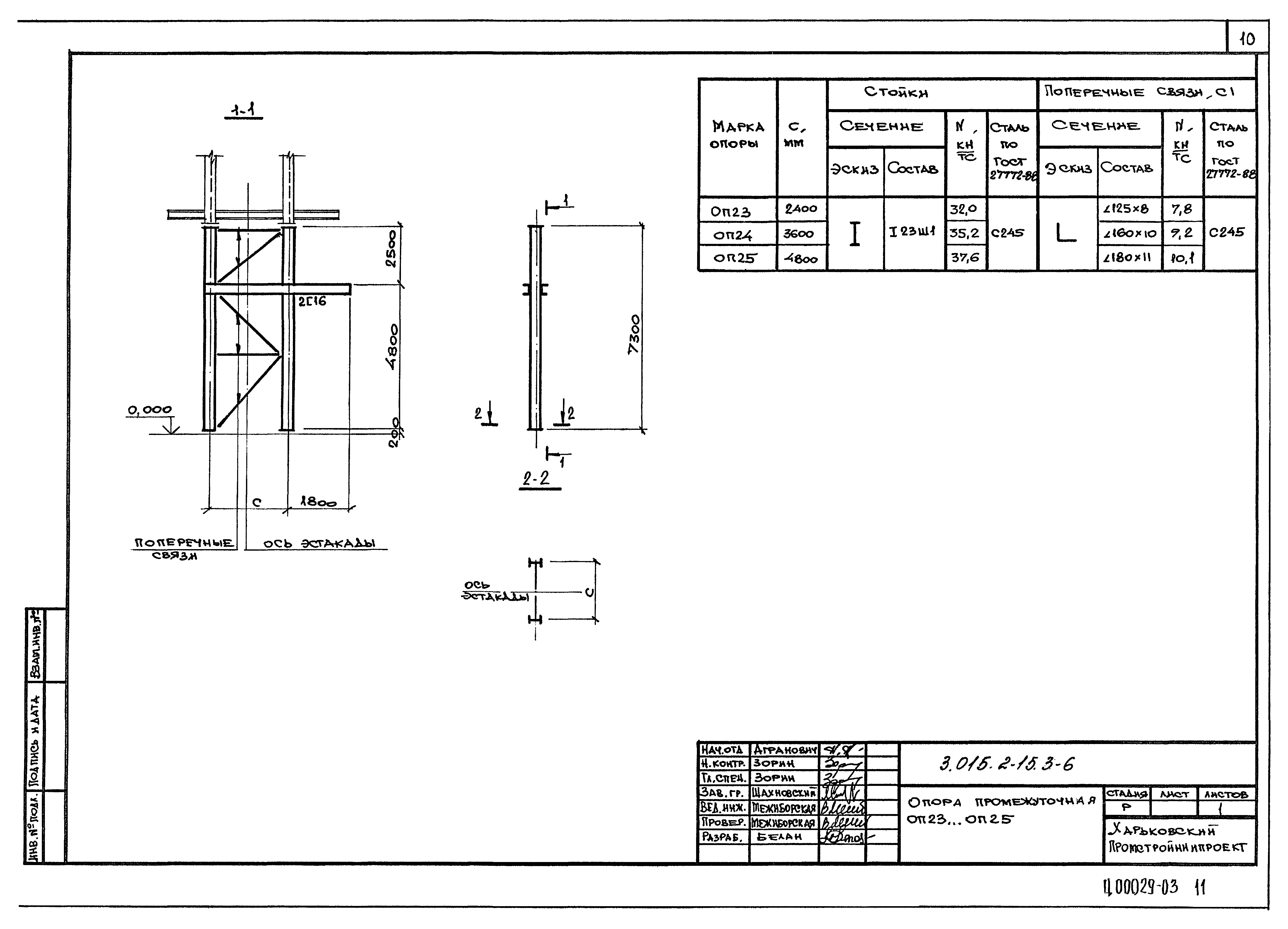
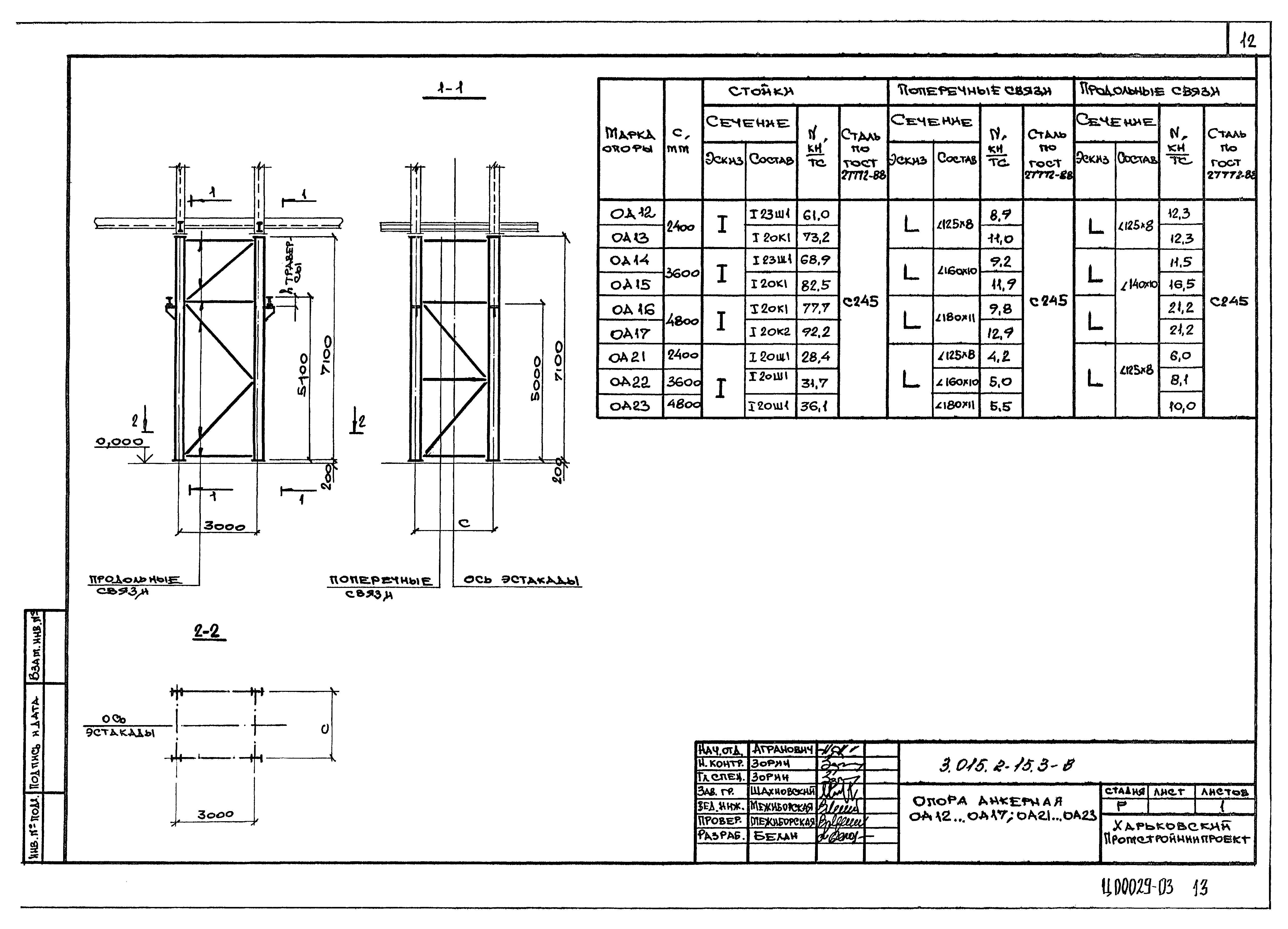
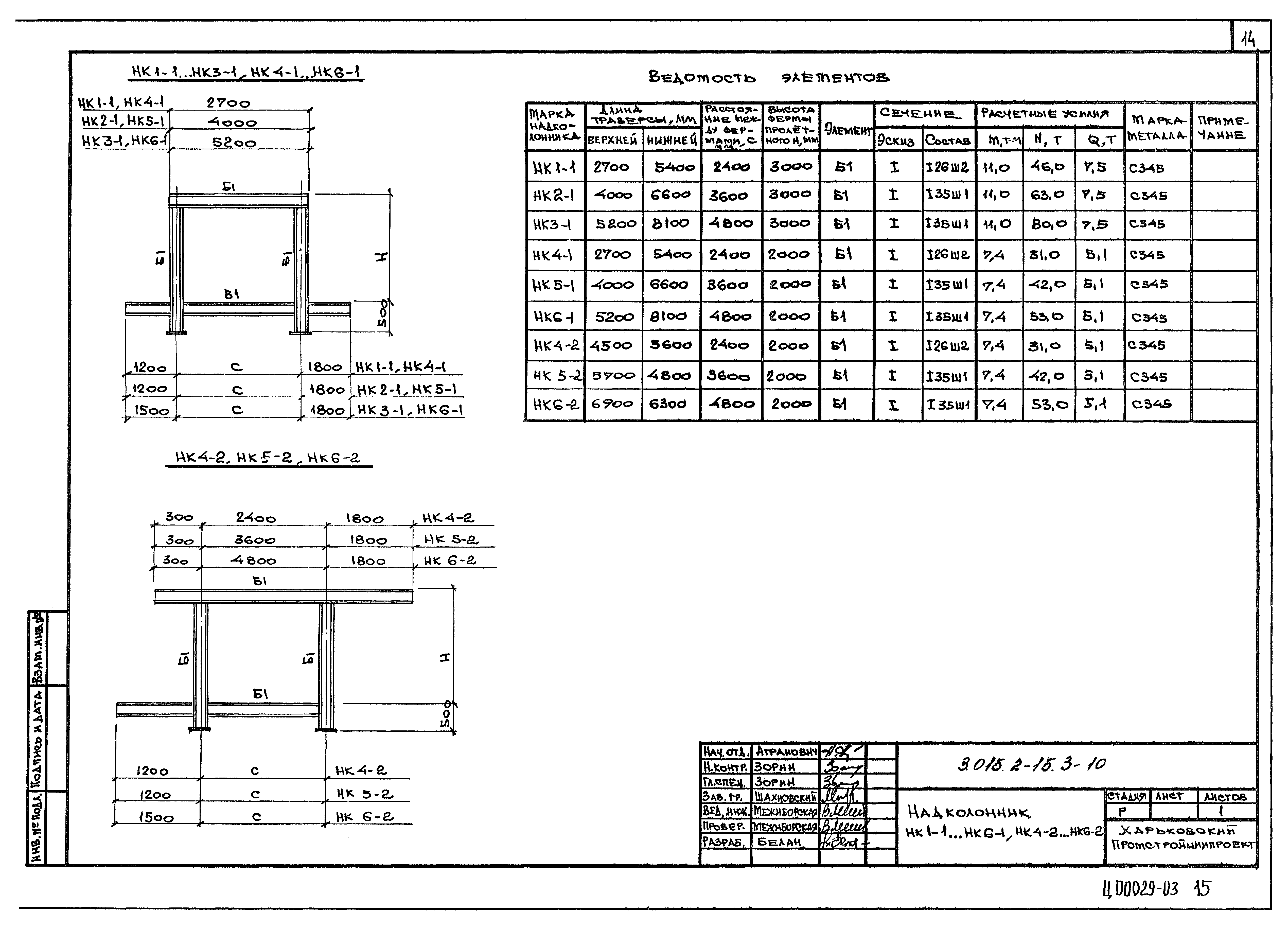
| Оглавление: | 3.015.2-15.3-ТТ Технические требования 3.015.2-15.3-1 Фермы Ф8;Ф9 3.015.2-15.3-2 Фермы Ф10;Ф11 3.015.2-15.3-3 Вставки ВС1…ВС6, прогон ПР1 3.015.2-15.3-4 Опоры промежуточные ОП1…ОП16 3.015.2-15.3-5 Опоры промежуточные ОП17…ОП22;ОП26…ОП28 3.015.2-15.3-6 Опоры промежуточные ОП23…ОП25 3.015.2-15.3-7 Опоры анкерные ОА1…ОА11 3.015.2-15.3-8 Опоры анкерные ОА12…ОА17;ОА21…ОА23 3.015.2-15.3-9 Опоры анкерные ОА18…ОА20 3.015.2-15.3-10 Надколонники НК1-1…НК6-1;НК4-2…НК6-2 3.015.2-15.3-11 Траверсы ТН1-6…ТН1-10;ИН2-5…ТН2-7;ТН3-4…ТН3-6;ТН4-1 3.015.2-15.3-12 Палец П5 3.015.2-15.3-13 Спецификация стали ферм, вставок, надколонников 3.015.2-15.3-14 Спецификация стали опор промежуточных 3.015.2-15.3-15 Спецификация стали опор анкерных 3.015.2-15.3-16 Спецификация стали траверс, прогонов, пальцев |
| Разработан: | Харьковский Промстройниипроект ВНИИПроектэлектромонтаж |
| Утверждён: | 12.11.1992 Минстрой России (Russian Federation Minstroy 9-1/350) |




















