Скачать Серия 3.016-3 Выпуск 3. Керамзитобетонные стеновые блоки и железобетонные плиты перекрытия. Рабочие чертежи

Дата актуализации: 01.01.2021

Серия 3.016-3

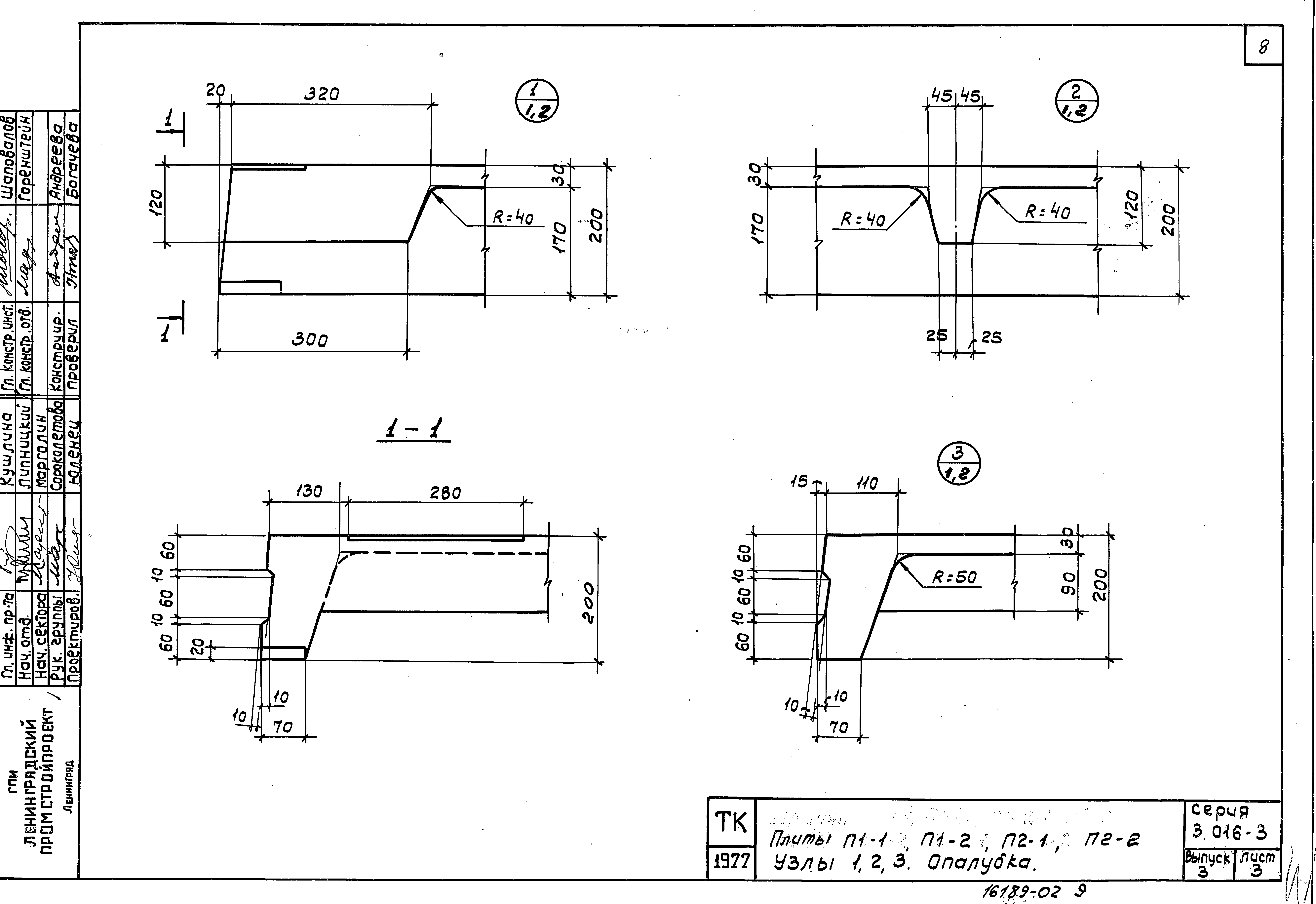
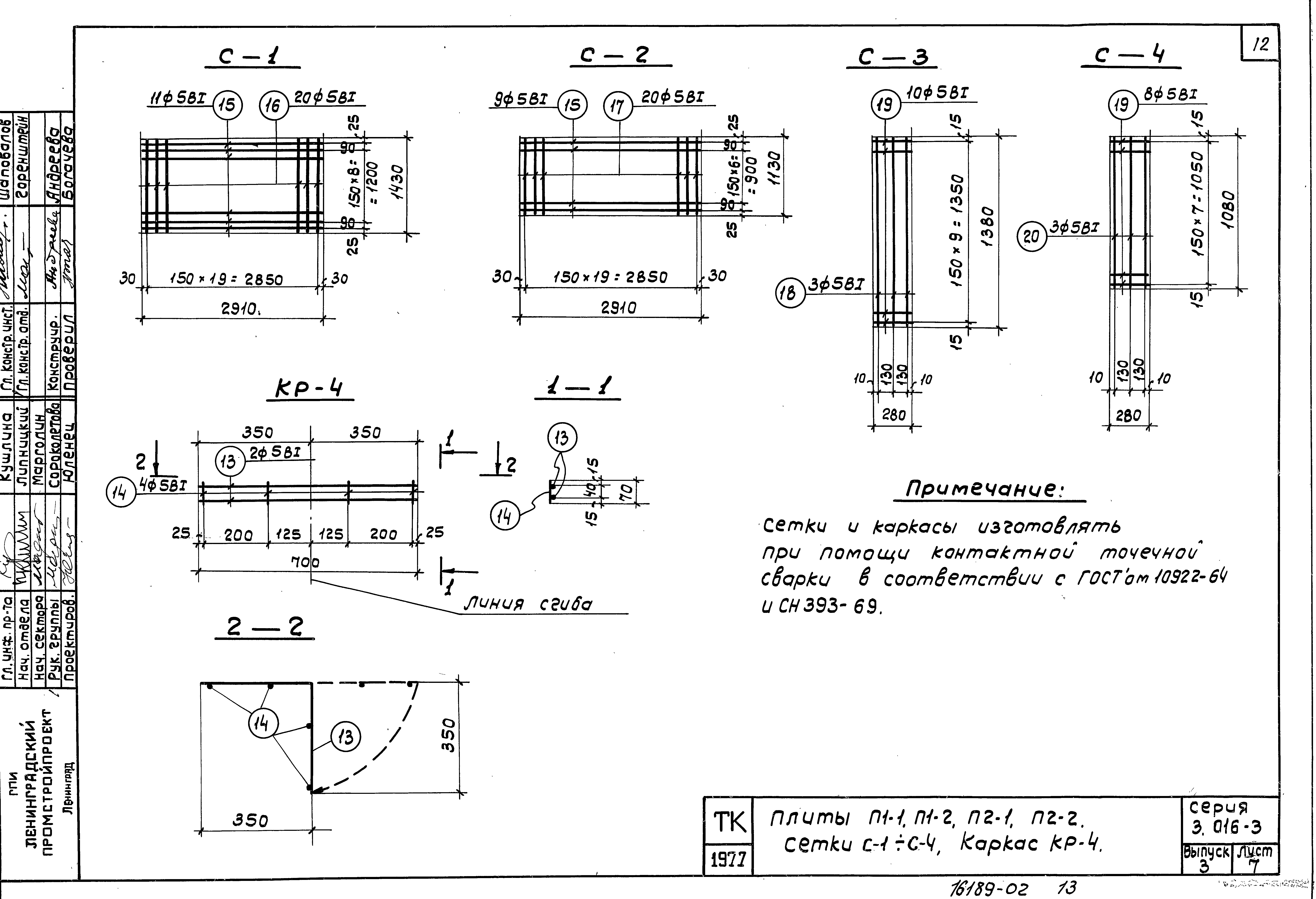
Выпуск 3. Керамзитобетонные стеновые блоки и железобетонные плиты перекрытия. Рабочие чертежи

Обозначение: Серия 3.016-3
Обозначение англ: Series 3.016-3
Статус:не действует
Название рус.:Выпуск 3. Керамзитобетонные стеновые блоки и железобетонные плиты перекрытия. Рабочие чертежи
Дата добавления в базу:01.09.2013
Дата актуализации:01.01.2021
Дата введения:01.11.1979
Дата окончания срока действия:30.12.2016
Разработан: Ленинградский Промстройпроект
ЦНИИпроектстальконструкция
Утверждён:26.07.1979 Госстрой СССР (Государственный комитет Совета Министров СССР по делам строительства) (USSR Gosstroy 127)
Серия 3.016-3Серия 3.016-3Серия 3.016-3Серия 3.016-3Серия 3.016-3Серия 3.016-3Серия 3.016-3Серия 3.016-3Серия 3.016-3Серия 3.016-3Серия 3.016-3Серия 3.016-3Серия 3.016-3Серия 3.016-3Серия 3.016-3Серия 3.016-3Серия 3.016-3Серия 3.016-3Серия 3.016-3