Скачать Типовой проект 902-2-479.90 Альбом 2. Технологические решения. Спецификации оборудования. Конструкции железобетонные. Электротехническая часть. Организация строительстваДата актуализации: 01.01.2021
|
| Обозначение: | Типовой проект 902-2-479.90 |
| Обозначение англ: | 902-2-479.90 |
| Статус: | не определен законодательством |
| Название рус.: | Альбом 2. Технологические решения. Спецификации оборудования. Конструкции железобетонные. Электротехническая часть. Организация строительства |
| Дата добавления в базу: | 01.09.2013 |
| Дата актуализации: | 01.01.2021 |
| Дата введения: | 03.01.1991 |
| Дата окончания срока действия: | 30.06.2003 |
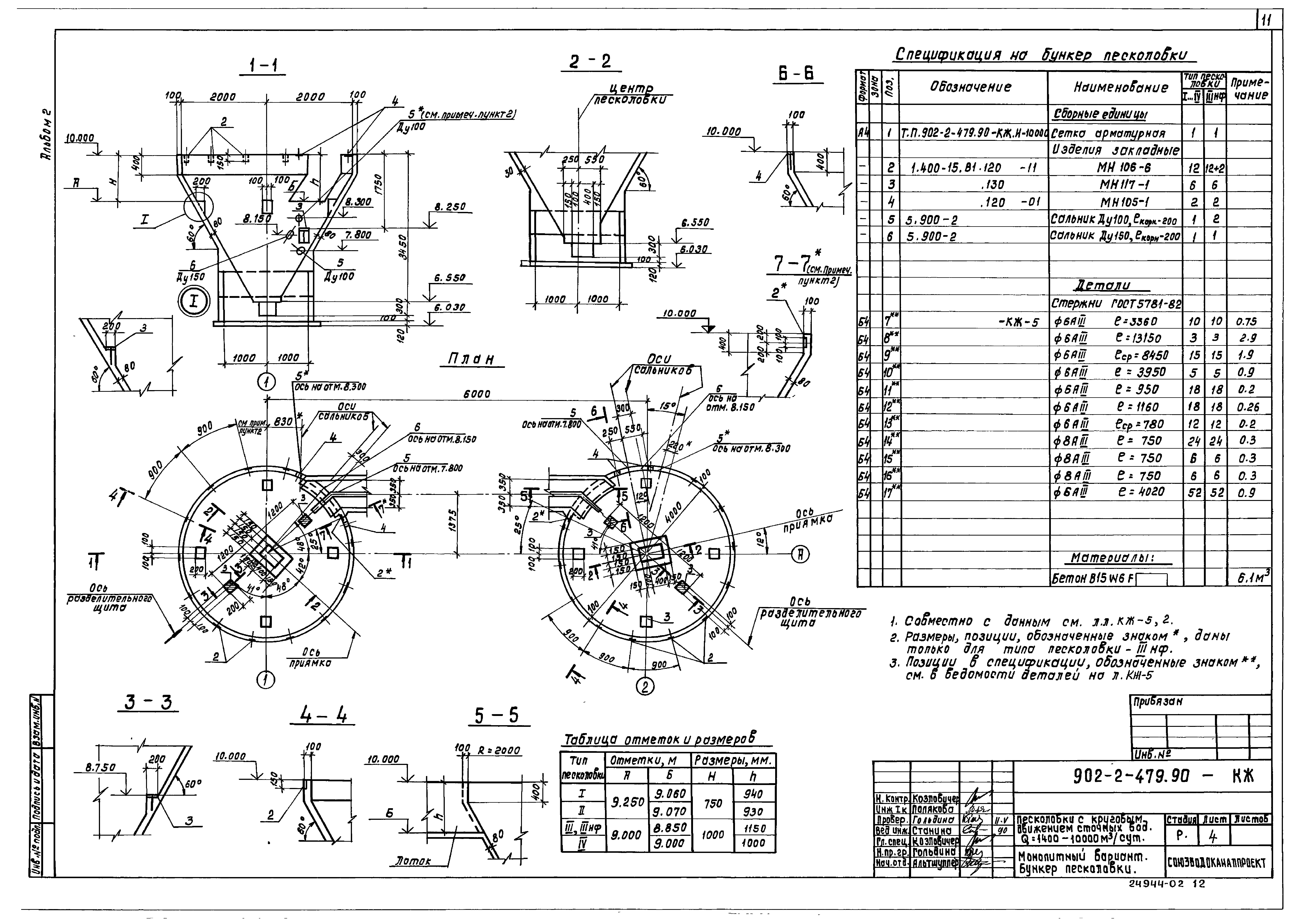
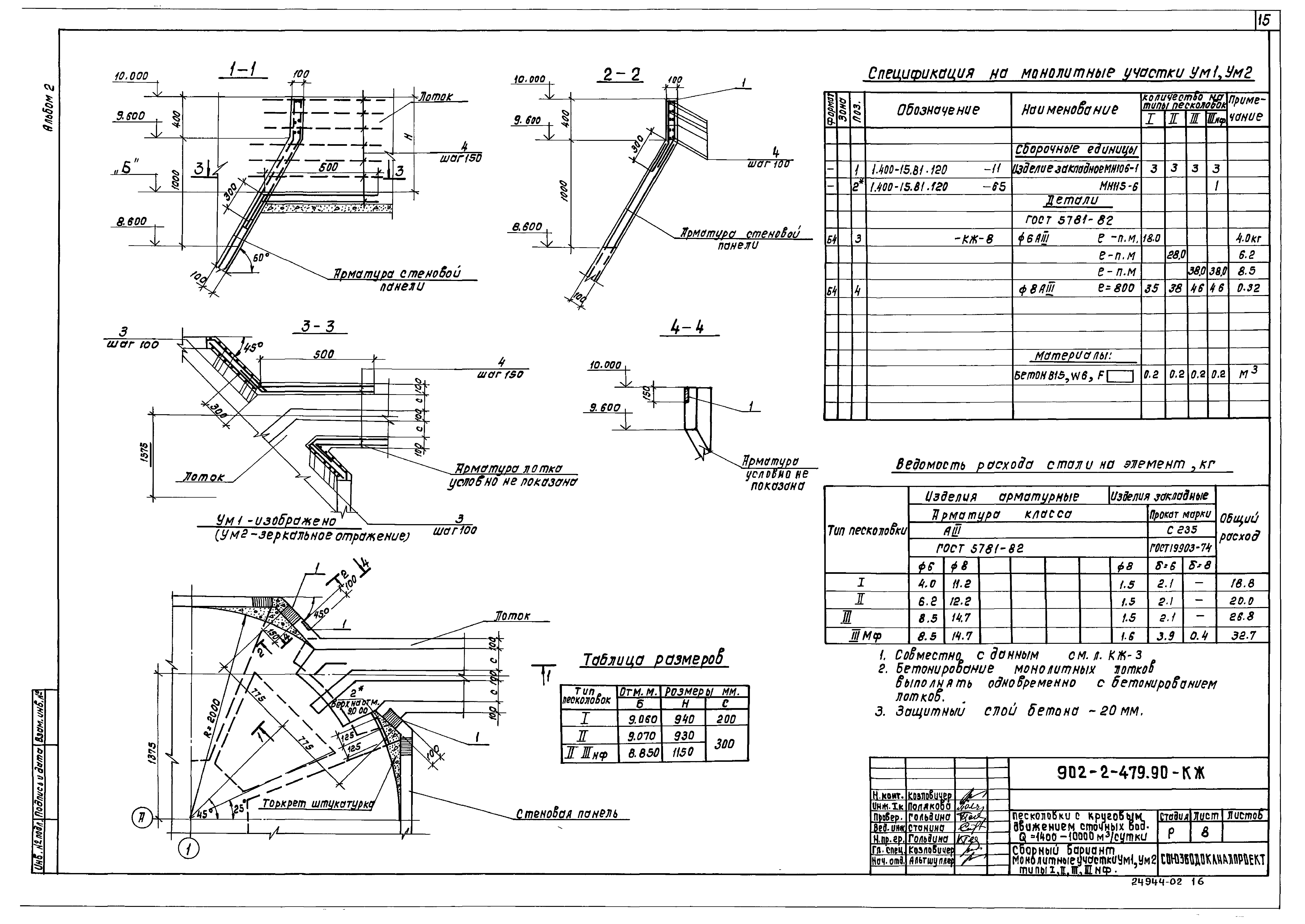
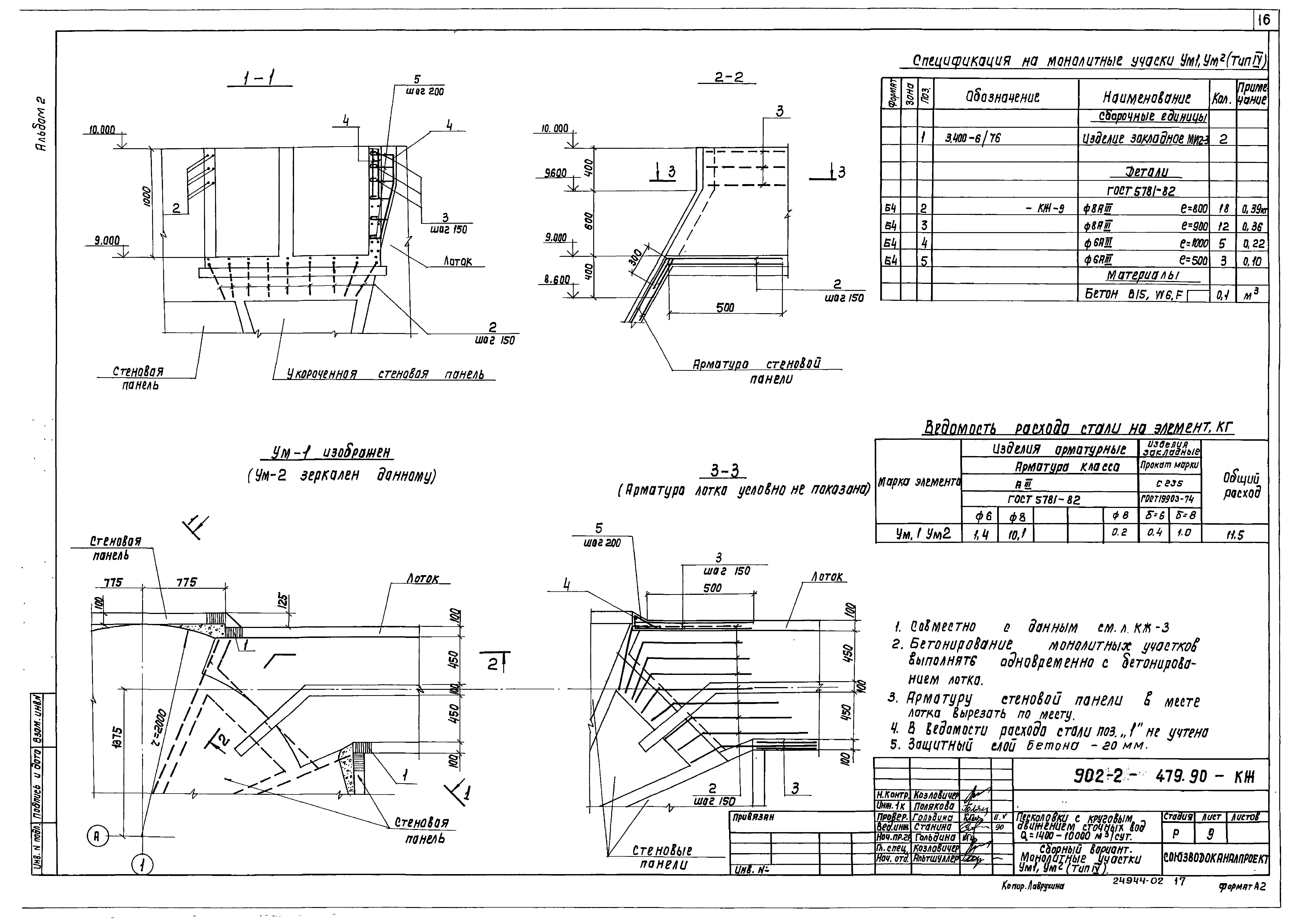
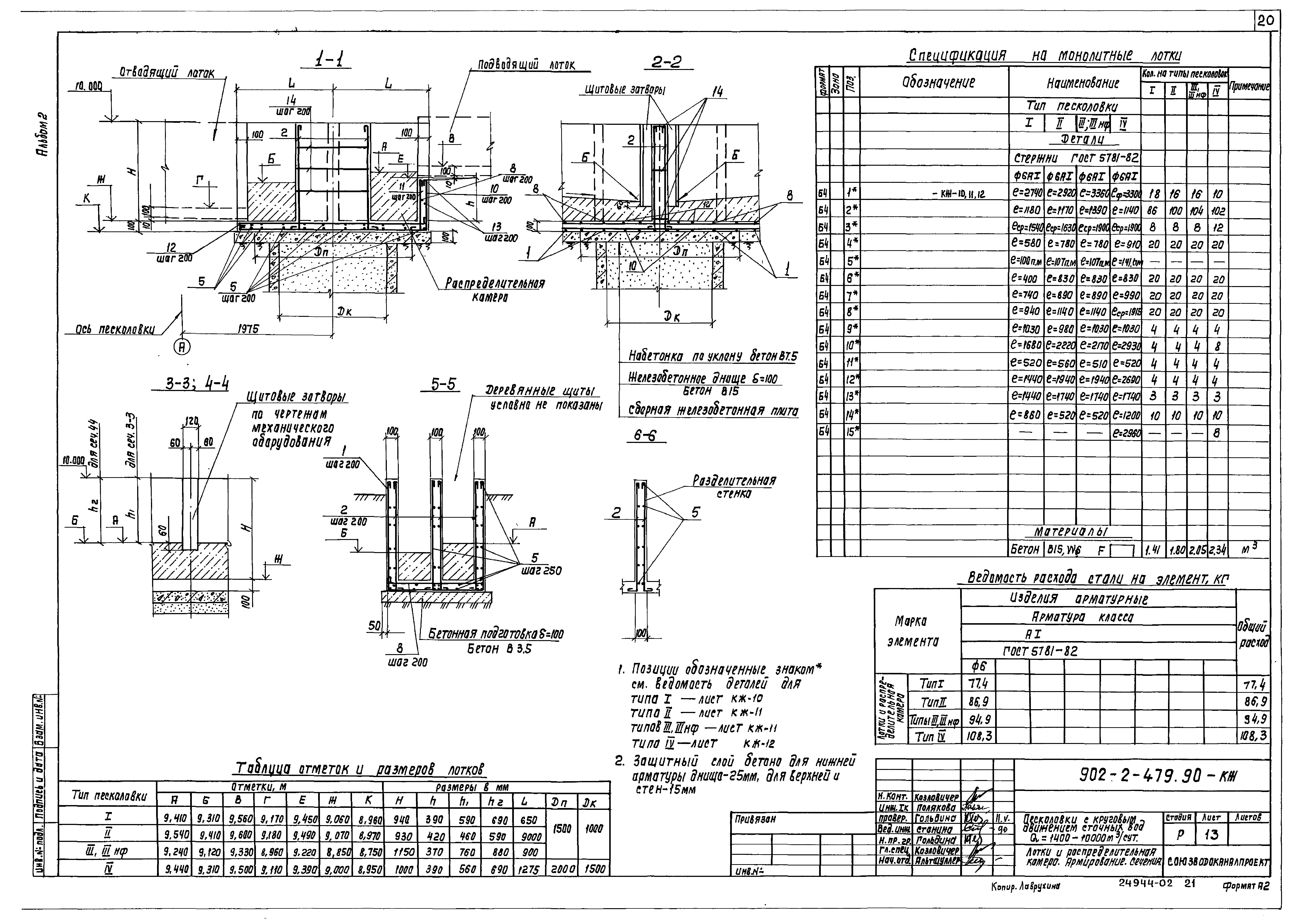
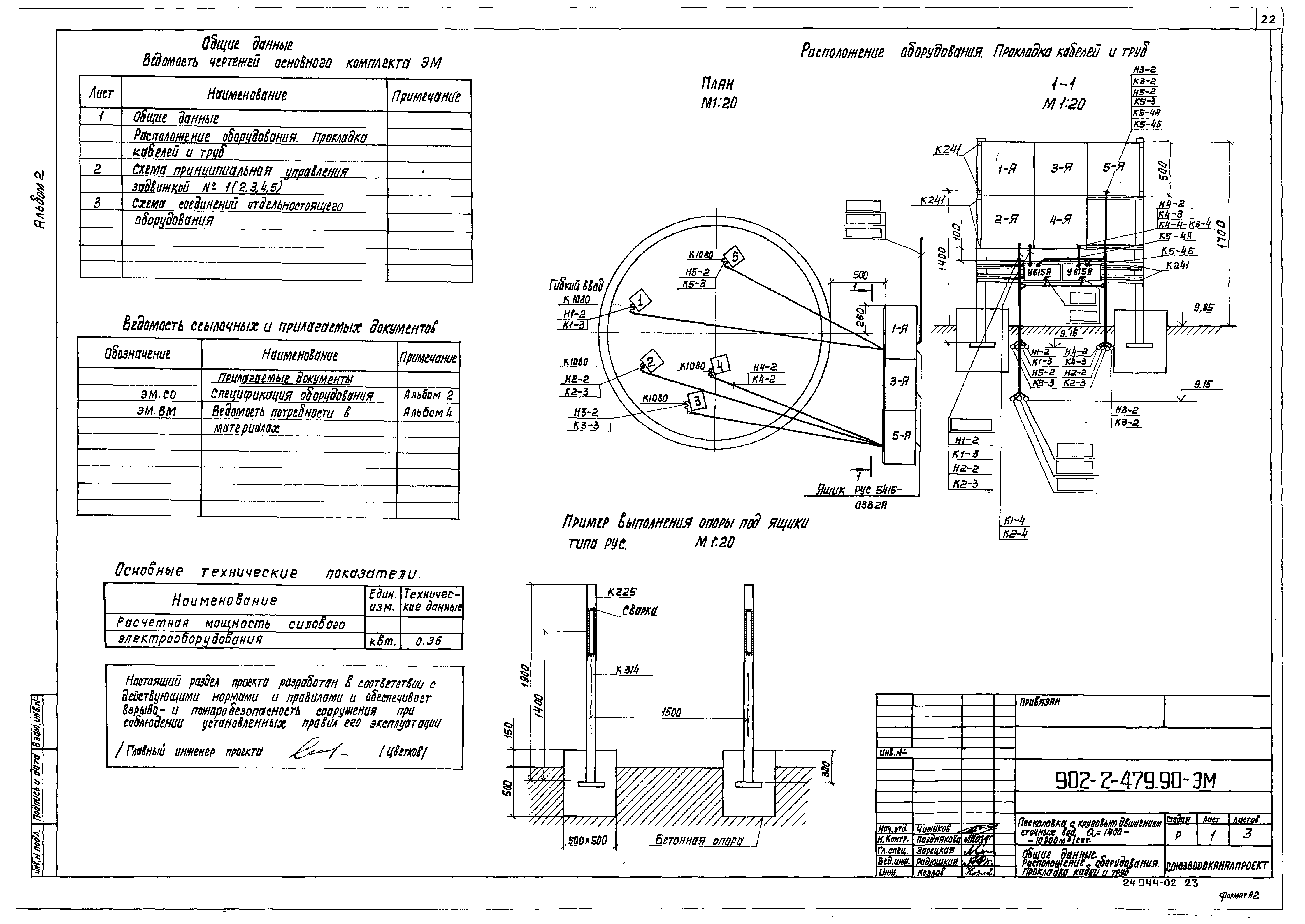
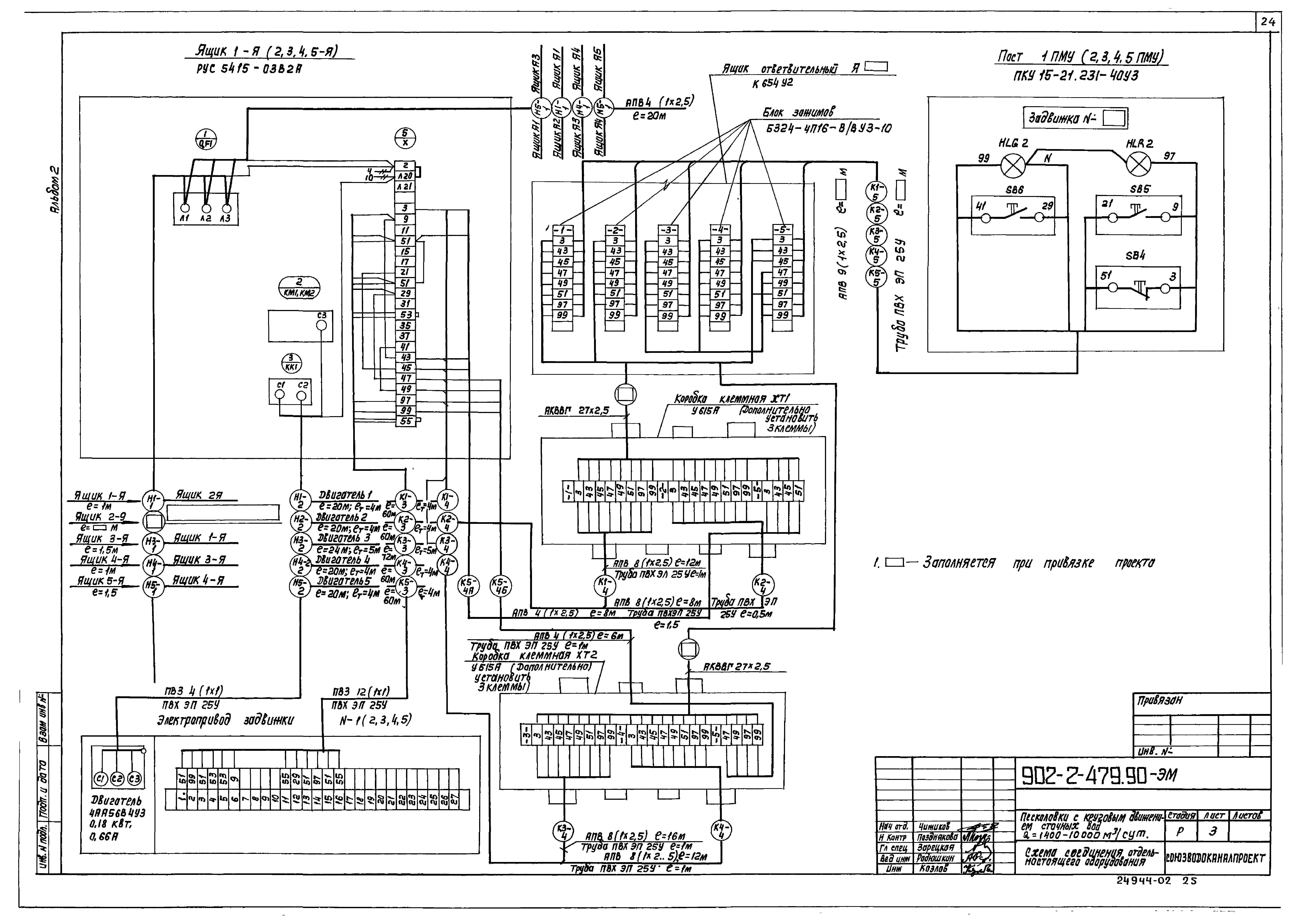
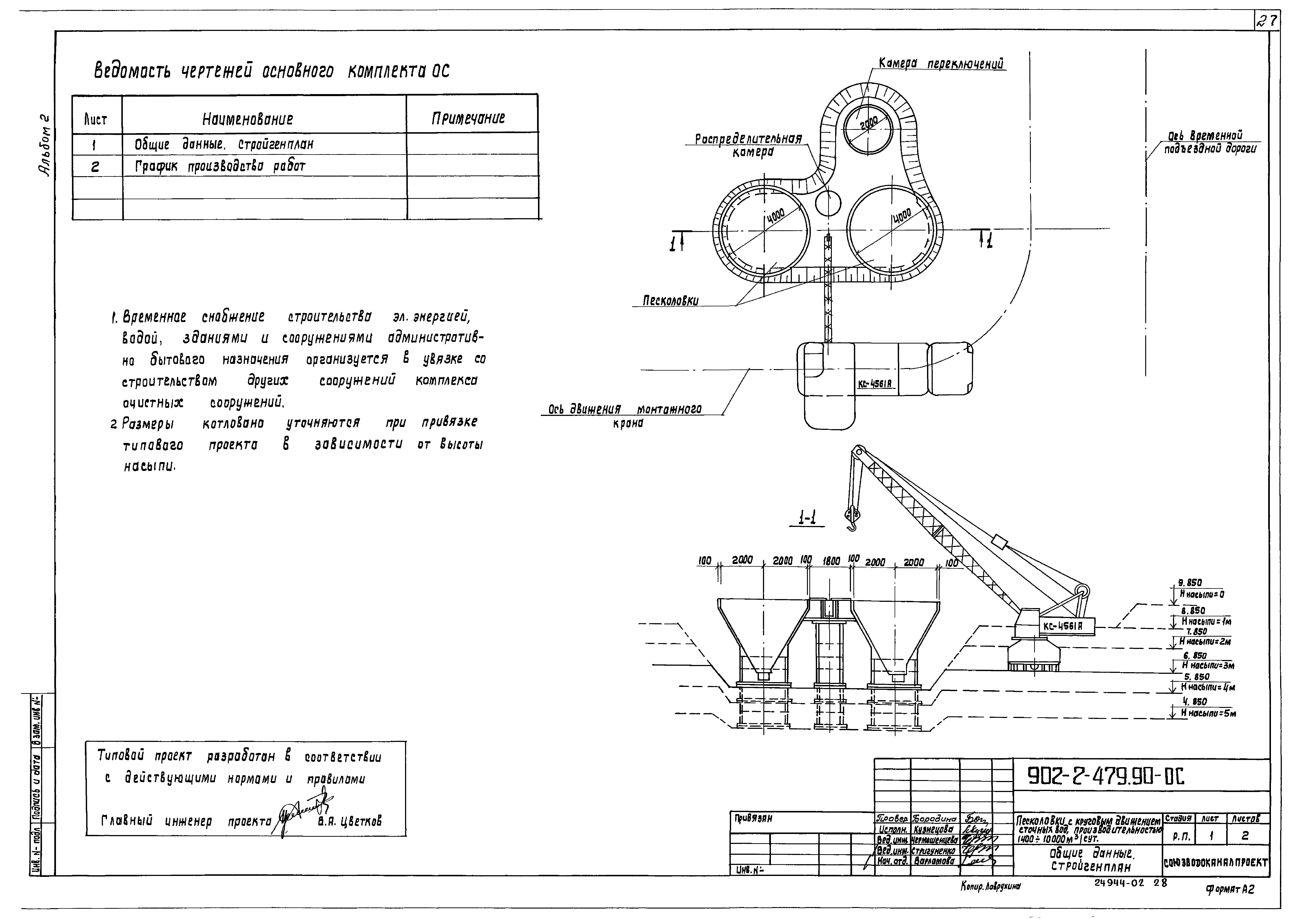
| Оглавление: | Содержание альбома Чертежи основного комплекта марки НК Общие данные План Разрезы 1-1, 2-2 Спецификация оборудования Чертежи основного комплекта марки КЖ Общие данные Монолитный вариант. Схема расположения песколовок Сборный вариант. Схема расположения песколовок Монолитный вариант. Бункер песколовки Монолитный вариант. Бункер песколовки. Армирование Схема расположения площадок. Узлы Сборный вариант. Узлы Сборный вариант. Монолитные участки УМ1, УМ2 (типы I, II, IIIнф) Сборный вариант. Монолитные участки УМ1, УМ2 (тип IV) Лотки и распределительная камера (тип I) Лотки и распределительная камера. Армирование (типы II, III, IIIнф) Лотки и распределительная камера. Армирование (тип IV) Лотки и распределительная камера. Армирование. Сечения Камера переключения Чертежи основного комплекта марки ЭМ Общие данные. Расположение оборудования. Прокладка кабелей и труб Схема принципиальная управления задвижкой №1 (2, 3, 4, 5) Схема соединений отдельностоящего оборудования Спецификация оборудования Чертежи основного комплекта марки ОС Общие данные. Стройгенплан График производства работ |
| Разработан: | Союзводоканалпроект |
| Утверждён: | 03.01.1991 СоюзводоканалНИИпроект (SoyuzvodokanalNIIproject 1) |
| Издан: | АПП ЦИТП (1992 г. ) |




























