Скачать Типовой проект 902-2-479.90 Альбом 6. Оборудование песколовок для очистки нефтесодержащих сточных водДата актуализации: 01.01.2021
|
| Обозначение: | Типовой проект 902-2-479.90 |
| Обозначение англ: | 902-2-479.90 |
| Статус: | не определен законодательством |
| Название рус.: | Альбом 6. Оборудование песколовок для очистки нефтесодержащих сточных вод |
| Дата добавления в базу: | 01.09.2013 |
| Дата актуализации: | 01.01.2021 |
| Дата введения: | 03.01.1991 |
| Дата окончания срока действия: | 30.06.2003 |
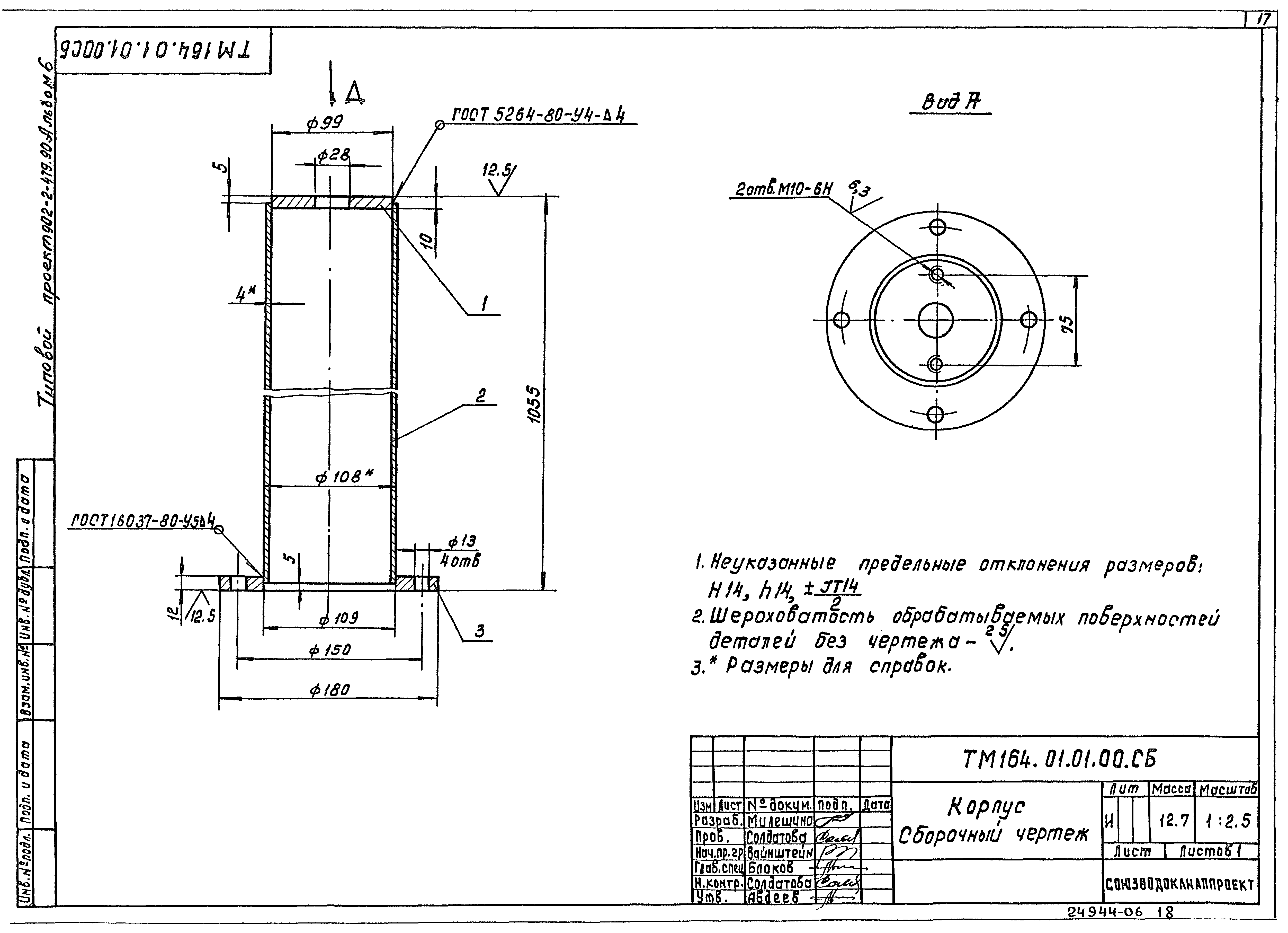
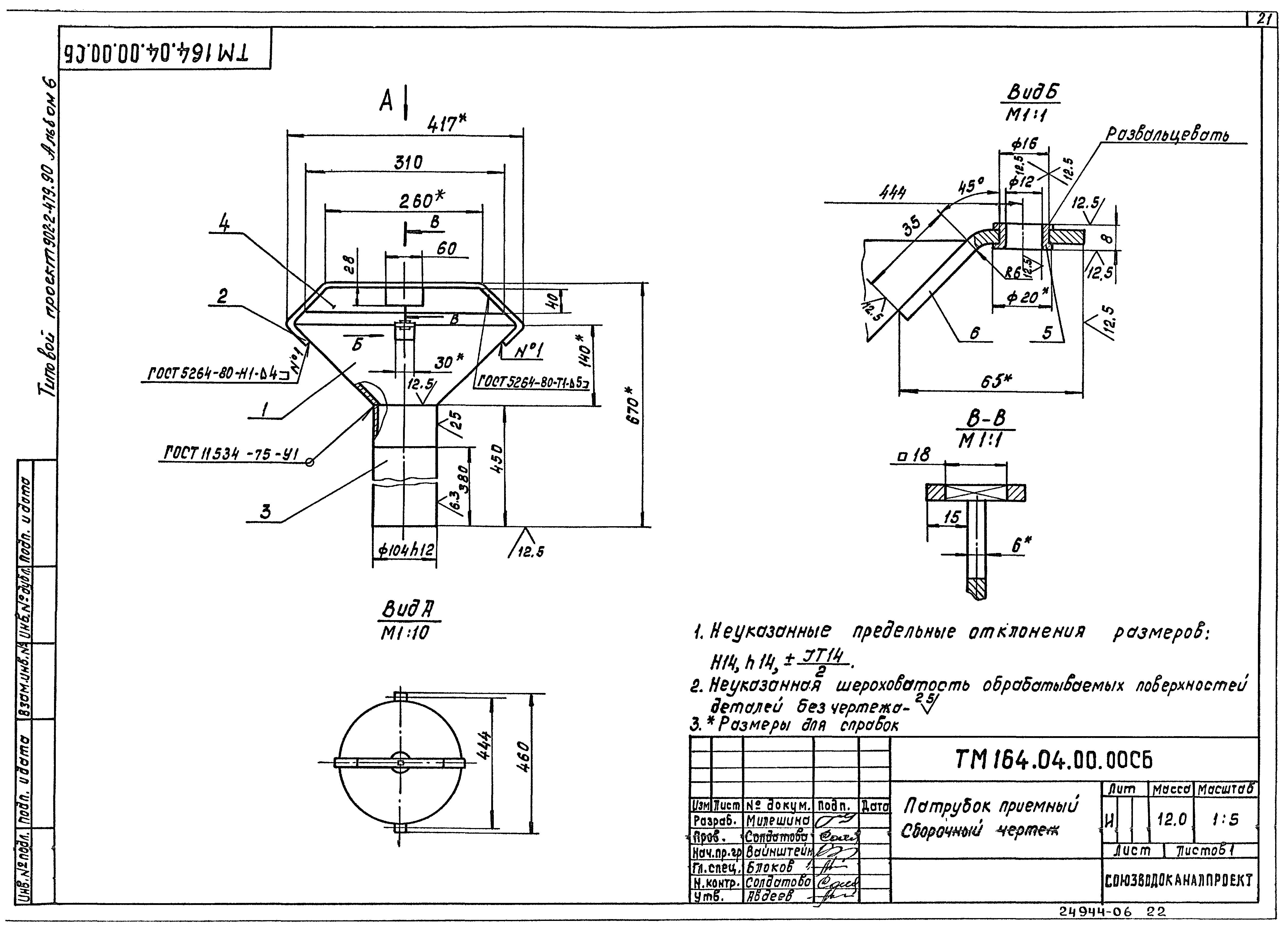
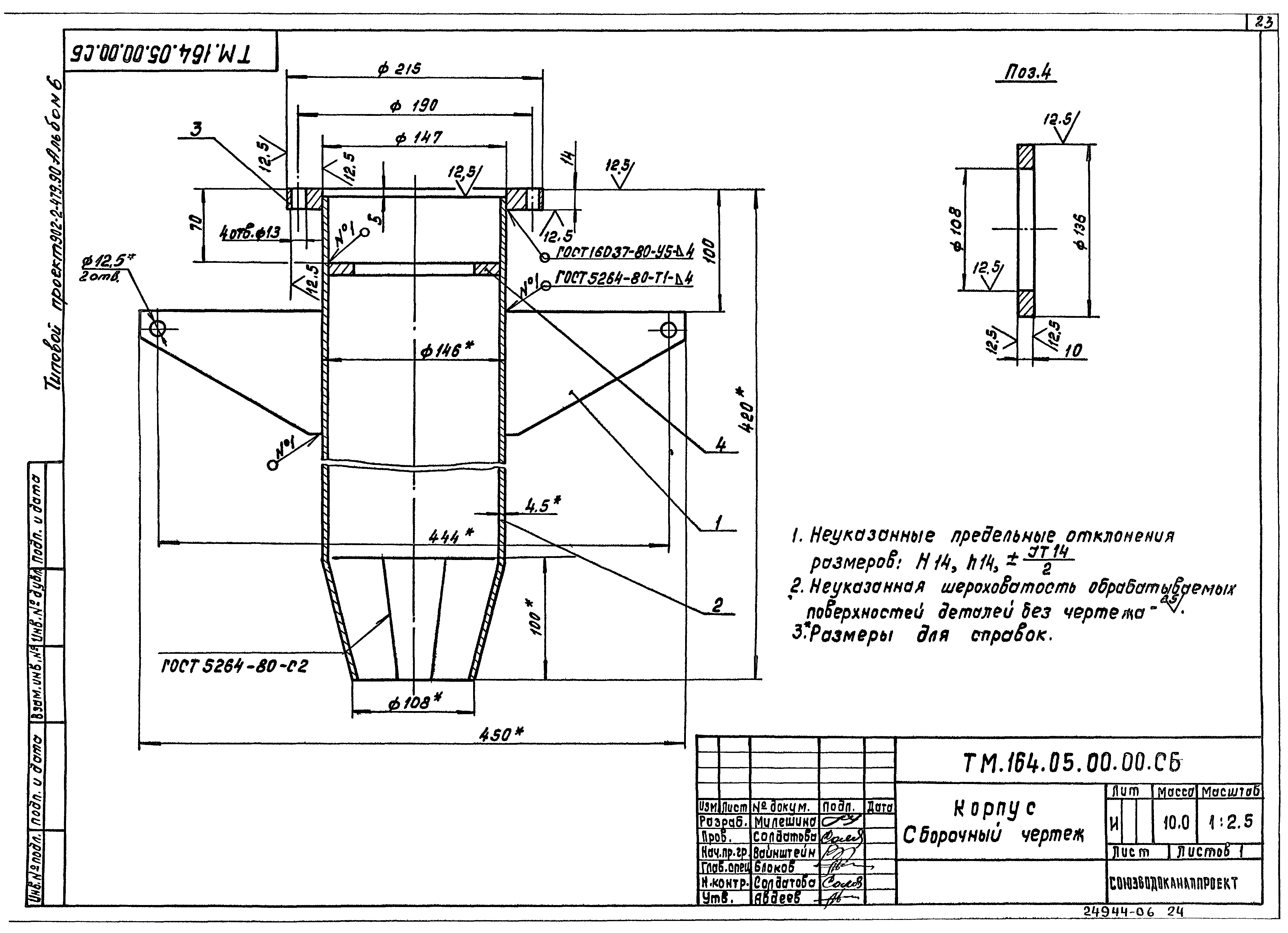
| Оглавление: | Титульный лист Содержание альбома НК-1 Общие данные НК-2 План. Сечения 1-1,2-2,3-3 ТМ.164.00.00.00 Устройство для сбора нефти ТМ.164.01.00.00 Колонка ТМ.164.01.01.00 Корпус ТМ.164.01.02.00 Маховик ТМ.164.02.00.00 Кронштейн ТМ.164.03.00.00 Кронштейн ТМ.164.04.00.00 Патрубок приемный ТМ.164.05.00.00 Корпус ТМ.164.06.00.00 Патрубок направляющий ТМ.164.07.00.00 Отвод ТМ.164.08.00.00 Патрубок ТМ.164.09.00.00 Тяга ТМ.164.00.00.00 СБ Устройство для сбора нефти. Сборочный чертеж ТМ.164.01.00.00 СБ Колонка. Сборочный чертеж ТМ.164.01.01.00 СБ Корпус. Сборочный чертеж ТМ.164.01.02.00 СБ Маховик. Сборочный чертеж ТМ.164.01.02.01 Втулка ТМ.164.01.00.01 Гайка подъемная ТМ.164.01.00.02 Фланец ТМ.164.02.00.00 СБ Кронштейн. Сборочный чертеж ТМ.164.03.00.00 СБ Кронштейн. Сборочный чертеж ТМ.164.04.00.00 Патрубок приемный. Сборочный чертеж ТМ.164.04.00.01 Конус ТМ.164.04.00.02 Ручка ТМ.164.05.00.00 СБ Корпус. Сборочный чертеж ТМ.164.05.00.01 Ребро ТМ.164.05.00.02 Патрубок ТМ.164.06.00.00 СБ Патрубок направляющий. Сборочный чертеж ТМ.164.07.00.00 СБ Отвод. Сборочный чертеж ТМ.164.01.00.03 Винт подъемный ТМ.164.08.00.00 СБ Патрубок. Сборочный чертеж ТМ.164.09.00.00 СБ Тяга. Сборочный чертеж ТМ.164.09.00.02 Вилка |
| Разработан: | Союзводоканалпроект |
| Утверждён: | 03.01.1991 СоюзводоканалНИИпроект (SoyuzvodokanalNIIproject 1) |
| Издан: | АПП ЦИТП (1992 г. ) |



























