Скачать Типовой проект 902-3-17 Альбом I. Технологическая часть, строительная часть, нестандартизированное оборудованиеДата актуализации: 01.01.2021
|
| Обозначение: | Типовой проект 902-3-17 |
| Обозначение англ: | 902-3-17 |
| Статус: | не определен законодательством |
| Название рус.: | Альбом I. Технологическая часть, строительная часть, нестандартизированное оборудование |
| Дата добавления в базу: | 01.09.2013 |
| Дата актуализации: | 01.01.2021 |
| Дата введения: | 27.11.1981 |
| Дата окончания срока действия: | 30.06.2003 |
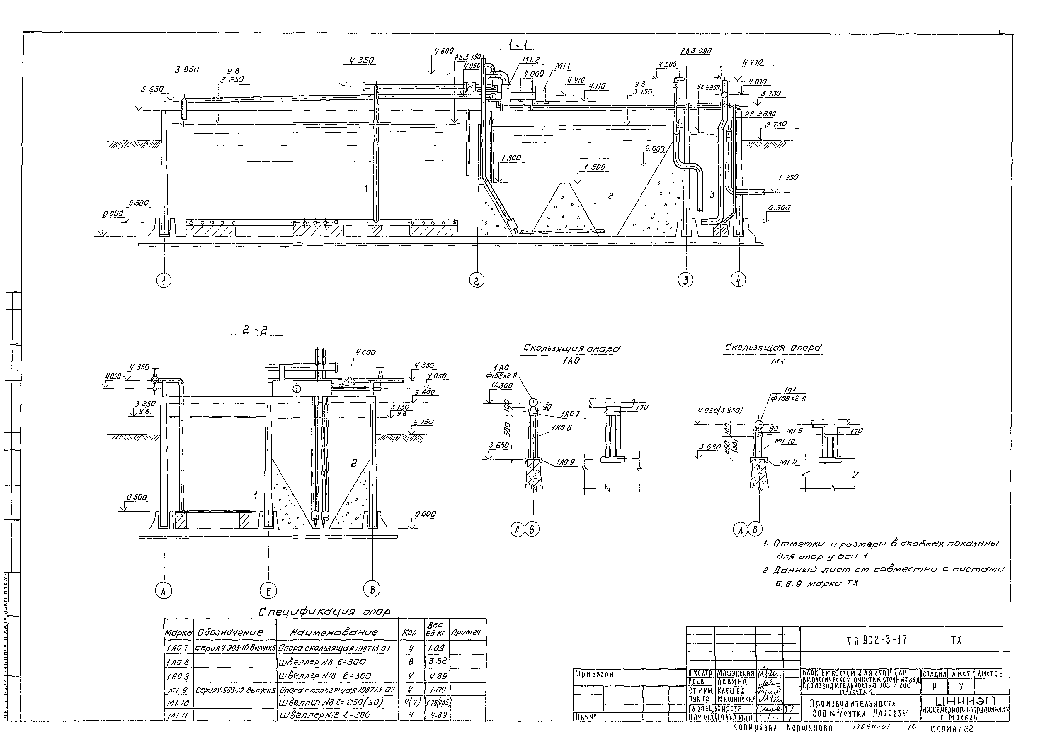
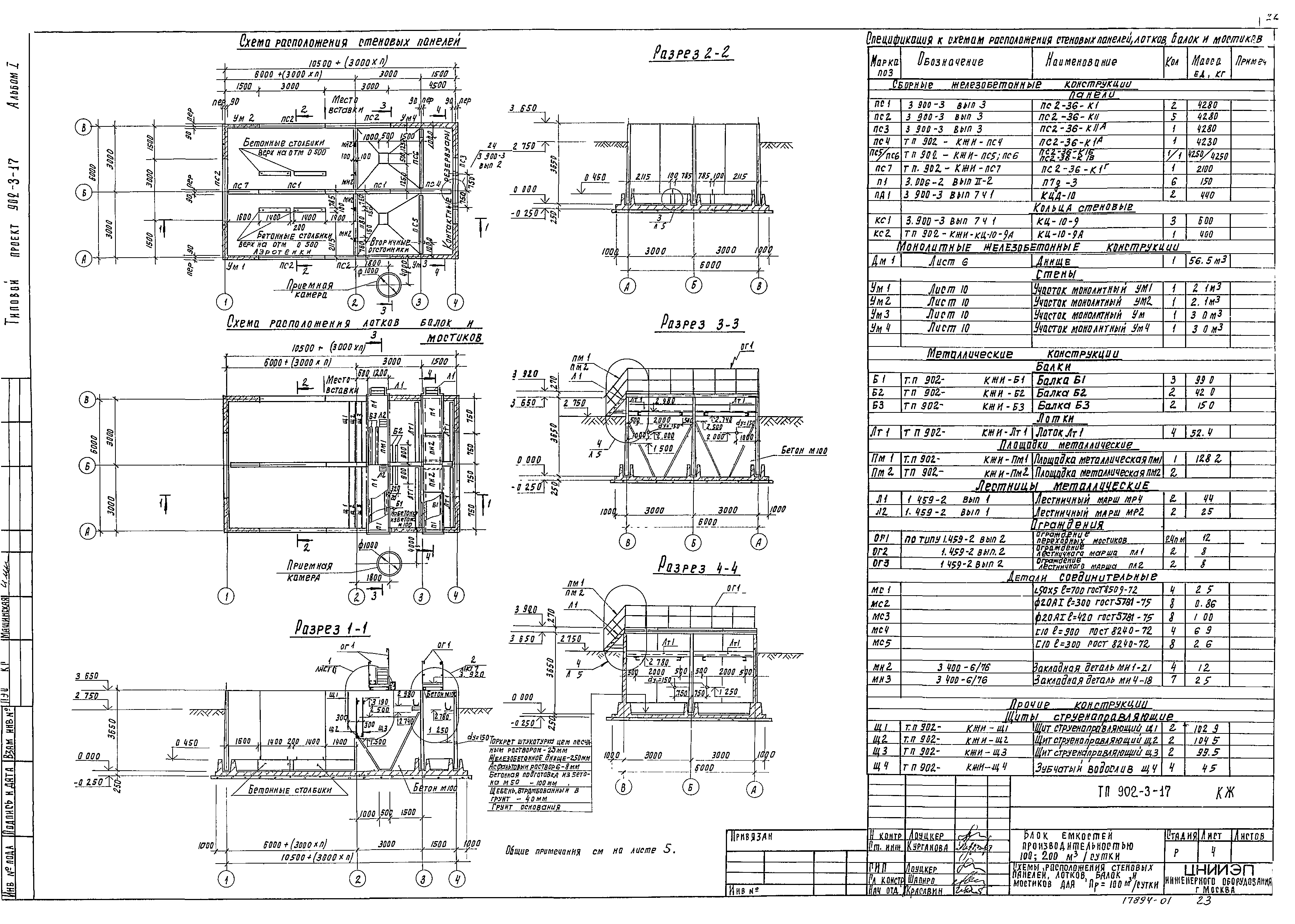
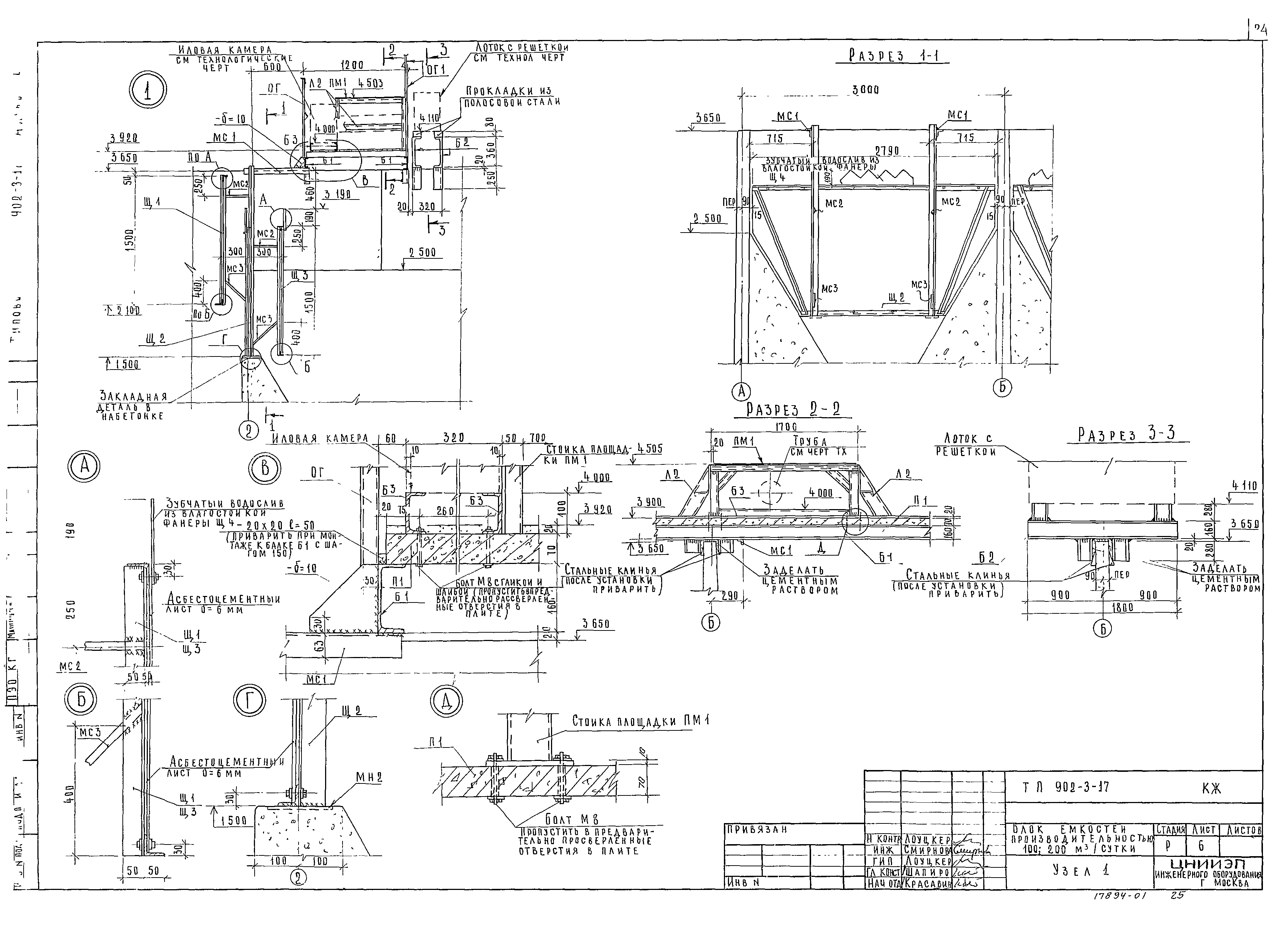
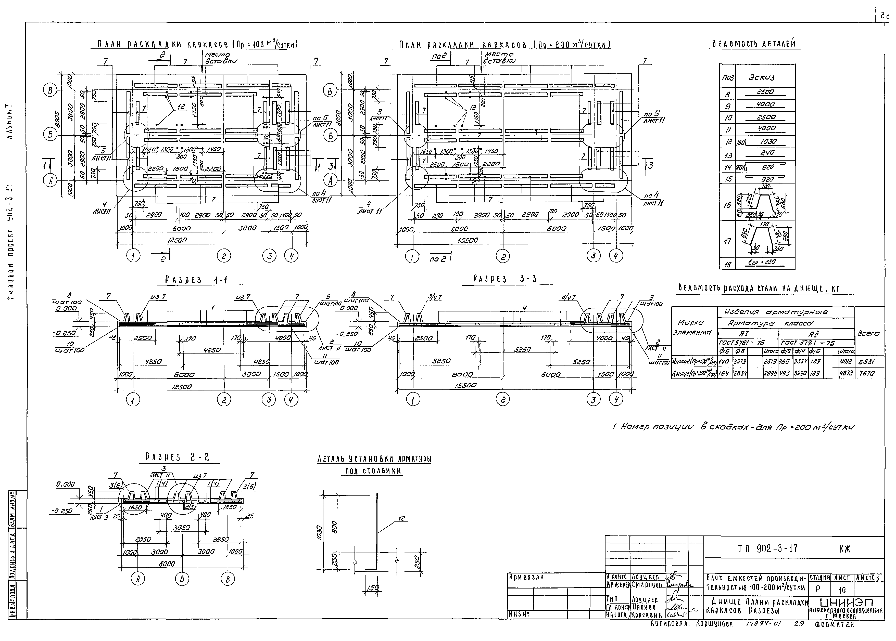
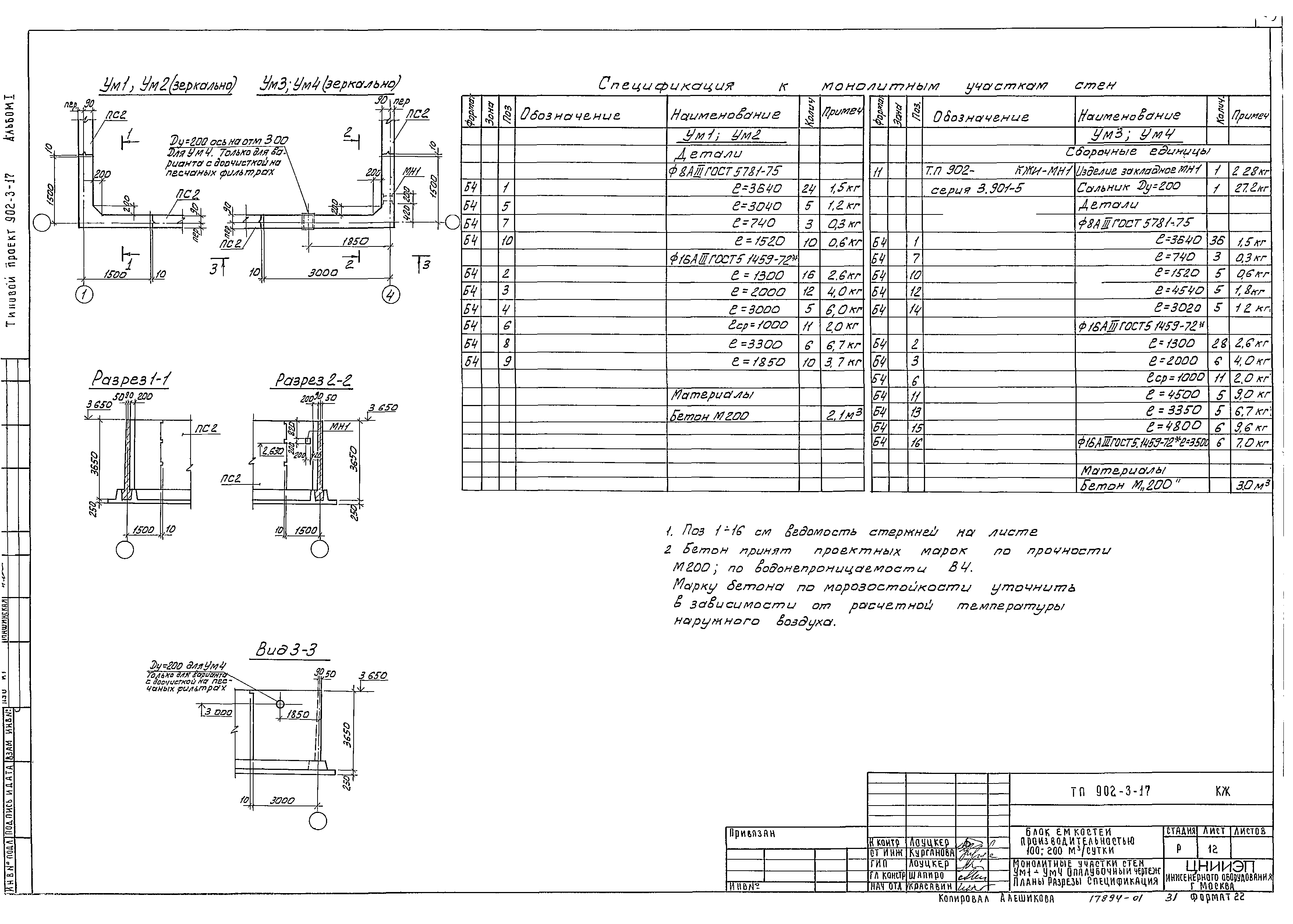
| Оглавление: | Содержание альбома Технологическая часть Общие данные Производительность 100 куб. м/сутки. План. Разрез Производительность 100 куб. м/сутки. Схемы трубопроводов Производительность 100 куб. м/сутки. Спецификация на оборудование, арматуру и материалы Производительность 200 куб. м/сутки. План Производительность 200 куб. м/сутки. Разрезы Производительность 200 куб. м/сутки. Схемы трубопроводов Производительность 200 куб. м/сутки. Спецификация на оборудование, арматуру и материалы Заказная спецификация на арматуру Заказная спецификация на нестандартизированное оборудование Заказная спецификация на пластмассовые трубы Нестандартизированное оборудование Иловая камера. Чертеж общего вида Лоток с решеткой и водосливом. Чертеж общего вида Эрлифт, тип 1. Чертеж общего вида Эрлифт, тип 2. Чертеж общего вида Строительная часть Общие данные Схемы расположения стеновых панелей, лотков, балок и мостиков для производительности 100 куб. м/сутки Схемы расположения стеновых панелей, лотков, балок и мостиков для производительности 200 куб. м/сутки Узел 1 Узел 2 - 4. Приемная камера Днище. Опалубочный чертеж Днище. Армирование. Планы раскладки нижних сеток Днище. Планы раскладки каркасов. Разрезы Днище. Армирование. Узлы Монолитные участки стен УМ1 - УМ5. Опалубочный чертеж. Планы. Разрезы. Спецификация Монолитные участки стен УМ1 - УМ4. Армирование. Планы. Разрезы Монолитные участки стен. Армирование. Узлы Трехметровая вставка аэротенка |
| Разработан: | ЦНИИЭП инженерного оборудования |
| Утверждён: | 29.04.1981 Госгражданстрой (Gosgrazhdanstroy 141) |
































