Скачать Серия 3.300.9-4 Выпуск 1-1. Элементы благоустройства площадок и теневые навесы. Изделия заводского изготовления. Рабочие чертежиДата актуализации: 01.01.2021
|
| Обозначение: | Серия 3.300.9-4 |
| Обозначение англ: | Series 3.300.9-4 |
| Статус: | не определен законодательством |
| Название рус.: | Выпуск 1-1. Элементы благоустройства площадок и теневые навесы. Изделия заводского изготовления. Рабочие чертежи |
| Дата добавления в базу: | 01.09.2013 |
| Дата актуализации: | 01.01.2021 |
| Дата введения: | 01.12.1990 |
| Дата окончания срока действия: | 30.06.2003 |
| Область применения: | Настоящий выпуск 1-1 предназначен для изготовления модулей в условиях специализированных предприятий. |
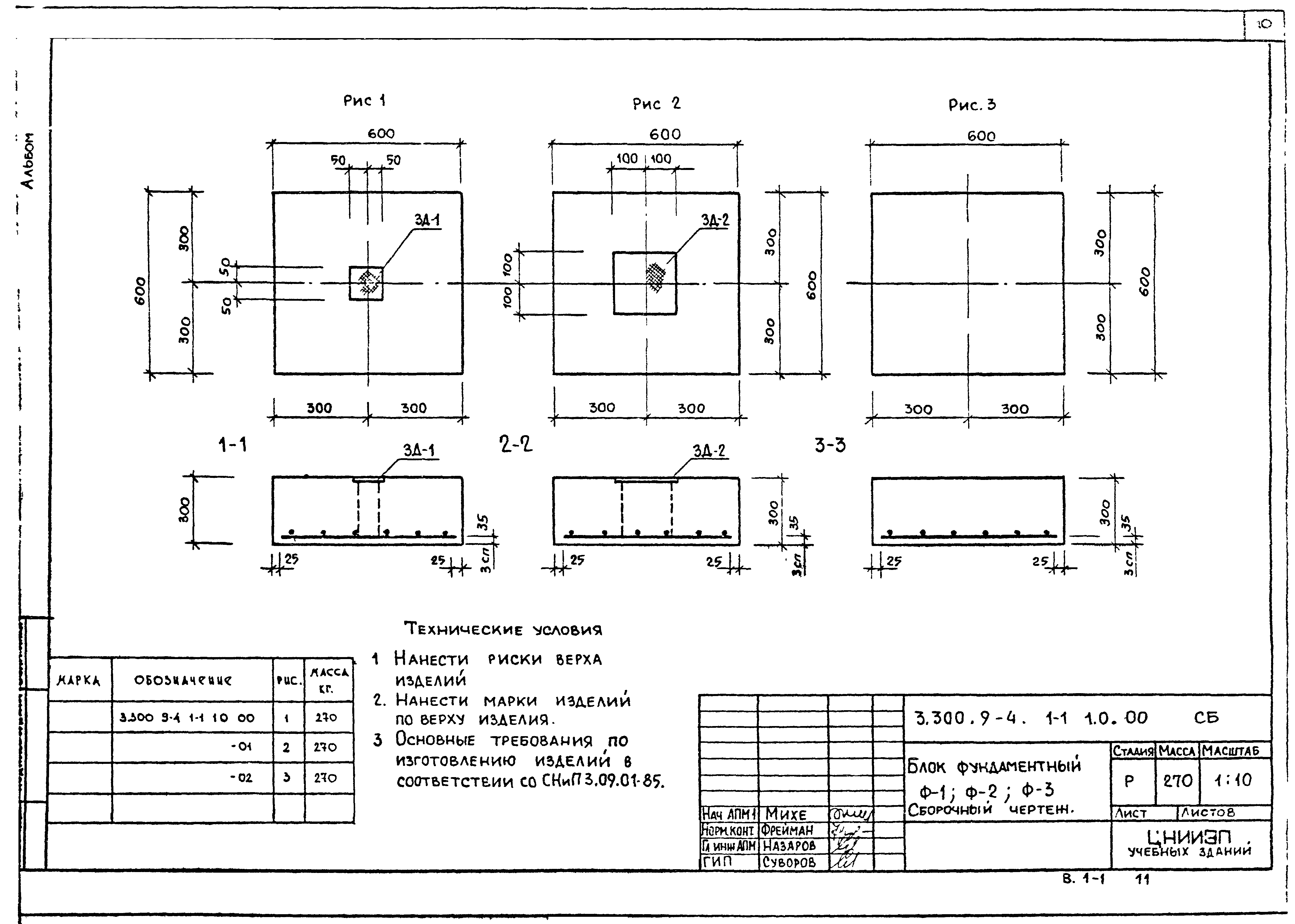
| Оглавление: | 3.300.9-4.1-1.1.0 00 Техническое описание 3.300.9-4.1-1.1.0 00 Стальное изделие М-1;М-2;М-3;М-4 3.300.9-4.1-1.1.0 00 СБ Стальное изделие М-1;М-2;М-3;М-4. Сборочный чертеж 3.300.9-4.1-1.1.0 00 РМ Стальное изделие М-1;М-2;М-3;М-4. Ведомость расхода материалов 3.300.9-4.1-1.1.0 00 Блок фундаментный Ф-1,Ф-2,Ф-3 3.300.9-4.1-1.1.0 00 РМ Блок фундаментный Ф-1,Ф-2,Ф-3. Ведомость расхода материалов 3.300.9-4.1-1.1.0 00 СБ Блок фундаментный Ф-1,Ф-2,Ф-3. Сборочный чертеж 3.300.9-4.1-1.1.0 00 Закладная деталь ЗД-1,ЗД-2 3.300.9-4.1-1.1.0 00 СБ Закладная деталь ЗД-1,ЗД-2. Сборочный чертеж 3.300.9-4.1-1.1.0 00 Сетка С-1 3.300.9-4.1-1.1.0 00 СБ Сетка С-1. Сборочный чертеж |
| Разработан: | ИОЗ (институт общественных зданий) |
| Утверждён: | 27.02.1990 Госкомархитектура (36) |












