Скачать Серия 3.407.1-137 Выпуск 1. Порталы ошиновки. Рабочие чертежиДата актуализации: 01.01.2021
|
| Обозначение: | Серия 3.407.1-137 |
| Обозначение англ: | Series 3.407.1-137 |
| Статус: | действует |
| Название рус.: | Выпуск 1. Порталы ошиновки. Рабочие чертежи |
| Дата добавления в базу: | 01.09.2013 |
| Дата актуализации: | 01.01.2021 |
| Дата введения: | 27.08.1986 |
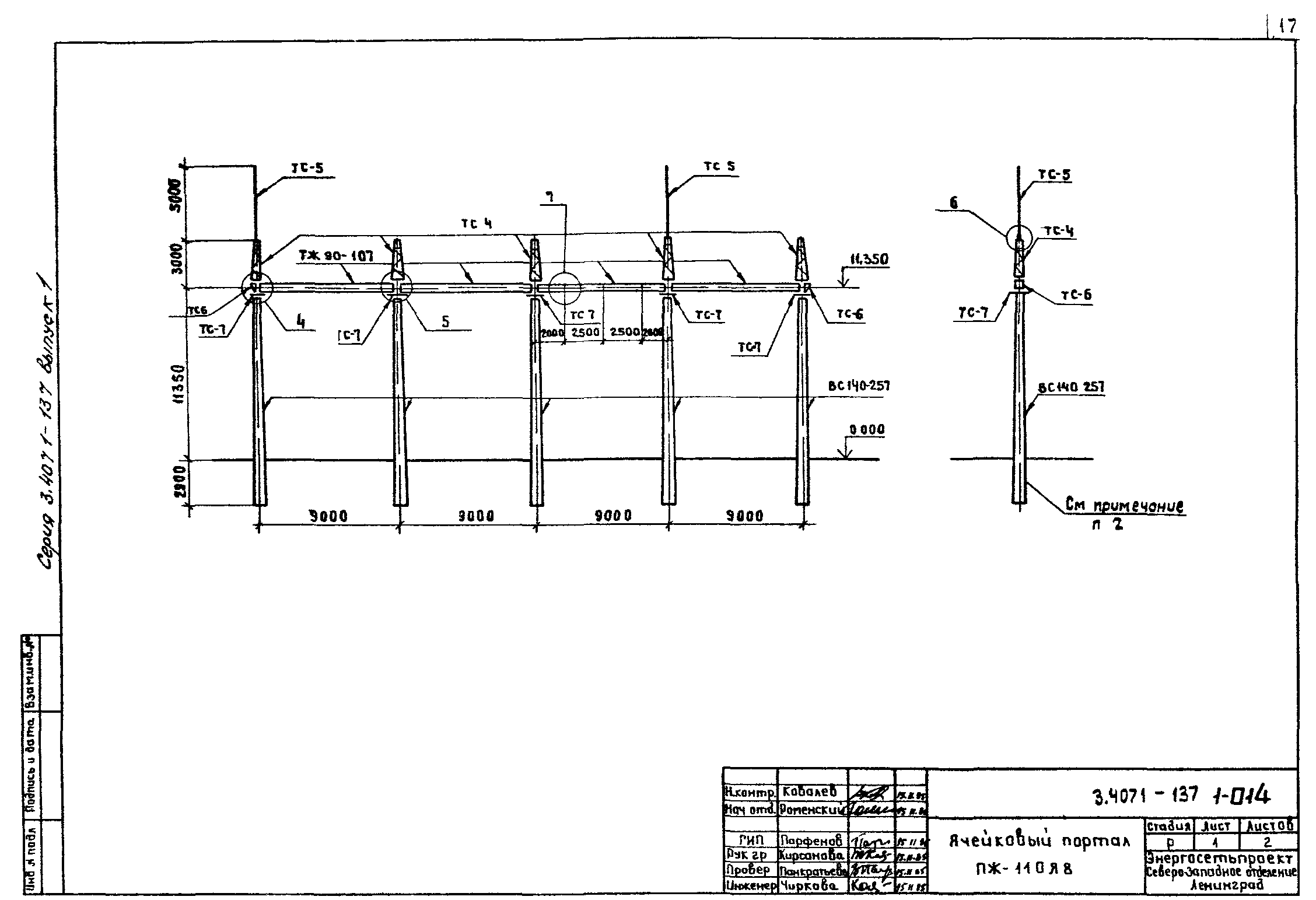
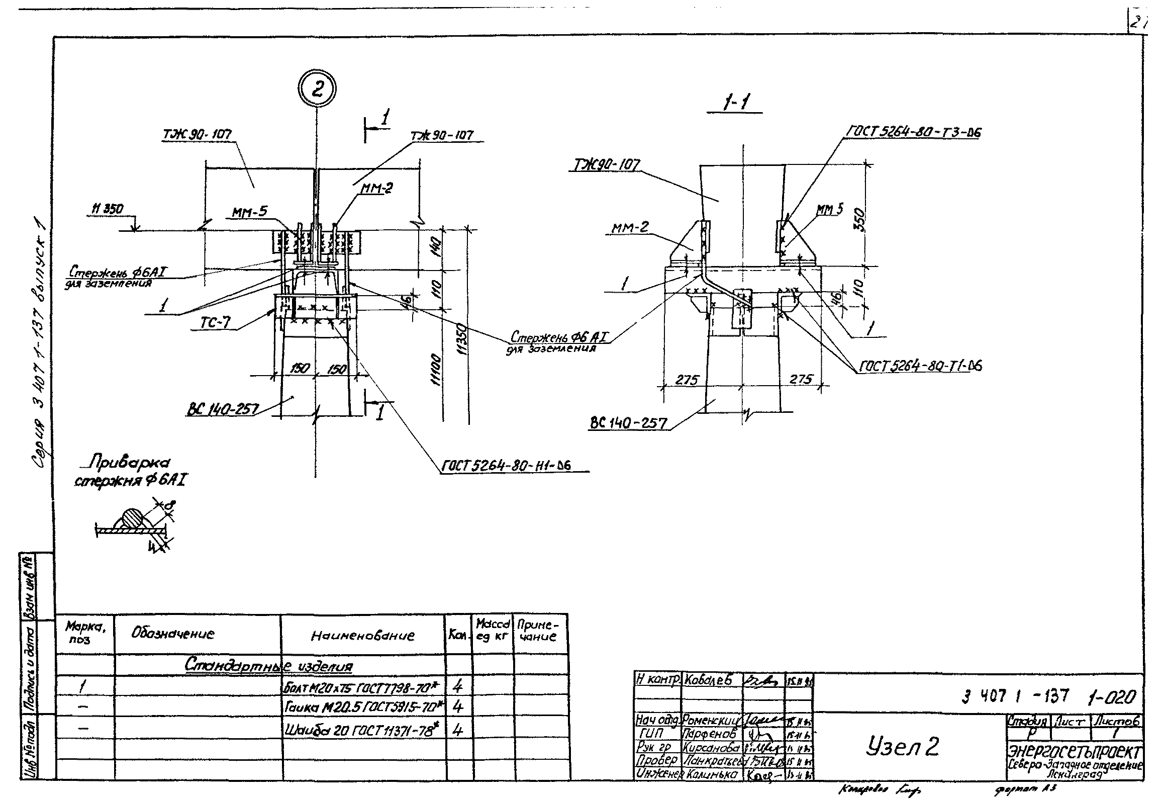
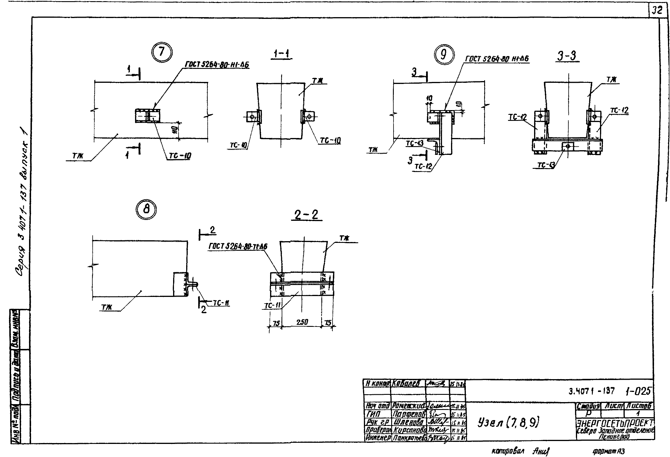
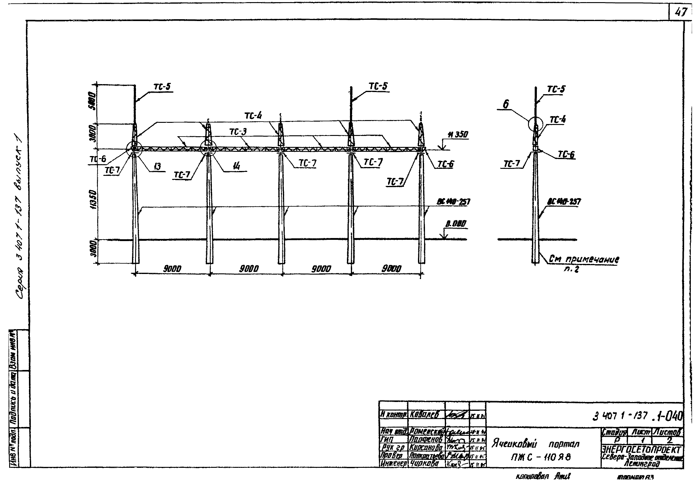
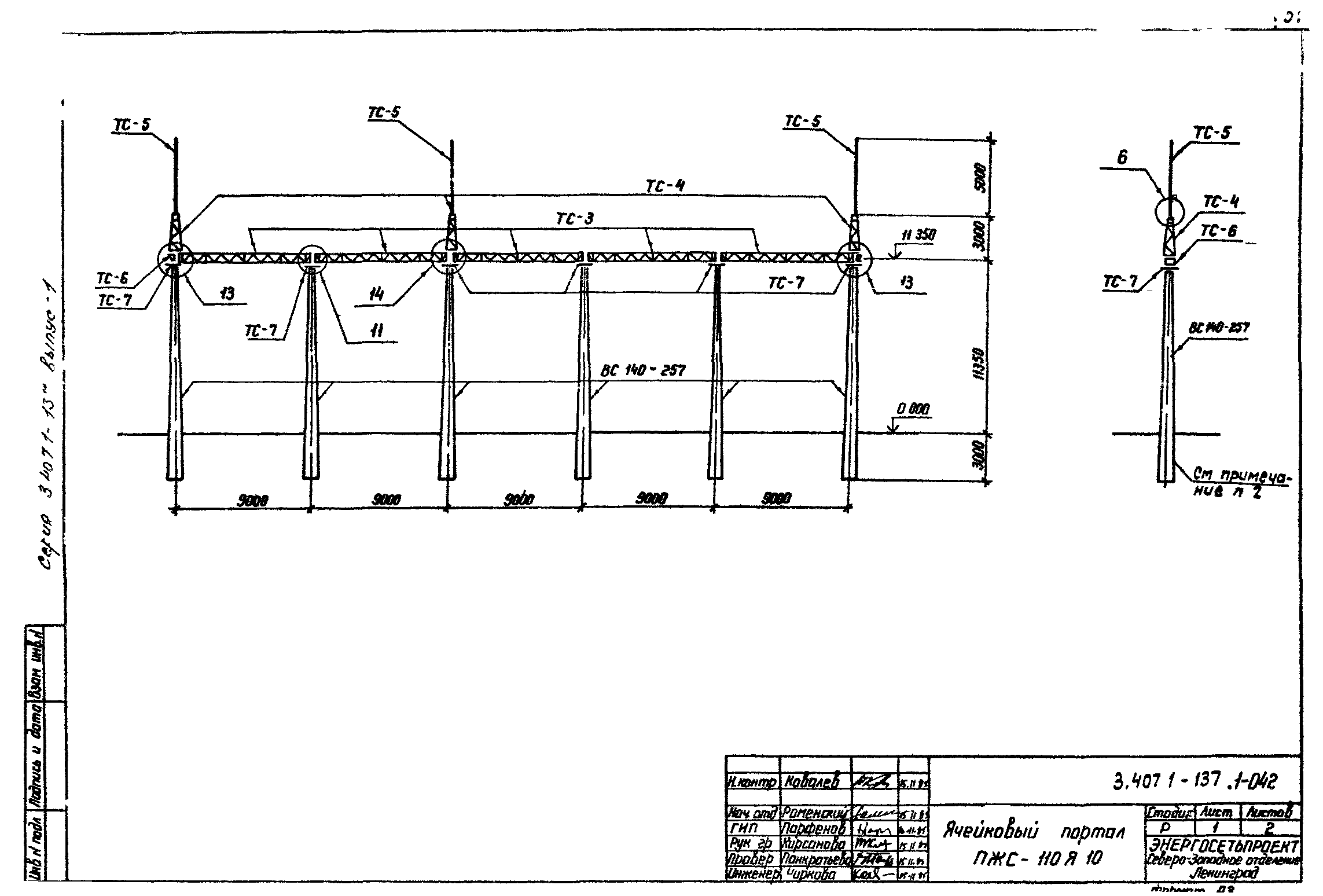
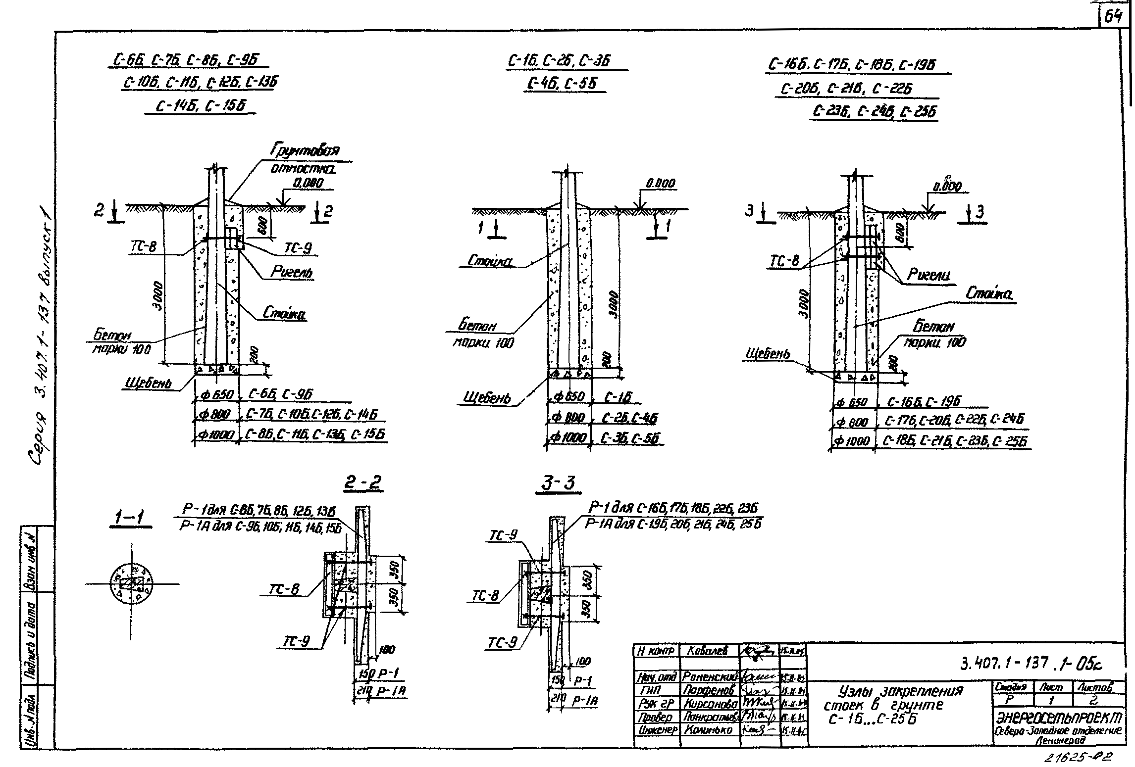
| Оглавление: | 3.407.1-137.1-000 п.1.2 Содержание 3.407.1-137.1-001 Ячейковый портал ПЖ-35Я1 3.407.1-137.1-002 Ячейковый портал ПЖ-35Я2 3.407.1-137.1-003 Ячейковый портал ПЖ-35Я3 3.407.1-137.1-004 Ячейковый портал ПЖ-35Я4 3.407.1-137.1-005 Ячейковый портал ПЖ-35Я5 3.407.1-137.1-006 Шинный портал ПЖ-110Ш 3.407.1-137.1-007 Ячейковый портал ПЖ-110Я1 3.407.1-137.1-008 Ячейковый портал ПЖ-110Я2 3.407.1-137.1-009 Ячейковый портал ПЖ-110Я3 3.407.1-137.1-010 Ячейковый портал ПЖ-110Я4 3.407.1-137.1-011 Ячейковый портал ПЖ-110Я5 3.407.1-137.1-012 Ячейковый портал ПЖ-110Я6 3.407.1-137.1-013 Ячейковый портал ПЖ-110Я7 3.407.1-137.1-014 п.1.2 Ячейковый портал ПЖ-110Я8 3.407.1-137.1-015 п.1.2 Ячейковый портал ПЖ-110Я9 3.407.1-137.1-016 п.1.2 Ячейковый портал ПЖ-110Я10 3.407.1-137.1-017 п.1.2 Ячейковый портал ПЖ-110Я11 3.407.1-137.1-018 Ячейковый портал ПЖ-110Я12 3.407.1-137.1-019 Узел 1 3.407.1-137.1-020 Узел 2 3.407.1-137.1-021 Узел 3 3.407.1-137.1-022 Узел 4 3.407.1-137.1-023 Узел 5 3.407.1-137.1-024 Узел 6 3.407.1-137.1-025 Узел (7,8,9) 3.407.1-137.1-026 Шинный портал ПЖС-35Ш 3.407.1-137.1-027 Ячейковый портал ПЖС-35Я1 3.407.1-137.1-028 Ячейковый портал ПЖС-35Я2 3.407.1-137.1-029 Ячейковый портал ПЖС-35Я3 3.407.1-137.1-030 Ячейковый портал ПЖС-35Я4 3.407.1-137.1-031 Ячейковый портал ПЖС-35Я5 3.407.1-137.1-032 Шинный портал ПЖС-110Ш 3.407.1-137.1-033 Ячейковый портал ПЖС-110Я1 3.407.1-137.1-034 Ячейковый портал ПЖС-110Я2 3.407.1-137.1-035 Ячейковый портал ПЖС-110Я3 3.407.1-137.1-036 Ячейковый портал ПЖС-110Я4 3.407.1-137.1-037 Ячейковый портал ПЖС-110Я5 3.407.1-137.1-038 Ячейковый портал ПЖС-110Я6 3.407.1-137.1-039 Ячейковый портал ПЖС-110Я7 3.407.1-137.1-040 п.1.2 Ячейковый портал ПЖС-110Я8 3.407.1-137.1-041 п.1.2 Ячейковый портал ПЖС-110Я9 3.407.1-137.1-042 п.1.2 Ячейковый портал ПЖС-110Я10 3.407.1-137.1-043 п.1.2 Ячейковый портал ПЖС-110Я11 3.407.1-137.1-044 Ячейковый портал ПЖС-110Я12 3.407.1-137.1-045 Узел 10 3.407.1-137.1-046 Узел 11 3.407.1-137.1-047 Узел 12 3.407.1-137.1-048 Узел 13 3.407.1-137.1-049 Узел 14 3.407.1-137.1-050 Узел 15 3.407.1-137.1-051 п.1.2 Узлы закрепления стоек в грунте С-1п…С-8п 3.407.1-137.1-052 п.1.2 Узлы закрепления стоек в грунте С-1В…С-25В 3.407.1-137.1-053 п.1.2 Узлы закрепления стоек в грунте К-1…К-9;К-4…К-9 |
| Разработан: | Энергосетьпроект Минэнерго СССР |
| Утверждён: | 27.08.1986 Минэнерго СССР (USSR Minenergo 27) |


































































