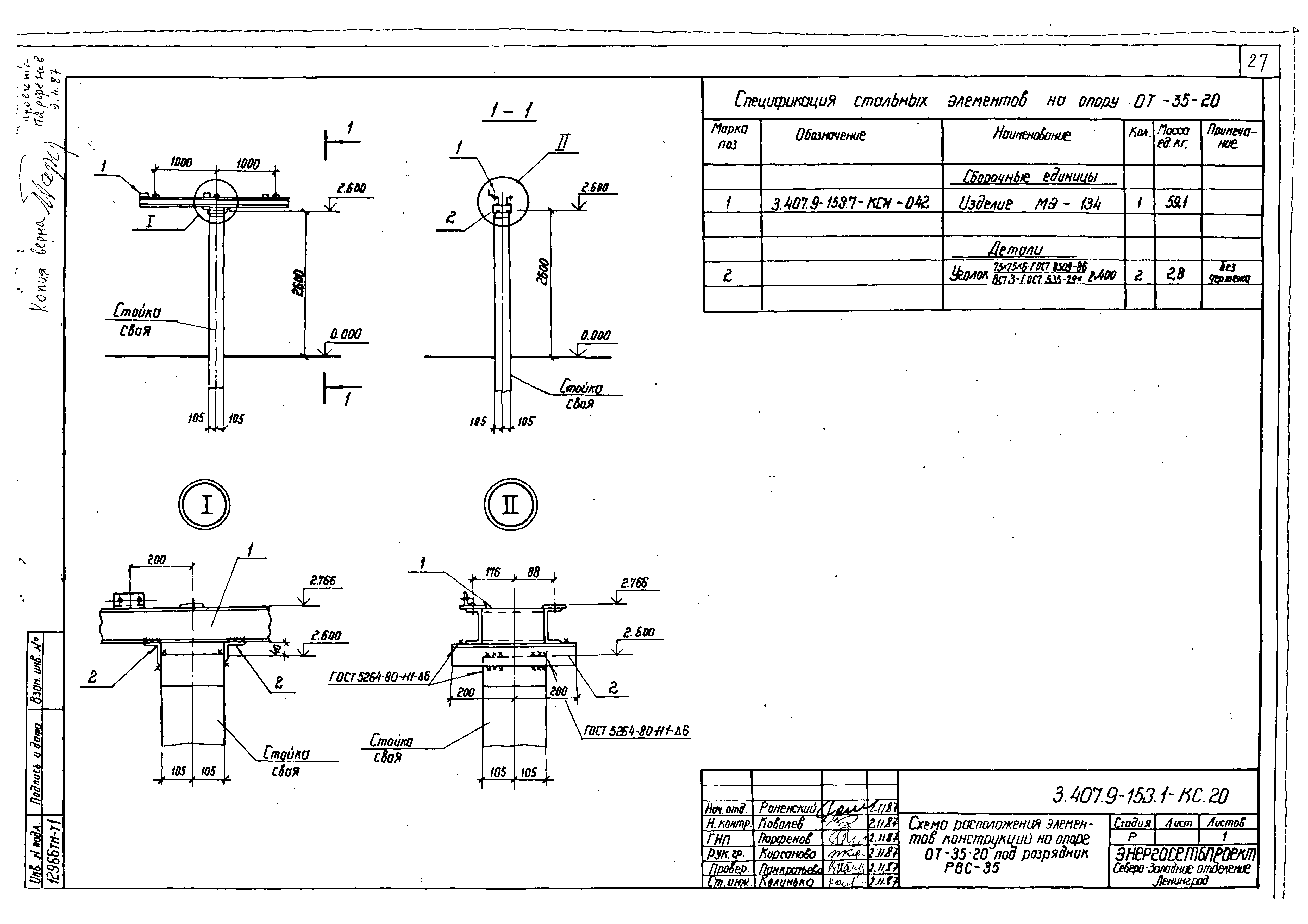
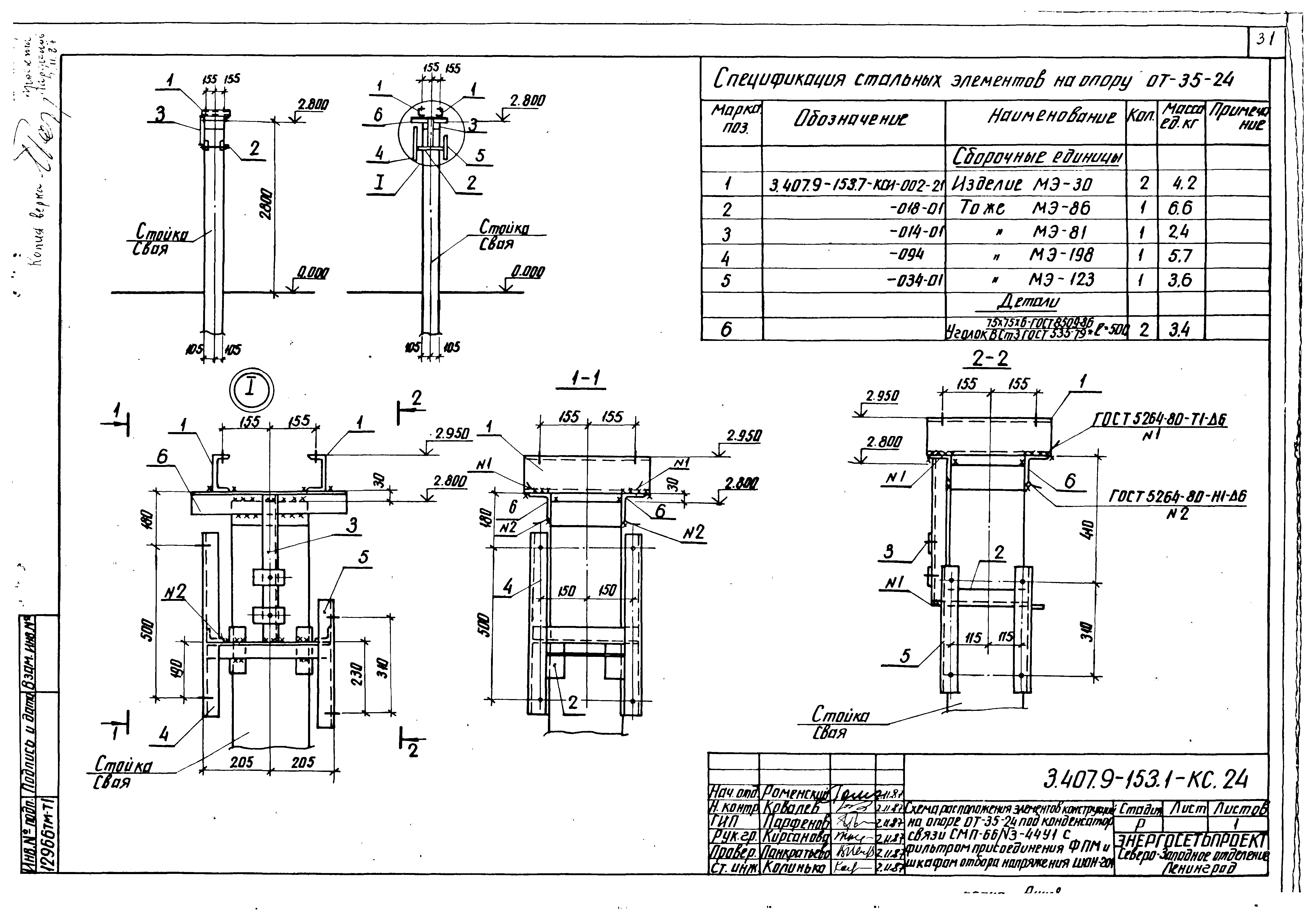
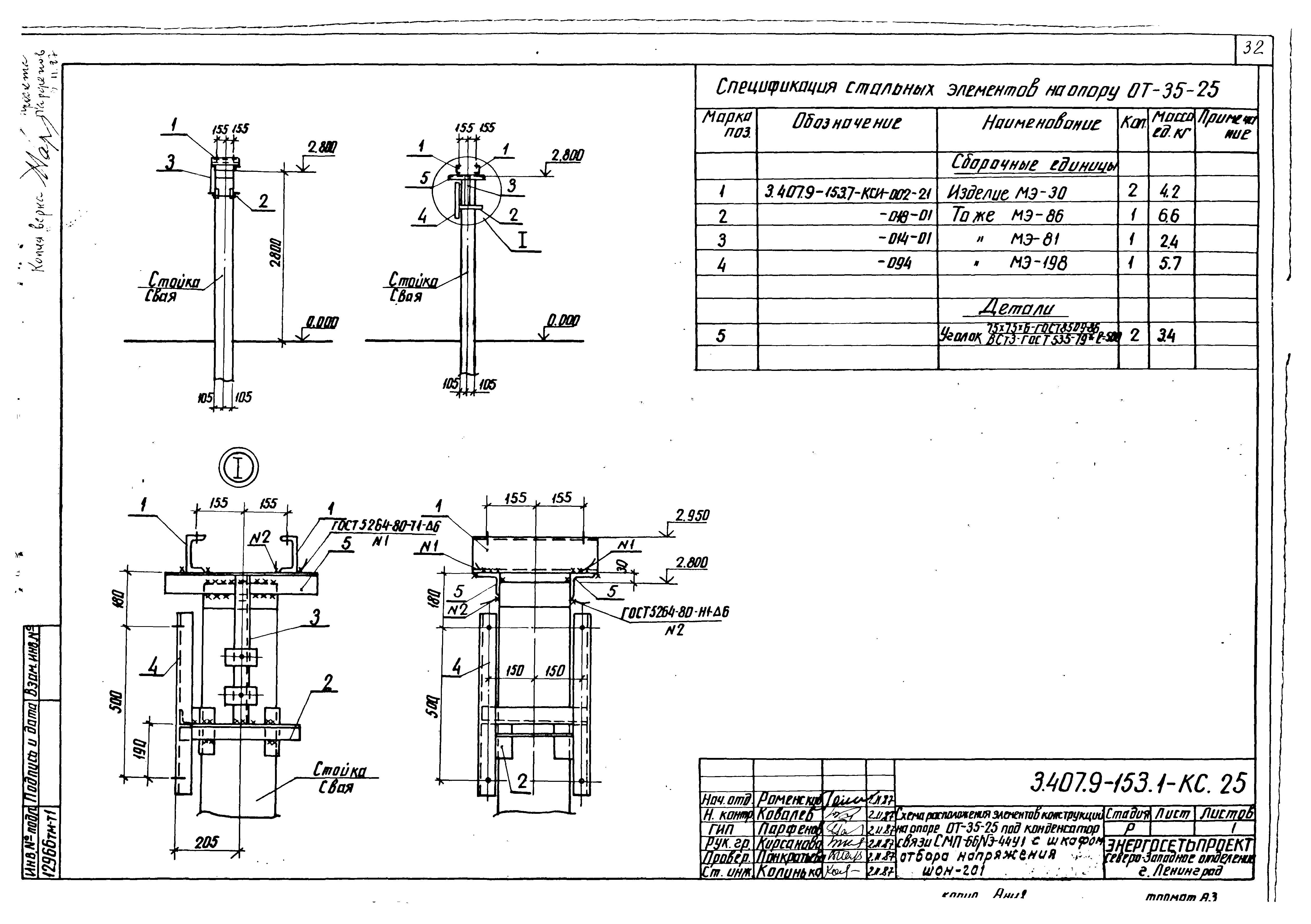
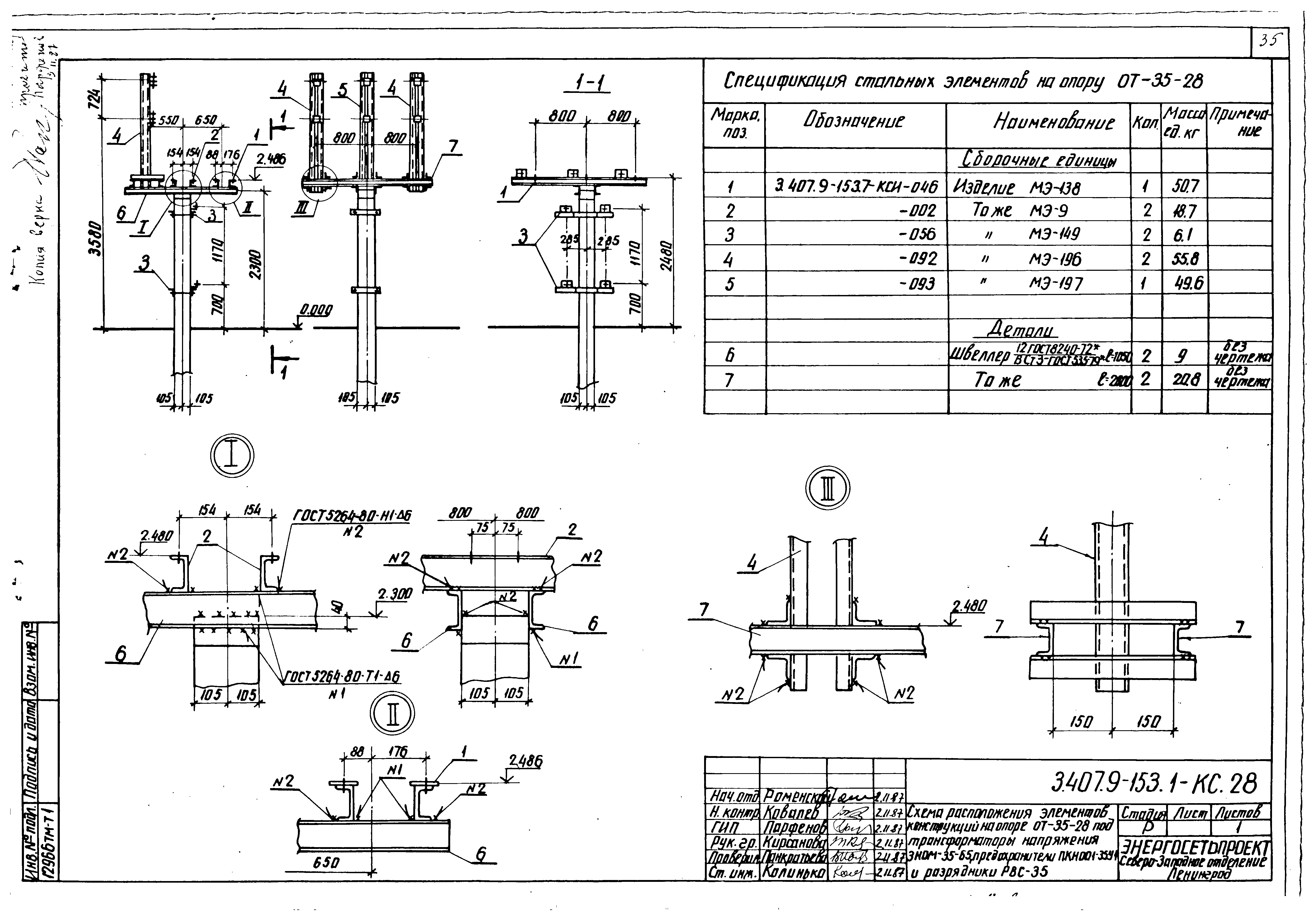
Скачать Серия 3.407.9-153 Выпуск 1. Опоры под оборудование для ОРУ 35 кВ. Рабочие чертежиДата актуализации: 01.01.2021 Серия 3.407.9-153
Выпуск 1. Опоры под оборудование для ОРУ 35 кВ. Рабочие чертежи| Обозначение: | Серия 3.407.9-153 | | Обозначение англ: | Series 3.407.9-153 | | Статус: | действует | | Название рус.: | Выпуск 1. Опоры под оборудование для ОРУ 35 кВ. Рабочие чертежи | | Дата добавления в базу: | 01.09.2013 | | Дата актуализации: | 01.01.2021 | | Дата введения: | 16.03.1988 | | Разработан: | Северо-западное отделение института Энергосетьпроект
| | Утверждён: | 16.03.1988 Минэнерго СССР (USSR Minenergo 20)
| | Издан: | ЦИТП Госстроя СССР (CITP, Gosstroy (USSR) 1988 г. )
|
                                   
|