Скачать Типовой проект 902-9-21 Альбом V. Электротехническая часть. Задание заводу-изготовителюДата актуализации: 01.01.2021
|
| Обозначение: | Типовой проект 902-9-21 |
| Обозначение англ: | 902-9-21 |
| Статус: | не определен законодательством |
| Название рус.: | Альбом V. Электротехническая часть. Задание заводу-изготовителю |
| Дата добавления в базу: | 01.09.2013 |
| Дата актуализации: | 01.01.2021 |
| Дата введения: | 24.03.1982 |
| Дата окончания срока действия: | 30.06.2003 |
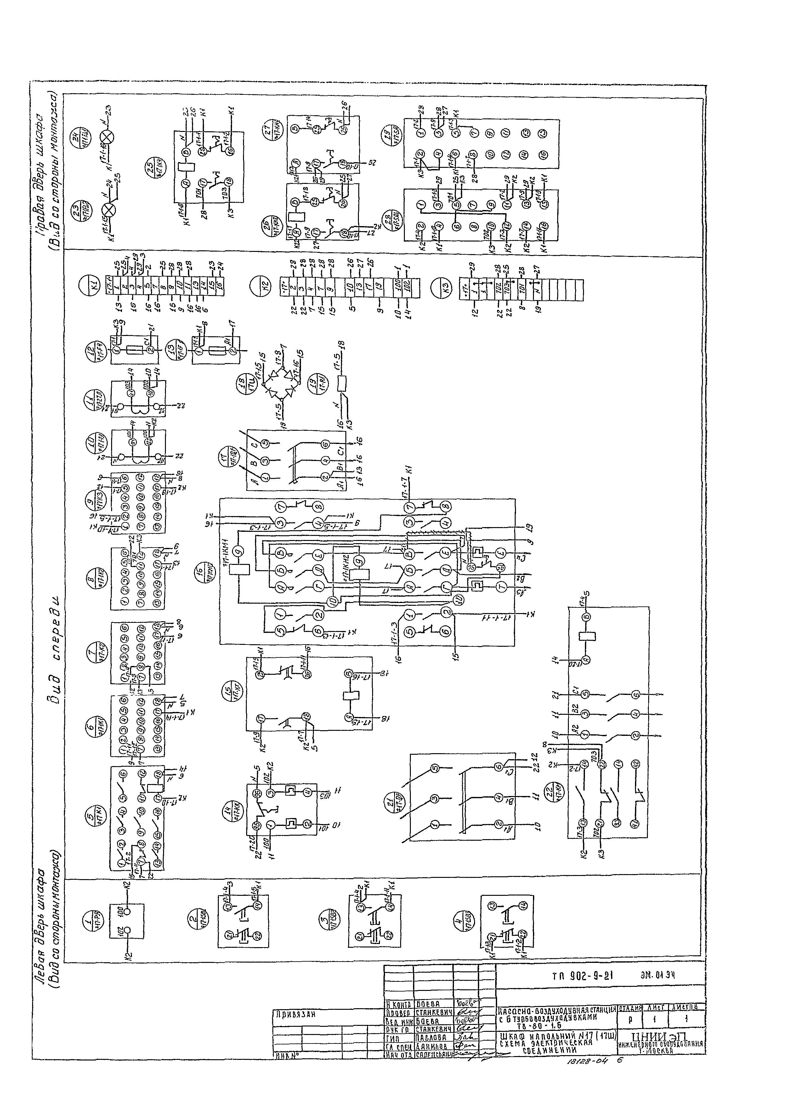
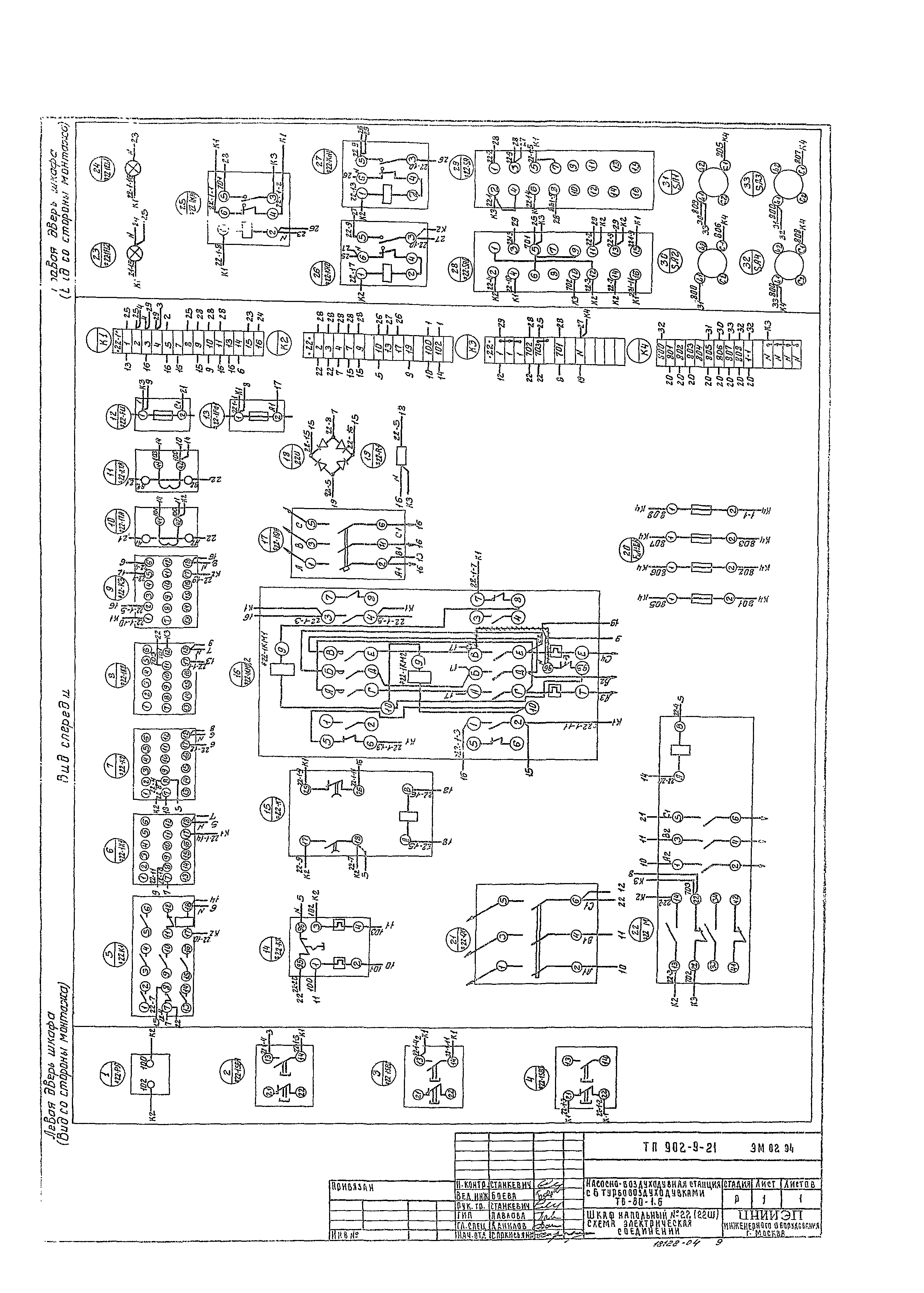
| Оглавление: | Общие данные Шкаф напольный № 17 (17Ш). Технические данные аппаратов Шкаф напольный № 17 (17Ш). Таблица перечня надписей Шкаф напольный № 17 (17Ш). Чертеж общего вида Шкаф напольный № 17 (17Ш). Схема электрическая соединений Шкаф напольный № 22 (22Ш). Технические данные аппаратов ТБ Шкаф напольный № 22 (22Ш). Таблица перечня надписей Шкаф напольный № 22 (22Ш). Чертеж общего вида Шкаф напольный № 22 (22Ш). Схема электрическая соединений Ящик сигнализации ЯС-1. Технические данные аппаратов Ящик сигнализации ЯС-1. Таблица перечня надписей Ящик сигнализации ЯС-1. Чертеж общего вида Ящик сигнализации ЯС-1. Схема электрическая соединений Ящик сигнализации ЯС-2. Технические данные аппаратов Ящик сигнализации ЯС-2. Таблица перечня надписей Ящик сигнализации ЯС-2. Чертеж общего вида Ящик сигнализации ЯС-2. Схема электрическая соединений |
| Разработан: | ЦНИИЭП инженерного оборудования |
| Утверждён: | 22.07.1974 Госгражданстрой (Gosgrazhdanstroy 164) |












