Скачать Серия 3.407.1-136 Выпуск 2. Карты технического уровня и качества продукции на железобетонные стойки СВ95-2 и СВ105Дата актуализации: 01.01.2021
|
| Обозначение: | Серия 3.407.1-136 |
| Обозначение англ: | Series 3.407.1-136 |
| Статус: | не определен законодательством |
| Название рус.: | Выпуск 2. Карты технического уровня и качества продукции на железобетонные стойки СВ95-2 и СВ105 |
| Дата добавления в базу: | 01.09.2013 |
| Дата актуализации: | 01.01.2021 |
| Дата введения: | 01.07.1986 |
| Дата окончания срока действия: | 30.06.2003 |
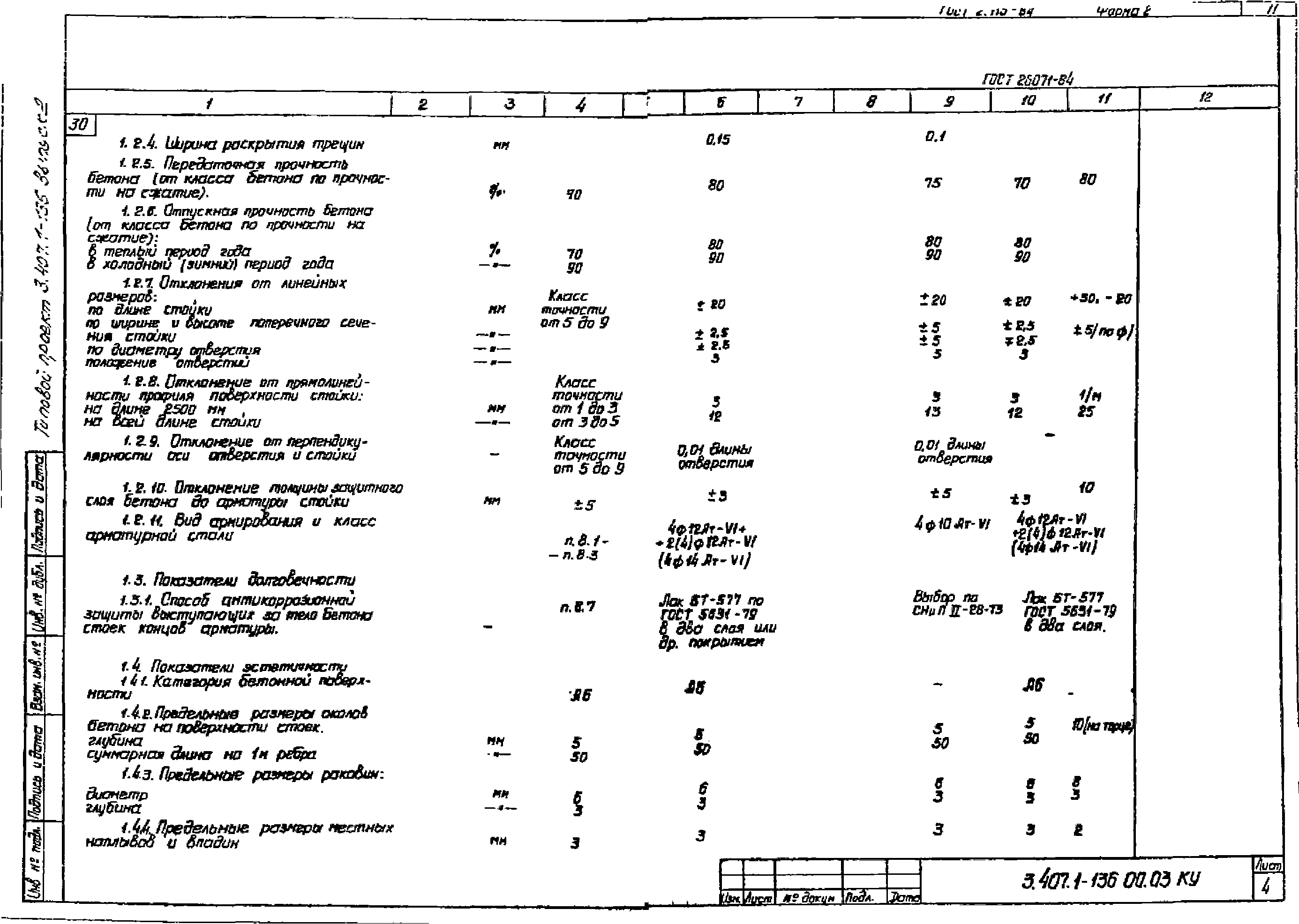
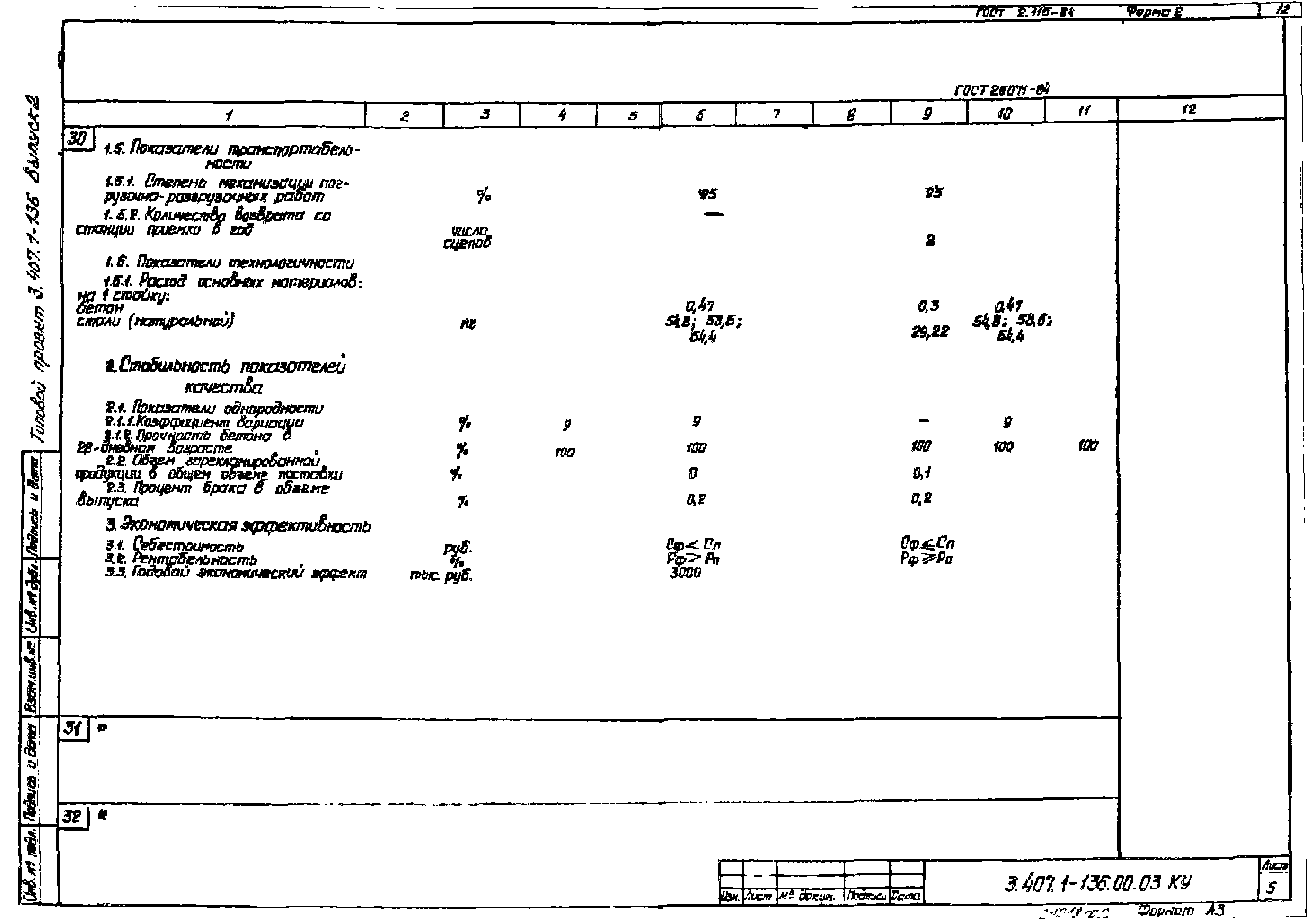
| Оглавление: | 3.407.1-135 00.01 КУ Карта технического уровня и качества продукции на СВ 95-2 Титульный лист Общие данные о продукции Определение технического уровня и качества продукции Сведения о представителях типоразмерного ряда группы (подгруппы) продукции Данные об аналогах Сведения о качестве продукции 3.407.1-135 00.03 КУ Карта технического уровня и качества продукции на СВ 105 Титульный лист Общие данные о продукции Определение технического уровня и качества продукции Сведения о представителях типоразмерного ряда группы (подгруппы) продукции Данные об аналогах Сведения о качестве продукции |
| Разработан: | Сельэнергопроект Минэнерго СССР |
| Утверждён: | 03.10.1985 Минэнерго СССР (USSR Minenergo 24) |














