Скачать Серия 3.407.1-164 Выпуск 1. Промежуточные, угловые, концевые и промежуточно-угловые опоры. Рабочие чертежиДата актуализации: 01.01.2021
|
| Обозначение: | Серия 3.407.1-164 |
| Обозначение англ: | Series 3.407.1-164 |
| Статус: | не определен законодательством |
| Название рус.: | Выпуск 1. Промежуточные, угловые, концевые и промежуточно-угловые опоры. Рабочие чертежи |
| Дата добавления в базу: | 01.09.2013 |
| Дата актуализации: | 01.01.2021 |
| Дата введения: | 01.03.1989 |
| Дата окончания срока действия: | 30.06.2003 |
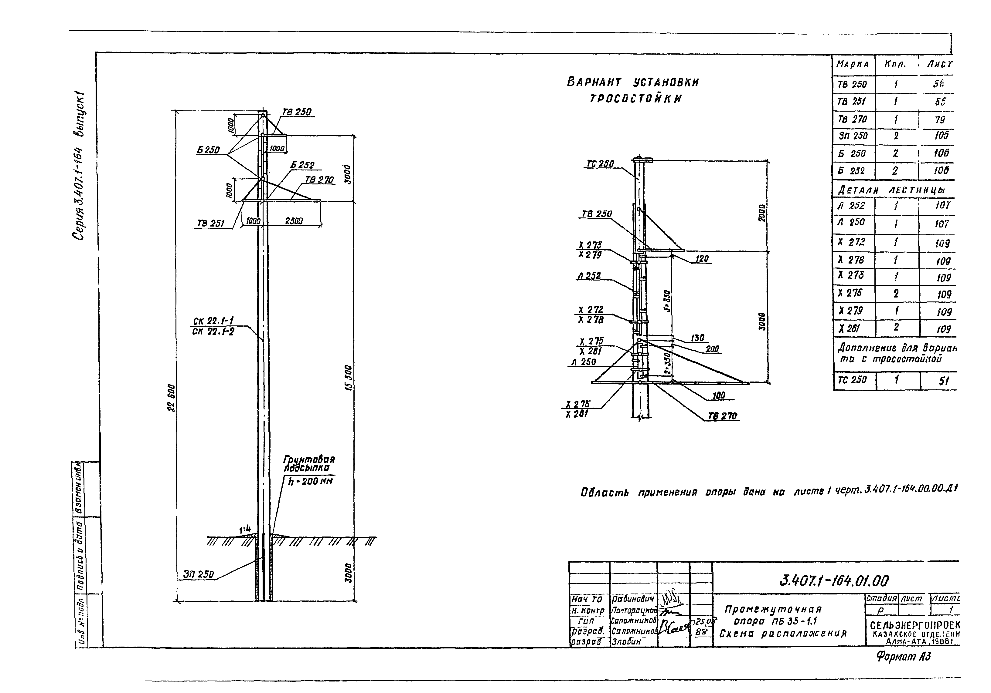
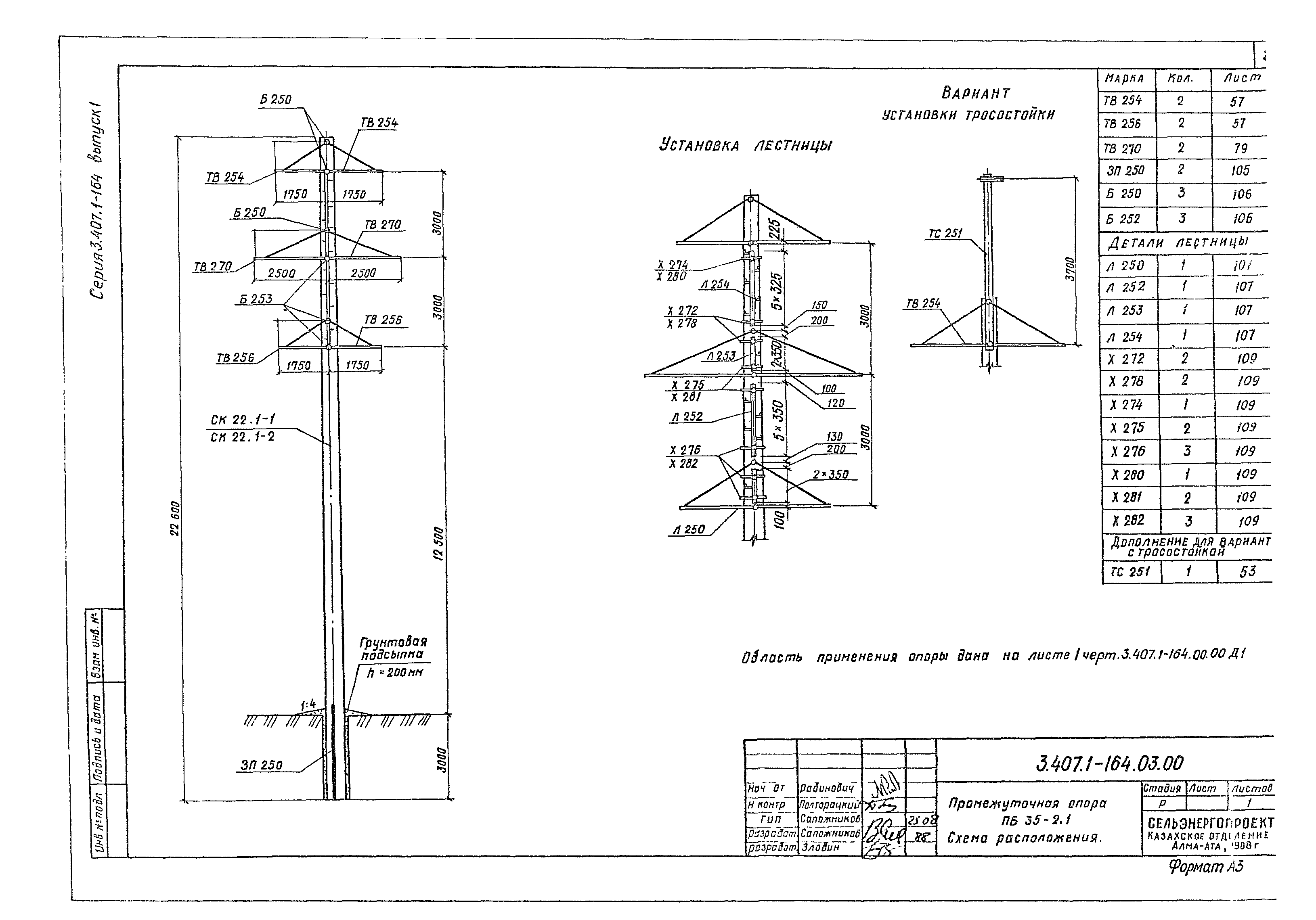
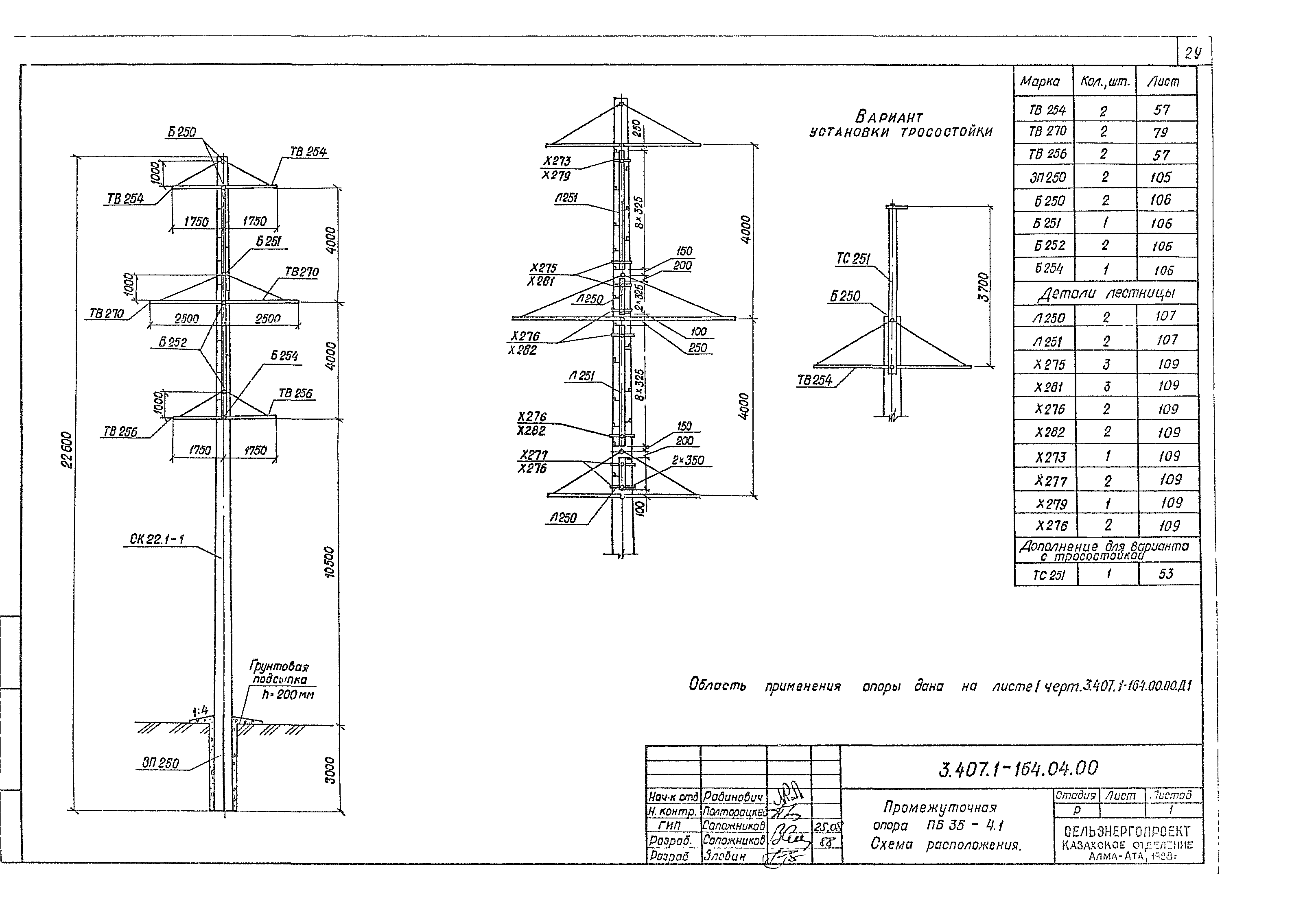
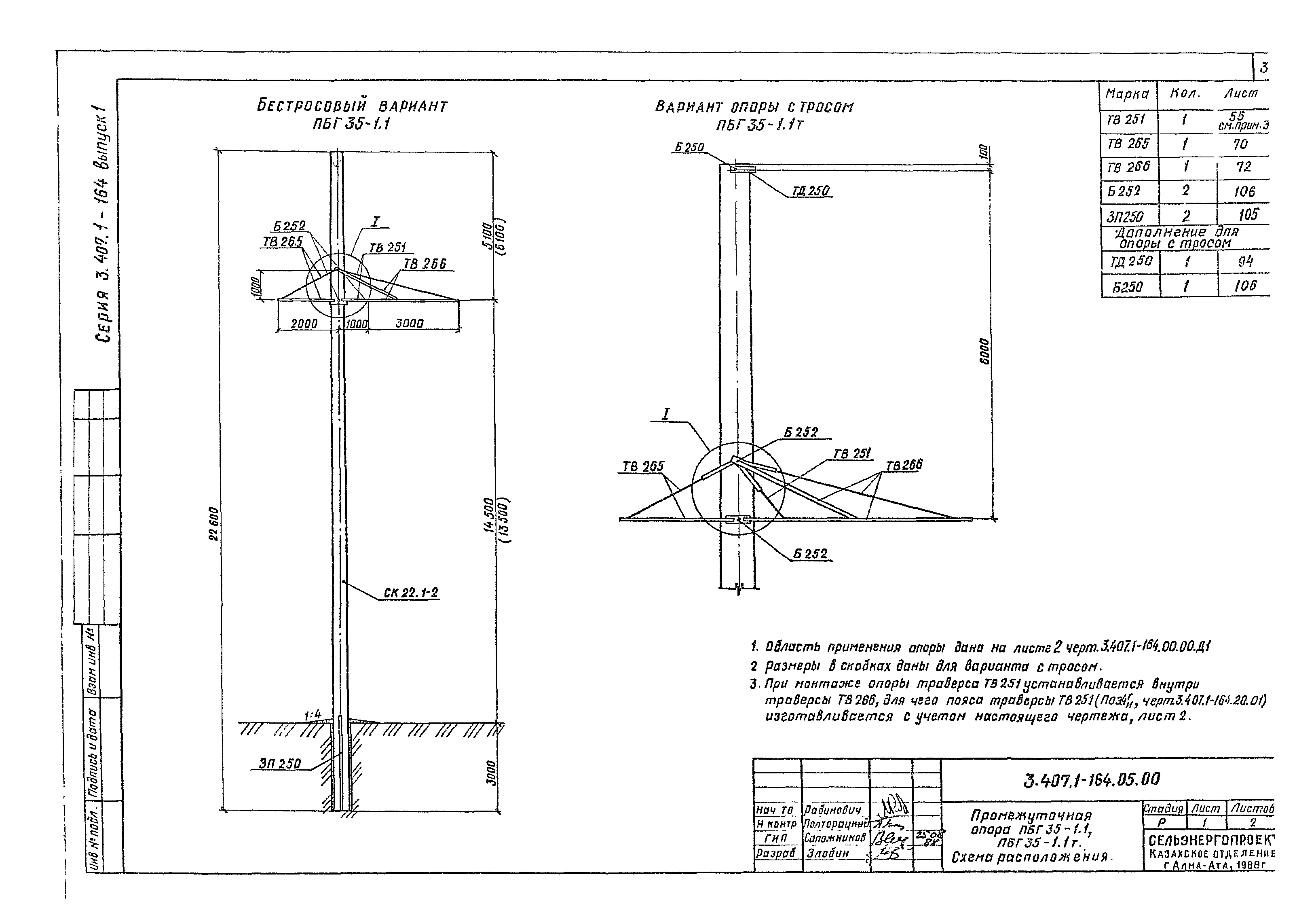
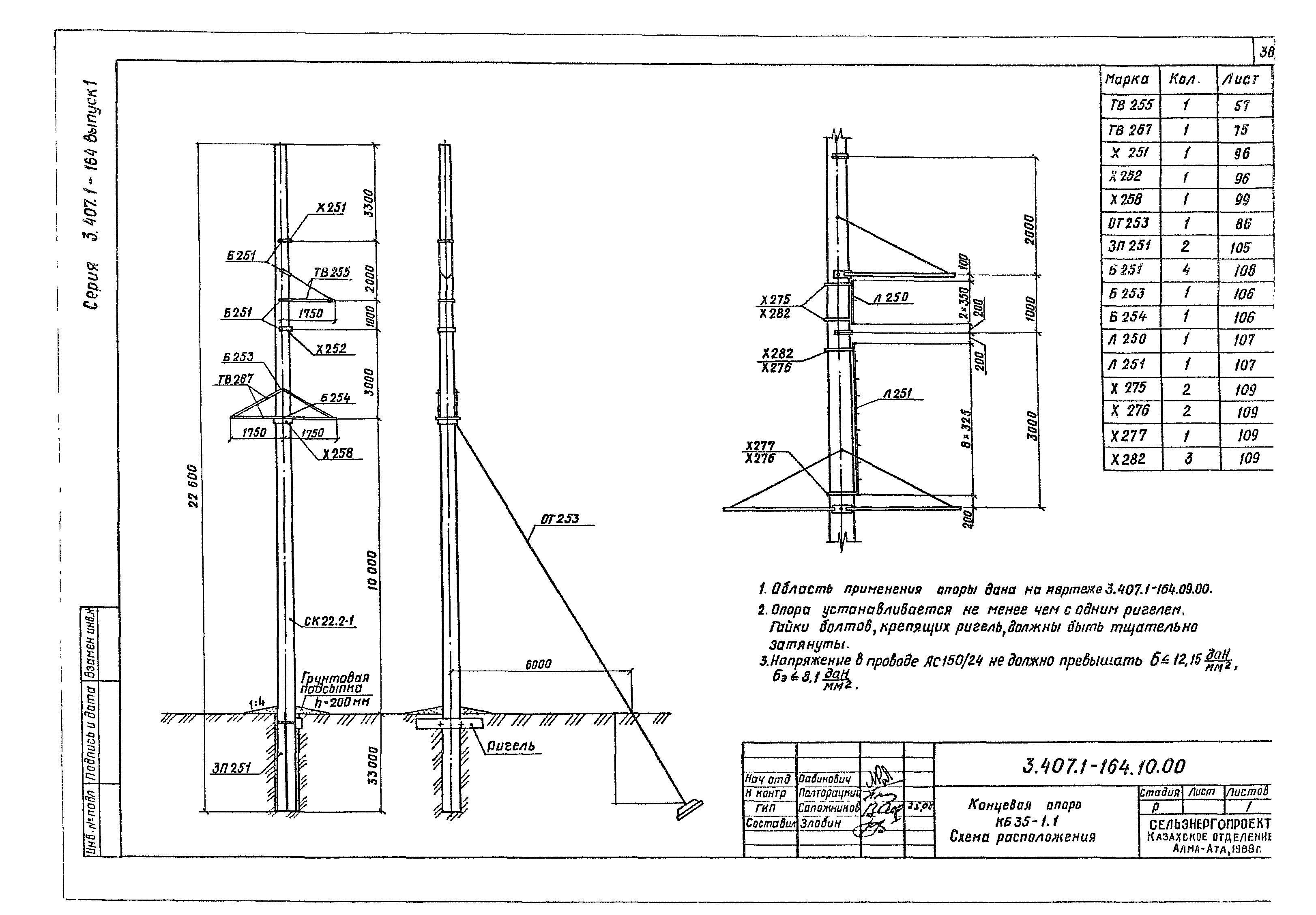
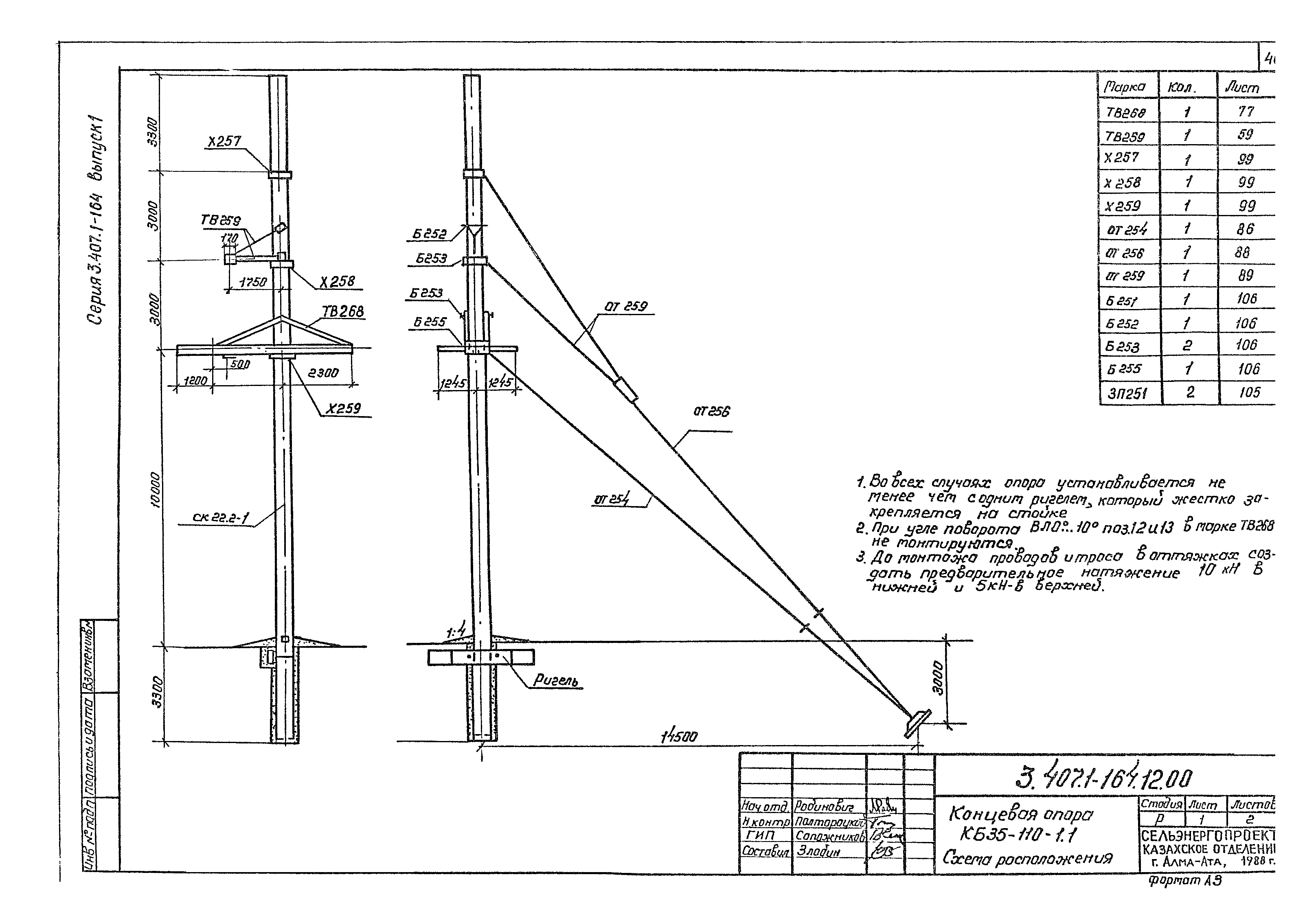
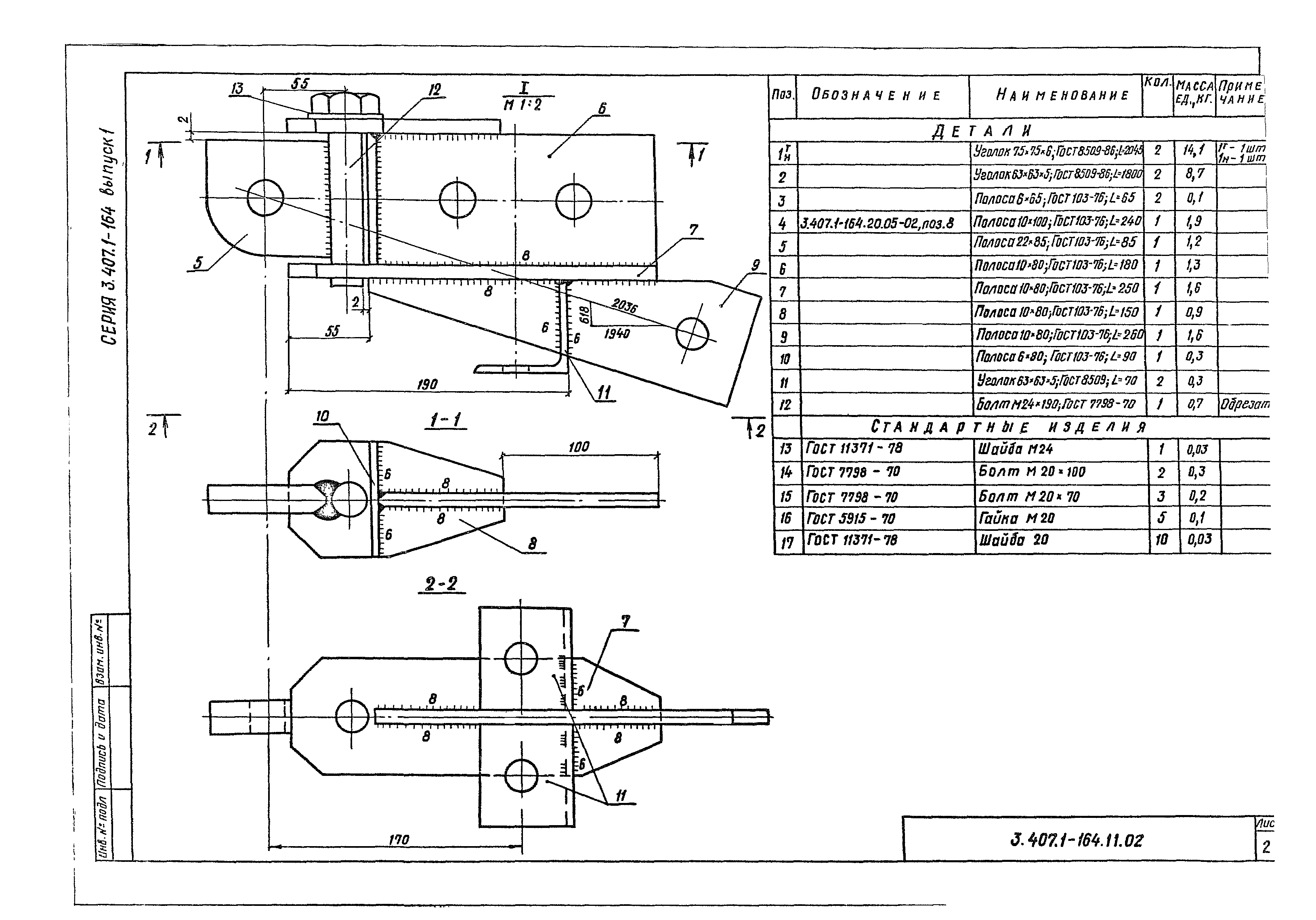
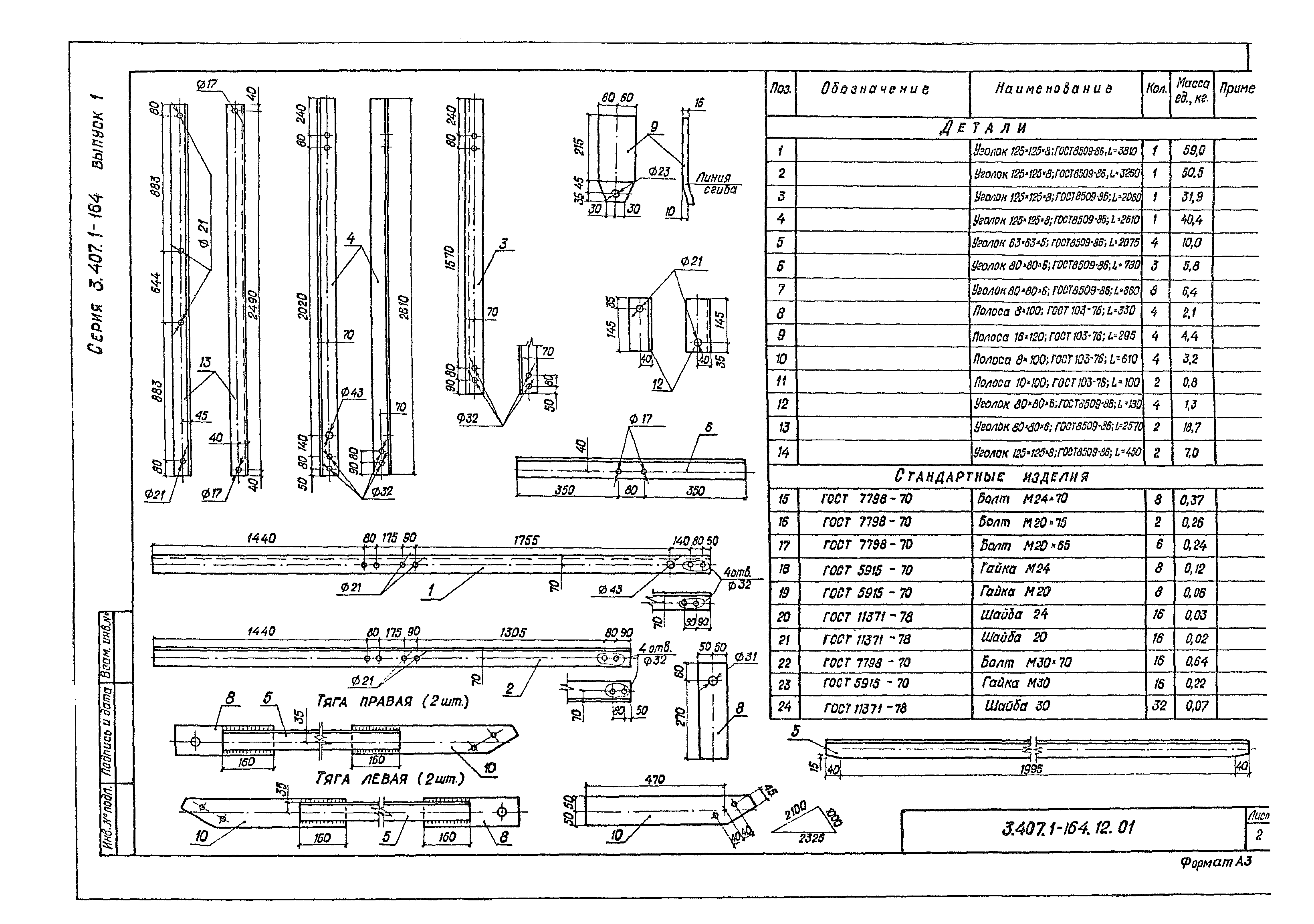
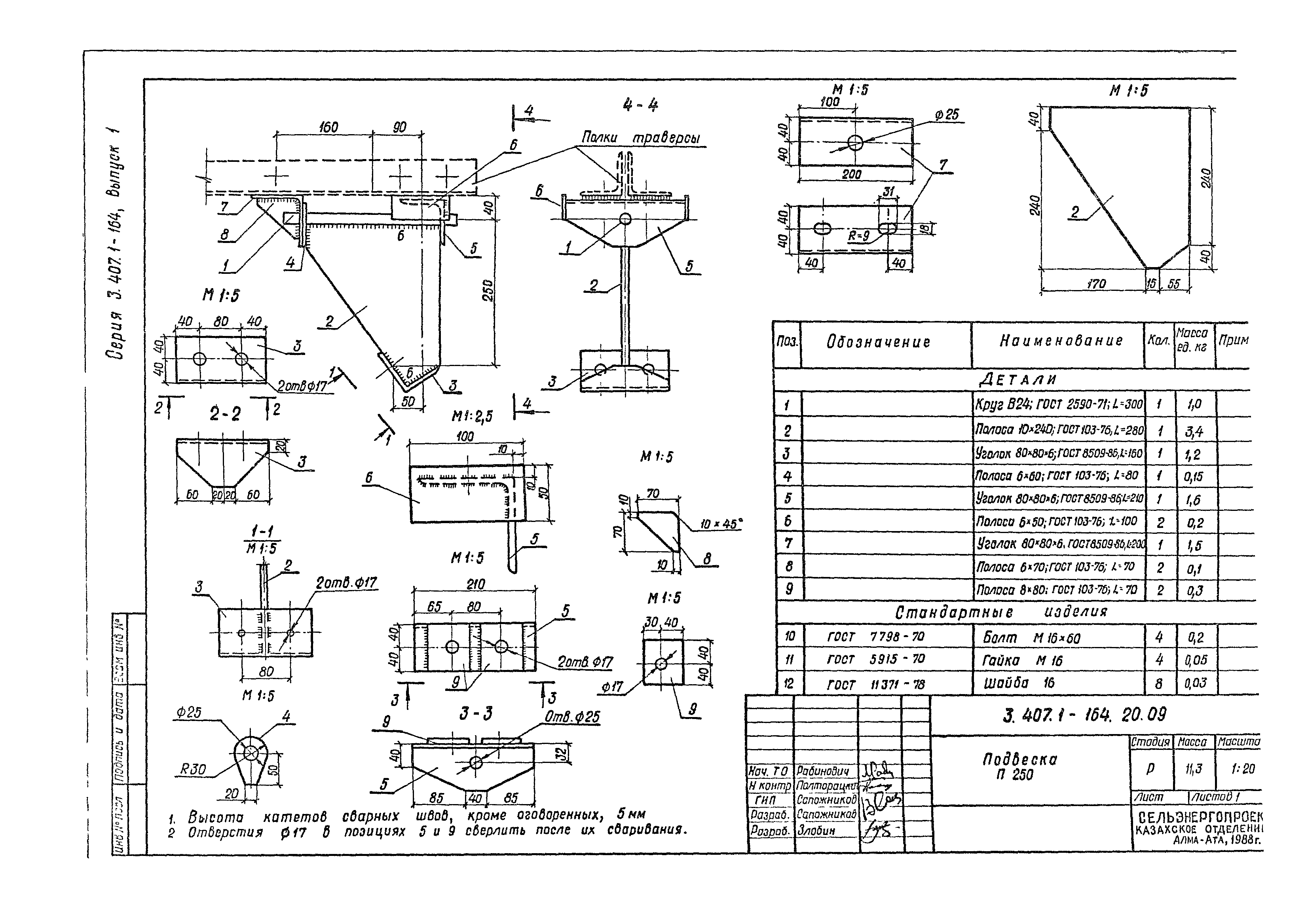
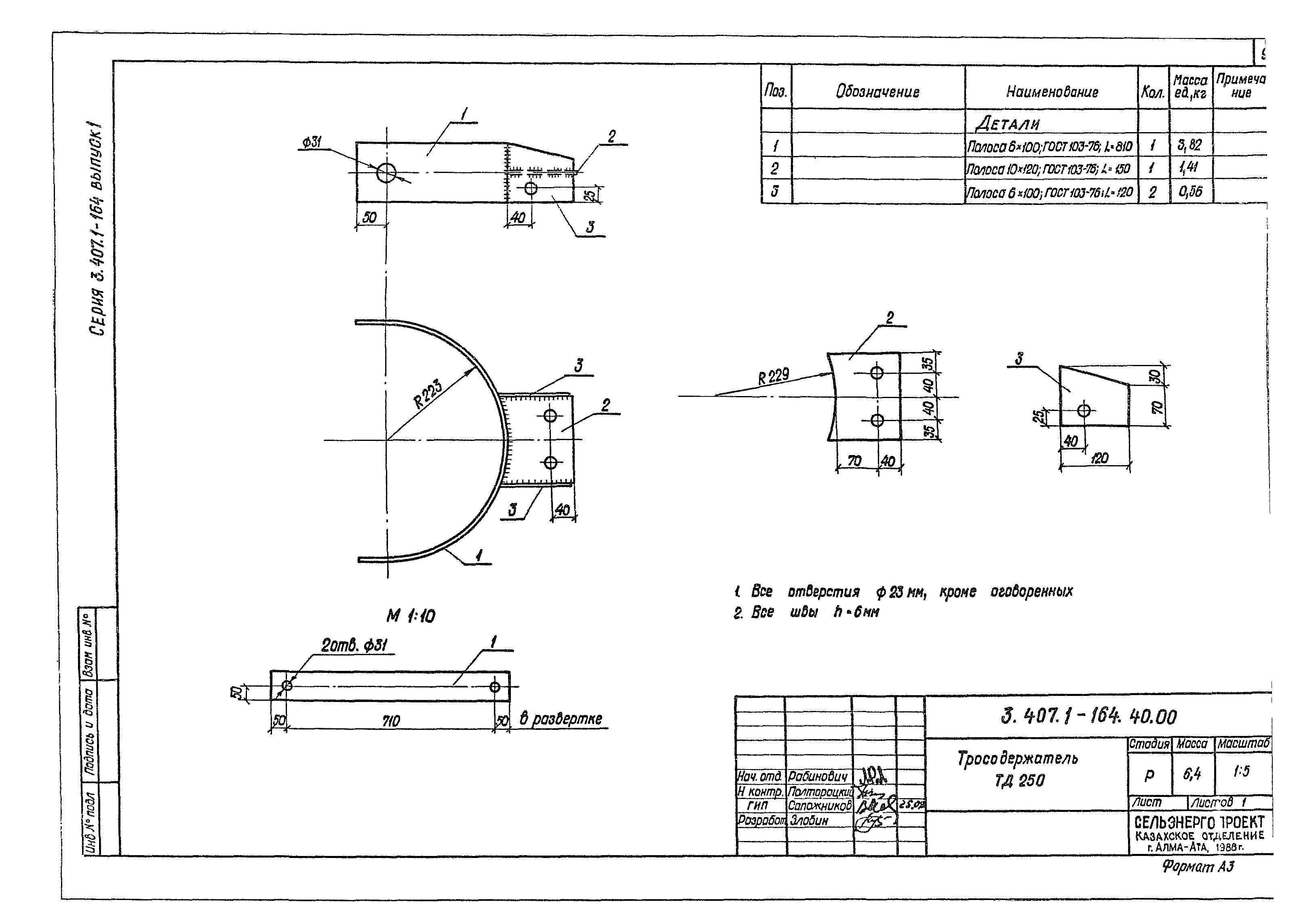
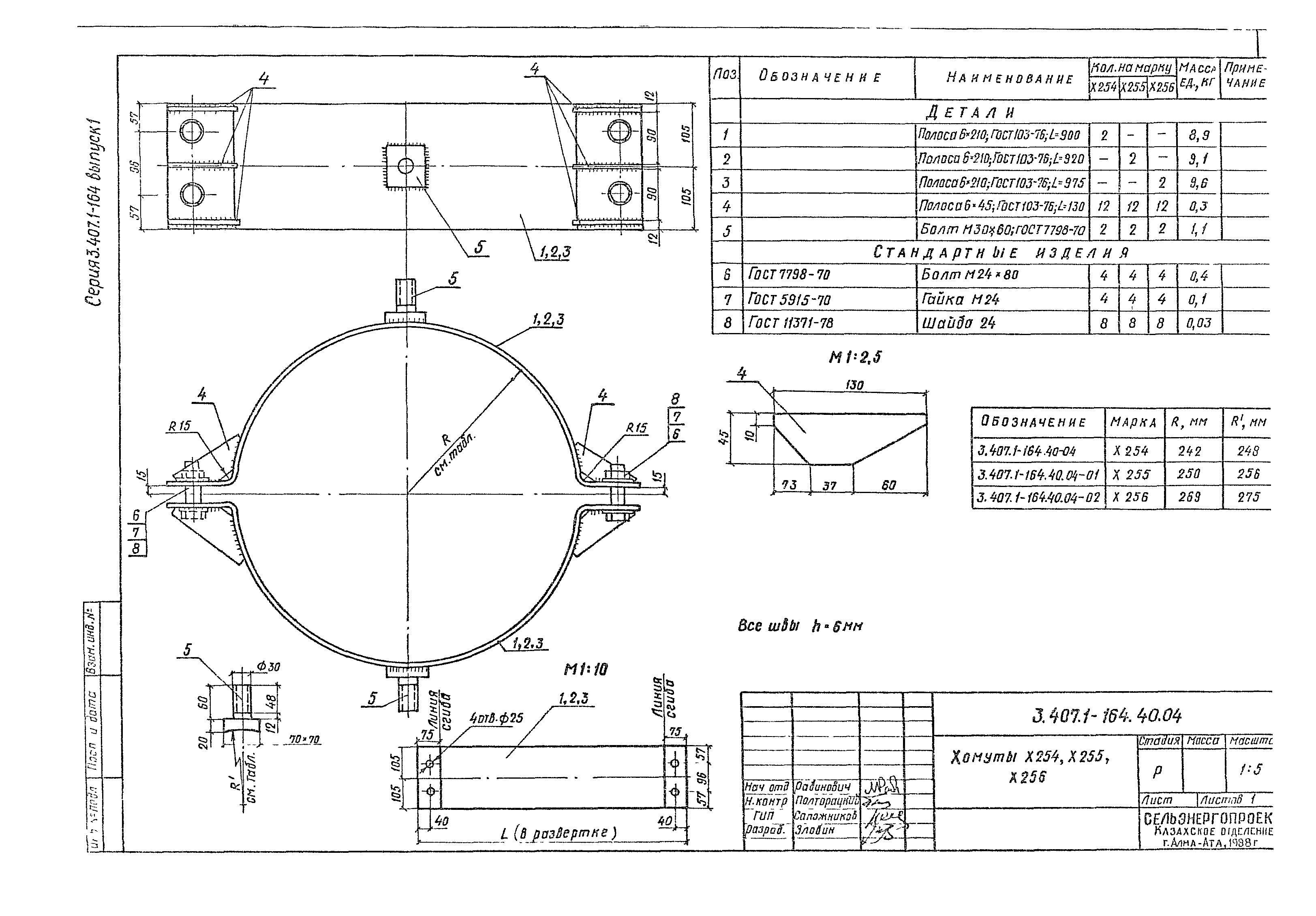
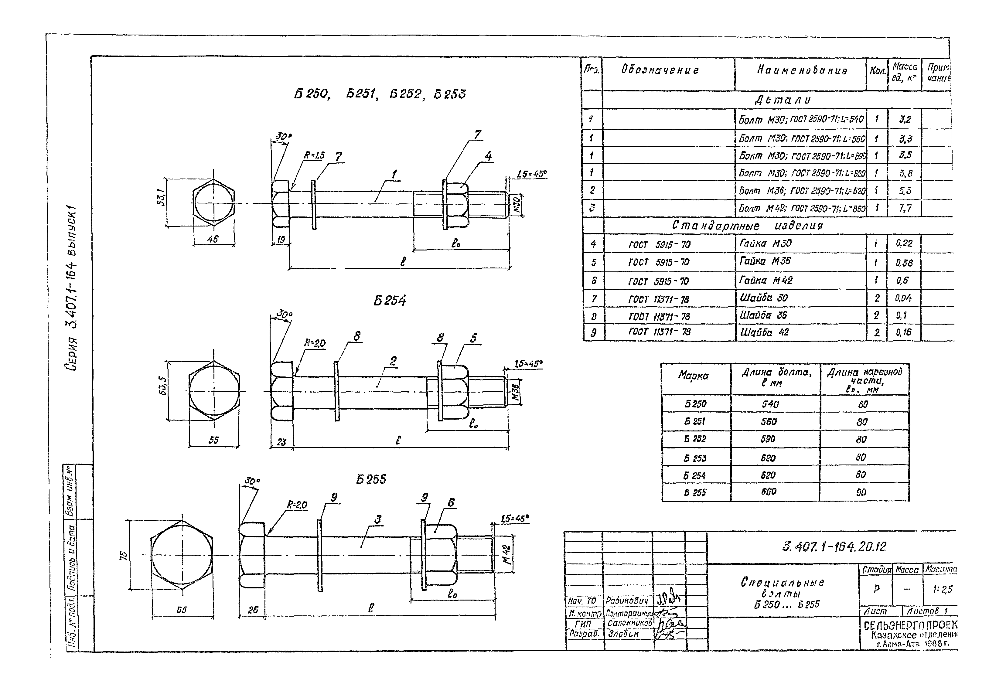
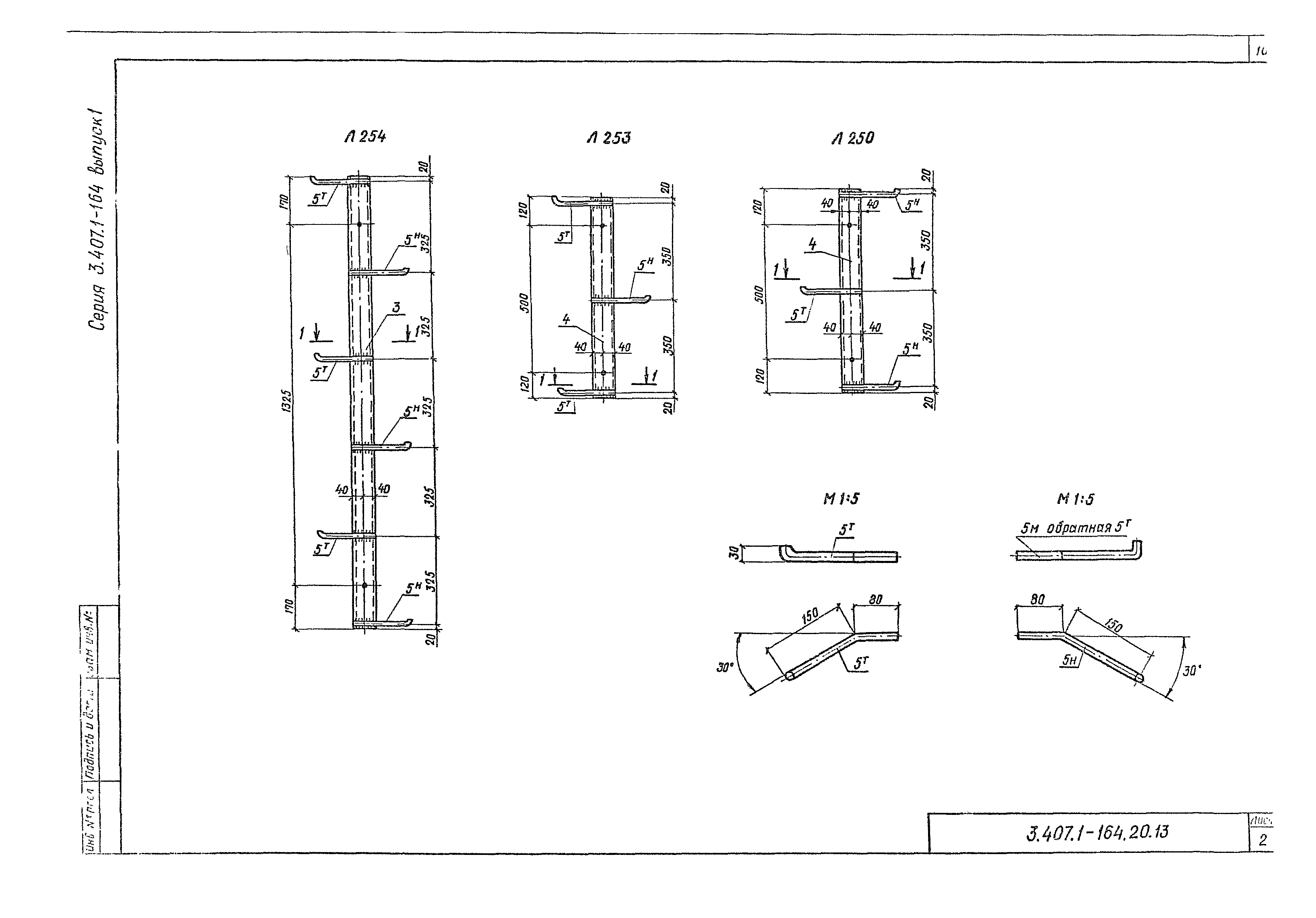
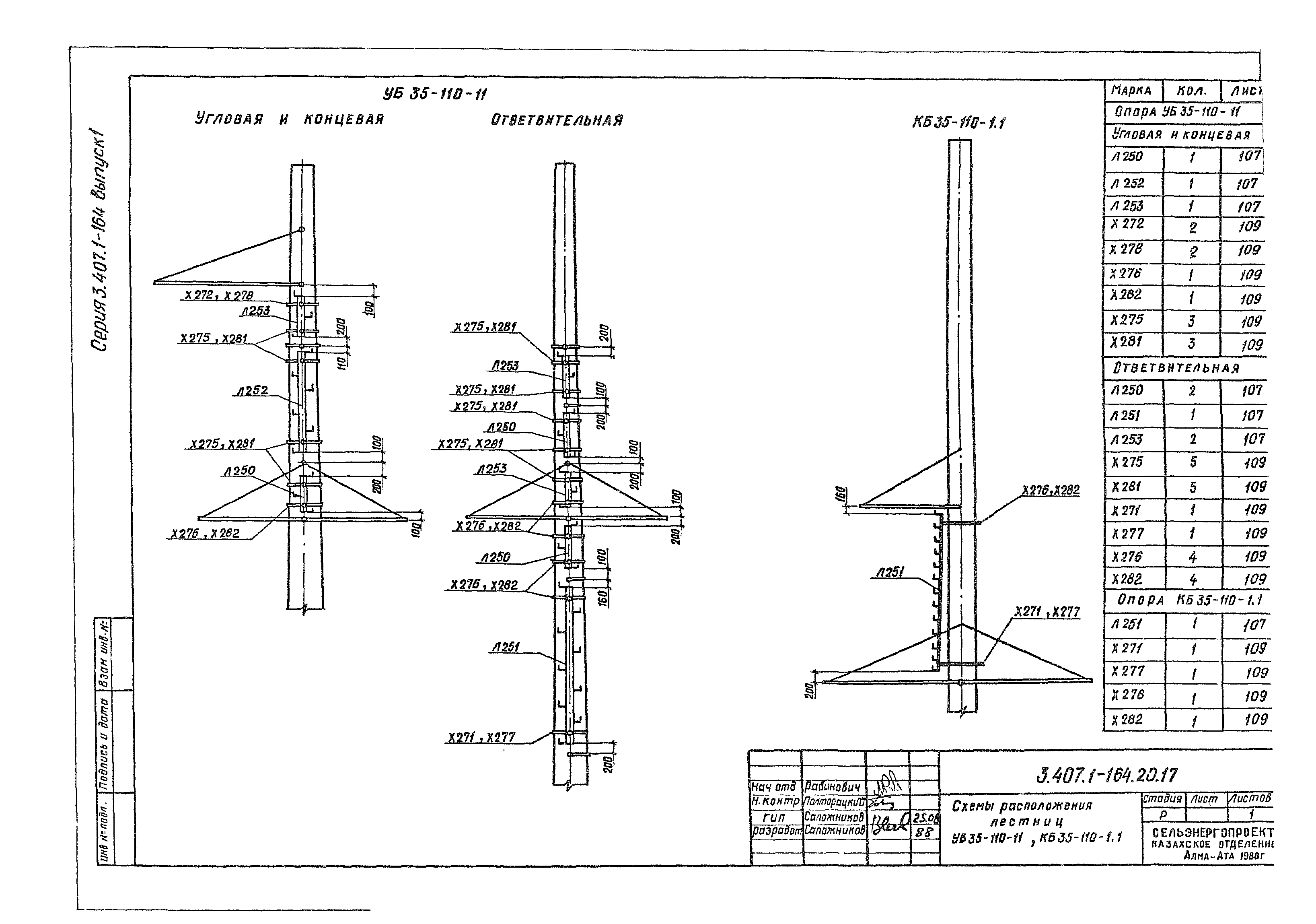
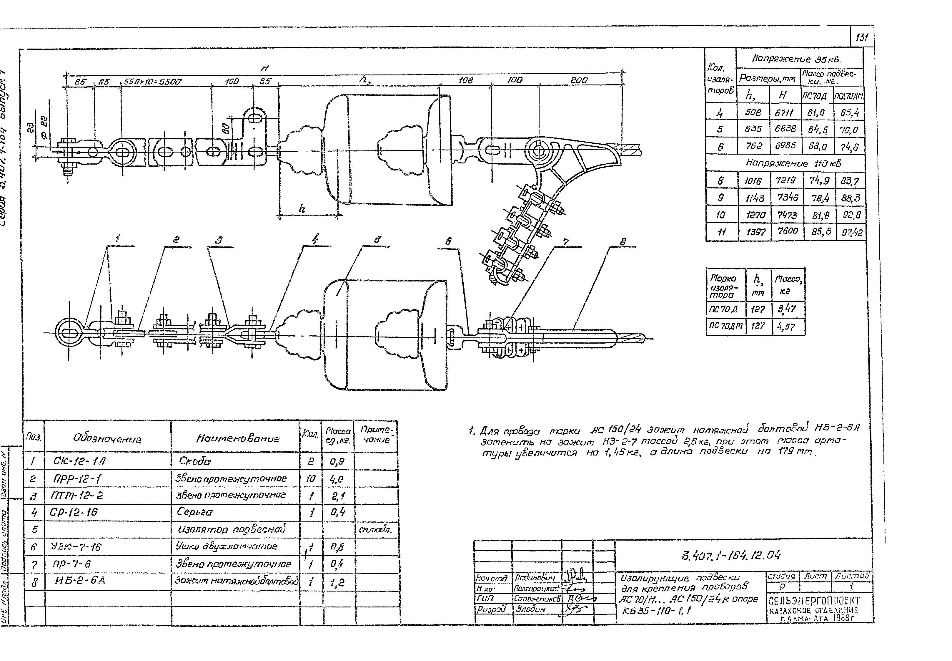
| Оглавление: | 3.407.1-164.00.00.ПЗ Пояснительная записка 1. Общая часть 2. Железобетонные и металлические 3. Назначение и область применения опор 4. Провода, изоляторы и линейная арматура 5. Закрепление опор в грунте 6. Сборка опор 7. Расчет экономической эффективности 8. Заключение на новизну и патентоспособность конструкции Таблица 1. Расчетные пролеты одноцепной промежуточной опоры ПБ 35-1.1. Стойка СК 22.1-1.1 Таблица 2. Расчетные пролеты одноцепной промежуточной опоры ПБ 35-1.1. Стойка СК 22.1-2.1 Таблица 3. Расчетные пролеты одноцепной промежуточной опоры ПБ 35-3.1. Стойка СК 22.1-1.1 Таблица 4. Расчетные пролеты двухцепной промежуточной опоры ПБ 35-3.1. Стойка СК 22.1-2.1 Таблица 5. Расчетные пролеты двухцепной промежуточной опоры ПБ 35-2.1. Стойка СК 22.1-1.1 Таблица 6. Расчетные пролеты двухцепной промежуточной опоры ПБ 35-2.1. Стойка СК 22.1-2.1 Таблица 7. Расчетные пролеты двухцепной промежуточной опоры ПБ 35-4.1. Стойка СК 22.1-1.1 Таблица 8. Расчетные пролеты одноцепной промежуточной опоры ПБГ 35-1.1. Стойки СК 22.1-1.1, СК 22.1-2.1 Таблица 9. Расчетные пролеты одноцепной промежуточной опоры ПБГ 35-1.1. Стойки СК 22.1-2.1, СК 22.1-1.1 3.407.1-164.00.00. Д1 Номенклатура 3.407.1-164.01.00 Промежуточная опора ПБ 35-1.1. Схема расположения 3.407.1-164.02.00 Промежуточная опора ПБ 35-3.1. Схема расположения 3.407.1-164.03.00 Промежуточная опора ПБ 35-2.1. Схема расположения 3.407.1-164.04.00 Промежуточная опора ПБ 35-4.1. Схема расположения 3.407.1-164.05.00 Промежуточная опора ПБГ 35-1.1. Схема расположения 3.407.1-164.06.00 Промежуточная угловая опора ПУСБ 35-1.1. Схема расположения 3.407.1-164.07.00 Промежуточная угловая опора ПУСБ 35-2.1. Схема расположения 3.407.1-164.08.00 Промежуточная угловая опора ПУСБ 35-4.1, ПУСБ 35-4.1т. Схема расположения 3.407.1-164.09.00 Угловая анкерная опора УБ 35-11.1. Схема расположения 3.407.1-164.10.00 Концевая опора КБ 35-1.1 Схема расположения 3.407.1-164.11.00 Промежуточная угловая опора ПУБ 35-11-1.1, ПУБ 35-110-1.1т. Схема расположения 3.407.1-164.12.00 Концевая опора КБ 35-110-1.1 Схема расположения 3.407.1-164.13.00 Угловая анкерная опора УБ 35-110-11. Схема расположения 3.407.1-164.14.00 Опора УБ 35-110-11 в концевом и ответвительном исполнении. Схема расположения 3.407.1-164.15.00 Угловая анкерная опора УБ 35-110-5. Схема расположения 3.407.1-164.16.00 Угловая анкерная опора УБ35-110-13. Схема расположения 3.407.1-164.01.01 Тросостойка ТС 250 3.407.1-164.03.01 Тросостойка ТС 251 3.407.1-164.20.01 Траверсы ТВ250, ТВ251, ТВ252, ТВ253 3.407.1-164.20.02 Траверсы ТВ254, ТВ255, ТВ256, ТВ257, ТВ258 3.407.1-164.20.03 Траверсы ТВ259, ТВ260, ТВ261 3.407.1-164.11.01 Траверсы ТВ262, ТВ263 3.407.1-164.11.02 Траверса ТВ264 3.407.1-164.05.01 Траверса ТВ265 3.407.1-164.05.02 Траверса ТВ266 3.407.1-164.20.04 Траверса ТВ267 3.407.1-164.12.01 Траверса ТВ268 3.407.1-164.20.05 Траверсы ТВ269, ТВ270, ТВ271, ТВ272 3.407.1-164.20.06 Траверсы ТВ273, ТВ274, ТВ275 3.407.1-164.20.07 Стяжка С250 3.407.1-164.20.08 Стяжка С251 3.407.1-164.20.09 Подвеска П250 3.407.1-164.20.10 Вилка В251…В258 3.407.1-164.20.11 Переходное звено П3250 3.407.1-164.30.01 Оттяжки ОТ250, ОТ251, ОТ252, ОТ253, ОТ254 3.407.1-164.30.02 Оттяжки ОТ255, ОТ256 3.407.1-164.30.03 Оттяжки ОТ257, ОТ258, ОТ259, ОТ260 3.407.1-164.30.04 Оттяжка ОТ261 3.407.1-164.30.05 Корпус зажима ЭК250 3.407.1-164.30.06 Корпус зажима ЭК251 3.407.1-164.30.07 Клин К250 3.407.1-164.30.08 Зажим 3250 3.407.1-164.40.00 Тросодержатель ТД250 3.407.1-164.40.01 Хомут Х250 3.407.1-164.40.02 Хомут Х251, Х252 3.407.1-164.40.03 Хомут Х253 3.407.1-164.40.04 Хомут Х254, Х255, Х256 3.407.1-164.12.01 Хомут Х257, Х258, Х259 3.407-1-164.40.05 Хомут Х260, Х261, Х262 3.407.1-164.40.07 Хомут Х263, Х264, Х265, Х266, Х267 3.407.1-164.40.06 Хомут Х268 3.407.1-164.40.08 Хомут Х269 3.407.1-164.40.09 Полухомут Х270 3.407.1-164.01.02 Заземляющие стержни ЗП250, ЗП251 3.407.1-164.20.12 Специальные болты Б250, Б251, Б252, Б253, Б254, Б255 3.407.1-164.20.13 Лестницы Л250, Л251, Л252, Л253, Л254 3.407.1-164.20.14 Полухомуты для крепления лестниц Х271, Х272, Х273, Х274, Х275, Х276, Х277, Х278, Х279, Х280, Х281, Х282 3.407.1-164.20.15 Схемы расположения лестниц ПУСБ35-2.1; ПУСБ35-4.1; ПУСБ35-4.1т 3.407.1-164.20.16 Схемы расположения лестниц ПУБ35-110-1.1т, ПУБ35-110-1.1 3.407.1-164.20.17 Схемы расположения лестниц УБ35-110-11, КБ35-110-1.1 3.407.1-164.11.03 Схемы установки опор ПУБ35-110-1.1, ПУБ35-110-1.1т относительно оси ВЛ 3.407.1-164.11.04 Схемы крепления проводов на опорах ПУБ35-100-1.1, ПУБ35-110-1.1т 3.407.1-164.10.01 Схема крепления проводов на опоре КБ35-110.1.1 3.407.1-164.11.05 Схемы закрепления в грунте опор КБ35-110-1.1, ПУБ35-110-1.1 3.407.1-164.13.01 Схемы закрепления в грунте опор УБ35-110-11, УБ35-11-5, УБ35-110-13 3.407.1-164.08.01 Нагрузки на фундаменты опор КБ35.1.1, ПУСБ35-4.1, ПУСБ35.4.1т 3.407.1-164.11.06 Нагрузки на фундаменты опоры ПУБ35-110-11, ПУБ35-110-1.1т 3.407.1-164.12.03 Нагрузки на фундаменты опоры КБ35-110-1.1 3.407.1-164.13.03 Нагрузки на фундаменты опоры УБ35-110-11 3.407.1-164.15.01 Нагрузки на фундаменты опоры УБ35-110-5(9,5) 3.407.1-164.15.02 Нагрузки на фундаменты опоры УБ35-110-5(12,5) 3.407.1-164.16.01 Нагрузки на фундаменты опоры УБ35-110-13 3.407.1-164.11.07 Поддерживающие подвески для крепления проводов и троса к промежуточно-угловым опорам ПУБ35-110-1.1, ПУБ35-110-1-1т 3.407.1-164.12.04 Изолирующие подвески для крепления проводов к опоре КБ35-110-1.1 3.407.1-164.12.05 Изолирующие подвески для крепления проводов к опоре КБ35-110-1.2 3.407.1-164.13.02 Изолирующие подвески для опоры УБ35-110-11 3.407.1-164.00.00ВМ Ведомость потребности в материалах |
| Разработан: | Сельэнергопроект Минэнерго СССР |
| Утверждён: | 01.03.1989 Минэнерго СССР (USSR Minenergo ) |








































































































































