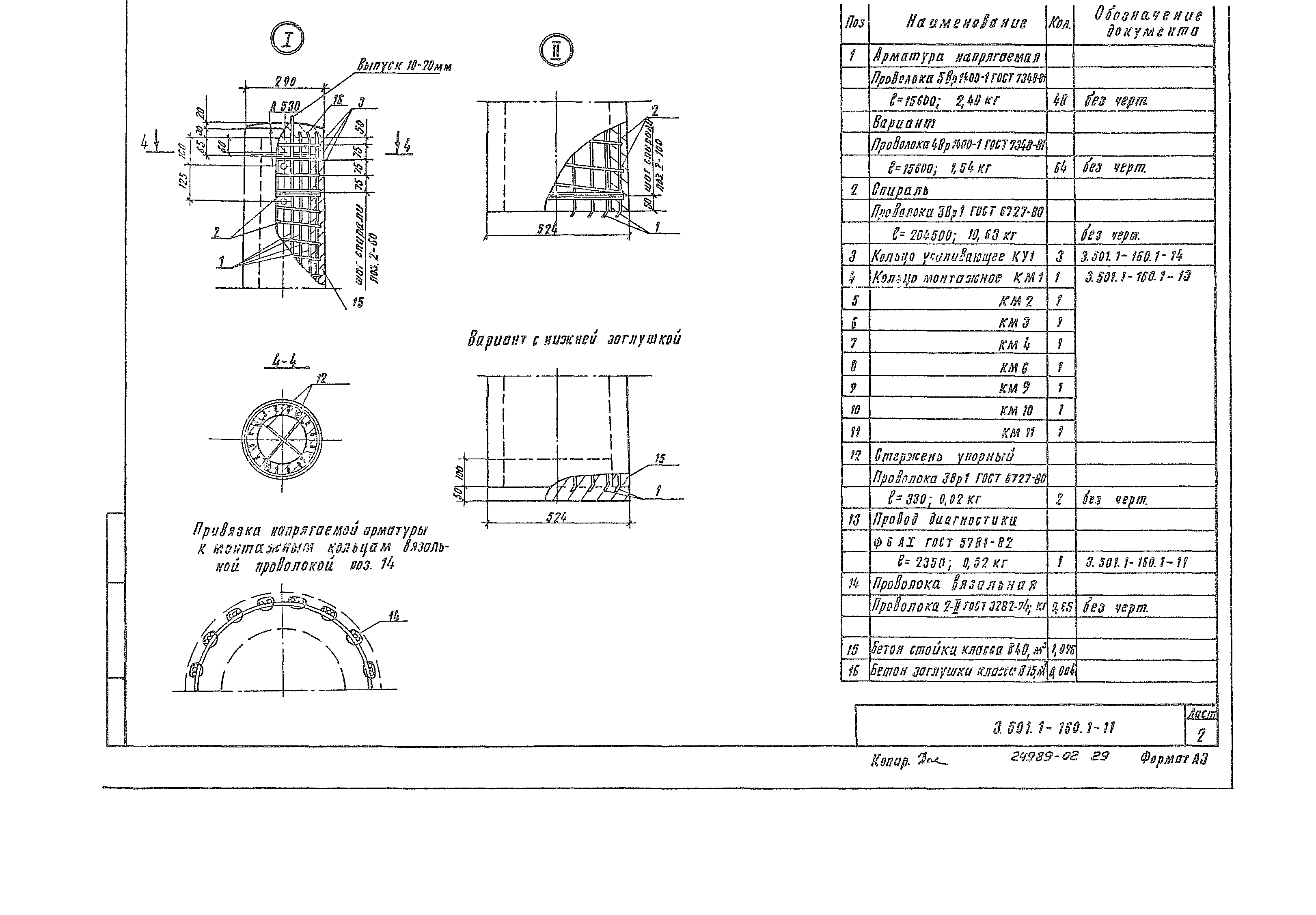
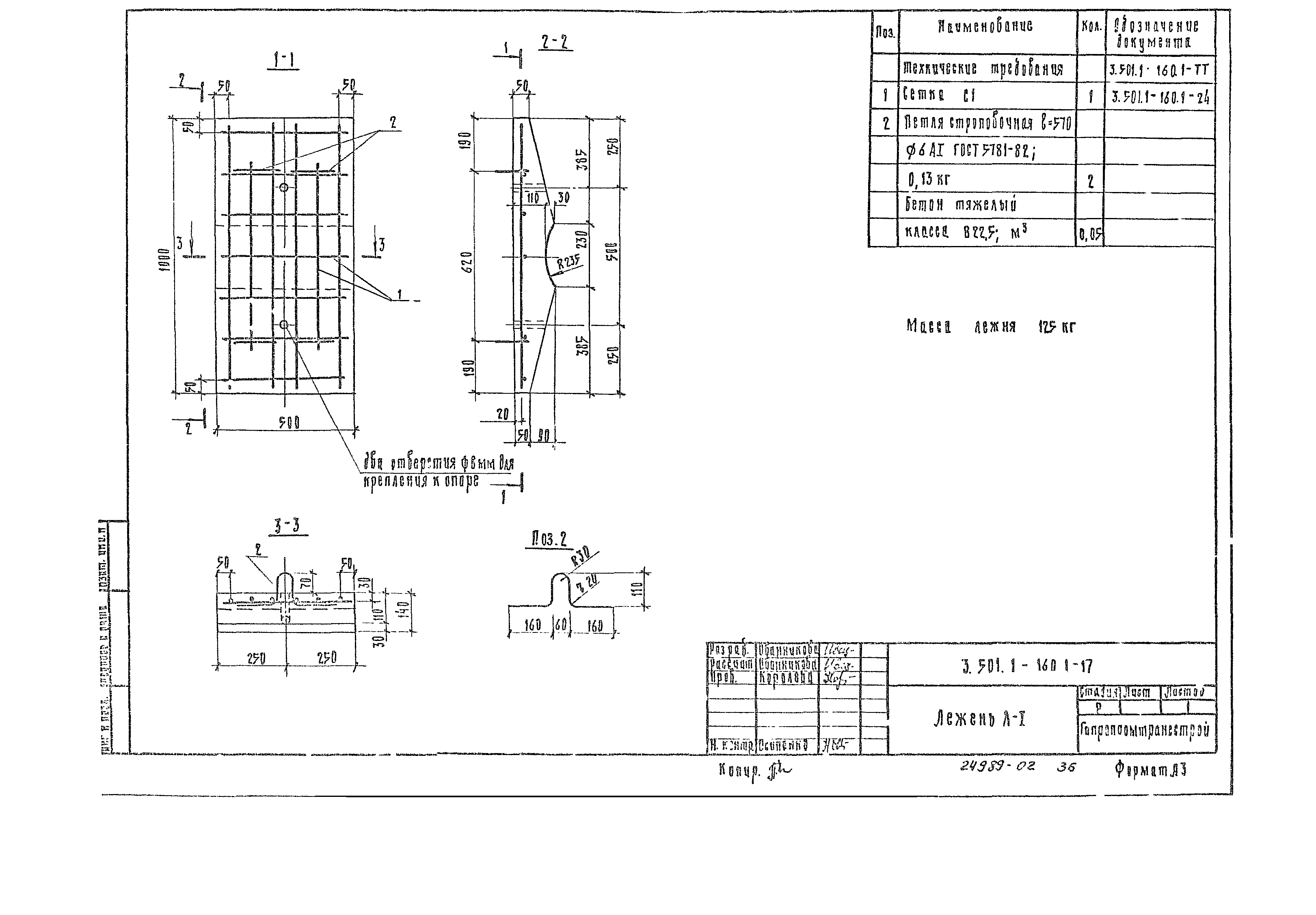
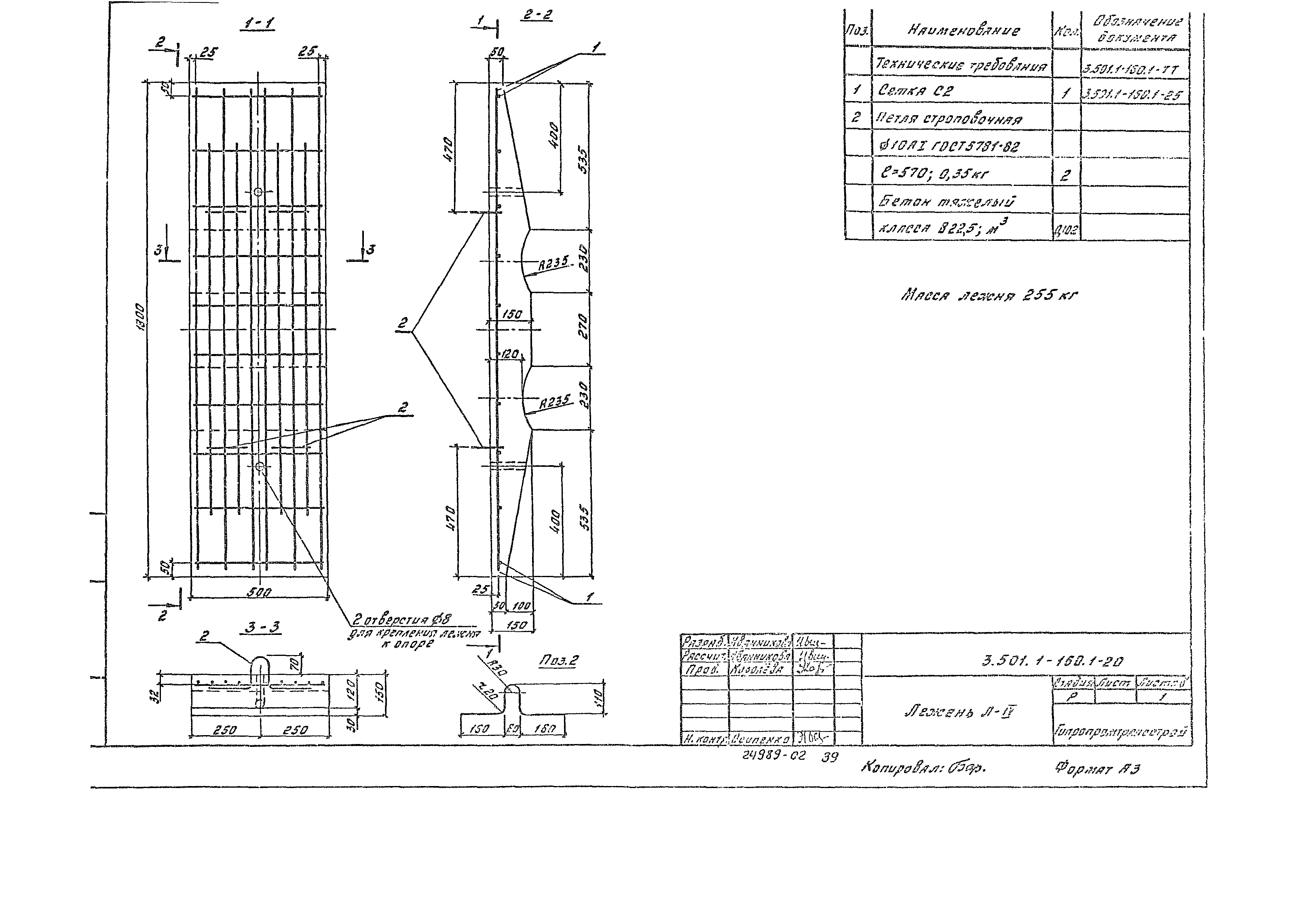
Скачать Серия 3.501.1-160 Выпуск 1. Стойки из обычного бетона. Рабочие чертежиДата актуализации: 01.01.2021
|
| Обозначение: | Серия 3.501.1-160 |
| Обозначение англ: | Series 3.501.1-160 |
| Статус: | не определен законодательством |
| Название рус.: | Выпуск 1. Стойки из обычного бетона. Рабочие чертежи |
| Дата добавления в базу: | 01.09.2013 |
| Дата актуализации: | 01.01.2021 |
| Дата введения: | 01.01.1992 |
| Дата окончания срока действия: | 30.06.2003 |
| Разработан: | Гипропромтрансстрой |
| Утверждён: | 18.02.1991 МПС СССР (USSR Ministry of Railroads ЦЭТ-39) |
| Издан: | АПП ЦИТП (1991 г. ) |
| Заменяет собой: |













































