Скачать Серия 3.501.1-155 Выпуск 0. Материалы для проектированияДата актуализации: 01.01.2021
|
| Обозначение: | Серия 3.501.1-155 |
| Обозначение англ: | Series 3.501.1-155 |
| Статус: | не определен законодательством |
| Название рус.: | Выпуск 0. Материалы для проектирования |
| Дата добавления в базу: | 01.09.2013 |
| Дата актуализации: | 01.01.2021 |
| Дата введения: | 01.12.1988 |
| Дата окончания срока действия: | 30.06.2003 |
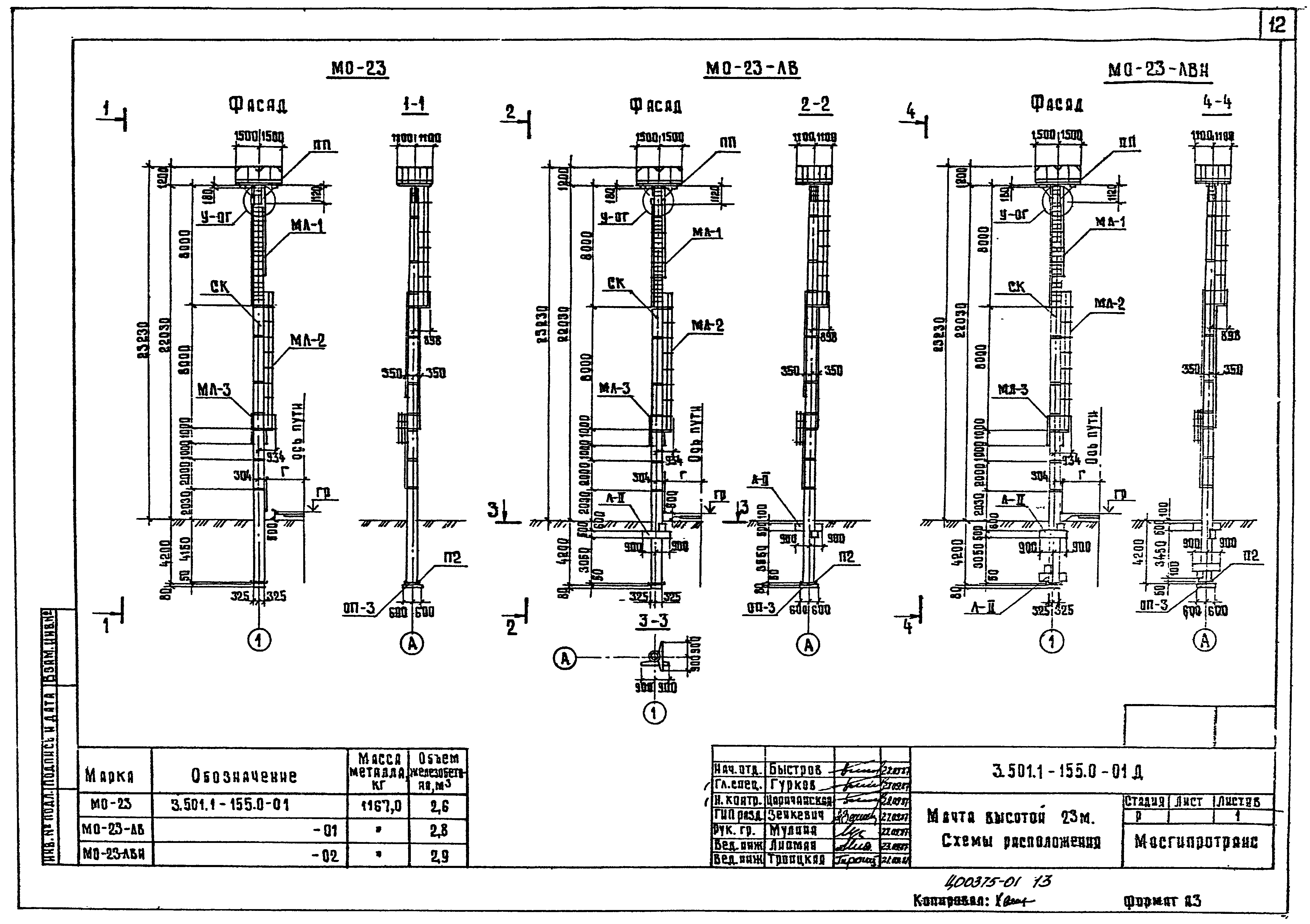
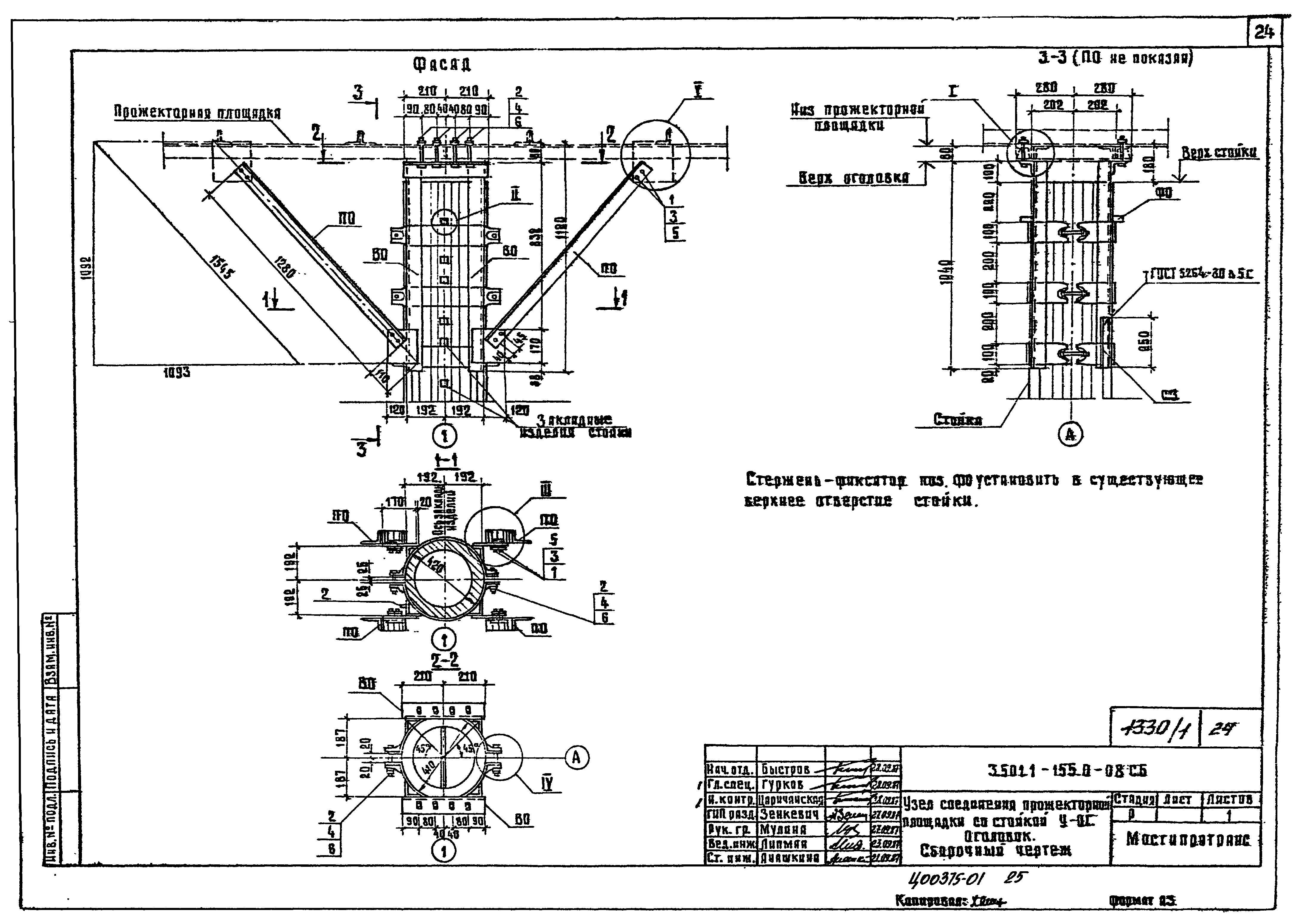
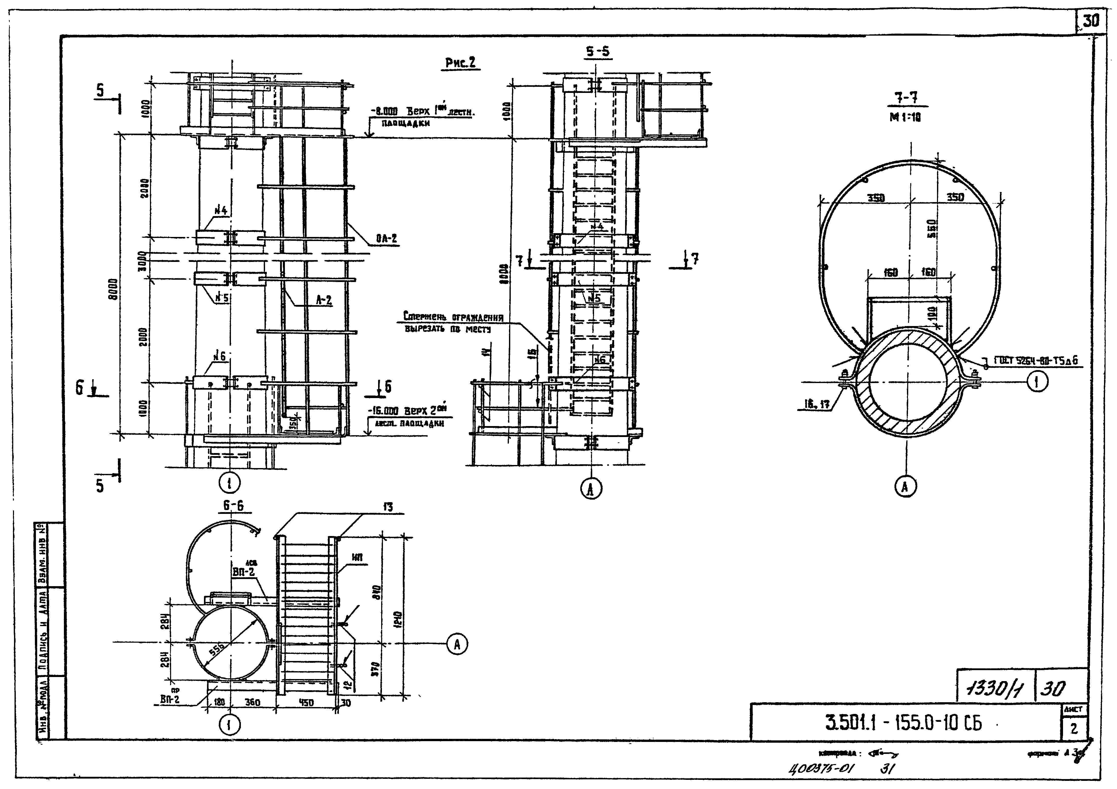
| Оглавление: | 3.501.1-155.0-ПЗ Пояснительная записка 3.501.1-155.0-01 Мачта высотой 23 м. Спецификация 3.501.1-155.0-01 Д Мачта высотой 23 м. Схемы расположения 3.501.1-155.0-01 СМ Мачта высотой 23 м. Таблицы применимости 3.501.1-155.0-02 Мачта высотой 26 м. Спецификация 3.501.1-155.0-02 СМ Мачта высотой 26 м. Таблицы применимости 3.501.1-155.0-03 Мачта высотой 28 м. Схема расположения 3.501.1-155.0-03 СМ Мачта высотой 28 м. Таблицы применимости 3.501.1-155.0-04 Схемы и условия установки мачт в пучинистых грунтах 3.501.1-155.0-05 Мачты высотой 26 и 28 м. Узел объединения стойки с фундаментом УО-1 3.501.1-155.0-06 Мачта высотой 28 м. Слив фундамента СФ 3.501.1-155.0-07 Мачта высотой 28 м. Узел объединения сваи с фундаментом-растверком УО-2.1, УО-2.2, УО-2.3 3.501.1-155.0-08 Узел соединения прожекторной площадки со стойкой У-ОГ. Оголовок. Спецификация 3.501.1-155.0-08 СБ Узел соединения прожекторной площадки со стойкой У-ОГ. Оголовок. Сборочный чертеж 3.501.1-155.0-09 Схемы расположения хомутов крепления лестничных маршей к стойке мачт 3.501.1-155.0-10 Марши лестничные. Спецификация 3.501.1-155.0-10 СБ Марши лестничные. Сборочный чертеж 3.501.1-155.0-11 Схемы монтажа мачты 3.501.1-155.0-12 ВМ Ведомость потребности в материалах на узлы омоноличивания 3.501.1-155.0-13 ВМ Ведомость в потребности в материалах на металлические конструкции (на элемент) 3.501.1-155.0-14 ВМ Ведомость в потребности в материалах на железобетонные фундаменты (на элемент) 3.501.1-155.0-15 ВМ Ведомость в потребности в материалах на железобетонные фундаменты. Дополнительный вариант (на элемент) 3.501.1-155.0-16 ВМ Ведомость в потребности в материалах на железобетонные конструкции (на элемент) |
| Разработан: | Мосгипротранс |
| Утверждён: | 27.11.1988 Министерство путей сообщения СССР (USSR Ministry of Railroads А-3627У) |








































